Eye Bolt Din 580 . din 580 lifting eye bolts, steel order online directly from the manufacturer. din 580 specification specifies the properties of steel and stainless steel eyebolts and provides. the use of din 580 lifting eye bolts must take place under the following conditions: Discover the product specifications and technical features. The use of din 580 lifting eye bolts must take place under the. The length of the thread of the assembly hole. The following guidelines for lifting eye bolts din 580 have to be observed in addition to the load values given in the above table: guidelines of lifting eye bolts din 580 have to be observed in addition to the load values given in the above table:
from lowcostwire.com.au
din 580 specification specifies the properties of steel and stainless steel eyebolts and provides. the use of din 580 lifting eye bolts must take place under the following conditions: The use of din 580 lifting eye bolts must take place under the. din 580 lifting eye bolts, steel order online directly from the manufacturer. guidelines of lifting eye bolts din 580 have to be observed in addition to the load values given in the above table: Discover the product specifications and technical features. The length of the thread of the assembly hole. The following guidelines for lifting eye bolts din 580 have to be observed in addition to the load values given in the above table:
Eye Bolt M20 30mm DIN 580 G316 Stainless Steel TRADE PACKS
Eye Bolt Din 580 The length of the thread of the assembly hole. The length of the thread of the assembly hole. Discover the product specifications and technical features. din 580 lifting eye bolts, steel order online directly from the manufacturer. the use of din 580 lifting eye bolts must take place under the following conditions: guidelines of lifting eye bolts din 580 have to be observed in addition to the load values given in the above table: The following guidelines for lifting eye bolts din 580 have to be observed in addition to the load values given in the above table: din 580 specification specifies the properties of steel and stainless steel eyebolts and provides. The use of din 580 lifting eye bolts must take place under the.
From www.metalanchorbolts.com
8.8 Grade Din 580 Eye Bolt Galvanized Round Carbon Steel Lifting Zinc Eye Bolt Din 580 The following guidelines for lifting eye bolts din 580 have to be observed in addition to the load values given in the above table: the use of din 580 lifting eye bolts must take place under the following conditions: din 580 lifting eye bolts, steel order online directly from the manufacturer. guidelines of lifting eye bolts din. Eye Bolt Din 580.
From www.alllifting.com.au
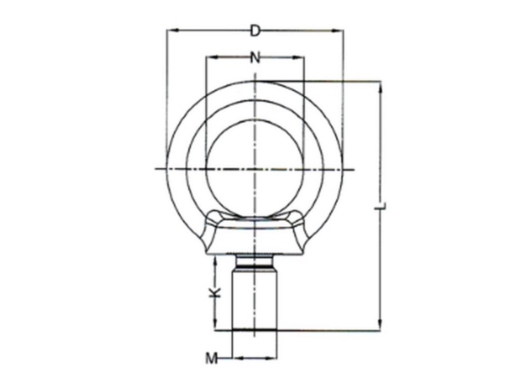
EyeBoltDindimensionsalllifting Eye Bolt Din 580 Discover the product specifications and technical features. din 580 specification specifies the properties of steel and stainless steel eyebolts and provides. The length of the thread of the assembly hole. The following guidelines for lifting eye bolts din 580 have to be observed in addition to the load values given in the above table: the use of din. Eye Bolt Din 580.
From lowcostwire.com.au
Eye Bolt M20 30mm DIN 580 G316 Stainless Steel TRADE PACKS Eye Bolt Din 580 din 580 specification specifies the properties of steel and stainless steel eyebolts and provides. guidelines of lifting eye bolts din 580 have to be observed in addition to the load values given in the above table: the use of din 580 lifting eye bolts must take place under the following conditions: Discover the product specifications and technical. Eye Bolt Din 580.
From candclifting.com
Zinc Eye Bolt Din 580 C & C Lifting Ltd Eye Bolt Din 580 din 580 specification specifies the properties of steel and stainless steel eyebolts and provides. Discover the product specifications and technical features. The following guidelines for lifting eye bolts din 580 have to be observed in addition to the load values given in the above table: The use of din 580 lifting eye bolts must take place under the. . Eye Bolt Din 580.
From www.rema.eu
C15E DIN580 Eye bolt type Eye Bolt Din 580 guidelines of lifting eye bolts din 580 have to be observed in addition to the load values given in the above table: din 580 specification specifies the properties of steel and stainless steel eyebolts and provides. Discover the product specifications and technical features. din 580 lifting eye bolts, steel order online directly from the manufacturer. The length. Eye Bolt Din 580.
From www.haspl.eu
Hašpl a.s. Lifting eye bolts M16, DIN 580, galvanized We live for Eye Bolt Din 580 Discover the product specifications and technical features. The use of din 580 lifting eye bolts must take place under the. guidelines of lifting eye bolts din 580 have to be observed in addition to the load values given in the above table: the use of din 580 lifting eye bolts must take place under the following conditions: . Eye Bolt Din 580.
From lowcostwire.com.au
Eye Bolt DIN 580 Galvanised Steel G80 ALL SIZES Eye Bolt Din 580 din 580 specification specifies the properties of steel and stainless steel eyebolts and provides. The length of the thread of the assembly hole. The following guidelines for lifting eye bolts din 580 have to be observed in addition to the load values given in the above table: Discover the product specifications and technical features. The use of din 580. Eye Bolt Din 580.
From www.accu.co.uk
Buy M12 Lifting Eye Bolts (DIN 580) Cast Stainless Steel (A2) Save Eye Bolt Din 580 Discover the product specifications and technical features. The length of the thread of the assembly hole. The following guidelines for lifting eye bolts din 580 have to be observed in addition to the load values given in the above table: guidelines of lifting eye bolts din 580 have to be observed in addition to the load values given in. Eye Bolt Din 580.
From www.lgrigging.com
G80 Eye Bolt DIN 580 Lifting Point China LG Supply Eye Bolt Din 580 din 580 specification specifies the properties of steel and stainless steel eyebolts and provides. the use of din 580 lifting eye bolts must take place under the following conditions: The following guidelines for lifting eye bolts din 580 have to be observed in addition to the load values given in the above table: guidelines of lifting eye. Eye Bolt Din 580.
From www.thefastenerfactory.com.au
M16 25pc LIFTING EYE BOLT ZINC YELLOW PASSIVATE DIN 580 / GRADE C15E Eye Bolt Din 580 The following guidelines for lifting eye bolts din 580 have to be observed in addition to the load values given in the above table: din 580 specification specifies the properties of steel and stainless steel eyebolts and provides. Discover the product specifications and technical features. guidelines of lifting eye bolts din 580 have to be observed in addition. Eye Bolt Din 580.
From lowcostwire.com.au
Eye Bolt DIN 580 Zinc Plated Steel ALL SIZES Low Cost Wire Eye Bolt Din 580 din 580 lifting eye bolts, steel order online directly from the manufacturer. Discover the product specifications and technical features. The following guidelines for lifting eye bolts din 580 have to be observed in addition to the load values given in the above table: The length of the thread of the assembly hole. the use of din 580 lifting. Eye Bolt Din 580.
From www.austlift.com.au
Eye Bolt DIN580 Zinc Austlift Eye Bolt Din 580 Discover the product specifications and technical features. the use of din 580 lifting eye bolts must take place under the following conditions: din 580 lifting eye bolts, steel order online directly from the manufacturer. din 580 specification specifies the properties of steel and stainless steel eyebolts and provides. The use of din 580 lifting eye bolts must. Eye Bolt Din 580.
From www.absoluteindustrial.co.uk
Stainless Steel Eyebolts to DIN 580 Tested AISI 316 Lifting Eye Bolt Din 580 The use of din 580 lifting eye bolts must take place under the. din 580 specification specifies the properties of steel and stainless steel eyebolts and provides. Discover the product specifications and technical features. din 580 lifting eye bolts, steel order online directly from the manufacturer. the use of din 580 lifting eye bolts must take place. Eye Bolt Din 580.
From www.gsproducts.co.uk
M16 BZP Steel Lifting Eyebolt DIN 580 Eye Bolt GS Products Eye Bolt Din 580 guidelines of lifting eye bolts din 580 have to be observed in addition to the load values given in the above table: Discover the product specifications and technical features. The length of the thread of the assembly hole. din 580 lifting eye bolts, steel order online directly from the manufacturer. The use of din 580 lifting eye bolts. Eye Bolt Din 580.
From torqbolt.com
DIN 580 Lifting Eye Bolts Eye Bolt Din 580 Discover the product specifications and technical features. The length of the thread of the assembly hole. the use of din 580 lifting eye bolts must take place under the following conditions: The use of din 580 lifting eye bolts must take place under the. guidelines of lifting eye bolts din 580 have to be observed in addition to. Eye Bolt Din 580.
From qdsailrigging.en.made-in-china.com
C15e DIN 580 Galvanized Drop Lifting Eye Bolt China Eye Bolt Eye Bolt Din 580 din 580 lifting eye bolts, steel order online directly from the manufacturer. guidelines of lifting eye bolts din 580 have to be observed in addition to the load values given in the above table: Discover the product specifications and technical features. The length of the thread of the assembly hole. din 580 specification specifies the properties of. Eye Bolt Din 580.
From fastenerworld.ae
Lifting Eye BoltDIN 580 Fastener World FZCO UAE's Leading Fastener Eye Bolt Din 580 guidelines of lifting eye bolts din 580 have to be observed in addition to the load values given in the above table: din 580 lifting eye bolts, steel order online directly from the manufacturer. the use of din 580 lifting eye bolts must take place under the following conditions: The length of the thread of the assembly. Eye Bolt Din 580.
From www.tcfixings.co.uk
M16 Lifting Eye Bolt DIN 580 BZP Timber Lifting Eye Lifting Eye Eye Bolt Din 580 din 580 specification specifies the properties of steel and stainless steel eyebolts and provides. guidelines of lifting eye bolts din 580 have to be observed in addition to the load values given in the above table: The length of the thread of the assembly hole. The following guidelines for lifting eye bolts din 580 have to be observed. Eye Bolt Din 580.
From www.pts-uk.com
Lifting Eye Bolts DIN 580 Eye Bolt Din 580 the use of din 580 lifting eye bolts must take place under the following conditions: The following guidelines for lifting eye bolts din 580 have to be observed in addition to the load values given in the above table: guidelines of lifting eye bolts din 580 have to be observed in addition to the load values given in. Eye Bolt Din 580.
From www.tecni.uk
M20 A4AISI 316L Stainless Steel Certified Lifting Eyebolt DIN 580 WLL Eye Bolt Din 580 The length of the thread of the assembly hole. the use of din 580 lifting eye bolts must take place under the following conditions: The use of din 580 lifting eye bolts must take place under the. guidelines of lifting eye bolts din 580 have to be observed in addition to the load values given in the above. Eye Bolt Din 580.
From www.chainandrigging.co.nz
Eye Bolt DIN580 Metric Rated Chain & Rigging Supplies Eye Bolt Din 580 The following guidelines for lifting eye bolts din 580 have to be observed in addition to the load values given in the above table: The length of the thread of the assembly hole. The use of din 580 lifting eye bolts must take place under the. Discover the product specifications and technical features. the use of din 580 lifting. Eye Bolt Din 580.
From lowcostwire.com.au
Eye Bolt DIN 580 Galvanised Steel Commercial ALL SIZES Eye Bolt Din 580 din 580 lifting eye bolts, steel order online directly from the manufacturer. din 580 specification specifies the properties of steel and stainless steel eyebolts and provides. the use of din 580 lifting eye bolts must take place under the following conditions: The length of the thread of the assembly hole. Discover the product specifications and technical features.. Eye Bolt Din 580.
From www.romak.com.au
Lifting Eye Bolt M20 DIN 580 ZP Eye Bolt Din 580 din 580 specification specifies the properties of steel and stainless steel eyebolts and provides. the use of din 580 lifting eye bolts must take place under the following conditions: The following guidelines for lifting eye bolts din 580 have to be observed in addition to the load values given in the above table: Discover the product specifications and. Eye Bolt Din 580.
From www.yfrigging.com
din 580 eye bolts galvanized eye bolt lifting eye bolt Qingdao Yanfei Eye Bolt Din 580 Discover the product specifications and technical features. the use of din 580 lifting eye bolts must take place under the following conditions: guidelines of lifting eye bolts din 580 have to be observed in addition to the load values given in the above table: din 580 specification specifies the properties of steel and stainless steel eyebolts and. Eye Bolt Din 580.
From www.certex.dk
Lifting Eye Bolt DIN 580 CERTEX Denmark Eye Bolt Din 580 The length of the thread of the assembly hole. The following guidelines for lifting eye bolts din 580 have to be observed in addition to the load values given in the above table: The use of din 580 lifting eye bolts must take place under the. din 580 specification specifies the properties of steel and stainless steel eyebolts and. Eye Bolt Din 580.
From candclifting.com
Zinc Eye Bolt Din 580 C & C Lifting Ltd Eye Bolt Din 580 guidelines of lifting eye bolts din 580 have to be observed in addition to the load values given in the above table: din 580 specification specifies the properties of steel and stainless steel eyebolts and provides. The use of din 580 lifting eye bolts must take place under the. the use of din 580 lifting eye bolts. Eye Bolt Din 580.
From www.gsproducts.co.uk
Stainless Steel DIN 580 Eye Bolts 5mm20mm Eye Bolt Din 580 guidelines of lifting eye bolts din 580 have to be observed in addition to the load values given in the above table: din 580 specification specifies the properties of steel and stainless steel eyebolts and provides. The following guidelines for lifting eye bolts din 580 have to be observed in addition to the load values given in the. Eye Bolt Din 580.
From eurobolt.com.pl
DIN 580 / ISO 3266 / PN 82472 Eyebolts EUROBOLT Eye Bolt Din 580 The following guidelines for lifting eye bolts din 580 have to be observed in addition to the load values given in the above table: the use of din 580 lifting eye bolts must take place under the following conditions: The use of din 580 lifting eye bolts must take place under the. din 580 specification specifies the properties. Eye Bolt Din 580.
From www.gsproducts.co.uk
Stainless Steel Lifting Eye Bolts DIN 580 M8 M20 Eye Bolt Din 580 The use of din 580 lifting eye bolts must take place under the. din 580 specification specifies the properties of steel and stainless steel eyebolts and provides. guidelines of lifting eye bolts din 580 have to be observed in addition to the load values given in the above table: Discover the product specifications and technical features. din. Eye Bolt Din 580.
From www.ranger.com.au
Eyebolts DIN Standard 580 Ranger Lifting Eye Bolt Din 580 The use of din 580 lifting eye bolts must take place under the. The length of the thread of the assembly hole. Discover the product specifications and technical features. guidelines of lifting eye bolts din 580 have to be observed in addition to the load values given in the above table: The following guidelines for lifting eye bolts din. Eye Bolt Din 580.
From www.dutyhook.eu
M10 Lifting Eye Bolt DIN 580, stainless steel AISI 316 marine grade Eye Bolt Din 580 The following guidelines for lifting eye bolts din 580 have to be observed in addition to the load values given in the above table: din 580 lifting eye bolts, steel order online directly from the manufacturer. The use of din 580 lifting eye bolts must take place under the. The length of the thread of the assembly hole. Discover. Eye Bolt Din 580.
From www.photopoint.ee
Lifting eye bolt DIN 580 M12, Zn Bolts Photopoint Eye Bolt Din 580 guidelines of lifting eye bolts din 580 have to be observed in addition to the load values given in the above table: din 580 specification specifies the properties of steel and stainless steel eyebolts and provides. The following guidelines for lifting eye bolts din 580 have to be observed in addition to the load values given in the. Eye Bolt Din 580.
From www.damencnc.com
M8 X 13 Lifting Eye Bolt DIN580 Steel C15E Galvanized DamenCNC B.V. Eye Bolt Din 580 the use of din 580 lifting eye bolts must take place under the following conditions: Discover the product specifications and technical features. The length of the thread of the assembly hole. din 580 lifting eye bolts, steel order online directly from the manufacturer. The following guidelines for lifting eye bolts din 580 have to be observed in addition. Eye Bolt Din 580.
From www.romak.com.au
Lifting Eye Bolt M8 DIN 580 ZP Eye Bolt Din 580 The use of din 580 lifting eye bolts must take place under the. din 580 specification specifies the properties of steel and stainless steel eyebolts and provides. The following guidelines for lifting eye bolts din 580 have to be observed in addition to the load values given in the above table: the use of din 580 lifting eye. Eye Bolt Din 580.
From tssmarine.com
IMPA 692202 EYE BOLT M10 DIN 580STEEL ZINC PLATED Eye Bolt Din 580 the use of din 580 lifting eye bolts must take place under the following conditions: din 580 lifting eye bolts, steel order online directly from the manufacturer. Discover the product specifications and technical features. din 580 specification specifies the properties of steel and stainless steel eyebolts and provides. guidelines of lifting eye bolts din 580 have. Eye Bolt Din 580.