How To Determine Bathroom Sink Size . guide to bathroom sink sizes including different types of bathroom sink dimensions and how to measure a bathroom sink. standard bathroom sink sizes, which means average bathroom sink dimensions, typically range from 16 to 24 inches in width and 5. Notice this is used for rectangular and square bathroom sinks. If you are buying a round. bathroom sink dimensions. whether you are renovating a small bathroom with an undermount bathroom sink or designing a large public bathroom, determining the correct bathroom sink. how a bathroom sink size is measured will depend on the type of sink you want to install. Average sizes for round bathroom sinks are discussed in another section. common bathroom sink sizes. you can determine the sink size you need by measuring the basic sink dimensions and the area surrounding it. Find below a drawing with specific figures for standard bathroom sink sizes.
from vevano.com
how a bathroom sink size is measured will depend on the type of sink you want to install. whether you are renovating a small bathroom with an undermount bathroom sink or designing a large public bathroom, determining the correct bathroom sink. Notice this is used for rectangular and square bathroom sinks. common bathroom sink sizes. Find below a drawing with specific figures for standard bathroom sink sizes. bathroom sink dimensions. guide to bathroom sink sizes including different types of bathroom sink dimensions and how to measure a bathroom sink. you can determine the sink size you need by measuring the basic sink dimensions and the area surrounding it. standard bathroom sink sizes, which means average bathroom sink dimensions, typically range from 16 to 24 inches in width and 5. Average sizes for round bathroom sinks are discussed in another section.
How to Measure a Vanity Sink Bathroom Sink Dimensions & Standard Size
How To Determine Bathroom Sink Size Notice this is used for rectangular and square bathroom sinks. how a bathroom sink size is measured will depend on the type of sink you want to install. Average sizes for round bathroom sinks are discussed in another section. Find below a drawing with specific figures for standard bathroom sink sizes. common bathroom sink sizes. standard bathroom sink sizes, which means average bathroom sink dimensions, typically range from 16 to 24 inches in width and 5. Notice this is used for rectangular and square bathroom sinks. you can determine the sink size you need by measuring the basic sink dimensions and the area surrounding it. guide to bathroom sink sizes including different types of bathroom sink dimensions and how to measure a bathroom sink. whether you are renovating a small bathroom with an undermount bathroom sink or designing a large public bathroom, determining the correct bathroom sink. If you are buying a round. bathroom sink dimensions.
From www.fsovs.com
8 Steps to Determine the Right Size Bathroom Sink OVS How To Determine Bathroom Sink Size bathroom sink dimensions. If you are buying a round. you can determine the sink size you need by measuring the basic sink dimensions and the area surrounding it. Average sizes for round bathroom sinks are discussed in another section. Find below a drawing with specific figures for standard bathroom sink sizes. guide to bathroom sink sizes including. How To Determine Bathroom Sink Size.
From looacademy.com
Standard Bathroom Sink Sizes & Dimensions A Complete Guide How To Determine Bathroom Sink Size guide to bathroom sink sizes including different types of bathroom sink dimensions and how to measure a bathroom sink. whether you are renovating a small bathroom with an undermount bathroom sink or designing a large public bathroom, determining the correct bathroom sink. Average sizes for round bathroom sinks are discussed in another section. you can determine the. How To Determine Bathroom Sink Size.
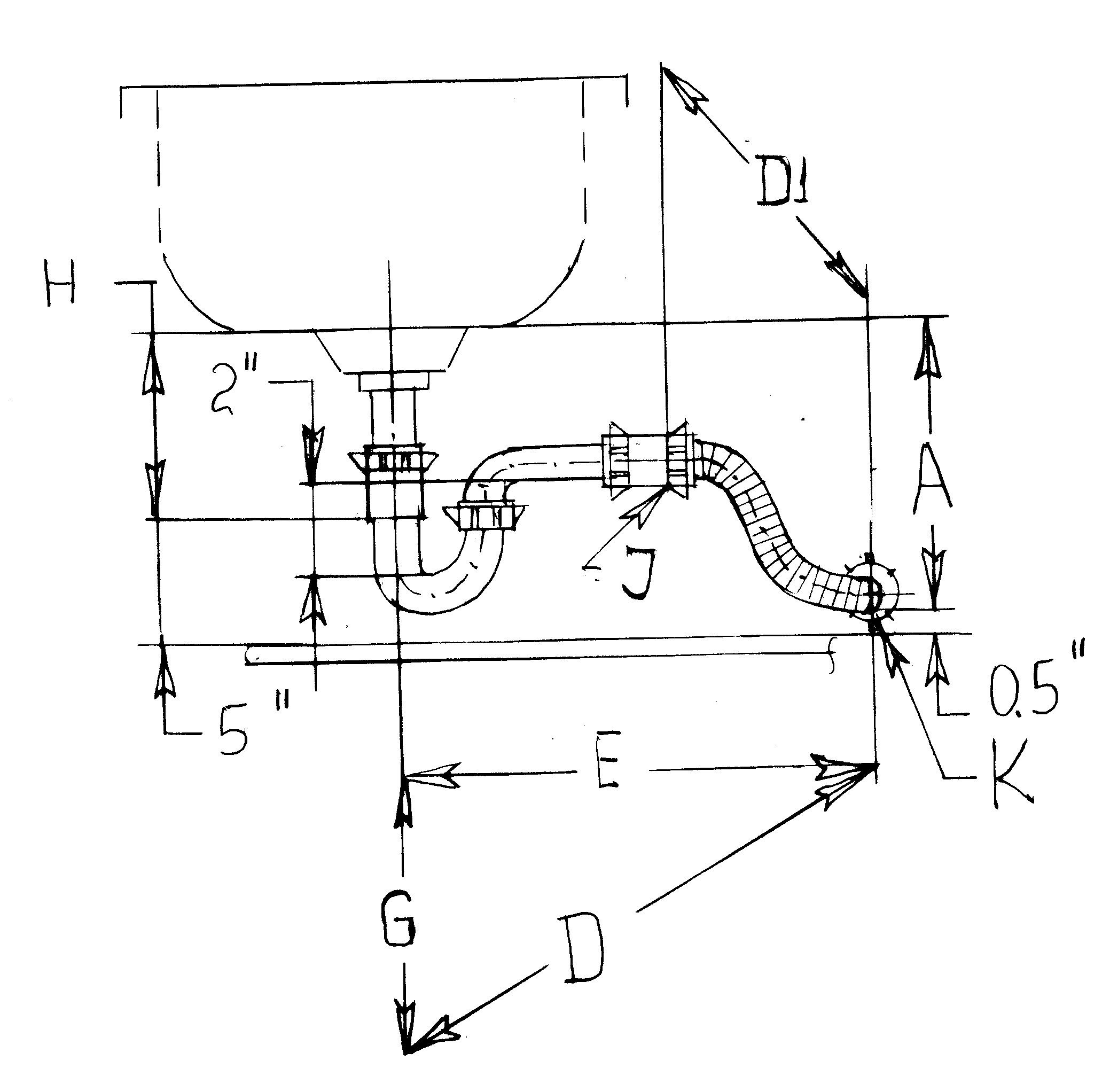
From flexp-trap.com
Determine your size for bathroom sinks How To Determine Bathroom Sink Size bathroom sink dimensions. you can determine the sink size you need by measuring the basic sink dimensions and the area surrounding it. If you are buying a round. how a bathroom sink size is measured will depend on the type of sink you want to install. standard bathroom sink sizes, which means average bathroom sink dimensions,. How To Determine Bathroom Sink Size.
From bertena.com
Bathroom Sink Measurements Everything Bathroom How To Determine Bathroom Sink Size If you are buying a round. guide to bathroom sink sizes including different types of bathroom sink dimensions and how to measure a bathroom sink. Notice this is used for rectangular and square bathroom sinks. how a bathroom sink size is measured will depend on the type of sink you want to install. Average sizes for round bathroom. How To Determine Bathroom Sink Size.
From trendecors.com
Bathroom Sink Dimensions Inches How To Determine Bathroom Sink Size Find below a drawing with specific figures for standard bathroom sink sizes. whether you are renovating a small bathroom with an undermount bathroom sink or designing a large public bathroom, determining the correct bathroom sink. Notice this is used for rectangular and square bathroom sinks. standard bathroom sink sizes, which means average bathroom sink dimensions, typically range from. How To Determine Bathroom Sink Size.
From vevano.com
How to Measure a Vanity Sink Bathroom Sink Dimensions & Standard Size How To Determine Bathroom Sink Size Notice this is used for rectangular and square bathroom sinks. guide to bathroom sink sizes including different types of bathroom sink dimensions and how to measure a bathroom sink. bathroom sink dimensions. whether you are renovating a small bathroom with an undermount bathroom sink or designing a large public bathroom, determining the correct bathroom sink. Find below. How To Determine Bathroom Sink Size.
From flexp-trap.com
Determine your size for bathroom sinks How To Determine Bathroom Sink Size Average sizes for round bathroom sinks are discussed in another section. how a bathroom sink size is measured will depend on the type of sink you want to install. standard bathroom sink sizes, which means average bathroom sink dimensions, typically range from 16 to 24 inches in width and 5. guide to bathroom sink sizes including different. How To Determine Bathroom Sink Size.
From www.doorwaysmagazine.com
Bathroom Dimensions for Toilets, Sinks, Showers and Bathtubs Doorways How To Determine Bathroom Sink Size Average sizes for round bathroom sinks are discussed in another section. common bathroom sink sizes. bathroom sink dimensions. standard bathroom sink sizes, which means average bathroom sink dimensions, typically range from 16 to 24 inches in width and 5. Notice this is used for rectangular and square bathroom sinks. guide to bathroom sink sizes including different. How To Determine Bathroom Sink Size.
From trendecors.com
Bathroom Sink Dimensions Inches How To Determine Bathroom Sink Size whether you are renovating a small bathroom with an undermount bathroom sink or designing a large public bathroom, determining the correct bathroom sink. Notice this is used for rectangular and square bathroom sinks. common bathroom sink sizes. Average sizes for round bathroom sinks are discussed in another section. you can determine the sink size you need by. How To Determine Bathroom Sink Size.
From www.build.com
How to Choose a Bathroom Sink How To Determine Bathroom Sink Size common bathroom sink sizes. bathroom sink dimensions. you can determine the sink size you need by measuring the basic sink dimensions and the area surrounding it. how a bathroom sink size is measured will depend on the type of sink you want to install. standard bathroom sink sizes, which means average bathroom sink dimensions, typically. How To Determine Bathroom Sink Size.
From vevano.com
How to Measure a Vanity Sink Bathroom Sink Dimensions & Standard Size How To Determine Bathroom Sink Size common bathroom sink sizes. Average sizes for round bathroom sinks are discussed in another section. standard bathroom sink sizes, which means average bathroom sink dimensions, typically range from 16 to 24 inches in width and 5. Notice this is used for rectangular and square bathroom sinks. you can determine the sink size you need by measuring the. How To Determine Bathroom Sink Size.
From storables.com
How To Measure A Bathroom Sink Storables How To Determine Bathroom Sink Size Notice this is used for rectangular and square bathroom sinks. guide to bathroom sink sizes including different types of bathroom sink dimensions and how to measure a bathroom sink. how a bathroom sink size is measured will depend on the type of sink you want to install. you can determine the sink size you need by measuring. How To Determine Bathroom Sink Size.
From bertena.com
Undermount Bathroom Sink Dimensions Everything Bathroom How To Determine Bathroom Sink Size you can determine the sink size you need by measuring the basic sink dimensions and the area surrounding it. standard bathroom sink sizes, which means average bathroom sink dimensions, typically range from 16 to 24 inches in width and 5. If you are buying a round. bathroom sink dimensions. guide to bathroom sink sizes including different. How To Determine Bathroom Sink Size.
From trendecors.com
Bathroom Sink Dimensions Inches How To Determine Bathroom Sink Size whether you are renovating a small bathroom with an undermount bathroom sink or designing a large public bathroom, determining the correct bathroom sink. common bathroom sink sizes. Find below a drawing with specific figures for standard bathroom sink sizes. guide to bathroom sink sizes including different types of bathroom sink dimensions and how to measure a bathroom. How To Determine Bathroom Sink Size.
From flexp-trap.com
Determine your size for bathroom sinks How To Determine Bathroom Sink Size Average sizes for round bathroom sinks are discussed in another section. bathroom sink dimensions. guide to bathroom sink sizes including different types of bathroom sink dimensions and how to measure a bathroom sink. Find below a drawing with specific figures for standard bathroom sink sizes. common bathroom sink sizes. whether you are renovating a small bathroom. How To Determine Bathroom Sink Size.
From trendecors.com
Bathroom Sink Dimensions Inches How To Determine Bathroom Sink Size standard bathroom sink sizes, which means average bathroom sink dimensions, typically range from 16 to 24 inches in width and 5. whether you are renovating a small bathroom with an undermount bathroom sink or designing a large public bathroom, determining the correct bathroom sink. you can determine the sink size you need by measuring the basic sink. How To Determine Bathroom Sink Size.
From www.easyhometips.org
Bathroom Sink Drain Pipe Size Guide on Size and Units Connected How To Determine Bathroom Sink Size whether you are renovating a small bathroom with an undermount bathroom sink or designing a large public bathroom, determining the correct bathroom sink. Average sizes for round bathroom sinks are discussed in another section. If you are buying a round. Notice this is used for rectangular and square bathroom sinks. standard bathroom sink sizes, which means average bathroom. How To Determine Bathroom Sink Size.
From vevano.com
How to Measure a Vanity Sink Bathroom Sink Dimensions & Standard Size How To Determine Bathroom Sink Size If you are buying a round. you can determine the sink size you need by measuring the basic sink dimensions and the area surrounding it. Find below a drawing with specific figures for standard bathroom sink sizes. standard bathroom sink sizes, which means average bathroom sink dimensions, typically range from 16 to 24 inches in width and 5.. How To Determine Bathroom Sink Size.
From semisonline.net
Typical Bathroom Sink Dimensions Semis Online How To Determine Bathroom Sink Size bathroom sink dimensions. how a bathroom sink size is measured will depend on the type of sink you want to install. guide to bathroom sink sizes including different types of bathroom sink dimensions and how to measure a bathroom sink. whether you are renovating a small bathroom with an undermount bathroom sink or designing a large. How To Determine Bathroom Sink Size.
From besthomish.com
Double Sink Bathroom Dimensions BESTHOMISH How To Determine Bathroom Sink Size common bathroom sink sizes. standard bathroom sink sizes, which means average bathroom sink dimensions, typically range from 16 to 24 inches in width and 5. Average sizes for round bathroom sinks are discussed in another section. Find below a drawing with specific figures for standard bathroom sink sizes. Notice this is used for rectangular and square bathroom sinks.. How To Determine Bathroom Sink Size.
From flexp-trap.com
Determine your size for bathroom sinks How To Determine Bathroom Sink Size Notice this is used for rectangular and square bathroom sinks. Find below a drawing with specific figures for standard bathroom sink sizes. If you are buying a round. Average sizes for round bathroom sinks are discussed in another section. whether you are renovating a small bathroom with an undermount bathroom sink or designing a large public bathroom, determining the. How To Determine Bathroom Sink Size.
From housetipster.com
How to Measure For a Bathroom Sink Upgrade House Tipster How To Determine Bathroom Sink Size Find below a drawing with specific figures for standard bathroom sink sizes. standard bathroom sink sizes, which means average bathroom sink dimensions, typically range from 16 to 24 inches in width and 5. how a bathroom sink size is measured will depend on the type of sink you want to install. guide to bathroom sink sizes including. How To Determine Bathroom Sink Size.
From flexp-trap.com
Determine your size for bathroom sinks How To Determine Bathroom Sink Size standard bathroom sink sizes, which means average bathroom sink dimensions, typically range from 16 to 24 inches in width and 5. Notice this is used for rectangular and square bathroom sinks. Average sizes for round bathroom sinks are discussed in another section. Find below a drawing with specific figures for standard bathroom sink sizes. bathroom sink dimensions. . How To Determine Bathroom Sink Size.
From www.homenish.com
Bathroom Sink Dimensions and Guidelines (with 3 Drawings) Homenish How To Determine Bathroom Sink Size common bathroom sink sizes. you can determine the sink size you need by measuring the basic sink dimensions and the area surrounding it. If you are buying a round. guide to bathroom sink sizes including different types of bathroom sink dimensions and how to measure a bathroom sink. whether you are renovating a small bathroom with. How To Determine Bathroom Sink Size.
From flexp-trap.com
Determine your size for bathroom sinks How To Determine Bathroom Sink Size If you are buying a round. Find below a drawing with specific figures for standard bathroom sink sizes. whether you are renovating a small bathroom with an undermount bathroom sink or designing a large public bathroom, determining the correct bathroom sink. how a bathroom sink size is measured will depend on the type of sink you want to. How To Determine Bathroom Sink Size.
From trendecors.com
Bathroom Sink Dimensions Inches How To Determine Bathroom Sink Size standard bathroom sink sizes, which means average bathroom sink dimensions, typically range from 16 to 24 inches in width and 5. If you are buying a round. guide to bathroom sink sizes including different types of bathroom sink dimensions and how to measure a bathroom sink. Average sizes for round bathroom sinks are discussed in another section. . How To Determine Bathroom Sink Size.
From vevano.com
How to Measure a Vanity Sink Bathroom Sink Dimensions & Standard Size How To Determine Bathroom Sink Size whether you are renovating a small bathroom with an undermount bathroom sink or designing a large public bathroom, determining the correct bathroom sink. Average sizes for round bathroom sinks are discussed in another section. how a bathroom sink size is measured will depend on the type of sink you want to install. guide to bathroom sink sizes. How To Determine Bathroom Sink Size.
From www.dimensions.com
Bathroom Sinks Wash Basins Dimensions & Drawings How To Determine Bathroom Sink Size standard bathroom sink sizes, which means average bathroom sink dimensions, typically range from 16 to 24 inches in width and 5. whether you are renovating a small bathroom with an undermount bathroom sink or designing a large public bathroom, determining the correct bathroom sink. bathroom sink dimensions. you can determine the sink size you need by. How To Determine Bathroom Sink Size.
From www.artcomcrea.com
How To Measure Bathroom Sink Dimensions How To Determine Bathroom Sink Size bathroom sink dimensions. whether you are renovating a small bathroom with an undermount bathroom sink or designing a large public bathroom, determining the correct bathroom sink. you can determine the sink size you need by measuring the basic sink dimensions and the area surrounding it. Find below a drawing with specific figures for standard bathroom sink sizes.. How To Determine Bathroom Sink Size.
From www.homenish.com
Bathroom Sink Dimensions and Guidelines (with 3 Drawings) Homenish How To Determine Bathroom Sink Size how a bathroom sink size is measured will depend on the type of sink you want to install. standard bathroom sink sizes, which means average bathroom sink dimensions, typically range from 16 to 24 inches in width and 5. Notice this is used for rectangular and square bathroom sinks. Find below a drawing with specific figures for standard. How To Determine Bathroom Sink Size.
From semisonline.net
How to Measure a Bathroom Pedestal Sink Semis Online How To Determine Bathroom Sink Size Average sizes for round bathroom sinks are discussed in another section. how a bathroom sink size is measured will depend on the type of sink you want to install. If you are buying a round. common bathroom sink sizes. Notice this is used for rectangular and square bathroom sinks. bathroom sink dimensions. Find below a drawing with. How To Determine Bathroom Sink Size.
From flexp-trap.com
Determine your size for pedestal sink How To Determine Bathroom Sink Size standard bathroom sink sizes, which means average bathroom sink dimensions, typically range from 16 to 24 inches in width and 5. how a bathroom sink size is measured will depend on the type of sink you want to install. bathroom sink dimensions. Find below a drawing with specific figures for standard bathroom sink sizes. common bathroom. How To Determine Bathroom Sink Size.
From flexp-trap.com
Determine your size for bathroom sinks How To Determine Bathroom Sink Size guide to bathroom sink sizes including different types of bathroom sink dimensions and how to measure a bathroom sink. you can determine the sink size you need by measuring the basic sink dimensions and the area surrounding it. whether you are renovating a small bathroom with an undermount bathroom sink or designing a large public bathroom, determining. How To Determine Bathroom Sink Size.
From semisonline.net
Typical Bathroom Sink Dimensions Semis Online How To Determine Bathroom Sink Size standard bathroom sink sizes, which means average bathroom sink dimensions, typically range from 16 to 24 inches in width and 5. Average sizes for round bathroom sinks are discussed in another section. guide to bathroom sink sizes including different types of bathroom sink dimensions and how to measure a bathroom sink. how a bathroom sink size is. How To Determine Bathroom Sink Size.
From exoqlldeo.blob.core.windows.net
How To Measure Bathroom Sink Plug at Kimberly Cassidy blog How To Determine Bathroom Sink Size how a bathroom sink size is measured will depend on the type of sink you want to install. guide to bathroom sink sizes including different types of bathroom sink dimensions and how to measure a bathroom sink. Average sizes for round bathroom sinks are discussed in another section. Notice this is used for rectangular and square bathroom sinks.. How To Determine Bathroom Sink Size.