Low Side Current Monitor . With these circuits the current flowing in the ground return or. current sense amplifiers, also called current shunt monitors, are specialized differential amplifiers with a precisely matched. low side current & power monitors & regulators are available at mouser electronics. this chapter discusses solutions for low side current sensing.
from elecena.pl
With these circuits the current flowing in the ground return or. low side current & power monitors & regulators are available at mouser electronics. current sense amplifiers, also called current shunt monitors, are specialized differential amplifiers with a precisely matched. this chapter discusses solutions for low side current sensing.
ThreeTerminal Low Power HighSide Current Monitor » ZXCT1107 Datasheet
Low Side Current Monitor low side current & power monitors & regulators are available at mouser electronics. this chapter discusses solutions for low side current sensing. With these circuits the current flowing in the ground return or. low side current & power monitors & regulators are available at mouser electronics. current sense amplifiers, also called current shunt monitors, are specialized differential amplifiers with a precisely matched.
From www.radiolocman.com
Precision, LowSide Current Measurement Low Side Current Monitor With these circuits the current flowing in the ground return or. this chapter discusses solutions for low side current sensing. current sense amplifiers, also called current shunt monitors, are specialized differential amplifiers with a precisely matched. low side current & power monitors & regulators are available at mouser electronics. Low Side Current Monitor.
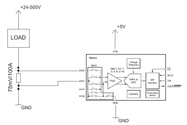
From studylib.net
Current Shunt Monitors (Rev. A) Low Side Current Monitor current sense amplifiers, also called current shunt monitors, are specialized differential amplifiers with a precisely matched. this chapter discusses solutions for low side current sensing. low side current & power monitors & regulators are available at mouser electronics. With these circuits the current flowing in the ground return or. Low Side Current Monitor.
From itecnotes.com
Electronic Common ground in low side current sensing Valuable Tech Low Side Current Monitor this chapter discusses solutions for low side current sensing. With these circuits the current flowing in the ground return or. current sense amplifiers, also called current shunt monitors, are specialized differential amplifiers with a precisely matched. low side current & power monitors & regulators are available at mouser electronics. Low Side Current Monitor.
From picclick.com
BIDIRECTIONAL LOW/HIGH SIDE Voltage Output Current Shunt Monitor Module Low Side Current Monitor current sense amplifiers, also called current shunt monitors, are specialized differential amplifiers with a precisely matched. low side current & power monitors & regulators are available at mouser electronics. this chapter discusses solutions for low side current sensing. With these circuits the current flowing in the ground return or. Low Side Current Monitor.
From www.analog.com
Low Side Current Sense Circuit Collection Analog Devices Low Side Current Monitor low side current & power monitors & regulators are available at mouser electronics. With these circuits the current flowing in the ground return or. this chapter discusses solutions for low side current sensing. current sense amplifiers, also called current shunt monitors, are specialized differential amplifiers with a precisely matched. Low Side Current Monitor.
From roongwit.rtaf.mi.th
Current Shunt Monitor Ic Order Prices roongwit.rtaf.mi.th Low Side Current Monitor current sense amplifiers, also called current shunt monitors, are specialized differential amplifiers with a precisely matched. low side current & power monitors & regulators are available at mouser electronics. With these circuits the current flowing in the ground return or. this chapter discusses solutions for low side current sensing. Low Side Current Monitor.
From www.allaboutcircuits.com
Resistive Current Sensing LowSide vs. HighSide Sensing Technical Low Side Current Monitor low side current & power monitors & regulators are available at mouser electronics. current sense amplifiers, also called current shunt monitors, are specialized differential amplifiers with a precisely matched. this chapter discusses solutions for low side current sensing. With these circuits the current flowing in the ground return or. Low Side Current Monitor.
From www.radiolocman.com
Precision, LowSide Current Measurement Low Side Current Monitor With these circuits the current flowing in the ground return or. low side current & power monitors & regulators are available at mouser electronics. current sense amplifiers, also called current shunt monitors, are specialized differential amplifiers with a precisely matched. this chapter discusses solutions for low side current sensing. Low Side Current Monitor.
From www.elecbee.com
5Pcs CJMCU3221 INA3221 Tripleway Low Side / High Side I2C Output Low Side Current Monitor this chapter discusses solutions for low side current sensing. low side current & power monitors & regulators are available at mouser electronics. With these circuits the current flowing in the ground return or. current sense amplifiers, also called current shunt monitors, are specialized differential amplifiers with a precisely matched. Low Side Current Monitor.
From www.vrogue.co
Tutorial How To Measure Current Arduino Current Shunt vrogue.co Low Side Current Monitor With these circuits the current flowing in the ground return or. this chapter discusses solutions for low side current sensing. current sense amplifiers, also called current shunt monitors, are specialized differential amplifiers with a precisely matched. low side current & power monitors & regulators are available at mouser electronics. Low Side Current Monitor.
From forum.arduino.cc
INA226 Power meter with lowside current sensing Sensors Arduino Low Side Current Monitor current sense amplifiers, also called current shunt monitors, are specialized differential amplifiers with a precisely matched. With these circuits the current flowing in the ground return or. this chapter discusses solutions for low side current sensing. low side current & power monitors & regulators are available at mouser electronics. Low Side Current Monitor.
From nexo.page
Bidirectional Low/High Side Voltage Output Current Shunt Monitor Module Low Side Current Monitor this chapter discusses solutions for low side current sensing. With these circuits the current flowing in the ground return or. low side current & power monitors & regulators are available at mouser electronics. current sense amplifiers, also called current shunt monitors, are specialized differential amplifiers with a precisely matched. Low Side Current Monitor.
From www.youtube.com
Singlesupply, lowside, unidirectional currentsensing circuit YouTube Low Side Current Monitor low side current & power monitors & regulators are available at mouser electronics. With these circuits the current flowing in the ground return or. current sense amplifiers, also called current shunt monitors, are specialized differential amplifiers with a precisely matched. this chapter discusses solutions for low side current sensing. Low Side Current Monitor.
From itecnotes.com
Electronic Low side current sense output waveform Valuable Tech Notes Low Side Current Monitor With these circuits the current flowing in the ground return or. this chapter discusses solutions for low side current sensing. current sense amplifiers, also called current shunt monitors, are specialized differential amplifiers with a precisely matched. low side current & power monitors & regulators are available at mouser electronics. Low Side Current Monitor.
From www.wasserwelt.com.my
Micrometrix Streaming Current Monitor & Controller Wasserwelt Sdn Bhd Low Side Current Monitor this chapter discusses solutions for low side current sensing. With these circuits the current flowing in the ground return or. current sense amplifiers, also called current shunt monitors, are specialized differential amplifiers with a precisely matched. low side current & power monitors & regulators are available at mouser electronics. Low Side Current Monitor.
From itecnotes.com
Electronic Hbridge low side current sensing Current signal with Low Side Current Monitor this chapter discusses solutions for low side current sensing. With these circuits the current flowing in the ground return or. low side current & power monitors & regulators are available at mouser electronics. current sense amplifiers, also called current shunt monitors, are specialized differential amplifiers with a precisely matched. Low Side Current Monitor.
From www.rcworst.com
520CP460 ThreePhase Current Monitor Low Side Current Monitor With these circuits the current flowing in the ground return or. this chapter discusses solutions for low side current sensing. low side current & power monitors & regulators are available at mouser electronics. current sense amplifiers, also called current shunt monitors, are specialized differential amplifiers with a precisely matched. Low Side Current Monitor.
From www.analog.com
CN0188 Circuit Note Analog Devices Low Side Current Monitor this chapter discusses solutions for low side current sensing. With these circuits the current flowing in the ground return or. low side current & power monitors & regulators are available at mouser electronics. current sense amplifiers, also called current shunt monitors, are specialized differential amplifiers with a precisely matched. Low Side Current Monitor.
From www.directindustry.com
Current monitoring system PR554B National Control Devices wall Low Side Current Monitor With these circuits the current flowing in the ground return or. current sense amplifiers, also called current shunt monitors, are specialized differential amplifiers with a precisely matched. low side current & power monitors & regulators are available at mouser electronics. this chapter discusses solutions for low side current sensing. Low Side Current Monitor.
From au.mouser.com
Making Sense of Current Sensing Mouser Low Side Current Monitor low side current & power monitors & regulators are available at mouser electronics. current sense amplifiers, also called current shunt monitors, are specialized differential amplifiers with a precisely matched. this chapter discusses solutions for low side current sensing. With these circuits the current flowing in the ground return or. Low Side Current Monitor.
From elecena.pl
ThreeTerminal Low Power HighSide Current Monitor » ZXCT1107 Datasheet Low Side Current Monitor With these circuits the current flowing in the ground return or. current sense amplifiers, also called current shunt monitors, are specialized differential amplifiers with a precisely matched. low side current & power monitors & regulators are available at mouser electronics. this chapter discusses solutions for low side current sensing. Low Side Current Monitor.
From avalontest.com
Pearson 101 Wide Band Current Monitor Low Side Current Monitor this chapter discusses solutions for low side current sensing. current sense amplifiers, also called current shunt monitors, are specialized differential amplifiers with a precisely matched. With these circuits the current flowing in the ground return or. low side current & power monitors & regulators are available at mouser electronics. Low Side Current Monitor.
From e2e.ti.com
ADS1118 as lowside current monitor Data converters forum Data Low Side Current Monitor this chapter discusses solutions for low side current sensing. With these circuits the current flowing in the ground return or. low side current & power monitors & regulators are available at mouser electronics. current sense amplifiers, also called current shunt monitors, are specialized differential amplifiers with a precisely matched. Low Side Current Monitor.
From alexnld.com
CJMCU28 INA282 Current Split Monitor Bidirectional Low Side Or High Low Side Current Monitor With these circuits the current flowing in the ground return or. low side current & power monitors & regulators are available at mouser electronics. current sense amplifiers, also called current shunt monitors, are specialized differential amplifiers with a precisely matched. this chapter discusses solutions for low side current sensing. Low Side Current Monitor.
From www.electronicproducts.com
INA271 is an 80V, Low and Highside, HighSpeed, Voltage Output Low Side Current Monitor this chapter discusses solutions for low side current sensing. With these circuits the current flowing in the ground return or. low side current & power monitors & regulators are available at mouser electronics. current sense amplifiers, also called current shunt monitors, are specialized differential amplifiers with a precisely matched. Low Side Current Monitor.
From sosteneslekule.blogspot.com
How to Monitor Current with an OpAmp, a BJT, and Three Resistors LEKULE Low Side Current Monitor this chapter discusses solutions for low side current sensing. With these circuits the current flowing in the ground return or. current sense amplifiers, also called current shunt monitors, are specialized differential amplifiers with a precisely matched. low side current & power monitors & regulators are available at mouser electronics. Low Side Current Monitor.
From studylib.net
ZXCT1021, Low offset highside current monitor Low Side Current Monitor this chapter discusses solutions for low side current sensing. low side current & power monitors & regulators are available at mouser electronics. current sense amplifiers, also called current shunt monitors, are specialized differential amplifiers with a precisely matched. With these circuits the current flowing in the ground return or. Low Side Current Monitor.
From www.elecbee.com
3Pcs CJMCU3221 INA3221 Tripleway Low Side / High Side I2C Output Low Side Current Monitor current sense amplifiers, also called current shunt monitors, are specialized differential amplifiers with a precisely matched. this chapter discusses solutions for low side current sensing. With these circuits the current flowing in the ground return or. low side current & power monitors & regulators are available at mouser electronics. Low Side Current Monitor.
From cevfoqxp.blob.core.windows.net
Low Side Current Sense at Melissa Lee blog Low Side Current Monitor With these circuits the current flowing in the ground return or. low side current & power monitors & regulators are available at mouser electronics. this chapter discusses solutions for low side current sensing. current sense amplifiers, also called current shunt monitors, are specialized differential amplifiers with a precisely matched. Low Side Current Monitor.
From www.radiolocman.com
Precision, LowSide Current Measurement Low Side Current Monitor With these circuits the current flowing in the ground return or. low side current & power monitors & regulators are available at mouser electronics. this chapter discusses solutions for low side current sensing. current sense amplifiers, also called current shunt monitors, are specialized differential amplifiers with a precisely matched. Low Side Current Monitor.
From store.ncd.io
Industrial IoT Long Range Wireless AC Current Monitor Sensor Low Side Current Monitor With these circuits the current flowing in the ground return or. this chapter discusses solutions for low side current sensing. current sense amplifiers, also called current shunt monitors, are specialized differential amplifiers with a precisely matched. low side current & power monitors & regulators are available at mouser electronics. Low Side Current Monitor.
From www.ablic.com
Design Example Using a Highaccuracy Operational Amplifier Lowside Low Side Current Monitor low side current & power monitors & regulators are available at mouser electronics. this chapter discusses solutions for low side current sensing. current sense amplifiers, also called current shunt monitors, are specialized differential amplifiers with a precisely matched. With these circuits the current flowing in the ground return or. Low Side Current Monitor.
From cevfoqxp.blob.core.windows.net
Low Side Current Sense at Melissa Lee blog Low Side Current Monitor low side current & power monitors & regulators are available at mouser electronics. this chapter discusses solutions for low side current sensing. current sense amplifiers, also called current shunt monitors, are specialized differential amplifiers with a precisely matched. With these circuits the current flowing in the ground return or. Low Side Current Monitor.
From cevfoqxp.blob.core.windows.net
Low Side Current Sense at Melissa Lee blog Low Side Current Monitor this chapter discusses solutions for low side current sensing. With these circuits the current flowing in the ground return or. current sense amplifiers, also called current shunt monitors, are specialized differential amplifiers with a precisely matched. low side current & power monitors & regulators are available at mouser electronics. Low Side Current Monitor.
From itecnotes.com
Electronic Low side current sense output waveform Valuable Tech Notes Low Side Current Monitor With these circuits the current flowing in the ground return or. this chapter discusses solutions for low side current sensing. current sense amplifiers, also called current shunt monitors, are specialized differential amplifiers with a precisely matched. low side current & power monitors & regulators are available at mouser electronics. Low Side Current Monitor.