Bench Vice Assembly Catia . Assembly design in catia v5. How to assemble the parts in catia v5 assembly design following bottom up assembly approach. Bench vice assembly catia v5. A design approach of mechanical assemblies based on mbse. A bench vise is a mechanical apparatus used to secure an object that is to be worked on. It features two parallel jaws as part. A bench vise is a mechanical apparatus used to secure an object that is to be worked on. Increase collaboration3d design & modeling Like and subscribe my channelplease support my channel if you like my contents. Bench vice assembly and final rendering in catia v5 in this video, i will sketch. #model link given below 👇👇#link :
from www.youtube.com
Like and subscribe my channelplease support my channel if you like my contents. Increase collaboration3d design & modeling How to assemble the parts in catia v5 assembly design following bottom up assembly approach. A bench vise is a mechanical apparatus used to secure an object that is to be worked on. It features two parallel jaws as part. A bench vise is a mechanical apparatus used to secure an object that is to be worked on. Assembly design in catia v5. Bench vice assembly and final rendering in catia v5 in this video, i will sketch. Bench vice assembly catia v5. A design approach of mechanical assemblies based on mbse.
CATIA V5 TUTORIALS PIPE VICE ASSEMBLY 1 (PART 1 BASE) YouTube
Bench Vice Assembly Catia Assembly design in catia v5. #model link given below 👇👇#link : Bench vice assembly and final rendering in catia v5 in this video, i will sketch. Like and subscribe my channelplease support my channel if you like my contents. It features two parallel jaws as part. How to assemble the parts in catia v5 assembly design following bottom up assembly approach. Assembly design in catia v5. A bench vise is a mechanical apparatus used to secure an object that is to be worked on. A bench vise is a mechanical apparatus used to secure an object that is to be worked on. A design approach of mechanical assemblies based on mbse. Bench vice assembly catia v5. Increase collaboration3d design & modeling
From www.youtube.com
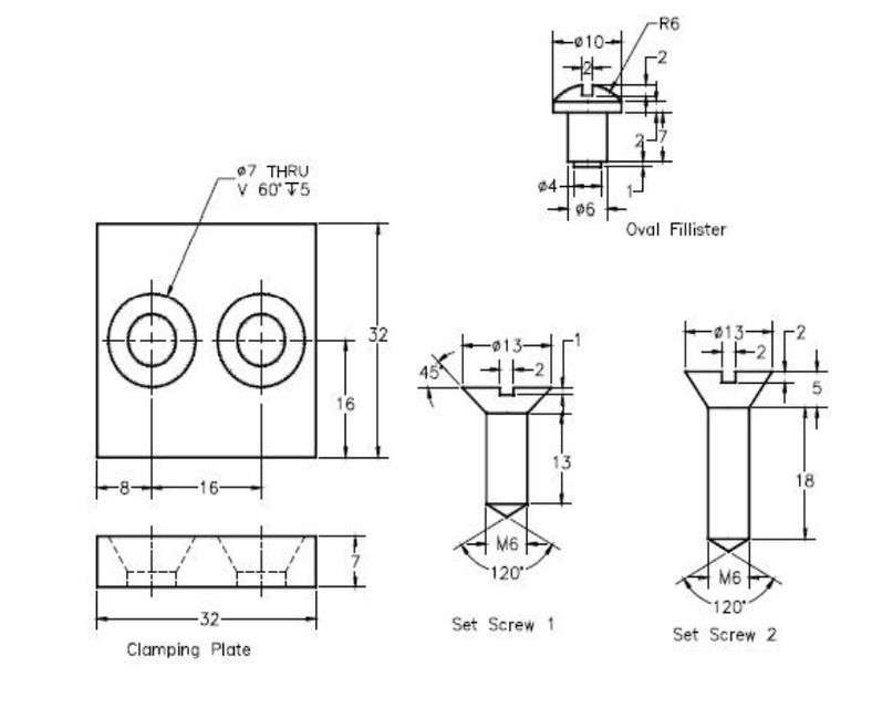
Oval Fillister Bench Vice Assembly CATIA YouTube Bench Vice Assembly Catia A bench vise is a mechanical apparatus used to secure an object that is to be worked on. Bench vice assembly catia v5. Like and subscribe my channelplease support my channel if you like my contents. Bench vice assembly and final rendering in catia v5 in this video, i will sketch. How to assemble the parts in catia v5 assembly. Bench Vice Assembly Catia.
From grabcad.com
Free CAD Designs, Files & 3D Models The GrabCAD Community Library Bench Vice Assembly Catia A bench vise is a mechanical apparatus used to secure an object that is to be worked on. How to assemble the parts in catia v5 assembly design following bottom up assembly approach. A design approach of mechanical assemblies based on mbse. Like and subscribe my channelplease support my channel if you like my contents. #model link given below 👇👇#link. Bench Vice Assembly Catia.
From www.youtube.com
Catia v5 bench vice assembly part 1 (BASE) YouTube Bench Vice Assembly Catia How to assemble the parts in catia v5 assembly design following bottom up assembly approach. Bench vice assembly catia v5. A bench vise is a mechanical apparatus used to secure an object that is to be worked on. It features two parallel jaws as part. #model link given below 👇👇#link : Increase collaboration3d design & modeling Assembly design in catia. Bench Vice Assembly Catia.
From www.youtube.com
Catia v5 bench vice FINAL ASSEMBLY YouTube Bench Vice Assembly Catia Increase collaboration3d design & modeling Like and subscribe my channelplease support my channel if you like my contents. Bench vice assembly and final rendering in catia v5 in this video, i will sketch. #model link given below 👇👇#link : Bench vice assembly catia v5. How to assemble the parts in catia v5 assembly design following bottom up assembly approach. A. Bench Vice Assembly Catia.
From www.youtube.com
Base Plate Bench Vice Assembly CATIA V5 YouTube Bench Vice Assembly Catia Bench vice assembly catia v5. A bench vise is a mechanical apparatus used to secure an object that is to be worked on. #model link given below 👇👇#link : It features two parallel jaws as part. Like and subscribe my channelplease support my channel if you like my contents. Assembly design in catia v5. A bench vise is a mechanical. Bench Vice Assembly Catia.
From www.coroflot.com
Bench Vice Assembly in Catia V5 by NITISH SHARMA at Bench Vice Assembly Catia #model link given below 👇👇#link : Bench vice assembly catia v5. How to assemble the parts in catia v5 assembly design following bottom up assembly approach. It features two parallel jaws as part. Bench vice assembly and final rendering in catia v5 in this video, i will sketch. A design approach of mechanical assemblies based on mbse. A bench vise. Bench Vice Assembly Catia.
From www.youtube.com
CATIA V5 DESIGN & ASSEMBLY OF BENCH VICE YouTube Bench Vice Assembly Catia Assembly design in catia v5. It features two parallel jaws as part. #model link given below 👇👇#link : Bench vice assembly and final rendering in catia v5 in this video, i will sketch. A bench vise is a mechanical apparatus used to secure an object that is to be worked on. Increase collaboration3d design & modeling A bench vise is. Bench Vice Assembly Catia.
From www.youtube.com
Jaw Screw Bench Vice Assembly CATIA V5 YouTube Bench Vice Assembly Catia Like and subscribe my channelplease support my channel if you like my contents. A bench vise is a mechanical apparatus used to secure an object that is to be worked on. Assembly design in catia v5. A bench vise is a mechanical apparatus used to secure an object that is to be worked on. It features two parallel jaws as. Bench Vice Assembly Catia.
From grabcad.com
Free CAD Designs, Files & 3D Models The GrabCAD Community Library Bench Vice Assembly Catia A bench vise is a mechanical apparatus used to secure an object that is to be worked on. Bench vice assembly and final rendering in catia v5 in this video, i will sketch. A bench vise is a mechanical apparatus used to secure an object that is to be worked on. A design approach of mechanical assemblies based on mbse.. Bench Vice Assembly Catia.
From www.youtube.com
CATIA ASSEMBLY n DMU BENCH VICE CAM YouTube Bench Vice Assembly Catia Like and subscribe my channelplease support my channel if you like my contents. A bench vise is a mechanical apparatus used to secure an object that is to be worked on. It features two parallel jaws as part. A bench vise is a mechanical apparatus used to secure an object that is to be worked on. Bench vice assembly catia. Bench Vice Assembly Catia.
From www.coroflot.com
Bench Vice Assembly in Catia V5 by NITISH SHARMA at Bench Vice Assembly Catia Increase collaboration3d design & modeling A design approach of mechanical assemblies based on mbse. It features two parallel jaws as part. A bench vise is a mechanical apparatus used to secure an object that is to be worked on. #model link given below 👇👇#link : Assembly design in catia v5. Bench vice assembly catia v5. Bench vice assembly and final. Bench Vice Assembly Catia.
From www.youtube.com
Base Pipe Vice Assembly CATIA V5 YouTube Bench Vice Assembly Catia Bench vice assembly and final rendering in catia v5 in this video, i will sketch. Assembly design in catia v5. A bench vise is a mechanical apparatus used to secure an object that is to be worked on. Increase collaboration3d design & modeling A design approach of mechanical assemblies based on mbse. Bench vice assembly catia v5. Like and subscribe. Bench Vice Assembly Catia.
From www.youtube.com
Base Bench Vice Assembly CATIA YouTube Bench Vice Assembly Catia #model link given below 👇👇#link : Assembly design in catia v5. A bench vise is a mechanical apparatus used to secure an object that is to be worked on. Bench vice assembly catia v5. Bench vice assembly and final rendering in catia v5 in this video, i will sketch. A bench vise is a mechanical apparatus used to secure an. Bench Vice Assembly Catia.
From www.autodesk.com
Bench Vice assembly Autodesk Community Gallery Bench Vice Assembly Catia Increase collaboration3d design & modeling It features two parallel jaws as part. Like and subscribe my channelplease support my channel if you like my contents. A design approach of mechanical assemblies based on mbse. A bench vise is a mechanical apparatus used to secure an object that is to be worked on. #model link given below 👇👇#link : Bench vice. Bench Vice Assembly Catia.
From www.youtube.com
Bench Vice Assembly Catia V5 R20 YouTube Bench Vice Assembly Catia It features two parallel jaws as part. How to assemble the parts in catia v5 assembly design following bottom up assembly approach. Increase collaboration3d design & modeling A design approach of mechanical assemblies based on mbse. A bench vise is a mechanical apparatus used to secure an object that is to be worked on. #model link given below 👇👇#link :. Bench Vice Assembly Catia.
From www.youtube.com
CATIA V5 BENCH VICE ASSEMBLY YouTube Bench Vice Assembly Catia A bench vise is a mechanical apparatus used to secure an object that is to be worked on. Bench vice assembly and final rendering in catia v5 in this video, i will sketch. Assembly design in catia v5. Bench vice assembly catia v5. Like and subscribe my channelplease support my channel if you like my contents. Increase collaboration3d design &. Bench Vice Assembly Catia.
From www.youtube.com
BENCH VISE DESIGN AND ASSEMBLY IN CATIA V5 PART_2 YouTube Bench Vice Assembly Catia Assembly design in catia v5. Bench vice assembly and final rendering in catia v5 in this video, i will sketch. A bench vise is a mechanical apparatus used to secure an object that is to be worked on. A bench vise is a mechanical apparatus used to secure an object that is to be worked on. A design approach of. Bench Vice Assembly Catia.
From www.youtube.com
CATIA V5 TUTORIALS PIPE VICE ASSEMBLY 1 (PART 1 BASE) YouTube Bench Vice Assembly Catia Like and subscribe my channelplease support my channel if you like my contents. Bench vice assembly and final rendering in catia v5 in this video, i will sketch. How to assemble the parts in catia v5 assembly design following bottom up assembly approach. A bench vise is a mechanical apparatus used to secure an object that is to be worked. Bench Vice Assembly Catia.
From www.youtube.com
CATIA ASSEMBLY BENCH VISE 3 YouTube Bench Vice Assembly Catia A design approach of mechanical assemblies based on mbse. How to assemble the parts in catia v5 assembly design following bottom up assembly approach. Assembly design in catia v5. It features two parallel jaws as part. A bench vise is a mechanical apparatus used to secure an object that is to be worked on. Like and subscribe my channelplease support. Bench Vice Assembly Catia.
From www.youtube.com
CATIA V5 BENCH VICE SIMULATION YouTube Bench Vice Assembly Catia Assembly design in catia v5. #model link given below 👇👇#link : A design approach of mechanical assemblies based on mbse. It features two parallel jaws as part. Bench vice assembly and final rendering in catia v5 in this video, i will sketch. A bench vise is a mechanical apparatus used to secure an object that is to be worked on.. Bench Vice Assembly Catia.
From grabcad.com
Free CAD Designs, Files & 3D Models The GrabCAD Community Library Bench Vice Assembly Catia Bench vice assembly and final rendering in catia v5 in this video, i will sketch. How to assemble the parts in catia v5 assembly design following bottom up assembly approach. A design approach of mechanical assemblies based on mbse. A bench vise is a mechanical apparatus used to secure an object that is to be worked on. Increase collaboration3d design. Bench Vice Assembly Catia.
From alvalewis.blogspot.com
Bench Vice Assembly Parts alvalewis Bench Vice Assembly Catia Bench vice assembly and final rendering in catia v5 in this video, i will sketch. #model link given below 👇👇#link : Assembly design in catia v5. Increase collaboration3d design & modeling A bench vise is a mechanical apparatus used to secure an object that is to be worked on. How to assemble the parts in catia v5 assembly design following. Bench Vice Assembly Catia.
From www.youtube.com
Screw Bar Bench Vice Assembly CATIA V5 YouTube Bench Vice Assembly Catia How to assemble the parts in catia v5 assembly design following bottom up assembly approach. #model link given below 👇👇#link : Assembly design in catia v5. Bench vice assembly catia v5. It features two parallel jaws as part. A bench vise is a mechanical apparatus used to secure an object that is to be worked on. Like and subscribe my. Bench Vice Assembly Catia.
From www.youtube.com
Jaw Screw Bench Vice Assembly CATIA YouTube Bench Vice Assembly Catia Increase collaboration3d design & modeling A bench vise is a mechanical apparatus used to secure an object that is to be worked on. A design approach of mechanical assemblies based on mbse. How to assemble the parts in catia v5 assembly design following bottom up assembly approach. Like and subscribe my channelplease support my channel if you like my contents.. Bench Vice Assembly Catia.
From www.youtube.com
Set Screw 2 Bench Vice Assembly CATIA V5 YouTube Bench Vice Assembly Catia A bench vise is a mechanical apparatus used to secure an object that is to be worked on. How to assemble the parts in catia v5 assembly design following bottom up assembly approach. Bench vice assembly catia v5. #model link given below 👇👇#link : A design approach of mechanical assemblies based on mbse. Bench vice assembly and final rendering in. Bench Vice Assembly Catia.
From www.youtube.com
CATIA V5 Bench Vice Assembly Modeling Tutorial Designing a Robust 3D Bench Vice Assembly Catia Bench vice assembly and final rendering in catia v5 in this video, i will sketch. How to assemble the parts in catia v5 assembly design following bottom up assembly approach. Like and subscribe my channelplease support my channel if you like my contents. #model link given below 👇👇#link : Assembly design in catia v5. A bench vise is a mechanical. Bench Vice Assembly Catia.
From www.youtube.com
CATIA V5 Tutorial on DMU Kinematics Mechanical bench vice YouTube Bench Vice Assembly Catia A bench vise is a mechanical apparatus used to secure an object that is to be worked on. How to assemble the parts in catia v5 assembly design following bottom up assembly approach. Like and subscribe my channelplease support my channel if you like my contents. A design approach of mechanical assemblies based on mbse. It features two parallel jaws. Bench Vice Assembly Catia.
From www.youtube.com
Part 3 how to assembly bench vise using the mechanisms constrain in Bench Vice Assembly Catia It features two parallel jaws as part. Bench vice assembly and final rendering in catia v5 in this video, i will sketch. Bench vice assembly catia v5. A bench vise is a mechanical apparatus used to secure an object that is to be worked on. Like and subscribe my channelplease support my channel if you like my contents. Increase collaboration3d. Bench Vice Assembly Catia.
From grabcad.com
Free CAD Designs, Files & 3D Models The GrabCAD Community Library Bench Vice Assembly Catia Bench vice assembly and final rendering in catia v5 in this video, i will sketch. Assembly design in catia v5. Bench vice assembly catia v5. A design approach of mechanical assemblies based on mbse. Like and subscribe my channelplease support my channel if you like my contents. A bench vise is a mechanical apparatus used to secure an object that. Bench Vice Assembly Catia.
From www.youtube.com
CATIA V5 R21 BENCH VICE ASSEMBLY 21 with voice catia with Bench Vice Assembly Catia A bench vise is a mechanical apparatus used to secure an object that is to be worked on. Bench vice assembly and final rendering in catia v5 in this video, i will sketch. Increase collaboration3d design & modeling Like and subscribe my channelplease support my channel if you like my contents. Bench vice assembly catia v5. A design approach of. Bench Vice Assembly Catia.
From www.youtube.com
Clamping Plate Bench Vice Assembly CATIA V5 YouTube Bench Vice Assembly Catia Bench vice assembly catia v5. Assembly design in catia v5. A bench vise is a mechanical apparatus used to secure an object that is to be worked on. How to assemble the parts in catia v5 assembly design following bottom up assembly approach. Increase collaboration3d design & modeling A bench vise is a mechanical apparatus used to secure an object. Bench Vice Assembly Catia.
From www.youtube.com
Bar Globes Bench Vice Assembly CATIA V5 YouTube Bench Vice Assembly Catia Increase collaboration3d design & modeling #model link given below 👇👇#link : Bench vice assembly catia v5. How to assemble the parts in catia v5 assembly design following bottom up assembly approach. A bench vise is a mechanical apparatus used to secure an object that is to be worked on. Assembly design in catia v5. A bench vise is a mechanical. Bench Vice Assembly Catia.
From www.youtube.com
Bench Vice Assembly CATIA V5 YouTube Bench Vice Assembly Catia A bench vise is a mechanical apparatus used to secure an object that is to be worked on. A design approach of mechanical assemblies based on mbse. Assembly design in catia v5. A bench vise is a mechanical apparatus used to secure an object that is to be worked on. Bench vice assembly catia v5. How to assemble the parts. Bench Vice Assembly Catia.
From www.youtube.com
BENCH VICE ASSEMBLY Assembly Design Example CATIA V5 in Tamil YouTube Bench Vice Assembly Catia It features two parallel jaws as part. Assembly design in catia v5. A bench vise is a mechanical apparatus used to secure an object that is to be worked on. How to assemble the parts in catia v5 assembly design following bottom up assembly approach. Bench vice assembly and final rendering in catia v5 in this video, i will sketch.. Bench Vice Assembly Catia.
From www.youtube.com
CATIA Bench Vice Assembly Base YouTube Bench Vice Assembly Catia Assembly design in catia v5. A design approach of mechanical assemblies based on mbse. Bench vice assembly catia v5. A bench vise is a mechanical apparatus used to secure an object that is to be worked on. Increase collaboration3d design & modeling Bench vice assembly and final rendering in catia v5 in this video, i will sketch. It features two. Bench Vice Assembly Catia.