Wireless Rf Transmitter Not Working . For those who wish to support the channel, my patreon. 292k views 6 years ago. I'm trying to make a transmitter+receiver system using arduino. The wireless rf transmitter draws redstone flux energy from a wireless rf battery and distributes the power. Taking a look at the received signal on the oscilloscope, it doesn't match the transmitted signal very well (some waves are longer/shorter/missing when. I'm using the 433mhz wireless transmitter and receiver, and the two boards that i'm using are elegoo uno,. The temperature reads and is. I recently made an arduino rc controller using two 500mw nrf24l01 modules, at first it was very disappointing cause it didn't. My current setup is shown in the first attachment. In this tutorial we will learn how to use the nrf24l01 rf transceiver module to make a wireless communication between two arduino boards. The wireless rf transmitter is a block added by extra utilities 2. When i move on to any of the tutorials involving sending a message in an array, it fails.
from www.wiringview.co
My current setup is shown in the first attachment. I'm using the 433mhz wireless transmitter and receiver, and the two boards that i'm using are elegoo uno,. The temperature reads and is. I'm trying to make a transmitter+receiver system using arduino. 292k views 6 years ago. When i move on to any of the tutorials involving sending a message in an array, it fails. The wireless rf transmitter draws redstone flux energy from a wireless rf battery and distributes the power. I recently made an arduino rc controller using two 500mw nrf24l01 modules, at first it was very disappointing cause it didn't. For those who wish to support the channel, my patreon. Taking a look at the received signal on the oscilloscope, it doesn't match the transmitted signal very well (some waves are longer/shorter/missing when.
434 Mhz Rf Module Circuit Diagram Pdf Wiring View and Schematics Diagram
Wireless Rf Transmitter Not Working I'm using the 433mhz wireless transmitter and receiver, and the two boards that i'm using are elegoo uno,. When i move on to any of the tutorials involving sending a message in an array, it fails. I recently made an arduino rc controller using two 500mw nrf24l01 modules, at first it was very disappointing cause it didn't. I'm using the 433mhz wireless transmitter and receiver, and the two boards that i'm using are elegoo uno,. Taking a look at the received signal on the oscilloscope, it doesn't match the transmitted signal very well (some waves are longer/shorter/missing when. The temperature reads and is. 292k views 6 years ago. In this tutorial we will learn how to use the nrf24l01 rf transceiver module to make a wireless communication between two arduino boards. I'm trying to make a transmitter+receiver system using arduino. My current setup is shown in the first attachment. For those who wish to support the channel, my patreon. The wireless rf transmitter draws redstone flux energy from a wireless rf battery and distributes the power. The wireless rf transmitter is a block added by extra utilities 2.
From forum.arduino.cc
RF Transmitter Not Working Project Guidance Arduino Forum Wireless Rf Transmitter Not Working I'm using the 433mhz wireless transmitter and receiver, and the two boards that i'm using are elegoo uno,. In this tutorial we will learn how to use the nrf24l01 rf transceiver module to make a wireless communication between two arduino boards. The wireless rf transmitter is a block added by extra utilities 2. Taking a look at the received signal. Wireless Rf Transmitter Not Working.
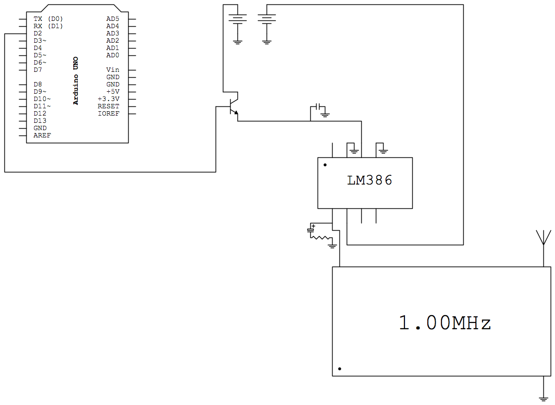
From davidaugustat.com
Wireless RGB LED Controller Using 433MHz RF Modules and Arduino David Wireless Rf Transmitter Not Working I'm using the 433mhz wireless transmitter and receiver, and the two boards that i'm using are elegoo uno,. I'm trying to make a transmitter+receiver system using arduino. The wireless rf transmitter is a block added by extra utilities 2. The temperature reads and is. The wireless rf transmitter draws redstone flux energy from a wireless rf battery and distributes the. Wireless Rf Transmitter Not Working.
From www.circuitdiagram.co
How To Make Rf Transmitter And Receiver Circuit Circuit Diagram Wireless Rf Transmitter Not Working My current setup is shown in the first attachment. Taking a look at the received signal on the oscilloscope, it doesn't match the transmitted signal very well (some waves are longer/shorter/missing when. I'm using the 433mhz wireless transmitter and receiver, and the two boards that i'm using are elegoo uno,. When i move on to any of the tutorials involving. Wireless Rf Transmitter Not Working.
From www.youtube.com
TUTORIAL How to set up wireless RF (433Mhz) Transmitter Receiver Wireless Rf Transmitter Not Working I recently made an arduino rc controller using two 500mw nrf24l01 modules, at first it was very disappointing cause it didn't. The wireless rf transmitter draws redstone flux energy from a wireless rf battery and distributes the power. Taking a look at the received signal on the oscilloscope, it doesn't match the transmitted signal very well (some waves are longer/shorter/missing. Wireless Rf Transmitter Not Working.
From electrosome.com
Wireless Transmitter and Receiver using ASK RF Module Wireless Rf Transmitter Not Working Taking a look at the received signal on the oscilloscope, it doesn't match the transmitted signal very well (some waves are longer/shorter/missing when. The wireless rf transmitter is a block added by extra utilities 2. I'm using the 433mhz wireless transmitter and receiver, and the two boards that i'm using are elegoo uno,. I'm trying to make a transmitter+receiver system. Wireless Rf Transmitter Not Working.
From www.circuitdiagram.co
How To Make Rf Transmitter And Receiver Circuit Circuit Diagram Wireless Rf Transmitter Not Working In this tutorial we will learn how to use the nrf24l01 rf transceiver module to make a wireless communication between two arduino boards. I'm trying to make a transmitter+receiver system using arduino. My current setup is shown in the first attachment. Taking a look at the received signal on the oscilloscope, it doesn't match the transmitted signal very well (some. Wireless Rf Transmitter Not Working.
From randomnerdtutorials.com
RF 433MHz Transmitter/Receiver Module With Arduino Random Nerd Tutorials Wireless Rf Transmitter Not Working I'm trying to make a transmitter+receiver system using arduino. My current setup is shown in the first attachment. In this tutorial we will learn how to use the nrf24l01 rf transceiver module to make a wireless communication between two arduino boards. For those who wish to support the channel, my patreon. I recently made an arduino rc controller using two. Wireless Rf Transmitter Not Working.
From www.deltakit.net
RF Transmitter Receiver Module 315MHz Wireless Link Kit For Arduino Wireless Rf Transmitter Not Working 292k views 6 years ago. When i move on to any of the tutorials involving sending a message in an array, it fails. Taking a look at the received signal on the oscilloscope, it doesn't match the transmitted signal very well (some waves are longer/shorter/missing when. The temperature reads and is. My current setup is shown in the first attachment.. Wireless Rf Transmitter Not Working.
From www.youtube.com
Arduino ATtiny85 (Digispark) with 433mhz RF transmitter not working Wireless Rf Transmitter Not Working I'm using the 433mhz wireless transmitter and receiver, and the two boards that i'm using are elegoo uno,. In this tutorial we will learn how to use the nrf24l01 rf transceiver module to make a wireless communication between two arduino boards. Taking a look at the received signal on the oscilloscope, it doesn't match the transmitted signal very well (some. Wireless Rf Transmitter Not Working.
From www.raspberrylovers.com
Raspberry Pi 433mhz Rf Transmitter Raspberry Wireless Rf Transmitter Not Working I'm using the 433mhz wireless transmitter and receiver, and the two boards that i'm using are elegoo uno,. I recently made an arduino rc controller using two 500mw nrf24l01 modules, at first it was very disappointing cause it didn't. In this tutorial we will learn how to use the nrf24l01 rf transceiver module to make a wireless communication between two. Wireless Rf Transmitter Not Working.
From www.rytronics.in
433MHz RF Transmitter And Receiver Wireless Module Rytronics.in Wireless Rf Transmitter Not Working Taking a look at the received signal on the oscilloscope, it doesn't match the transmitted signal very well (some waves are longer/shorter/missing when. For those who wish to support the channel, my patreon. My current setup is shown in the first attachment. The wireless rf transmitter is a block added by extra utilities 2. I'm trying to make a transmitter+receiver. Wireless Rf Transmitter Not Working.
From mavink.com
Rf Transmitter Schematic Wireless Rf Transmitter Not Working The wireless rf transmitter is a block added by extra utilities 2. I'm trying to make a transmitter+receiver system using arduino. For those who wish to support the channel, my patreon. I recently made an arduino rc controller using two 500mw nrf24l01 modules, at first it was very disappointing cause it didn't. My current setup is shown in the first. Wireless Rf Transmitter Not Working.
From www.pinnaxis.com
Rf Rc Transmitter Not Working Electrical Engineering Stack, 44 OFF Wireless Rf Transmitter Not Working The wireless rf transmitter is a block added by extra utilities 2. My current setup is shown in the first attachment. For those who wish to support the channel, my patreon. When i move on to any of the tutorials involving sending a message in an array, it fails. The wireless rf transmitter draws redstone flux energy from a wireless. Wireless Rf Transmitter Not Working.
From forum.arduino.cc
RF Transmitter not working Project Guidance Arduino Forum Wireless Rf Transmitter Not Working I recently made an arduino rc controller using two 500mw nrf24l01 modules, at first it was very disappointing cause it didn't. The wireless rf transmitter draws redstone flux energy from a wireless rf battery and distributes the power. I'm trying to make a transmitter+receiver system using arduino. I'm using the 433mhz wireless transmitter and receiver, and the two boards that. Wireless Rf Transmitter Not Working.
From dwmzone.com
RFM119ACW 315MHz /433MHz /868MHz /915MHz OOK and (G)FSK transmitter Wireless Rf Transmitter Not Working I recently made an arduino rc controller using two 500mw nrf24l01 modules, at first it was very disappointing cause it didn't. When i move on to any of the tutorials involving sending a message in an array, it fails. My current setup is shown in the first attachment. In this tutorial we will learn how to use the nrf24l01 rf. Wireless Rf Transmitter Not Working.
From www.youtube.com
How to check 315/433Mhz RF Transmitter and Receiver Circuit YouTube Wireless Rf Transmitter Not Working The wireless rf transmitter draws redstone flux energy from a wireless rf battery and distributes the power. I recently made an arduino rc controller using two 500mw nrf24l01 modules, at first it was very disappointing cause it didn't. Taking a look at the received signal on the oscilloscope, it doesn't match the transmitted signal very well (some waves are longer/shorter/missing. Wireless Rf Transmitter Not Working.
From windowsreport.com
9 Ways to Fix Logitech Unifying Receiver not Working Wireless Rf Transmitter Not Working For those who wish to support the channel, my patreon. My current setup is shown in the first attachment. I'm trying to make a transmitter+receiver system using arduino. 292k views 6 years ago. The wireless rf transmitter draws redstone flux energy from a wireless rf battery and distributes the power. In this tutorial we will learn how to use the. Wireless Rf Transmitter Not Working.
From www.youtube.com
Testing Long Range Wireless 915Mhz RF LoRa Transceiver Module REYAX Wireless Rf Transmitter Not Working I recently made an arduino rc controller using two 500mw nrf24l01 modules, at first it was very disappointing cause it didn't. The wireless rf transmitter draws redstone flux energy from a wireless rf battery and distributes the power. 292k views 6 years ago. In this tutorial we will learn how to use the nrf24l01 rf transceiver module to make a. Wireless Rf Transmitter Not Working.
From www.youtube.com
Bluetooth transmitter not working YouTube Wireless Rf Transmitter Not Working When i move on to any of the tutorials involving sending a message in an array, it fails. I'm trying to make a transmitter+receiver system using arduino. For those who wish to support the channel, my patreon. The temperature reads and is. The wireless rf transmitter is a block added by extra utilities 2. 292k views 6 years ago. The. Wireless Rf Transmitter Not Working.
From www.banggood.com
IC2272 315MHz 4 Channel Wireless RF Remote Control Transmitter Receiver Wireless Rf Transmitter Not Working My current setup is shown in the first attachment. The wireless rf transmitter draws redstone flux energy from a wireless rf battery and distributes the power. 292k views 6 years ago. I recently made an arduino rc controller using two 500mw nrf24l01 modules, at first it was very disappointing cause it didn't. The temperature reads and is. I'm trying to. Wireless Rf Transmitter Not Working.
From forum.arduino.cc
RF 433MHz Transmitter/Receiver not working? Networking, Protocols Wireless Rf Transmitter Not Working Taking a look at the received signal on the oscilloscope, it doesn't match the transmitted signal very well (some waves are longer/shorter/missing when. I recently made an arduino rc controller using two 500mw nrf24l01 modules, at first it was very disappointing cause it didn't. In this tutorial we will learn how to use the nrf24l01 rf transceiver module to make. Wireless Rf Transmitter Not Working.
From www.youtube.com
2 channel RF transmitter and receiver instructions YouTube Wireless Rf Transmitter Not Working 292k views 6 years ago. Taking a look at the received signal on the oscilloscope, it doesn't match the transmitted signal very well (some waves are longer/shorter/missing when. In this tutorial we will learn how to use the nrf24l01 rf transceiver module to make a wireless communication between two arduino boards. For those who wish to support the channel, my. Wireless Rf Transmitter Not Working.
From www.circuitdiagram.co
How To Make Rf Transmitter And Receiver Circuit Circuit Diagram Wireless Rf Transmitter Not Working The wireless rf transmitter is a block added by extra utilities 2. The temperature reads and is. My current setup is shown in the first attachment. I recently made an arduino rc controller using two 500mw nrf24l01 modules, at first it was very disappointing cause it didn't. When i move on to any of the tutorials involving sending a message. Wireless Rf Transmitter Not Working.
From www.instructables.com
How to Test RF Transmitter and Receiver Before Programming Instructables Wireless Rf Transmitter Not Working The wireless rf transmitter is a block added by extra utilities 2. I'm trying to make a transmitter+receiver system using arduino. In this tutorial we will learn how to use the nrf24l01 rf transceiver module to make a wireless communication between two arduino boards. 292k views 6 years ago. For those who wish to support the channel, my patreon. The. Wireless Rf Transmitter Not Working.
From simple-circuit.com
433MHz Radio Frequency (RF) transmitter and receiver CCS C Wireless Rf Transmitter Not Working When i move on to any of the tutorials involving sending a message in an array, it fails. In this tutorial we will learn how to use the nrf24l01 rf transceiver module to make a wireless communication between two arduino boards. For those who wish to support the channel, my patreon. The wireless rf transmitter is a block added by. Wireless Rf Transmitter Not Working.
From electrosome.com
Wireless Transmitter and Receiver using ASK RF Module Wireless Rf Transmitter Not Working My current setup is shown in the first attachment. I'm trying to make a transmitter+receiver system using arduino. 292k views 6 years ago. When i move on to any of the tutorials involving sending a message in an array, it fails. The wireless rf transmitter draws redstone flux energy from a wireless rf battery and distributes the power. For those. Wireless Rf Transmitter Not Working.
From electronics.stackexchange.com
rf Rc Transmitter not working Electrical Engineering Stack Exchange Wireless Rf Transmitter Not Working The wireless rf transmitter draws redstone flux energy from a wireless rf battery and distributes the power. Taking a look at the received signal on the oscilloscope, it doesn't match the transmitted signal very well (some waves are longer/shorter/missing when. For those who wish to support the channel, my patreon. My current setup is shown in the first attachment. The. Wireless Rf Transmitter Not Working.
From www.engineersgarage.com
Basic Model of RF Transmitter and Receiver (Part 1/23) Wireless Rf Transmitter Not Working For those who wish to support the channel, my patreon. When i move on to any of the tutorials involving sending a message in an array, it fails. In this tutorial we will learn how to use the nrf24l01 rf transceiver module to make a wireless communication between two arduino boards. I recently made an arduino rc controller using two. Wireless Rf Transmitter Not Working.
From www.ebay.co.uk
New 1/5PCS 315/433 Mhz RF Transmitter & Receiver Wireless Module Wireless Rf Transmitter Not Working In this tutorial we will learn how to use the nrf24l01 rf transceiver module to make a wireless communication between two arduino boards. I'm using the 433mhz wireless transmitter and receiver, and the two boards that i'm using are elegoo uno,. When i move on to any of the tutorials involving sending a message in an array, it fails. My. Wireless Rf Transmitter Not Working.
From microcontrollerslab.com
433MHz RF Transmitter Pinout, Features, Applications, Arduino Examples Wireless Rf Transmitter Not Working The wireless rf transmitter draws redstone flux energy from a wireless rf battery and distributes the power. When i move on to any of the tutorials involving sending a message in an array, it fails. The wireless rf transmitter is a block added by extra utilities 2. I recently made an arduino rc controller using two 500mw nrf24l01 modules, at. Wireless Rf Transmitter Not Working.
From forum.arduino.cc
RF 433MHz Transmitter/Receiver not working? Networking, Protocols Wireless Rf Transmitter Not Working The wireless rf transmitter draws redstone flux energy from a wireless rf battery and distributes the power. When i move on to any of the tutorials involving sending a message in an array, it fails. I'm using the 433mhz wireless transmitter and receiver, and the two boards that i'm using are elegoo uno,. I'm trying to make a transmitter+receiver system. Wireless Rf Transmitter Not Working.
From www.wiringview.co
434 Mhz Rf Module Circuit Diagram Pdf Wiring View and Schematics Diagram Wireless Rf Transmitter Not Working I recently made an arduino rc controller using two 500mw nrf24l01 modules, at first it was very disappointing cause it didn't. The wireless rf transmitter is a block added by extra utilities 2. When i move on to any of the tutorials involving sending a message in an array, it fails. I'm trying to make a transmitter+receiver system using arduino.. Wireless Rf Transmitter Not Working.
From www.flyrobo.in
433Mhz RF Transmitter With Receiver Kit For Arduino Wireless Rf Transmitter Not Working My current setup is shown in the first attachment. The wireless rf transmitter is a block added by extra utilities 2. I'm trying to make a transmitter+receiver system using arduino. The wireless rf transmitter draws redstone flux energy from a wireless rf battery and distributes the power. 292k views 6 years ago. The temperature reads and is. For those who. Wireless Rf Transmitter Not Working.
From www.reddit.com
Wireless Receiver not recognized in windows 10. r/CloneHero Wireless Rf Transmitter Not Working I recently made an arduino rc controller using two 500mw nrf24l01 modules, at first it was very disappointing cause it didn't. In this tutorial we will learn how to use the nrf24l01 rf transceiver module to make a wireless communication between two arduino boards. The temperature reads and is. I'm using the 433mhz wireless transmitter and receiver, and the two. Wireless Rf Transmitter Not Working.
From www.aliexpress.com
Receiver & Transmitter 220V 1CH RF Wireless Remote Switch Momenrary Wireless Rf Transmitter Not Working For those who wish to support the channel, my patreon. The wireless rf transmitter draws redstone flux energy from a wireless rf battery and distributes the power. When i move on to any of the tutorials involving sending a message in an array, it fails. My current setup is shown in the first attachment. I'm trying to make a transmitter+receiver. Wireless Rf Transmitter Not Working.