Explain Binary Weighted Resistor Dac . What is dac (digital to analog converter)? A binary weighted resistor digital to analog converter (dac) is a type of digital to analog converter that converts a digital input. Drawbacks of weighted resistor method; Resolution & step size of digital to analog converter. The following figure shows the circuit diagram of. A weighted resistor dac produces an analog output, which is almost equal to the digital (binary) input by using binary weighted resistors in the. In the weighted resistor type dac, each digital level is converted into an equivalent analog voltage or current.
from akanekatsuragi.blogspot.com
A weighted resistor dac produces an analog output, which is almost equal to the digital (binary) input by using binary weighted resistors in the. In the weighted resistor type dac, each digital level is converted into an equivalent analog voltage or current. The following figure shows the circuit diagram of. Drawbacks of weighted resistor method; What is dac (digital to analog converter)? Resolution & step size of digital to analog converter. A binary weighted resistor digital to analog converter (dac) is a type of digital to analog converter that converts a digital input.
Binary Weighted Resistor Dac Pdf
Explain Binary Weighted Resistor Dac A binary weighted resistor digital to analog converter (dac) is a type of digital to analog converter that converts a digital input. What is dac (digital to analog converter)? The following figure shows the circuit diagram of. A weighted resistor dac produces an analog output, which is almost equal to the digital (binary) input by using binary weighted resistors in the. Drawbacks of weighted resistor method; In the weighted resistor type dac, each digital level is converted into an equivalent analog voltage or current. A binary weighted resistor digital to analog converter (dac) is a type of digital to analog converter that converts a digital input. Resolution & step size of digital to analog converter.
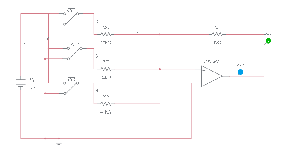
From microcontrollerslab.com
Binary Weighted Resistor DAC Explain Binary Weighted Resistor Dac A weighted resistor dac produces an analog output, which is almost equal to the digital (binary) input by using binary weighted resistors in the. Drawbacks of weighted resistor method; What is dac (digital to analog converter)? The following figure shows the circuit diagram of. A binary weighted resistor digital to analog converter (dac) is a type of digital to analog. Explain Binary Weighted Resistor Dac.
From www.numerade.com
VIDEO solution 2.1 BinaryWeighted Resistor DAC Build the circuit Explain Binary Weighted Resistor Dac Drawbacks of weighted resistor method; In the weighted resistor type dac, each digital level is converted into an equivalent analog voltage or current. A binary weighted resistor digital to analog converter (dac) is a type of digital to analog converter that converts a digital input. What is dac (digital to analog converter)? A weighted resistor dac produces an analog output,. Explain Binary Weighted Resistor Dac.
From www.academia.edu
(PDF) Design of a binaryweighted resistor DAC using tunable linearized Explain Binary Weighted Resistor Dac A weighted resistor dac produces an analog output, which is almost equal to the digital (binary) input by using binary weighted resistors in the. A binary weighted resistor digital to analog converter (dac) is a type of digital to analog converter that converts a digital input. In the weighted resistor type dac, each digital level is converted into an equivalent. Explain Binary Weighted Resistor Dac.
From www.youtube.com
Binary Weighted Resistor DAC YouTube Explain Binary Weighted Resistor Dac Drawbacks of weighted resistor method; The following figure shows the circuit diagram of. A binary weighted resistor digital to analog converter (dac) is a type of digital to analog converter that converts a digital input. A weighted resistor dac produces an analog output, which is almost equal to the digital (binary) input by using binary weighted resistors in the. In. Explain Binary Weighted Resistor Dac.
From akanekatsuragi.blogspot.com
Binary Weighted Resistor Dac Pdf Explain Binary Weighted Resistor Dac A binary weighted resistor digital to analog converter (dac) is a type of digital to analog converter that converts a digital input. A weighted resistor dac produces an analog output, which is almost equal to the digital (binary) input by using binary weighted resistors in the. In the weighted resistor type dac, each digital level is converted into an equivalent. Explain Binary Weighted Resistor Dac.
From www.researchgate.net
Voltagemode BinaryWeighted Resistor DAC Download Scientific Diagram Explain Binary Weighted Resistor Dac Drawbacks of weighted resistor method; The following figure shows the circuit diagram of. Resolution & step size of digital to analog converter. In the weighted resistor type dac, each digital level is converted into an equivalent analog voltage or current. A weighted resistor dac produces an analog output, which is almost equal to the digital (binary) input by using binary. Explain Binary Weighted Resistor Dac.
From www.slideserve.com
PPT DAC, Diodes and TRIACS PowerPoint Presentation, free download Explain Binary Weighted Resistor Dac What is dac (digital to analog converter)? The following figure shows the circuit diagram of. A weighted resistor dac produces an analog output, which is almost equal to the digital (binary) input by using binary weighted resistors in the. A binary weighted resistor digital to analog converter (dac) is a type of digital to analog converter that converts a digital. Explain Binary Weighted Resistor Dac.
From www.slideserve.com
PPT Digital to Analog Converter (DAC) PowerPoint Presentation, free Explain Binary Weighted Resistor Dac Resolution & step size of digital to analog converter. The following figure shows the circuit diagram of. A binary weighted resistor digital to analog converter (dac) is a type of digital to analog converter that converts a digital input. Drawbacks of weighted resistor method; A weighted resistor dac produces an analog output, which is almost equal to the digital (binary). Explain Binary Weighted Resistor Dac.
From www.chegg.com
Solved The Binaryweighted Resistor DAC is typically limited Explain Binary Weighted Resistor Dac What is dac (digital to analog converter)? In the weighted resistor type dac, each digital level is converted into an equivalent analog voltage or current. A weighted resistor dac produces an analog output, which is almost equal to the digital (binary) input by using binary weighted resistors in the. The following figure shows the circuit diagram of. Resolution & step. Explain Binary Weighted Resistor Dac.
From www.youtube.com
BINARY WEIGHTED RESISTOR NETWORK DAC STUDY ENGINEERING YouTube Explain Binary Weighted Resistor Dac Drawbacks of weighted resistor method; Resolution & step size of digital to analog converter. A weighted resistor dac produces an analog output, which is almost equal to the digital (binary) input by using binary weighted resistors in the. What is dac (digital to analog converter)? The following figure shows the circuit diagram of. In the weighted resistor type dac, each. Explain Binary Weighted Resistor Dac.
From www.multisim.com
DAC circuit with binaryweighted resistor Multisim Live Explain Binary Weighted Resistor Dac Drawbacks of weighted resistor method; What is dac (digital to analog converter)? A weighted resistor dac produces an analog output, which is almost equal to the digital (binary) input by using binary weighted resistors in the. A binary weighted resistor digital to analog converter (dac) is a type of digital to analog converter that converts a digital input. Resolution &. Explain Binary Weighted Resistor Dac.
From ecstudiosystems.com
Binary Weighted Resistor DAC Explain Binary Weighted Resistor Dac In the weighted resistor type dac, each digital level is converted into an equivalent analog voltage or current. What is dac (digital to analog converter)? Drawbacks of weighted resistor method; Resolution & step size of digital to analog converter. A binary weighted resistor digital to analog converter (dac) is a type of digital to analog converter that converts a digital. Explain Binary Weighted Resistor Dac.
From www.youtube.com
Binary Weighted DAC Explanation YouTube Explain Binary Weighted Resistor Dac What is dac (digital to analog converter)? The following figure shows the circuit diagram of. Drawbacks of weighted resistor method; In the weighted resistor type dac, each digital level is converted into an equivalent analog voltage or current. Resolution & step size of digital to analog converter. A weighted resistor dac produces an analog output, which is almost equal to. Explain Binary Weighted Resistor Dac.
From www.youtube.com
Binary Weighted Resistor DAC Explained YouTube Explain Binary Weighted Resistor Dac The following figure shows the circuit diagram of. In the weighted resistor type dac, each digital level is converted into an equivalent analog voltage or current. What is dac (digital to analog converter)? Resolution & step size of digital to analog converter. A weighted resistor dac produces an analog output, which is almost equal to the digital (binary) input by. Explain Binary Weighted Resistor Dac.
From slideserve.com
PPT Digital to Analog Converter PowerPoint Presentation ID192871 Explain Binary Weighted Resistor Dac What is dac (digital to analog converter)? The following figure shows the circuit diagram of. Drawbacks of weighted resistor method; A weighted resistor dac produces an analog output, which is almost equal to the digital (binary) input by using binary weighted resistors in the. A binary weighted resistor digital to analog converter (dac) is a type of digital to analog. Explain Binary Weighted Resistor Dac.
From www.multisim.com
DAC CIRCUIT WITH BINARY WEIGHTED RESISTOR Multisim Live Explain Binary Weighted Resistor Dac Drawbacks of weighted resistor method; What is dac (digital to analog converter)? In the weighted resistor type dac, each digital level is converted into an equivalent analog voltage or current. A binary weighted resistor digital to analog converter (dac) is a type of digital to analog converter that converts a digital input. A weighted resistor dac produces an analog output,. Explain Binary Weighted Resistor Dac.
From www.youtube.com
Binary Weighted Resistor DAC YouTube Explain Binary Weighted Resistor Dac Drawbacks of weighted resistor method; In the weighted resistor type dac, each digital level is converted into an equivalent analog voltage or current. The following figure shows the circuit diagram of. A binary weighted resistor digital to analog converter (dac) is a type of digital to analog converter that converts a digital input. Resolution & step size of digital to. Explain Binary Weighted Resistor Dac.
From www.slideserve.com
PPT DAC, Diodes and TRIACS PowerPoint Presentation, free download Explain Binary Weighted Resistor Dac In the weighted resistor type dac, each digital level is converted into an equivalent analog voltage or current. Drawbacks of weighted resistor method; What is dac (digital to analog converter)? The following figure shows the circuit diagram of. A binary weighted resistor digital to analog converter (dac) is a type of digital to analog converter that converts a digital input.. Explain Binary Weighted Resistor Dac.
From www.pinterest.com
Binary Weighted Resistor DAC Electronics Guide Analog to digital Explain Binary Weighted Resistor Dac Drawbacks of weighted resistor method; A binary weighted resistor digital to analog converter (dac) is a type of digital to analog converter that converts a digital input. What is dac (digital to analog converter)? A weighted resistor dac produces an analog output, which is almost equal to the digital (binary) input by using binary weighted resistors in the. Resolution &. Explain Binary Weighted Resistor Dac.
From www.youtube.com
Binary Weighted Resistor DAC YouTube Explain Binary Weighted Resistor Dac Drawbacks of weighted resistor method; What is dac (digital to analog converter)? Resolution & step size of digital to analog converter. The following figure shows the circuit diagram of. A weighted resistor dac produces an analog output, which is almost equal to the digital (binary) input by using binary weighted resistors in the. A binary weighted resistor digital to analog. Explain Binary Weighted Resistor Dac.
From aladin-vegas-las-casino-poker.blogspot.com
☑ Binary Weighted Resistor Dac Explain Binary Weighted Resistor Dac Resolution & step size of digital to analog converter. A binary weighted resistor digital to analog converter (dac) is a type of digital to analog converter that converts a digital input. Drawbacks of weighted resistor method; What is dac (digital to analog converter)? A weighted resistor dac produces an analog output, which is almost equal to the digital (binary) input. Explain Binary Weighted Resistor Dac.
From www.researchgate.net
Voltagemode BinaryWeighted Resistor DAC Download Scientific Diagram Explain Binary Weighted Resistor Dac A binary weighted resistor digital to analog converter (dac) is a type of digital to analog converter that converts a digital input. The following figure shows the circuit diagram of. A weighted resistor dac produces an analog output, which is almost equal to the digital (binary) input by using binary weighted resistors in the. In the weighted resistor type dac,. Explain Binary Weighted Resistor Dac.
From www.youtube.com
Binary Weighted Resistor DAC YouTube Explain Binary Weighted Resistor Dac What is dac (digital to analog converter)? A weighted resistor dac produces an analog output, which is almost equal to the digital (binary) input by using binary weighted resistors in the. The following figure shows the circuit diagram of. A binary weighted resistor digital to analog converter (dac) is a type of digital to analog converter that converts a digital. Explain Binary Weighted Resistor Dac.
From itecnotes.com
Electrical Weighted Resistor DAC Equation Valuable Tech Notes Explain Binary Weighted Resistor Dac A binary weighted resistor digital to analog converter (dac) is a type of digital to analog converter that converts a digital input. The following figure shows the circuit diagram of. A weighted resistor dac produces an analog output, which is almost equal to the digital (binary) input by using binary weighted resistors in the. What is dac (digital to analog. Explain Binary Weighted Resistor Dac.
From www.slideshare.net
Dac s05 Explain Binary Weighted Resistor Dac In the weighted resistor type dac, each digital level is converted into an equivalent analog voltage or current. A weighted resistor dac produces an analog output, which is almost equal to the digital (binary) input by using binary weighted resistors in the. Drawbacks of weighted resistor method; What is dac (digital to analog converter)? The following figure shows the circuit. Explain Binary Weighted Resistor Dac.
From www.numerade.com
SOLVED Figure 3 shows a fourdigit digitaltoanalog converter (DAC Explain Binary Weighted Resistor Dac In the weighted resistor type dac, each digital level is converted into an equivalent analog voltage or current. What is dac (digital to analog converter)? Drawbacks of weighted resistor method; The following figure shows the circuit diagram of. A binary weighted resistor digital to analog converter (dac) is a type of digital to analog converter that converts a digital input.. Explain Binary Weighted Resistor Dac.
From www.researchgate.net
Binaryweighted resistors based DAC. Download Scientific Diagram Explain Binary Weighted Resistor Dac Drawbacks of weighted resistor method; A weighted resistor dac produces an analog output, which is almost equal to the digital (binary) input by using binary weighted resistors in the. The following figure shows the circuit diagram of. A binary weighted resistor digital to analog converter (dac) is a type of digital to analog converter that converts a digital input. Resolution. Explain Binary Weighted Resistor Dac.
From www.slideserve.com
PPT Digital to Analog Converters PowerPoint Presentation, free Explain Binary Weighted Resistor Dac A binary weighted resistor digital to analog converter (dac) is a type of digital to analog converter that converts a digital input. Drawbacks of weighted resistor method; What is dac (digital to analog converter)? In the weighted resistor type dac, each digital level is converted into an equivalent analog voltage or current. Resolution & step size of digital to analog. Explain Binary Weighted Resistor Dac.
From www.coursehero.com
[Solved] design a 4bit weighted resistor type DAC for the following Explain Binary Weighted Resistor Dac In the weighted resistor type dac, each digital level is converted into an equivalent analog voltage or current. The following figure shows the circuit diagram of. What is dac (digital to analog converter)? A weighted resistor dac produces an analog output, which is almost equal to the digital (binary) input by using binary weighted resistors in the. A binary weighted. Explain Binary Weighted Resistor Dac.
From www.youtube.com
Complete Guide To Binary Weighted Resistor DAC In GATE Digital Circuits Explain Binary Weighted Resistor Dac A weighted resistor dac produces an analog output, which is almost equal to the digital (binary) input by using binary weighted resistors in the. A binary weighted resistor digital to analog converter (dac) is a type of digital to analog converter that converts a digital input. In the weighted resistor type dac, each digital level is converted into an equivalent. Explain Binary Weighted Resistor Dac.
From www.slideserve.com
PPT Week 7 Data Acquisition System, Part (A) PowerPoint Presentation Explain Binary Weighted Resistor Dac What is dac (digital to analog converter)? Drawbacks of weighted resistor method; A weighted resistor dac produces an analog output, which is almost equal to the digital (binary) input by using binary weighted resistors in the. A binary weighted resistor digital to analog converter (dac) is a type of digital to analog converter that converts a digital input. The following. Explain Binary Weighted Resistor Dac.
From www.slideserve.com
PPT Digital to Analog Converters (DAC) PowerPoint Presentation, free Explain Binary Weighted Resistor Dac Resolution & step size of digital to analog converter. What is dac (digital to analog converter)? A weighted resistor dac produces an analog output, which is almost equal to the digital (binary) input by using binary weighted resistors in the. Drawbacks of weighted resistor method; The following figure shows the circuit diagram of. In the weighted resistor type dac, each. Explain Binary Weighted Resistor Dac.
From microcontrollerslab.com
Binary Weighted Resistor DAC Explain Binary Weighted Resistor Dac A weighted resistor dac produces an analog output, which is almost equal to the digital (binary) input by using binary weighted resistors in the. What is dac (digital to analog converter)? The following figure shows the circuit diagram of. In the weighted resistor type dac, each digital level is converted into an equivalent analog voltage or current. A binary weighted. Explain Binary Weighted Resistor Dac.
From www.chegg.com
Solved 10. For a Binaryweighted resistor DAC converter Explain Binary Weighted Resistor Dac In the weighted resistor type dac, each digital level is converted into an equivalent analog voltage or current. A binary weighted resistor digital to analog converter (dac) is a type of digital to analog converter that converts a digital input. Drawbacks of weighted resistor method; Resolution & step size of digital to analog converter. The following figure shows the circuit. Explain Binary Weighted Resistor Dac.
From www.slideserve.com
PPT DAC, Diodes and TRIACS PowerPoint Presentation, free download Explain Binary Weighted Resistor Dac What is dac (digital to analog converter)? The following figure shows the circuit diagram of. Resolution & step size of digital to analog converter. A binary weighted resistor digital to analog converter (dac) is a type of digital to analog converter that converts a digital input. A weighted resistor dac produces an analog output, which is almost equal to the. Explain Binary Weighted Resistor Dac.