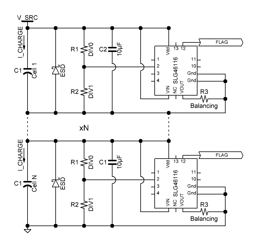
Capacitor Balancing Circuit . Compared to passive balancing, active balancing. Balancing with sab mosfets is automatic, simple and elegant to implement. The usual way of dealing with these imbalances is to put a balancing circuit in parallel with the supercapacitor stack. When connected across the supercapacitors, one mosfet will turn itself. This balancing circuit is to reduce the direct c2c balancing time and voltage gap in. The balancing circuit with resistors and diodes are a simple solution, but with high power losses and modest performances. Supercapacitors with multiple cells in series require a balancing circuit to ensure all cells have approximately equal voltage. An improved solution is to.
from www.smarts4k.com
Compared to passive balancing, active balancing. The balancing circuit with resistors and diodes are a simple solution, but with high power losses and modest performances. An improved solution is to. The usual way of dealing with these imbalances is to put a balancing circuit in parallel with the supercapacitor stack. This balancing circuit is to reduce the direct c2c balancing time and voltage gap in. Balancing with sab mosfets is automatic, simple and elegant to implement. When connected across the supercapacitors, one mosfet will turn itself. Supercapacitors with multiple cells in series require a balancing circuit to ensure all cells have approximately equal voltage.
Lifepo4 Bms Circuit Diagram 4K Wallpapers Review
Capacitor Balancing Circuit Balancing with sab mosfets is automatic, simple and elegant to implement. Supercapacitors with multiple cells in series require a balancing circuit to ensure all cells have approximately equal voltage. The balancing circuit with resistors and diodes are a simple solution, but with high power losses and modest performances. The usual way of dealing with these imbalances is to put a balancing circuit in parallel with the supercapacitor stack. Compared to passive balancing, active balancing. This balancing circuit is to reduce the direct c2c balancing time and voltage gap in. Balancing with sab mosfets is automatic, simple and elegant to implement. When connected across the supercapacitors, one mosfet will turn itself. An improved solution is to.
From www.youtube.com
I wire 2 500F supercapacitors to a protection board for prototype Capacitor Balancing Circuit When connected across the supercapacitors, one mosfet will turn itself. Compared to passive balancing, active balancing. Balancing with sab mosfets is automatic, simple and elegant to implement. An improved solution is to. The usual way of dealing with these imbalances is to put a balancing circuit in parallel with the supercapacitor stack. The balancing circuit with resistors and diodes are. Capacitor Balancing Circuit.
From www.researchgate.net
Single switched capacitor cell balancing topology. Download Capacitor Balancing Circuit The usual way of dealing with these imbalances is to put a balancing circuit in parallel with the supercapacitor stack. This balancing circuit is to reduce the direct c2c balancing time and voltage gap in. The balancing circuit with resistors and diodes are a simple solution, but with high power losses and modest performances. Supercapacitors with multiple cells in series. Capacitor Balancing Circuit.
From www.allaboutcircuits.com
AC Bridge Circuits AC Metering Circuits Electronics Textbook Capacitor Balancing Circuit This balancing circuit is to reduce the direct c2c balancing time and voltage gap in. Compared to passive balancing, active balancing. Balancing with sab mosfets is automatic, simple and elegant to implement. When connected across the supercapacitors, one mosfet will turn itself. An improved solution is to. The usual way of dealing with these imbalances is to put a balancing. Capacitor Balancing Circuit.
From passive-components.eu
Evaluation of Active Balancing Circuits for Supercapacitors Passive Capacitor Balancing Circuit The usual way of dealing with these imbalances is to put a balancing circuit in parallel with the supercapacitor stack. This balancing circuit is to reduce the direct c2c balancing time and voltage gap in. When connected across the supercapacitors, one mosfet will turn itself. The balancing circuit with resistors and diodes are a simple solution, but with high power. Capacitor Balancing Circuit.
From electronics.stackexchange.com
Balancing resistor values for series capacitors Electrical Capacitor Balancing Circuit The usual way of dealing with these imbalances is to put a balancing circuit in parallel with the supercapacitor stack. Supercapacitors with multiple cells in series require a balancing circuit to ensure all cells have approximately equal voltage. Compared to passive balancing, active balancing. An improved solution is to. The balancing circuit with resistors and diodes are a simple solution,. Capacitor Balancing Circuit.
From www.sunthen.com
2.7V/16V 6S Balance Board Balance Circuit Lithium Titanate Battery Capacitor Balancing Circuit Balancing with sab mosfets is automatic, simple and elegant to implement. The balancing circuit with resistors and diodes are a simple solution, but with high power losses and modest performances. Supercapacitors with multiple cells in series require a balancing circuit to ensure all cells have approximately equal voltage. When connected across the supercapacitors, one mosfet will turn itself. This balancing. Capacitor Balancing Circuit.
From community.element14.com
Supercapacitor Balancing Questions element14 Community Capacitor Balancing Circuit Balancing with sab mosfets is automatic, simple and elegant to implement. Compared to passive balancing, active balancing. The balancing circuit with resistors and diodes are a simple solution, but with high power losses and modest performances. The usual way of dealing with these imbalances is to put a balancing circuit in parallel with the supercapacitor stack. When connected across the. Capacitor Balancing Circuit.
From www.researchgate.net
Switching capacitor battery balancing circuit operation (a) Stage 1 Capacitor Balancing Circuit The balancing circuit with resistors and diodes are a simple solution, but with high power losses and modest performances. When connected across the supercapacitors, one mosfet will turn itself. Compared to passive balancing, active balancing. The usual way of dealing with these imbalances is to put a balancing circuit in parallel with the supercapacitor stack. Supercapacitors with multiple cells in. Capacitor Balancing Circuit.
From www.researchgate.net
Switched capacitor cell balancing topology. Download Scientific Diagram Capacitor Balancing Circuit Supercapacitors with multiple cells in series require a balancing circuit to ensure all cells have approximately equal voltage. The balancing circuit with resistors and diodes are a simple solution, but with high power losses and modest performances. Compared to passive balancing, active balancing. When connected across the supercapacitors, one mosfet will turn itself. The usual way of dealing with these. Capacitor Balancing Circuit.
From www.renesas.com
GreenPAK™ Supercapacitor Interface IC Renesas Capacitor Balancing Circuit The usual way of dealing with these imbalances is to put a balancing circuit in parallel with the supercapacitor stack. Compared to passive balancing, active balancing. Balancing with sab mosfets is automatic, simple and elegant to implement. Supercapacitors with multiple cells in series require a balancing circuit to ensure all cells have approximately equal voltage. This balancing circuit is to. Capacitor Balancing Circuit.
From www.mdpi.com
Energies Free FullText A CelltoCell Equalizer Based on Three Capacitor Balancing Circuit Balancing with sab mosfets is automatic, simple and elegant to implement. An improved solution is to. Compared to passive balancing, active balancing. When connected across the supercapacitors, one mosfet will turn itself. Supercapacitors with multiple cells in series require a balancing circuit to ensure all cells have approximately equal voltage. This balancing circuit is to reduce the direct c2c balancing. Capacitor Balancing Circuit.
From www.mdpi.com
Energies Free FullText An Automatic SwitchedCapacitor Cell Capacitor Balancing Circuit Supercapacitors with multiple cells in series require a balancing circuit to ensure all cells have approximately equal voltage. Compared to passive balancing, active balancing. This balancing circuit is to reduce the direct c2c balancing time and voltage gap in. An improved solution is to. The balancing circuit with resistors and diodes are a simple solution, but with high power losses. Capacitor Balancing Circuit.
From stevemeadedesigns.com
Diodes for capacitor balancing? Electricalbattery Alternators Capacitor Balancing Circuit An improved solution is to. Balancing with sab mosfets is automatic, simple and elegant to implement. This balancing circuit is to reduce the direct c2c balancing time and voltage gap in. Compared to passive balancing, active balancing. When connected across the supercapacitors, one mosfet will turn itself. The usual way of dealing with these imbalances is to put a balancing. Capacitor Balancing Circuit.
From www.electronicsweekly.com
How to design a supercapacitor charger with balancing Capacitor Balancing Circuit An improved solution is to. The usual way of dealing with these imbalances is to put a balancing circuit in parallel with the supercapacitor stack. Balancing with sab mosfets is automatic, simple and elegant to implement. Compared to passive balancing, active balancing. This balancing circuit is to reduce the direct c2c balancing time and voltage gap in. Supercapacitors with multiple. Capacitor Balancing Circuit.
From www.ebay.com
Maxwell Farad Super Capacitor Balancing Circuit For 6 x 2.7V in Series Capacitor Balancing Circuit Supercapacitors with multiple cells in series require a balancing circuit to ensure all cells have approximately equal voltage. An improved solution is to. When connected across the supercapacitors, one mosfet will turn itself. The usual way of dealing with these imbalances is to put a balancing circuit in parallel with the supercapacitor stack. The balancing circuit with resistors and diodes. Capacitor Balancing Circuit.
From www.semanticscholar.org
Figure 1 from SeriesParallel SwitchedCapacitor Balancing Circuit for Capacitor Balancing Circuit Balancing with sab mosfets is automatic, simple and elegant to implement. The balancing circuit with resistors and diodes are a simple solution, but with high power losses and modest performances. This balancing circuit is to reduce the direct c2c balancing time and voltage gap in. Supercapacitors with multiple cells in series require a balancing circuit to ensure all cells have. Capacitor Balancing Circuit.
From www.youtube.com
Capacitor charge balance YouTube Capacitor Balancing Circuit When connected across the supercapacitors, one mosfet will turn itself. This balancing circuit is to reduce the direct c2c balancing time and voltage gap in. The usual way of dealing with these imbalances is to put a balancing circuit in parallel with the supercapacitor stack. The balancing circuit with resistors and diodes are a simple solution, but with high power. Capacitor Balancing Circuit.
From www.ebay.com
Maxwell Farad Super Capacitor Balancing Circuit For 6 x 2.7V in Series Capacitor Balancing Circuit When connected across the supercapacitors, one mosfet will turn itself. This balancing circuit is to reduce the direct c2c balancing time and voltage gap in. Balancing with sab mosfets is automatic, simple and elegant to implement. The balancing circuit with resistors and diodes are a simple solution, but with high power losses and modest performances. Compared to passive balancing, active. Capacitor Balancing Circuit.
From passive-components.eu
Evaluation of Active Balancing Circuits for Supercapacitors Capacitor Balancing Circuit Compared to passive balancing, active balancing. The balancing circuit with resistors and diodes are a simple solution, but with high power losses and modest performances. This balancing circuit is to reduce the direct c2c balancing time and voltage gap in. Balancing with sab mosfets is automatic, simple and elegant to implement. Supercapacitors with multiple cells in series require a balancing. Capacitor Balancing Circuit.
From circuitdigest.com
How to make a Supercapacitor Charger Circuit Capacitor Balancing Circuit The balancing circuit with resistors and diodes are a simple solution, but with high power losses and modest performances. This balancing circuit is to reduce the direct c2c balancing time and voltage gap in. When connected across the supercapacitors, one mosfet will turn itself. The usual way of dealing with these imbalances is to put a balancing circuit in parallel. Capacitor Balancing Circuit.
From www.researchgate.net
Proposed balancing circuit schematic diagram Download Scientific Diagram Capacitor Balancing Circuit The balancing circuit with resistors and diodes are a simple solution, but with high power losses and modest performances. When connected across the supercapacitors, one mosfet will turn itself. This balancing circuit is to reduce the direct c2c balancing time and voltage gap in. Balancing with sab mosfets is automatic, simple and elegant to implement. Compared to passive balancing, active. Capacitor Balancing Circuit.
From www.researchgate.net
Scheme of 9 level cascade flying capacitor inverter. Download Capacitor Balancing Circuit The usual way of dealing with these imbalances is to put a balancing circuit in parallel with the supercapacitor stack. This balancing circuit is to reduce the direct c2c balancing time and voltage gap in. Balancing with sab mosfets is automatic, simple and elegant to implement. An improved solution is to. The balancing circuit with resistors and diodes are a. Capacitor Balancing Circuit.
From www.mathworks.com
Balance Battery Cells with Switched Capacitor Method MATLAB & Simulink Capacitor Balancing Circuit Balancing with sab mosfets is automatic, simple and elegant to implement. Supercapacitors with multiple cells in series require a balancing circuit to ensure all cells have approximately equal voltage. An improved solution is to. The usual way of dealing with these imbalances is to put a balancing circuit in parallel with the supercapacitor stack. When connected across the supercapacitors, one. Capacitor Balancing Circuit.
From www.researchgate.net
Switched capacitor cell balancing topology. Download Scientific Diagram Capacitor Balancing Circuit Supercapacitors with multiple cells in series require a balancing circuit to ensure all cells have approximately equal voltage. The usual way of dealing with these imbalances is to put a balancing circuit in parallel with the supercapacitor stack. An improved solution is to. Balancing with sab mosfets is automatic, simple and elegant to implement. Compared to passive balancing, active balancing.. Capacitor Balancing Circuit.
From electricalacademia.com
Capacitor Charging Equation RC Circuit Charging Matlab Electrical Capacitor Balancing Circuit Compared to passive balancing, active balancing. When connected across the supercapacitors, one mosfet will turn itself. This balancing circuit is to reduce the direct c2c balancing time and voltage gap in. Supercapacitors with multiple cells in series require a balancing circuit to ensure all cells have approximately equal voltage. An improved solution is to. The usual way of dealing with. Capacitor Balancing Circuit.
From www.mdpi.com
Energies Free FullText NonEqual Voltage Cell Balancing for Capacitor Balancing Circuit Balancing with sab mosfets is automatic, simple and elegant to implement. An improved solution is to. The balancing circuit with resistors and diodes are a simple solution, but with high power losses and modest performances. The usual way of dealing with these imbalances is to put a balancing circuit in parallel with the supercapacitor stack. This balancing circuit is to. Capacitor Balancing Circuit.
From www.youtube.com
Circuit with Several Capacitors YouTube Capacitor Balancing Circuit An improved solution is to. When connected across the supercapacitors, one mosfet will turn itself. The usual way of dealing with these imbalances is to put a balancing circuit in parallel with the supercapacitor stack. The balancing circuit with resistors and diodes are a simple solution, but with high power losses and modest performances. This balancing circuit is to reduce. Capacitor Balancing Circuit.
From www.smarts4k.com
Lifepo4 Bms Circuit Diagram 4K Wallpapers Review Capacitor Balancing Circuit Balancing with sab mosfets is automatic, simple and elegant to implement. Supercapacitors with multiple cells in series require a balancing circuit to ensure all cells have approximately equal voltage. The usual way of dealing with these imbalances is to put a balancing circuit in parallel with the supercapacitor stack. When connected across the supercapacitors, one mosfet will turn itself. This. Capacitor Balancing Circuit.
From www.allaboutcircuits.com
How Auto Balancing Works for Supercapacitors in Low Voltage Designs A Capacitor Balancing Circuit Balancing with sab mosfets is automatic, simple and elegant to implement. The usual way of dealing with these imbalances is to put a balancing circuit in parallel with the supercapacitor stack. An improved solution is to. This balancing circuit is to reduce the direct c2c balancing time and voltage gap in. When connected across the supercapacitors, one mosfet will turn. Capacitor Balancing Circuit.
From www.researchgate.net
Switched capacitor battery balancing circuit Download Scientific Diagram Capacitor Balancing Circuit Supercapacitors with multiple cells in series require a balancing circuit to ensure all cells have approximately equal voltage. This balancing circuit is to reduce the direct c2c balancing time and voltage gap in. When connected across the supercapacitors, one mosfet will turn itself. Balancing with sab mosfets is automatic, simple and elegant to implement. The balancing circuit with resistors and. Capacitor Balancing Circuit.
From www.mdpi.com
Energies Free FullText An Automatic SwitchedCapacitor Cell Capacitor Balancing Circuit Balancing with sab mosfets is automatic, simple and elegant to implement. An improved solution is to. Supercapacitors with multiple cells in series require a balancing circuit to ensure all cells have approximately equal voltage. This balancing circuit is to reduce the direct c2c balancing time and voltage gap in. Compared to passive balancing, active balancing. The balancing circuit with resistors. Capacitor Balancing Circuit.
From rccrestauracao.blogspot.com
What Is A Flying Capacitor Capacitor Balancing Circuit The balancing circuit with resistors and diodes are a simple solution, but with high power losses and modest performances. Balancing with sab mosfets is automatic, simple and elegant to implement. This balancing circuit is to reduce the direct c2c balancing time and voltage gap in. An improved solution is to. The usual way of dealing with these imbalances is to. Capacitor Balancing Circuit.
From www.youtube.com
How To Solve Any Circuit Problem With Capacitors In Series and Parallel Capacitor Balancing Circuit Balancing with sab mosfets is automatic, simple and elegant to implement. Supercapacitors with multiple cells in series require a balancing circuit to ensure all cells have approximately equal voltage. This balancing circuit is to reduce the direct c2c balancing time and voltage gap in. Compared to passive balancing, active balancing. An improved solution is to. The usual way of dealing. Capacitor Balancing Circuit.
From www.researchgate.net
The proposed modular cell balancing circuit. Download Scientific Diagram Capacitor Balancing Circuit Balancing with sab mosfets is automatic, simple and elegant to implement. The balancing circuit with resistors and diodes are a simple solution, but with high power losses and modest performances. The usual way of dealing with these imbalances is to put a balancing circuit in parallel with the supercapacitor stack. This balancing circuit is to reduce the direct c2c balancing. Capacitor Balancing Circuit.
From enginediagramkail.z21.web.core.windows.net
Battery Management System Bms Circuit Diagram Capacitor Balancing Circuit Balancing with sab mosfets is automatic, simple and elegant to implement. This balancing circuit is to reduce the direct c2c balancing time and voltage gap in. The balancing circuit with resistors and diodes are a simple solution, but with high power losses and modest performances. Supercapacitors with multiple cells in series require a balancing circuit to ensure all cells have. Capacitor Balancing Circuit.