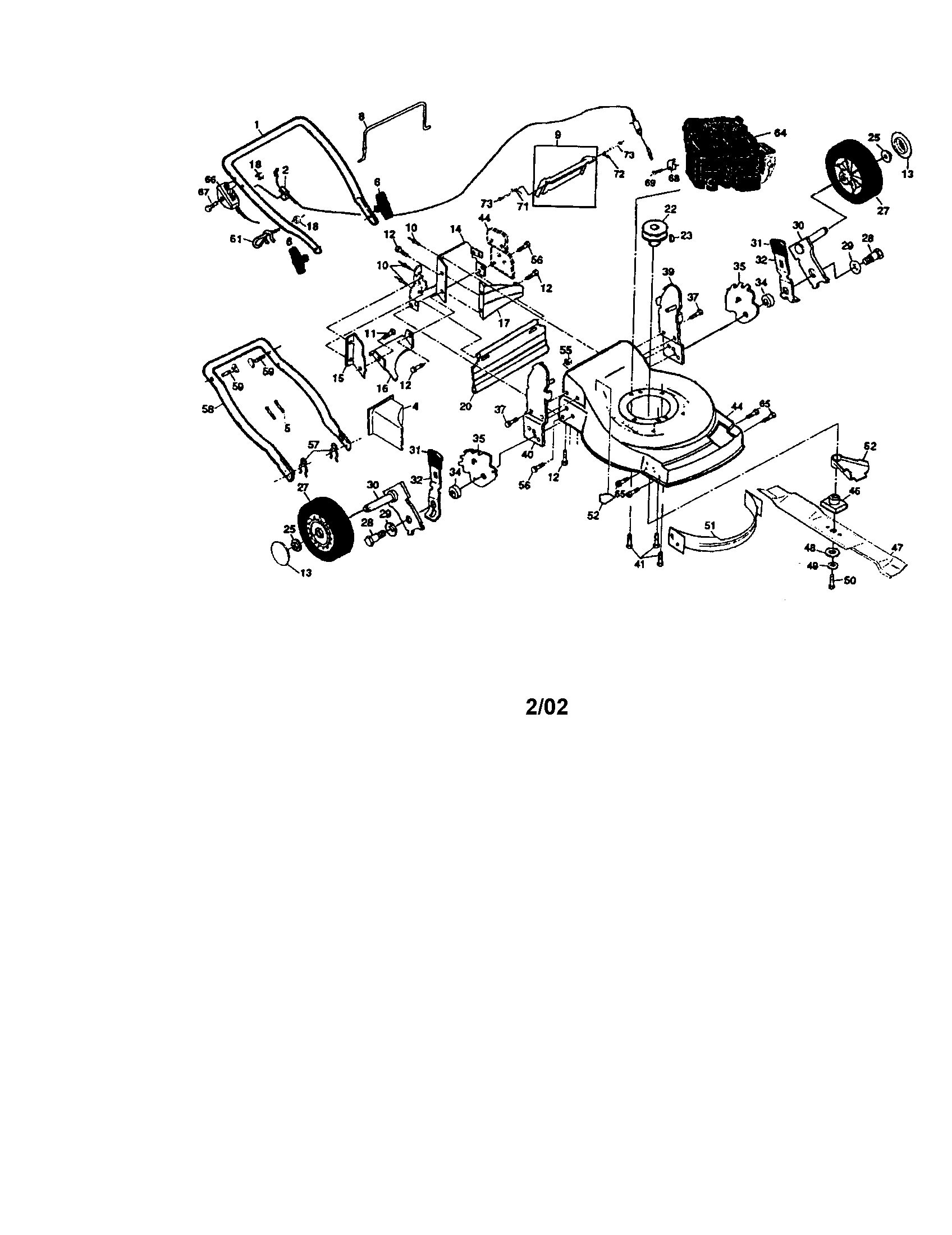
John Deere Js40 Carburetor Diagram . This diagram provides a detailed. Find the parts you need for your john deere js40 mower with our comprehensive parts diagram. It sat in the previous owner's garage for quite some time. Sections in your operator’s manual are placed in a specific order to help you understand all the safety messages and learn the controls so you. If engine is operated at altitudes above 1829 m (6,000 ft), some. The engine diagram highlights the location of the engine, including its various parts and connections. Quickly and easily identify the right part for your machine and get your mower running smoothly again. Carburetor is calibrated by the engine manufacturer and should not require any adjustments. In this series, i go over how i. Explore the detailed carburetor diagram for john deere js40 lawnmower, to help you understand its components and optimize its performance. The battery provides electrical energy to power the starter motor and other components.
from archivejohn.com
Sections in your operator’s manual are placed in a specific order to help you understand all the safety messages and learn the controls so you. If engine is operated at altitudes above 1829 m (6,000 ft), some. Find the parts you need for your john deere js40 mower with our comprehensive parts diagram. Explore the detailed carburetor diagram for john deere js40 lawnmower, to help you understand its components and optimize its performance. Quickly and easily identify the right part for your machine and get your mower running smoothly again. This diagram provides a detailed. The battery provides electrical energy to power the starter motor and other components. It sat in the previous owner's garage for quite some time. In this series, i go over how i. Carburetor is calibrated by the engine manufacturer and should not require any adjustments.
Exploring the Inner Workings of the John Deere JS40 Carburetor
John Deere Js40 Carburetor Diagram Carburetor is calibrated by the engine manufacturer and should not require any adjustments. Carburetor is calibrated by the engine manufacturer and should not require any adjustments. Find the parts you need for your john deere js40 mower with our comprehensive parts diagram. This diagram provides a detailed. Explore the detailed carburetor diagram for john deere js40 lawnmower, to help you understand its components and optimize its performance. It sat in the previous owner's garage for quite some time. The engine diagram highlights the location of the engine, including its various parts and connections. If engine is operated at altitudes above 1829 m (6,000 ft), some. In this series, i go over how i. Sections in your operator’s manual are placed in a specific order to help you understand all the safety messages and learn the controls so you. Quickly and easily identify the right part for your machine and get your mower running smoothly again. The battery provides electrical energy to power the starter motor and other components.
From archivejohn.com
Exploring the Inner Workings of the John Deere JS40 Carburetor John Deere Js40 Carburetor Diagram The battery provides electrical energy to power the starter motor and other components. If engine is operated at altitudes above 1829 m (6,000 ft), some. In this series, i go over how i. This diagram provides a detailed. Sections in your operator’s manual are placed in a specific order to help you understand all the safety messages and learn the. John Deere Js40 Carburetor Diagram.
From www.amazon.com
partszen D105 Carburetor for John Deere LA105 LA110 LA115 John Deere Js40 Carburetor Diagram If engine is operated at altitudes above 1829 m (6,000 ft), some. Find the parts you need for your john deere js40 mower with our comprehensive parts diagram. Carburetor is calibrated by the engine manufacturer and should not require any adjustments. Explore the detailed carburetor diagram for john deere js40 lawnmower, to help you understand its components and optimize its. John Deere Js40 Carburetor Diagram.
From www.ebay.com
Carburetor For John Deere JS40 WalkBehind Mower 190cc 7.0hp engine John Deere Js40 Carburetor Diagram This diagram provides a detailed. Sections in your operator’s manual are placed in a specific order to help you understand all the safety messages and learn the controls so you. The battery provides electrical energy to power the starter motor and other components. It sat in the previous owner's garage for quite some time. Quickly and easily identify the right. John Deere Js40 Carburetor Diagram.
From mungfali.com
John Deere Js40 Parts Diagram Free Wiring Diagram 267 John Deere Js40 Carburetor Diagram Carburetor is calibrated by the engine manufacturer and should not require any adjustments. Find the parts you need for your john deere js40 mower with our comprehensive parts diagram. The engine diagram highlights the location of the engine, including its various parts and connections. This diagram provides a detailed. The battery provides electrical energy to power the starter motor and. John Deere Js40 Carburetor Diagram.
From techdiagrammer.com
StepbyStep Guide Understanding the John Deere JS40 Parts Diagram John Deere Js40 Carburetor Diagram Explore the detailed carburetor diagram for john deere js40 lawnmower, to help you understand its components and optimize its performance. Quickly and easily identify the right part for your machine and get your mower running smoothly again. It sat in the previous owner's garage for quite some time. Find the parts you need for your john deere js40 mower with. John Deere Js40 Carburetor Diagram.
From www.amazon.com
Anxingo JS40 Carburetor Replacement for John Deere JA60 John Deere Js40 Carburetor Diagram The battery provides electrical energy to power the starter motor and other components. Carburetor is calibrated by the engine manufacturer and should not require any adjustments. Sections in your operator’s manual are placed in a specific order to help you understand all the safety messages and learn the controls so you. This diagram provides a detailed. Quickly and easily identify. John Deere Js40 Carburetor Diagram.
From mungfali.com
John Deere Js40 Parts Diagram Free Wiring Diagram 267 John Deere Js40 Carburetor Diagram Explore the detailed carburetor diagram for john deere js40 lawnmower, to help you understand its components and optimize its performance. The battery provides electrical energy to power the starter motor and other components. In this series, i go over how i. Carburetor is calibrated by the engine manufacturer and should not require any adjustments. This diagram provides a detailed. Quickly. John Deere Js40 Carburetor Diagram.
From archivejohn.com
Unveiling the John Deere JS40 Diagram A Closer Look at the Inner Workings John Deere Js40 Carburetor Diagram It sat in the previous owner's garage for quite some time. Quickly and easily identify the right part for your machine and get your mower running smoothly again. Explore the detailed carburetor diagram for john deere js40 lawnmower, to help you understand its components and optimize its performance. The engine diagram highlights the location of the engine, including its various. John Deere Js40 Carburetor Diagram.
From www.ebay.com
1 pack Ginode AM134697 Carburetor For John Deere JS40 WalkBehind Mower John Deere Js40 Carburetor Diagram Quickly and easily identify the right part for your machine and get your mower running smoothly again. Find the parts you need for your john deere js40 mower with our comprehensive parts diagram. Carburetor is calibrated by the engine manufacturer and should not require any adjustments. The battery provides electrical energy to power the starter motor and other components. Sections. John Deere Js40 Carburetor Diagram.
From techdiagrammer.com
StepbyStep Guide Understanding the John Deere JS40 Parts Diagram John Deere Js40 Carburetor Diagram Carburetor is calibrated by the engine manufacturer and should not require any adjustments. Explore the detailed carburetor diagram for john deere js40 lawnmower, to help you understand its components and optimize its performance. Quickly and easily identify the right part for your machine and get your mower running smoothly again. In this series, i go over how i. If engine. John Deere Js40 Carburetor Diagram.
From archivejohn.com
Exploring the Inner Workings of the John Deere JS40 Carburetor John Deere Js40 Carburetor Diagram If engine is operated at altitudes above 1829 m (6,000 ft), some. Find the parts you need for your john deere js40 mower with our comprehensive parts diagram. The engine diagram highlights the location of the engine, including its various parts and connections. This diagram provides a detailed. Quickly and easily identify the right part for your machine and get. John Deere Js40 Carburetor Diagram.
From www.oceanproperty.co.th
Js40 Parts Diagram Clearance Vintage www.oceanproperty.co.th John Deere Js40 Carburetor Diagram The engine diagram highlights the location of the engine, including its various parts and connections. Quickly and easily identify the right part for your machine and get your mower running smoothly again. This diagram provides a detailed. Find the parts you need for your john deere js40 mower with our comprehensive parts diagram. The battery provides electrical energy to power. John Deere Js40 Carburetor Diagram.
From www.ebay.com
Carburetor For John Deere JS40 WalkBehind Mower 190cc 7.0hp engine John Deere Js40 Carburetor Diagram If engine is operated at altitudes above 1829 m (6,000 ft), some. The battery provides electrical energy to power the starter motor and other components. Find the parts you need for your john deere js40 mower with our comprehensive parts diagram. The engine diagram highlights the location of the engine, including its various parts and connections. Sections in your operator’s. John Deere Js40 Carburetor Diagram.
From www.ebay.fr
Carburetor Carb For John Deere JA60 Js20 Js35 Jm26 JS40 JS60 JS63C John Deere Js40 Carburetor Diagram This diagram provides a detailed. Find the parts you need for your john deere js40 mower with our comprehensive parts diagram. Carburetor is calibrated by the engine manufacturer and should not require any adjustments. Sections in your operator’s manual are placed in a specific order to help you understand all the safety messages and learn the controls so you. Quickly. John Deere Js40 Carburetor Diagram.
From autoctrls.com
How to Use a John Deere JS40 Parts Diagram to Repair Your Lawnmower John Deere Js40 Carburetor Diagram Explore the detailed carburetor diagram for john deere js40 lawnmower, to help you understand its components and optimize its performance. Carburetor is calibrated by the engine manufacturer and should not require any adjustments. Quickly and easily identify the right part for your machine and get your mower running smoothly again. Find the parts you need for your john deere js40. John Deere Js40 Carburetor Diagram.
From autoctrls.com
How to Use a John Deere JS40 Parts Diagram to Repair Your Lawnmower John Deere Js40 Carburetor Diagram Sections in your operator’s manual are placed in a specific order to help you understand all the safety messages and learn the controls so you. The engine diagram highlights the location of the engine, including its various parts and connections. Quickly and easily identify the right part for your machine and get your mower running smoothly again. This diagram provides. John Deere Js40 Carburetor Diagram.
From archivejohn.com
Exploring the Inner Workings of the John Deere JS40 Carburetor John Deere Js40 Carburetor Diagram This diagram provides a detailed. Explore the detailed carburetor diagram for john deere js40 lawnmower, to help you understand its components and optimize its performance. If engine is operated at altitudes above 1829 m (6,000 ft), some. Quickly and easily identify the right part for your machine and get your mower running smoothly again. The engine diagram highlights the location. John Deere Js40 Carburetor Diagram.
From mungfali.com
John Deere Js40 Parts Diagram Free Wiring Diagram 267 John Deere Js40 Carburetor Diagram Sections in your operator’s manual are placed in a specific order to help you understand all the safety messages and learn the controls so you. This diagram provides a detailed. If engine is operated at altitudes above 1829 m (6,000 ft), some. It sat in the previous owner's garage for quite some time. Explore the detailed carburetor diagram for john. John Deere Js40 Carburetor Diagram.
From www.amazon.com
Carburetor for John Deere Js36 Jm26 Jm36 Js38 JS40 JS45 John Deere Js40 Carburetor Diagram Carburetor is calibrated by the engine manufacturer and should not require any adjustments. Explore the detailed carburetor diagram for john deere js40 lawnmower, to help you understand its components and optimize its performance. In this series, i go over how i. The engine diagram highlights the location of the engine, including its various parts and connections. Quickly and easily identify. John Deere Js40 Carburetor Diagram.
From www.amazon.com
Anxingo JS40 Carburetor Replacement for John Deere JA60 John Deere Js40 Carburetor Diagram Explore the detailed carburetor diagram for john deere js40 lawnmower, to help you understand its components and optimize its performance. In this series, i go over how i. Carburetor is calibrated by the engine manufacturer and should not require any adjustments. Find the parts you need for your john deere js40 mower with our comprehensive parts diagram. Quickly and easily. John Deere Js40 Carburetor Diagram.
From www.ebay.com
Carburetor For John Deere JS40 WalkBehind Mower 190cc 7.0hp engine John Deere Js40 Carburetor Diagram Quickly and easily identify the right part for your machine and get your mower running smoothly again. Find the parts you need for your john deere js40 mower with our comprehensive parts diagram. The engine diagram highlights the location of the engine, including its various parts and connections. The battery provides electrical energy to power the starter motor and other. John Deere Js40 Carburetor Diagram.
From archivejohn.com
Unveiling the John Deere JS40 Diagram A Closer Look at the Inner Workings John Deere Js40 Carburetor Diagram The engine diagram highlights the location of the engine, including its various parts and connections. This diagram provides a detailed. The battery provides electrical energy to power the starter motor and other components. Find the parts you need for your john deere js40 mower with our comprehensive parts diagram. In this series, i go over how i. Carburetor is calibrated. John Deere Js40 Carburetor Diagram.
From mungfali.com
John Deere Js40 Parts Diagram Free Wiring Diagram 5E7 John Deere Js40 Carburetor Diagram If engine is operated at altitudes above 1829 m (6,000 ft), some. Sections in your operator’s manual are placed in a specific order to help you understand all the safety messages and learn the controls so you. Carburetor is calibrated by the engine manufacturer and should not require any adjustments. Quickly and easily identify the right part for your machine. John Deere Js40 Carburetor Diagram.
From www.ebay.com
Carburetor For John Deere Js38 JS40 JS45 JS60 JS61 JS63 JS63C JS63E John Deere Js40 Carburetor Diagram In this series, i go over how i. This diagram provides a detailed. Explore the detailed carburetor diagram for john deere js40 lawnmower, to help you understand its components and optimize its performance. Quickly and easily identify the right part for your machine and get your mower running smoothly again. The battery provides electrical energy to power the starter motor. John Deere Js40 Carburetor Diagram.
From archivejohn.com
Exploring the Inner Workings of the John Deere JS40 Carburetor John Deere Js40 Carburetor Diagram Sections in your operator’s manual are placed in a specific order to help you understand all the safety messages and learn the controls so you. Carburetor is calibrated by the engine manufacturer and should not require any adjustments. Find the parts you need for your john deere js40 mower with our comprehensive parts diagram. The battery provides electrical energy to. John Deere Js40 Carburetor Diagram.
From archivejohn.com
Exploring the Inner Workings of the John Deere JS40 Carburetor John Deere Js40 Carburetor Diagram The engine diagram highlights the location of the engine, including its various parts and connections. It sat in the previous owner's garage for quite some time. Sections in your operator’s manual are placed in a specific order to help you understand all the safety messages and learn the controls so you. Explore the detailed carburetor diagram for john deere js40. John Deere Js40 Carburetor Diagram.
From archivejohn.com
Visualizing the Inner Workings of the John Deere JS26 Carburetor John Deere Js40 Carburetor Diagram Quickly and easily identify the right part for your machine and get your mower running smoothly again. The engine diagram highlights the location of the engine, including its various parts and connections. In this series, i go over how i. It sat in the previous owner's garage for quite some time. Sections in your operator’s manual are placed in a. John Deere Js40 Carburetor Diagram.
From techdiagrammer.com
StepbyStep Guide Understanding the John Deere JS40 Parts Diagram John Deere Js40 Carburetor Diagram This diagram provides a detailed. Carburetor is calibrated by the engine manufacturer and should not require any adjustments. Find the parts you need for your john deere js40 mower with our comprehensive parts diagram. The engine diagram highlights the location of the engine, including its various parts and connections. In this series, i go over how i. The battery provides. John Deere Js40 Carburetor Diagram.
From www.amazon.com
Anxingo JS40 Carburetor Replacement for John Deere JA60 John Deere Js40 Carburetor Diagram This diagram provides a detailed. Sections in your operator’s manual are placed in a specific order to help you understand all the safety messages and learn the controls so you. If engine is operated at altitudes above 1829 m (6,000 ft), some. The battery provides electrical energy to power the starter motor and other components. Quickly and easily identify the. John Deere Js40 Carburetor Diagram.
From www.ebay.com
Carburetor For John Deere JS40 WalkBehind Mower 190cc 7.0hp engine John Deere Js40 Carburetor Diagram This diagram provides a detailed. Carburetor is calibrated by the engine manufacturer and should not require any adjustments. Sections in your operator’s manual are placed in a specific order to help you understand all the safety messages and learn the controls so you. In this series, i go over how i. The engine diagram highlights the location of the engine,. John Deere Js40 Carburetor Diagram.
From archivejohn.com
Exploring the Inner Workings of the John Deere JS40 Carburetor John Deere Js40 Carburetor Diagram Quickly and easily identify the right part for your machine and get your mower running smoothly again. It sat in the previous owner's garage for quite some time. This diagram provides a detailed. In this series, i go over how i. The battery provides electrical energy to power the starter motor and other components. The engine diagram highlights the location. John Deere Js40 Carburetor Diagram.
From galvinconanstuart.blogspot.com
John Deere Js40 Parts Diagram General Wiring Diagram John Deere Js40 Carburetor Diagram It sat in the previous owner's garage for quite some time. In this series, i go over how i. Explore the detailed carburetor diagram for john deere js40 lawnmower, to help you understand its components and optimize its performance. Carburetor is calibrated by the engine manufacturer and should not require any adjustments. The engine diagram highlights the location of the. John Deere Js40 Carburetor Diagram.
From www.oceanproperty.co.th
Js40 Parts Diagram Clearance Vintage www.oceanproperty.co.th John Deere Js40 Carburetor Diagram Quickly and easily identify the right part for your machine and get your mower running smoothly again. Find the parts you need for your john deere js40 mower with our comprehensive parts diagram. If engine is operated at altitudes above 1829 m (6,000 ft), some. Explore the detailed carburetor diagram for john deere js40 lawnmower, to help you understand its. John Deere Js40 Carburetor Diagram.
From archivejohn.com
Exploring the Inner Workings of the John Deere JS40 Carburetor John Deere Js40 Carburetor Diagram The battery provides electrical energy to power the starter motor and other components. If engine is operated at altitudes above 1829 m (6,000 ft), some. The engine diagram highlights the location of the engine, including its various parts and connections. Find the parts you need for your john deere js40 mower with our comprehensive parts diagram. Carburetor is calibrated by. John Deere Js40 Carburetor Diagram.
From filtermegabest.web.fc2.com
John Deere Js40 Engine Service Manual John Deere Js40 Carburetor Diagram It sat in the previous owner's garage for quite some time. Carburetor is calibrated by the engine manufacturer and should not require any adjustments. The battery provides electrical energy to power the starter motor and other components. This diagram provides a detailed. If engine is operated at altitudes above 1829 m (6,000 ft), some. Explore the detailed carburetor diagram for. John Deere Js40 Carburetor Diagram.