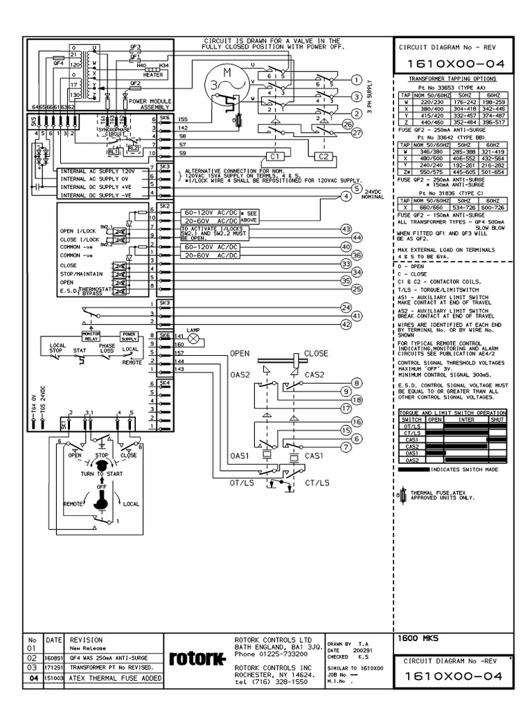
Rotork Wiring Diagram 1410-40 . A rotork actuator wiring diagram is a crucial tool for electrical engineers and technicians who work with rotork actuators. The rotork valve actuator wiring diagram is a schematic representation of the electrical connections and components. This manual is produced to enable a competent user to install, operate, adjust, inspect, and maintain rotork fluid systems gp range.
from www.chanish.org
The rotork valve actuator wiring diagram is a schematic representation of the electrical connections and components. This manual is produced to enable a competent user to install, operate, adjust, inspect, and maintain rotork fluid systems gp range. A rotork actuator wiring diagram is a crucial tool for electrical engineers and technicians who work with rotork actuators.
Rotork Actuator Wiring Diagram
Rotork Wiring Diagram 1410-40 A rotork actuator wiring diagram is a crucial tool for electrical engineers and technicians who work with rotork actuators. A rotork actuator wiring diagram is a crucial tool for electrical engineers and technicians who work with rotork actuators. This manual is produced to enable a competent user to install, operate, adjust, inspect, and maintain rotork fluid systems gp range. The rotork valve actuator wiring diagram is a schematic representation of the electrical connections and components.
From wiringdiagram.2bitboer.com
Rotork A Range Actuator Wiring Diagram Wiring Diagram Rotork Wiring Diagram 1410-40 A rotork actuator wiring diagram is a crucial tool for electrical engineers and technicians who work with rotork actuators. This manual is produced to enable a competent user to install, operate, adjust, inspect, and maintain rotork fluid systems gp range. The rotork valve actuator wiring diagram is a schematic representation of the electrical connections and components. Rotork Wiring Diagram 1410-40.
From wiringdiagram.2bitboer.com
Rotork Wiring Diagram 200 000 Wiring Diagram Rotork Wiring Diagram 1410-40 A rotork actuator wiring diagram is a crucial tool for electrical engineers and technicians who work with rotork actuators. This manual is produced to enable a competent user to install, operate, adjust, inspect, and maintain rotork fluid systems gp range. The rotork valve actuator wiring diagram is a schematic representation of the electrical connections and components. Rotork Wiring Diagram 1410-40.
From blog.naver.com
Mov Rotork Local/Remote Wiring Dwg A serial 대산석유화학단지,대산공단 계장 산업용 FA 컴퓨터 Rotork Wiring Diagram 1410-40 A rotork actuator wiring diagram is a crucial tool for electrical engineers and technicians who work with rotork actuators. The rotork valve actuator wiring diagram is a schematic representation of the electrical connections and components. This manual is produced to enable a competent user to install, operate, adjust, inspect, and maintain rotork fluid systems gp range. Rotork Wiring Diagram 1410-40.
From resolutionsforyou.com
Demystifying Rotork Valve Wiring A Comprehensive Diagram Guide Rotork Wiring Diagram 1410-40 A rotork actuator wiring diagram is a crucial tool for electrical engineers and technicians who work with rotork actuators. This manual is produced to enable a competent user to install, operate, adjust, inspect, and maintain rotork fluid systems gp range. The rotork valve actuator wiring diagram is a schematic representation of the electrical connections and components. Rotork Wiring Diagram 1410-40.
From www.scribd.com
Rotork Wiring Diagram PDF Rotork Wiring Diagram 1410-40 This manual is produced to enable a competent user to install, operate, adjust, inspect, and maintain rotork fluid systems gp range. The rotork valve actuator wiring diagram is a schematic representation of the electrical connections and components. A rotork actuator wiring diagram is a crucial tool for electrical engineers and technicians who work with rotork actuators. Rotork Wiring Diagram 1410-40.
From resolutionsforyou.com
Rotork valve wiring diagram Rotork Wiring Diagram 1410-40 The rotork valve actuator wiring diagram is a schematic representation of the electrical connections and components. This manual is produced to enable a competent user to install, operate, adjust, inspect, and maintain rotork fluid systems gp range. A rotork actuator wiring diagram is a crucial tool for electrical engineers and technicians who work with rotork actuators. Rotork Wiring Diagram 1410-40.
From www.autocardesign.org
Rotork Iq3 Wiring Diagram autocardesign Rotork Wiring Diagram 1410-40 A rotork actuator wiring diagram is a crucial tool for electrical engineers and technicians who work with rotork actuators. This manual is produced to enable a competent user to install, operate, adjust, inspect, and maintain rotork fluid systems gp range. The rotork valve actuator wiring diagram is a schematic representation of the electrical connections and components. Rotork Wiring Diagram 1410-40.
From www.scribd.com
Rotork PDF Rotork Wiring Diagram 1410-40 A rotork actuator wiring diagram is a crucial tool for electrical engineers and technicians who work with rotork actuators. The rotork valve actuator wiring diagram is a schematic representation of the electrical connections and components. This manual is produced to enable a competent user to install, operate, adjust, inspect, and maintain rotork fluid systems gp range. Rotork Wiring Diagram 1410-40.
From www.pinterest.com
Elegant Rotork Wiring Diagram Electrical wiring diagram, Electrical Rotork Wiring Diagram 1410-40 This manual is produced to enable a competent user to install, operate, adjust, inspect, and maintain rotork fluid systems gp range. A rotork actuator wiring diagram is a crucial tool for electrical engineers and technicians who work with rotork actuators. The rotork valve actuator wiring diagram is a schematic representation of the electrical connections and components. Rotork Wiring Diagram 1410-40.
From www.176iot.com
Wiring Diagram For School Bus IOT Wiring Diagram Rotork Wiring Diagram 1410-40 A rotork actuator wiring diagram is a crucial tool for electrical engineers and technicians who work with rotork actuators. The rotork valve actuator wiring diagram is a schematic representation of the electrical connections and components. This manual is produced to enable a competent user to install, operate, adjust, inspect, and maintain rotork fluid systems gp range. Rotork Wiring Diagram 1410-40.
From techschems.com
The Complete Guide to Understanding Rotork Wiring Diagram 100b00006 Rotork Wiring Diagram 1410-40 A rotork actuator wiring diagram is a crucial tool for electrical engineers and technicians who work with rotork actuators. This manual is produced to enable a competent user to install, operate, adjust, inspect, and maintain rotork fluid systems gp range. The rotork valve actuator wiring diagram is a schematic representation of the electrical connections and components. Rotork Wiring Diagram 1410-40.
From mavink.com
Rotork Schematic Rotork Wiring Diagram 1410-40 The rotork valve actuator wiring diagram is a schematic representation of the electrical connections and components. A rotork actuator wiring diagram is a crucial tool for electrical engineers and technicians who work with rotork actuators. This manual is produced to enable a competent user to install, operate, adjust, inspect, and maintain rotork fluid systems gp range. Rotork Wiring Diagram 1410-40.
From www.youtube.com
Rotork Actuator Drawing Rotork Actuator Wiring Diagram Rotork Rotork Wiring Diagram 1410-40 The rotork valve actuator wiring diagram is a schematic representation of the electrical connections and components. A rotork actuator wiring diagram is a crucial tool for electrical engineers and technicians who work with rotork actuators. This manual is produced to enable a competent user to install, operate, adjust, inspect, and maintain rotork fluid systems gp range. Rotork Wiring Diagram 1410-40.
From www.scribd.com
ROTORK WIRING DIAGRAM Pub00201700 0309 PDF Power Supply Actuator Rotork Wiring Diagram 1410-40 This manual is produced to enable a competent user to install, operate, adjust, inspect, and maintain rotork fluid systems gp range. A rotork actuator wiring diagram is a crucial tool for electrical engineers and technicians who work with rotork actuators. The rotork valve actuator wiring diagram is a schematic representation of the electrical connections and components. Rotork Wiring Diagram 1410-40.
From faceitsalon.com
Eim Actuator Wiring Diagram Sample Wiring Diagram Sample Rotork Wiring Diagram 1410-40 This manual is produced to enable a competent user to install, operate, adjust, inspect, and maintain rotork fluid systems gp range. The rotork valve actuator wiring diagram is a schematic representation of the electrical connections and components. A rotork actuator wiring diagram is a crucial tool for electrical engineers and technicians who work with rotork actuators. Rotork Wiring Diagram 1410-40.
From www.autocardesign.org
Rotork Iq Wiring Diagram autocardesign Rotork Wiring Diagram 1410-40 The rotork valve actuator wiring diagram is a schematic representation of the electrical connections and components. This manual is produced to enable a competent user to install, operate, adjust, inspect, and maintain rotork fluid systems gp range. A rotork actuator wiring diagram is a crucial tool for electrical engineers and technicians who work with rotork actuators. Rotork Wiring Diagram 1410-40.
From resolutionsforyou.com
Rotork valve wiring diagram Rotork Wiring Diagram 1410-40 This manual is produced to enable a competent user to install, operate, adjust, inspect, and maintain rotork fluid systems gp range. The rotork valve actuator wiring diagram is a schematic representation of the electrical connections and components. A rotork actuator wiring diagram is a crucial tool for electrical engineers and technicians who work with rotork actuators. Rotork Wiring Diagram 1410-40.
From wiring.hpricorpcom.com
Rotork Wiring Diagram Iq3 Wiring Diagram and Schematic Rotork Wiring Diagram 1410-40 A rotork actuator wiring diagram is a crucial tool for electrical engineers and technicians who work with rotork actuators. This manual is produced to enable a competent user to install, operate, adjust, inspect, and maintain rotork fluid systems gp range. The rotork valve actuator wiring diagram is a schematic representation of the electrical connections and components. Rotork Wiring Diagram 1410-40.
From www.scribd.com
600000003 Rotork Wiring Diagram 1410-40 A rotork actuator wiring diagram is a crucial tool for electrical engineers and technicians who work with rotork actuators. The rotork valve actuator wiring diagram is a schematic representation of the electrical connections and components. This manual is produced to enable a competent user to install, operate, adjust, inspect, and maintain rotork fluid systems gp range. Rotork Wiring Diagram 1410-40.
From www.chanish.org
Rotork Actuator Wiring Diagram Rotork Wiring Diagram 1410-40 A rotork actuator wiring diagram is a crucial tool for electrical engineers and technicians who work with rotork actuators. This manual is produced to enable a competent user to install, operate, adjust, inspect, and maintain rotork fluid systems gp range. The rotork valve actuator wiring diagram is a schematic representation of the electrical connections and components. Rotork Wiring Diagram 1410-40.
From wiringdiagram.2bitboer.com
rotork electric actuator wiring diagram Wiring Diagram Rotork Wiring Diagram 1410-40 The rotork valve actuator wiring diagram is a schematic representation of the electrical connections and components. A rotork actuator wiring diagram is a crucial tool for electrical engineers and technicians who work with rotork actuators. This manual is produced to enable a competent user to install, operate, adjust, inspect, and maintain rotork fluid systems gp range. Rotork Wiring Diagram 1410-40.
From www.vrogue.co
15 Rotork Wiring Diagram Background Switch vrogue.co Rotork Wiring Diagram 1410-40 A rotork actuator wiring diagram is a crucial tool for electrical engineers and technicians who work with rotork actuators. The rotork valve actuator wiring diagram is a schematic representation of the electrical connections and components. This manual is produced to enable a competent user to install, operate, adjust, inspect, and maintain rotork fluid systems gp range. Rotork Wiring Diagram 1410-40.
From esquilo.io
Rotork Valve Wiring Diagram Esquilo.io Rotork Wiring Diagram 1410-40 The rotork valve actuator wiring diagram is a schematic representation of the electrical connections and components. This manual is produced to enable a competent user to install, operate, adjust, inspect, and maintain rotork fluid systems gp range. A rotork actuator wiring diagram is a crucial tool for electrical engineers and technicians who work with rotork actuators. Rotork Wiring Diagram 1410-40.
From stewart-switch.com
Rotork Actuator Wiring Diagram Rotork Wiring Diagram 1410-40 This manual is produced to enable a competent user to install, operate, adjust, inspect, and maintain rotork fluid systems gp range. A rotork actuator wiring diagram is a crucial tool for electrical engineers and technicians who work with rotork actuators. The rotork valve actuator wiring diagram is a schematic representation of the electrical connections and components. Rotork Wiring Diagram 1410-40.
From wiringdiagram.2bitboer.com
Rotork Motorised Valve Wiring Diagram Wiring Diagram Rotork Wiring Diagram 1410-40 This manual is produced to enable a competent user to install, operate, adjust, inspect, and maintain rotork fluid systems gp range. The rotork valve actuator wiring diagram is a schematic representation of the electrical connections and components. A rotork actuator wiring diagram is a crucial tool for electrical engineers and technicians who work with rotork actuators. Rotork Wiring Diagram 1410-40.
From diagramweb.net
Rotork Mov Wiring Diagram Rotork Wiring Diagram 1410-40 A rotork actuator wiring diagram is a crucial tool for electrical engineers and technicians who work with rotork actuators. This manual is produced to enable a competent user to install, operate, adjust, inspect, and maintain rotork fluid systems gp range. The rotork valve actuator wiring diagram is a schematic representation of the electrical connections and components. Rotork Wiring Diagram 1410-40.
From earthful.blogspot.com
Rotork Iq Wiring Diagram Earthful Rotork Wiring Diagram 1410-40 This manual is produced to enable a competent user to install, operate, adjust, inspect, and maintain rotork fluid systems gp range. The rotork valve actuator wiring diagram is a schematic representation of the electrical connections and components. A rotork actuator wiring diagram is a crucial tool for electrical engineers and technicians who work with rotork actuators. Rotork Wiring Diagram 1410-40.
From wiringdiagram.2bitboer.com
Rotork Mov Wiring Diagram Pdf Wiring Diagram Rotork Wiring Diagram 1410-40 This manual is produced to enable a competent user to install, operate, adjust, inspect, and maintain rotork fluid systems gp range. The rotork valve actuator wiring diagram is a schematic representation of the electrical connections and components. A rotork actuator wiring diagram is a crucial tool for electrical engineers and technicians who work with rotork actuators. Rotork Wiring Diagram 1410-40.
From sleekist.blogspot.com
Rotork Wiring Diagram 300b0000 6 Sleekist Rotork Wiring Diagram 1410-40 This manual is produced to enable a competent user to install, operate, adjust, inspect, and maintain rotork fluid systems gp range. A rotork actuator wiring diagram is a crucial tool for electrical engineers and technicians who work with rotork actuators. The rotork valve actuator wiring diagram is a schematic representation of the electrical connections and components. Rotork Wiring Diagram 1410-40.
From www.vrogue.co
Rotork Actuator Iq 35 Wiring Diagram Search Best 4k W vrogue.co Rotork Wiring Diagram 1410-40 The rotork valve actuator wiring diagram is a schematic representation of the electrical connections and components. This manual is produced to enable a competent user to install, operate, adjust, inspect, and maintain rotork fluid systems gp range. A rotork actuator wiring diagram is a crucial tool for electrical engineers and technicians who work with rotork actuators. Rotork Wiring Diagram 1410-40.
From www.youtube.com
Rotork Actuator Control wiring with Drawing Rotork Actuator Wiring Rotork Wiring Diagram 1410-40 The rotork valve actuator wiring diagram is a schematic representation of the electrical connections and components. A rotork actuator wiring diagram is a crucial tool for electrical engineers and technicians who work with rotork actuators. This manual is produced to enable a competent user to install, operate, adjust, inspect, and maintain rotork fluid systems gp range. Rotork Wiring Diagram 1410-40.
From diagrampartoctogynous.z21.web.core.windows.net
Rotork Valve Actuator Wiring Diagram Rotork Wiring Diagram 1410-40 The rotork valve actuator wiring diagram is a schematic representation of the electrical connections and components. This manual is produced to enable a competent user to install, operate, adjust, inspect, and maintain rotork fluid systems gp range. A rotork actuator wiring diagram is a crucial tool for electrical engineers and technicians who work with rotork actuators. Rotork Wiring Diagram 1410-40.
From stewart-switch.com
Rotork Actuator Wiring Diagram Rotork Wiring Diagram 1410-40 A rotork actuator wiring diagram is a crucial tool for electrical engineers and technicians who work with rotork actuators. This manual is produced to enable a competent user to install, operate, adjust, inspect, and maintain rotork fluid systems gp range. The rotork valve actuator wiring diagram is a schematic representation of the electrical connections and components. Rotork Wiring Diagram 1410-40.
From wiringdiagram.2bitboer.com
Rotork Iq Actuator Wiring Diagram Wiring Diagram Rotork Wiring Diagram 1410-40 This manual is produced to enable a competent user to install, operate, adjust, inspect, and maintain rotork fluid systems gp range. A rotork actuator wiring diagram is a crucial tool for electrical engineers and technicians who work with rotork actuators. The rotork valve actuator wiring diagram is a schematic representation of the electrical connections and components. Rotork Wiring Diagram 1410-40.
From diagramweb.net
Rotork Actuator Wiring Diagram Rotork Wiring Diagram 1410-40 A rotork actuator wiring diagram is a crucial tool for electrical engineers and technicians who work with rotork actuators. The rotork valve actuator wiring diagram is a schematic representation of the electrical connections and components. This manual is produced to enable a competent user to install, operate, adjust, inspect, and maintain rotork fluid systems gp range. Rotork Wiring Diagram 1410-40.