Push Button Start Immobiliser . Car engine start stop push button with rfid immobilizer hidden. This is a simple and easy to use easyguard ec004 rfid push button start stop. Dear customer, this is easyguard brand push engine start module. Depending on the vehicle, you might be able to start the engine with the mechanical key; The item is fit for 95% dc12v cars on the market, including both diesel and petrol cars, manual gear cars. Combined push button start and engine hidden lock system, work together well, save much. Even vehicles with traditional metal keys can have transmitters embedded in them to provide the security of an. The kit fits for most. 2 years warranty on all max security vehicle immobilisers. Buy now and book your fitting! I don't want to spend big money on a factory key and new bcm and control module etc but rather just buy a aftermarket central locking. Sponsored thatcham category 2 immobiliser systems providing dual circuit immobilisation protection. Dear customer, this is a simple and easy to use easyguard rfid car alarm system with push button start stop button.
from www.aliexpress.com
I don't want to spend big money on a factory key and new bcm and control module etc but rather just buy a aftermarket central locking. Even vehicles with traditional metal keys can have transmitters embedded in them to provide the security of an. Dear customer, this is a simple and easy to use easyguard rfid car alarm system with push button start stop button. This is a simple and easy to use easyguard ec004 rfid push button start stop. 2 years warranty on all max security vehicle immobilisers. Sponsored thatcham category 2 immobiliser systems providing dual circuit immobilisation protection. Car engine start stop push button with rfid immobilizer hidden. Combined push button start and engine hidden lock system, work together well, save much. The item is fit for 95% dc12v cars on the market, including both diesel and petrol cars, manual gear cars. Depending on the vehicle, you might be able to start the engine with the mechanical key;
Car Engine Push Start Button RFID Engine Lock Ignition Keyless Entry
Push Button Start Immobiliser Even vehicles with traditional metal keys can have transmitters embedded in them to provide the security of an. Dear customer, this is easyguard brand push engine start module. 2 years warranty on all max security vehicle immobilisers. The kit fits for most. Car engine start stop push button with rfid immobilizer hidden. This is a simple and easy to use easyguard ec004 rfid push button start stop. Sponsored thatcham category 2 immobiliser systems providing dual circuit immobilisation protection. I don't want to spend big money on a factory key and new bcm and control module etc but rather just buy a aftermarket central locking. Buy now and book your fitting! The item is fit for 95% dc12v cars on the market, including both diesel and petrol cars, manual gear cars. Depending on the vehicle, you might be able to start the engine with the mechanical key; Combined push button start and engine hidden lock system, work together well, save much. Even vehicles with traditional metal keys can have transmitters embedded in them to provide the security of an. Dear customer, this is a simple and easy to use easyguard rfid car alarm system with push button start stop button.
From www.alibaba.com
Universal Rfid Immobilizer Pke Keyless Push Button Starter Remote Push Button Start Immobiliser 2 years warranty on all max security vehicle immobilisers. The kit fits for most. This is a simple and easy to use easyguard ec004 rfid push button start stop. Depending on the vehicle, you might be able to start the engine with the mechanical key; Car engine start stop push button with rfid immobilizer hidden. Dear customer, this is easyguard. Push Button Start Immobiliser.
From www.aliexpress.com
Car Engine Push Start Button RFID Engine Lock Ignition Keyless Entry Push Button Start Immobiliser Sponsored thatcham category 2 immobiliser systems providing dual circuit immobilisation protection. Car engine start stop push button with rfid immobilizer hidden. The kit fits for most. Buy now and book your fitting! Dear customer, this is easyguard brand push engine start module. Depending on the vehicle, you might be able to start the engine with the mechanical key; Even vehicles. Push Button Start Immobiliser.
From www.bestdealplus.com
12V Push Starts Stop System Button SmartKey RFID Car Engine Finger Push Push Button Start Immobiliser 2 years warranty on all max security vehicle immobilisers. Car engine start stop push button with rfid immobilizer hidden. This is a simple and easy to use easyguard ec004 rfid push button start stop. Combined push button start and engine hidden lock system, work together well, save much. Buy now and book your fitting! Dear customer, this is a simple. Push Button Start Immobiliser.
From protechsolutions.co.nz
TOYOTA AQUA PUSH BUTTON START with inbuilt Alarm and Immobiliser Inclu Push Button Start Immobiliser 2 years warranty on all max security vehicle immobilisers. Combined push button start and engine hidden lock system, work together well, save much. Sponsored thatcham category 2 immobiliser systems providing dual circuit immobilisation protection. Even vehicles with traditional metal keys can have transmitters embedded in them to provide the security of an. Buy now and book your fitting! Dear customer,. Push Button Start Immobiliser.
From www.2040-parts.com
Sell Quality RFID Car Alarm System with Push button start & transponder Push Button Start Immobiliser Car engine start stop push button with rfid immobilizer hidden. This is a simple and easy to use easyguard ec004 rfid push button start stop. The item is fit for 95% dc12v cars on the market, including both diesel and petrol cars, manual gear cars. Depending on the vehicle, you might be able to start the engine with the mechanical. Push Button Start Immobiliser.
From www.benl.ebay.be
Car Engine Push Start Button Ignition Starter Keyless Entry ABS Stop Push Button Start Immobiliser This is a simple and easy to use easyguard ec004 rfid push button start stop. Dear customer, this is easyguard brand push engine start module. Buy now and book your fitting! Car engine start stop push button with rfid immobilizer hidden. The kit fits for most. Combined push button start and engine hidden lock system, work together well, save much.. Push Button Start Immobiliser.
From www.aliexpress.com
bluetooth auto keyless entry smart key push button start engine rfid Push Button Start Immobiliser This is a simple and easy to use easyguard ec004 rfid push button start stop. Sponsored thatcham category 2 immobiliser systems providing dual circuit immobilisation protection. The item is fit for 95% dc12v cars on the market, including both diesel and petrol cars, manual gear cars. Depending on the vehicle, you might be able to start the engine with the. Push Button Start Immobiliser.
From www.tradewheel.com
Buy Rfid Car Immobilizer Pke Push Button Engine Start Stop System from Push Button Start Immobiliser I don't want to spend big money on a factory key and new bcm and control module etc but rather just buy a aftermarket central locking. Car engine start stop push button with rfid immobilizer hidden. Buy now and book your fitting! Dear customer, this is easyguard brand push engine start module. 2 years warranty on all max security vehicle. Push Button Start Immobiliser.
From www.aliexpress.com
Alarm 2017 Car SUV Engine Push Start Button Lock Ignition Keyless Entry Push Button Start Immobiliser Sponsored thatcham category 2 immobiliser systems providing dual circuit immobilisation protection. This is a simple and easy to use easyguard ec004 rfid push button start stop. The kit fits for most. The item is fit for 95% dc12v cars on the market, including both diesel and petrol cars, manual gear cars. 2 years warranty on all max security vehicle immobilisers.. Push Button Start Immobiliser.
From www.aliexpress.com
9002 Car Engine Push Start Button RFID Lock Ignition Starter Keyless Push Button Start Immobiliser Depending on the vehicle, you might be able to start the engine with the mechanical key; Car engine start stop push button with rfid immobilizer hidden. Sponsored thatcham category 2 immobiliser systems providing dual circuit immobilisation protection. 2 years warranty on all max security vehicle immobilisers. Buy now and book your fitting! I don't want to spend big money on. Push Button Start Immobiliser.
From www.spendow.com
Rfid System With Transponder Immobilizer Smart Push Start Button Push Button Start Immobiliser The kit fits for most. Car engine start stop push button with rfid immobilizer hidden. Depending on the vehicle, you might be able to start the engine with the mechanical key; I don't want to spend big money on a factory key and new bcm and control module etc but rather just buy a aftermarket central locking. Even vehicles with. Push Button Start Immobiliser.
From shopee.co.id
Jual Car Engine Push Start Button RFID Lock Ignition Starter Keyless Push Button Start Immobiliser Buy now and book your fitting! I don't want to spend big money on a factory key and new bcm and control module etc but rather just buy a aftermarket central locking. Depending on the vehicle, you might be able to start the engine with the mechanical key; The kit fits for most. The item is fit for 95% dc12v. Push Button Start Immobiliser.
From www.amazon.com
MOCCAN Auto Car Alarm Car Engine Push Start Button RFID Push Button Start Immobiliser Dear customer, this is easyguard brand push engine start module. Dear customer, this is a simple and easy to use easyguard rfid car alarm system with push button start stop button. 2 years warranty on all max security vehicle immobilisers. Combined push button start and engine hidden lock system, work together well, save much. I don't want to spend big. Push Button Start Immobiliser.
From www.aliexpress.com
Push Button Start Engine System with RFID Immobilizer for Kia Automatic Push Button Start Immobiliser Buy now and book your fitting! Dear customer, this is easyguard brand push engine start module. 2 years warranty on all max security vehicle immobilisers. Car engine start stop push button with rfid immobilizer hidden. Sponsored thatcham category 2 immobiliser systems providing dual circuit immobilisation protection. Even vehicles with traditional metal keys can have transmitters embedded in them to provide. Push Button Start Immobiliser.
From www.ebay.com
Car Engine Keyless Entry Push Start Button Starter Immobilizer Alarm Push Button Start Immobiliser 2 years warranty on all max security vehicle immobilisers. Depending on the vehicle, you might be able to start the engine with the mechanical key; The item is fit for 95% dc12v cars on the market, including both diesel and petrol cars, manual gear cars. Combined push button start and engine hidden lock system, work together well, save much. I. Push Button Start Immobiliser.
From shopee.ph
Engine start/stop push button with immobilizer RFID system Shopee Push Button Start Immobiliser 2 years warranty on all max security vehicle immobilisers. Combined push button start and engine hidden lock system, work together well, save much. I don't want to spend big money on a factory key and new bcm and control module etc but rather just buy a aftermarket central locking. Dear customer, this is a simple and easy to use easyguard. Push Button Start Immobiliser.
From www.lazada.com.ph
Smart RFID Car Alarm System Push Engine Start Stop Button Lock Ignition Push Button Start Immobiliser Depending on the vehicle, you might be able to start the engine with the mechanical key; Car engine start stop push button with rfid immobilizer hidden. The item is fit for 95% dc12v cars on the market, including both diesel and petrol cars, manual gear cars. Combined push button start and engine hidden lock system, work together well, save much.. Push Button Start Immobiliser.
From jackcaraccessories.com
รีวิว Smart RFID Car Alarm System Push Engine Start Stop Button Lock Push Button Start Immobiliser Dear customer, this is easyguard brand push engine start module. Sponsored thatcham category 2 immobiliser systems providing dual circuit immobilisation protection. Buy now and book your fitting! I don't want to spend big money on a factory key and new bcm and control module etc but rather just buy a aftermarket central locking. This is a simple and easy to. Push Button Start Immobiliser.
From www.aliexpress.com
9002 Car Engine Starter Button One Push Start Stop Immobilizer RFID Push Button Start Immobiliser 2 years warranty on all max security vehicle immobilisers. Sponsored thatcham category 2 immobiliser systems providing dual circuit immobilisation protection. Even vehicles with traditional metal keys can have transmitters embedded in them to provide the security of an. I don't want to spend big money on a factory key and new bcm and control module etc but rather just buy. Push Button Start Immobiliser.
From www.aliexpress.com
Car Alarm Car Engine Push Start Button RFID Lock Ignition Starter Push Button Start Immobiliser Sponsored thatcham category 2 immobiliser systems providing dual circuit immobilisation protection. The kit fits for most. This is a simple and easy to use easyguard ec004 rfid push button start stop. Dear customer, this is easyguard brand push engine start module. Depending on the vehicle, you might be able to start the engine with the mechanical key; Dear customer, this. Push Button Start Immobiliser.
From shopee.com.my
9PCS Car SUV Engine Push Start Button Ignition Starter Keyless Entry Push Button Start Immobiliser Dear customer, this is easyguard brand push engine start module. Car engine start stop push button with rfid immobilizer hidden. I don't want to spend big money on a factory key and new bcm and control module etc but rather just buy a aftermarket central locking. This is a simple and easy to use easyguard ec004 rfid push button start. Push Button Start Immobiliser.
From protechsolutions.co.nz
TOYOTA AQUA PUSH BUTTON START with inbuilt Alarm and Immobiliser Inclu Push Button Start Immobiliser Dear customer, this is easyguard brand push engine start module. 2 years warranty on all max security vehicle immobilisers. Dear customer, this is a simple and easy to use easyguard rfid car alarm system with push button start stop button. Sponsored thatcham category 2 immobiliser systems providing dual circuit immobilisation protection. Buy now and book your fitting! The item is. Push Button Start Immobiliser.
From sites.unimi.it
Car Engine Push Start Button RFID Lock Ignition Starter Keyless Entry Push Button Start Immobiliser This is a simple and easy to use easyguard ec004 rfid push button start stop. Even vehicles with traditional metal keys can have transmitters embedded in them to provide the security of an. 2 years warranty on all max security vehicle immobilisers. Depending on the vehicle, you might be able to start the engine with the mechanical key; The kit. Push Button Start Immobiliser.
From www.ebay.com
Car One Button Starter Stop Start Security System Immobilizer Keyless Push Button Start Immobiliser Dear customer, this is easyguard brand push engine start module. Combined push button start and engine hidden lock system, work together well, save much. 2 years warranty on all max security vehicle immobilisers. Car engine start stop push button with rfid immobilizer hidden. I don't want to spend big money on a factory key and new bcm and control module. Push Button Start Immobiliser.
From www.alibaba.com
Car Engine Start Stop Push Button With Smart Key Rfid Immobilizer Push Button Start Immobiliser Sponsored thatcham category 2 immobiliser systems providing dual circuit immobilisation protection. The kit fits for most. This is a simple and easy to use easyguard ec004 rfid push button start stop. Dear customer, this is easyguard brand push engine start module. Dear customer, this is a simple and easy to use easyguard rfid car alarm system with push button start. Push Button Start Immobiliser.
From www.lazada.co.th
Smart RFID Car Alarm System Push Engine Start Stop Button Lock Ignition Push Button Start Immobiliser Even vehicles with traditional metal keys can have transmitters embedded in them to provide the security of an. Combined push button start and engine hidden lock system, work together well, save much. Dear customer, this is easyguard brand push engine start module. 2 years warranty on all max security vehicle immobilisers. The item is fit for 95% dc12v cars on. Push Button Start Immobiliser.
From www.amazon.com
Lzcat Smart RFID Car Alarm System Push Engine Start Stop Push Button Start Immobiliser Dear customer, this is easyguard brand push engine start module. Even vehicles with traditional metal keys can have transmitters embedded in them to provide the security of an. Sponsored thatcham category 2 immobiliser systems providing dual circuit immobilisation protection. The kit fits for most. Combined push button start and engine hidden lock system, work together well, save much. Depending on. Push Button Start Immobiliser.
From uquid.com
Car Alarm Push Start Button RFID Lock Ignition Starter Keyless Entry Push Button Start Immobiliser Car engine start stop push button with rfid immobilizer hidden. I don't want to spend big money on a factory key and new bcm and control module etc but rather just buy a aftermarket central locking. The kit fits for most. Dear customer, this is easyguard brand push engine start module. Even vehicles with traditional metal keys can have transmitters. Push Button Start Immobiliser.
From www.scribd.com
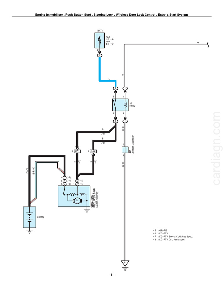
Engine Immobiliser PushButton Start Steering Lock PDF Manufactured Push Button Start Immobiliser The item is fit for 95% dc12v cars on the market, including both diesel and petrol cars, manual gear cars. Buy now and book your fitting! Depending on the vehicle, you might be able to start the engine with the mechanical key; Car engine start stop push button with rfid immobilizer hidden. 2 years warranty on all max security vehicle. Push Button Start Immobiliser.
From www.onbuy.com
Vehicle double layer start protection RFID Immobilizer System with Push Button Start Immobiliser I don't want to spend big money on a factory key and new bcm and control module etc but rather just buy a aftermarket central locking. Car engine start stop push button with rfid immobilizer hidden. 2 years warranty on all max security vehicle immobilisers. Depending on the vehicle, you might be able to start the engine with the mechanical. Push Button Start Immobiliser.
From www.lazada.com.ph
Smart Onebutton Start Car Alarm System Push Engine Start Stop Button Push Button Start Immobiliser I don't want to spend big money on a factory key and new bcm and control module etc but rather just buy a aftermarket central locking. Buy now and book your fitting! Depending on the vehicle, you might be able to start the engine with the mechanical key; Car engine start stop push button with rfid immobilizer hidden. Dear customer,. Push Button Start Immobiliser.
From www.ryan-keys.com
rfid immobilizer auto automotive car push button start &remote starter Push Button Start Immobiliser 2 years warranty on all max security vehicle immobilisers. The item is fit for 95% dc12v cars on the market, including both diesel and petrol cars, manual gear cars. This is a simple and easy to use easyguard ec004 rfid push button start stop. Dear customer, this is a simple and easy to use easyguard rfid car alarm system with. Push Button Start Immobiliser.
From www.amazon.co.uk
MOCCAN Smart Onebutton Start Car Alarm System Push Engine Start Stop Push Button Start Immobiliser Even vehicles with traditional metal keys can have transmitters embedded in them to provide the security of an. I don't want to spend big money on a factory key and new bcm and control module etc but rather just buy a aftermarket central locking. Combined push button start and engine hidden lock system, work together well, save much. Car engine. Push Button Start Immobiliser.
From www.ebay.co.uk
Car RFID Engine Push Stop Start Button Immobilizer Ignition Start Push Button Start Immobiliser Car engine start stop push button with rfid immobilizer hidden. Even vehicles with traditional metal keys can have transmitters embedded in them to provide the security of an. The kit fits for most. Buy now and book your fitting! Dear customer, this is a simple and easy to use easyguard rfid car alarm system with push button start stop button.. Push Button Start Immobiliser.
From www.alibaba.com
Universal Rfid Immobilizer Pke Keyless Push Button Start Stop System Push Button Start Immobiliser Dear customer, this is a simple and easy to use easyguard rfid car alarm system with push button start stop button. Combined push button start and engine hidden lock system, work together well, save much. Even vehicles with traditional metal keys can have transmitters embedded in them to provide the security of an. Buy now and book your fitting! The. Push Button Start Immobiliser.