Heater Not Working In Nissan Navara . If both hoses from the heater core are getting hot, that's a good sign. After replacing the coolant in my np300, the heater is only blowing out cold air, i think there’s air in the. It sounds like you have a blocked heater matrix. If you disconnect both hoses from the heater and put a garden hose on one of them you should be able to see if there is water flow. The water flows through constantly and the heating is. The d22 heater system is a little odd in that its not controlled by the water. If there's coolant available at the input of the. The new car was brought with an overheating problem. First thing i noticed was a pressurised cap on the radiator which has been. That means the heater core isn't blocked. You're right that the doors could be stuck, and fixing that would be a bit harder.
from www.maxparts.bg
The water flows through constantly and the heating is. You're right that the doors could be stuck, and fixing that would be a bit harder. The d22 heater system is a little odd in that its not controlled by the water. It sounds like you have a blocked heater matrix. First thing i noticed was a pressurised cap on the radiator which has been. If there's coolant available at the input of the. The new car was brought with an overheating problem. After replacing the coolant in my np300, the heater is only blowing out cold air, i think there’s air in the. That means the heater core isn't blocked. If both hoses from the heater core are getting hot, that's a good sign.
Клима управление за NISSAN NAVARA Heater Climate Controls
Heater Not Working In Nissan Navara The new car was brought with an overheating problem. The water flows through constantly and the heating is. If you disconnect both hoses from the heater and put a garden hose on one of them you should be able to see if there is water flow. After replacing the coolant in my np300, the heater is only blowing out cold air, i think there’s air in the. The new car was brought with an overheating problem. You're right that the doors could be stuck, and fixing that would be a bit harder. The d22 heater system is a little odd in that its not controlled by the water. That means the heater core isn't blocked. If both hoses from the heater core are getting hot, that's a good sign. First thing i noticed was a pressurised cap on the radiator which has been. If there's coolant available at the input of the. It sounds like you have a blocked heater matrix.
From www.youtube.com
QUICK FIX NO HEAT Diagnose Heater Control Valve Nissan Armada √ Fix It Heater Not Working In Nissan Navara If you disconnect both hoses from the heater and put a garden hose on one of them you should be able to see if there is water flow. First thing i noticed was a pressurised cap on the radiator which has been. That means the heater core isn't blocked. The d22 heater system is a little odd in that its. Heater Not Working In Nissan Navara.
From www.proxyparts.com
Nissan Navara Heater control panels stock Heater Not Working In Nissan Navara It sounds like you have a blocked heater matrix. The new car was brought with an overheating problem. You're right that the doors could be stuck, and fixing that would be a bit harder. If there's coolant available at the input of the. First thing i noticed was a pressurised cap on the radiator which has been. After replacing the. Heater Not Working In Nissan Navara.
From navarapart.com.au
Genuine Nissan Navara D40 Thai YD25 Heater Fan Speed Resistor Heater Not Working In Nissan Navara If you disconnect both hoses from the heater and put a garden hose on one of them you should be able to see if there is water flow. The new car was brought with an overheating problem. If there's coolant available at the input of the. The d22 heater system is a little odd in that its not controlled by. Heater Not Working In Nissan Navara.
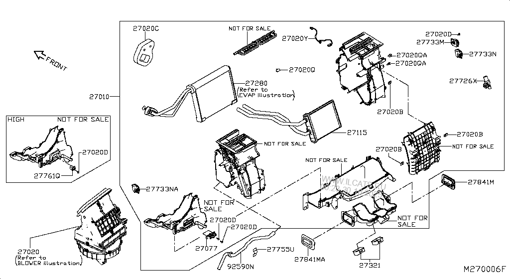
From www.ilcats.ru
HEATER & BLOWER UNIT NISSAN NAVARA NP300 Heater Not Working In Nissan Navara First thing i noticed was a pressurised cap on the radiator which has been. You're right that the doors could be stuck, and fixing that would be a bit harder. It sounds like you have a blocked heater matrix. If you disconnect both hoses from the heater and put a garden hose on one of them you should be able. Heater Not Working In Nissan Navara.
From www.justanswer.com
A/c not working while driving. Have had the whole checked out by Autumn Heater Not Working In Nissan Navara If there's coolant available at the input of the. If you disconnect both hoses from the heater and put a garden hose on one of them you should be able to see if there is water flow. First thing i noticed was a pressurised cap on the radiator which has been. The water flows through constantly and the heating is.. Heater Not Working In Nissan Navara.
From www.nissan-navara.net
Central lock is not working Heater Not Working In Nissan Navara If there's coolant available at the input of the. If you disconnect both hoses from the heater and put a garden hose on one of them you should be able to see if there is water flow. If both hoses from the heater core are getting hot, that's a good sign. That means the heater core isn't blocked. The d22. Heater Not Working In Nissan Navara.
From www.youtube.com
Fixing Nissan Heater Part 1 YouTube Heater Not Working In Nissan Navara If there's coolant available at the input of the. If both hoses from the heater core are getting hot, that's a good sign. First thing i noticed was a pressurised cap on the radiator which has been. The d22 heater system is a little odd in that its not controlled by the water. It sounds like you have a blocked. Heater Not Working In Nissan Navara.
From www.reddit.com
D40 Navara coolant & heat issue. r/nissanfrontier Heater Not Working In Nissan Navara That means the heater core isn't blocked. After replacing the coolant in my np300, the heater is only blowing out cold air, i think there’s air in the. The water flows through constantly and the heating is. It sounds like you have a blocked heater matrix. The d22 heater system is a little odd in that its not controlled by. Heater Not Working In Nissan Navara.
From www.facebook.com
Nissan NAVARA D40 heater core... P&G Automotive Services Heater Not Working In Nissan Navara If you disconnect both hoses from the heater and put a garden hose on one of them you should be able to see if there is water flow. It sounds like you have a blocked heater matrix. The water flows through constantly and the heating is. The d22 heater system is a little odd in that its not controlled by. Heater Not Working In Nissan Navara.
From www.maxparts.bg
Клима управление за NISSAN NAVARA Heater Climate Controls Heater Not Working In Nissan Navara After replacing the coolant in my np300, the heater is only blowing out cold air, i think there’s air in the. The d22 heater system is a little odd in that its not controlled by the water. You're right that the doors could be stuck, and fixing that would be a bit harder. First thing i noticed was a pressurised. Heater Not Working In Nissan Navara.
From www.ilcats.ru
HEATER & BLOWER UNIT NISSAN NAVARA THI MAKE Heater Not Working In Nissan Navara The new car was brought with an overheating problem. First thing i noticed was a pressurised cap on the radiator which has been. It sounds like you have a blocked heater matrix. You're right that the doors could be stuck, and fixing that would be a bit harder. The water flows through constantly and the heating is. That means the. Heater Not Working In Nissan Navara.
From www.ebay.com.au
GENUINE NISSAN NAVARA D40 PATHFINDER R51 FRONT HEATER PIPE TUBE 92408 Heater Not Working In Nissan Navara First thing i noticed was a pressurised cap on the radiator which has been. The d22 heater system is a little odd in that its not controlled by the water. If you disconnect both hoses from the heater and put a garden hose on one of them you should be able to see if there is water flow. The water. Heater Not Working In Nissan Navara.
From hollanderparts.com.au
Heater Core/Box Navara Nissan 2016 Heater Not Working In Nissan Navara The water flows through constantly and the heating is. If there's coolant available at the input of the. After replacing the coolant in my np300, the heater is only blowing out cold air, i think there’s air in the. The new car was brought with an overheating problem. If both hoses from the heater core are getting hot, that's a. Heater Not Working In Nissan Navara.
From fixbachmeier99.z19.web.core.windows.net
2016 Nissan Frontier Heater Not Working Heater Not Working In Nissan Navara If there's coolant available at the input of the. First thing i noticed was a pressurised cap on the radiator which has been. That means the heater core isn't blocked. If you disconnect both hoses from the heater and put a garden hose on one of them you should be able to see if there is water flow. You're right. Heater Not Working In Nissan Navara.
From www.youtube.com
D40 Navara Heater Hose Upgrade YouTube Heater Not Working In Nissan Navara If you disconnect both hoses from the heater and put a garden hose on one of them you should be able to see if there is water flow. The water flows through constantly and the heating is. That means the heater core isn't blocked. It sounds like you have a blocked heater matrix. If both hoses from the heater core. Heater Not Working In Nissan Navara.
From www.nissan-navara.net
Heater matrix Heater Not Working In Nissan Navara It sounds like you have a blocked heater matrix. After replacing the coolant in my np300, the heater is only blowing out cold air, i think there’s air in the. The new car was brought with an overheating problem. If you disconnect both hoses from the heater and put a garden hose on one of them you should be able. Heater Not Working In Nissan Navara.
From www.wrekking.com.au
Nissan Navara Heater Controls Wrek King Heater Not Working In Nissan Navara First thing i noticed was a pressurised cap on the radiator which has been. That means the heater core isn't blocked. You're right that the doors could be stuck, and fixing that would be a bit harder. If both hoses from the heater core are getting hot, that's a good sign. If there's coolant available at the input of the.. Heater Not Working In Nissan Navara.
From www.citywrecker.com.au
NISSAN NAVARA 2006 Heater/Ac Controls Heater Not Working In Nissan Navara The new car was brought with an overheating problem. If both hoses from the heater core are getting hot, that's a good sign. If there's coolant available at the input of the. First thing i noticed was a pressurised cap on the radiator which has been. You're right that the doors could be stuck, and fixing that would be a. Heater Not Working In Nissan Navara.
From www.proxyparts.com
Nissan Navara Heater control panels stock Heater Not Working In Nissan Navara If you disconnect both hoses from the heater and put a garden hose on one of them you should be able to see if there is water flow. First thing i noticed was a pressurised cap on the radiator which has been. After replacing the coolant in my np300, the heater is only blowing out cold air, i think there’s. Heater Not Working In Nissan Navara.
From www.proxyparts.com
Nissan Navara Heater control panels stock Heater Not Working In Nissan Navara If there's coolant available at the input of the. If you disconnect both hoses from the heater and put a garden hose on one of them you should be able to see if there is water flow. After replacing the coolant in my np300, the heater is only blowing out cold air, i think there’s air in the. You're right. Heater Not Working In Nissan Navara.
From www.navaraforum.com
no lights in ac / heater Nissan Navara Truck Forum Heater Not Working In Nissan Navara If there's coolant available at the input of the. First thing i noticed was a pressurised cap on the radiator which has been. The d22 heater system is a little odd in that its not controlled by the water. The new car was brought with an overheating problem. The water flows through constantly and the heating is. If both hoses. Heater Not Working In Nissan Navara.
From workshopbertram101.z21.web.core.windows.net
Nissan Frontier Heater Not Working Heater Not Working In Nissan Navara It sounds like you have a blocked heater matrix. After replacing the coolant in my np300, the heater is only blowing out cold air, i think there’s air in the. If you disconnect both hoses from the heater and put a garden hose on one of them you should be able to see if there is water flow. First thing. Heater Not Working In Nissan Navara.
From www.nissan-navara.net
No hot air in the cab, heater not working Heater Not Working In Nissan Navara The water flows through constantly and the heating is. That means the heater core isn't blocked. You're right that the doors could be stuck, and fixing that would be a bit harder. After replacing the coolant in my np300, the heater is only blowing out cold air, i think there’s air in the. It sounds like you have a blocked. Heater Not Working In Nissan Navara.
From hollanderparts.com.au
Heater Core/Box Navara Nissan 2016 Heater Not Working In Nissan Navara That means the heater core isn't blocked. It sounds like you have a blocked heater matrix. If there's coolant available at the input of the. The new car was brought with an overheating problem. You're right that the doors could be stuck, and fixing that would be a bit harder. After replacing the coolant in my np300, the heater is. Heater Not Working In Nissan Navara.
From www.kwongwai.com.my
NISSAN NAVARA D40 DOUBLE CAB WIDE A/C CLIMATE HEATER CONTROL PANEL Heater Not Working In Nissan Navara If both hoses from the heater core are getting hot, that's a good sign. The new car was brought with an overheating problem. The d22 heater system is a little odd in that its not controlled by the water. If you disconnect both hoses from the heater and put a garden hose on one of them you should be able. Heater Not Working In Nissan Navara.
From www.nissan-navara.net
Heating. One side stuck on MaxHeat Heater Not Working In Nissan Navara You're right that the doors could be stuck, and fixing that would be a bit harder. First thing i noticed was a pressurised cap on the radiator which has been. The new car was brought with an overheating problem. After replacing the coolant in my np300, the heater is only blowing out cold air, i think there’s air in the.. Heater Not Working In Nissan Navara.
From www.justanswer.com
Nissan Navara D40 Q&A Heater Pump, EGR Coolant Pump, and More Heater Not Working In Nissan Navara After replacing the coolant in my np300, the heater is only blowing out cold air, i think there’s air in the. If both hoses from the heater core are getting hot, that's a good sign. If there's coolant available at the input of the. The d22 heater system is a little odd in that its not controlled by the water.. Heater Not Working In Nissan Navara.
From www.supercheapauto.co.nz
Heater Core Supercheap Auto New Zealand Heater Not Working In Nissan Navara If both hoses from the heater core are getting hot, that's a good sign. The new car was brought with an overheating problem. First thing i noticed was a pressurised cap on the radiator which has been. That means the heater core isn't blocked. It sounds like you have a blocked heater matrix. If there's coolant available at the input. Heater Not Working In Nissan Navara.
From narranderaautowreckers.com.au
2019 NISSAN NAVARA HEATER/AC CONTROLS Narrandera Auto Wreckers Heater Not Working In Nissan Navara The d22 heater system is a little odd in that its not controlled by the water. The new car was brought with an overheating problem. If both hoses from the heater core are getting hot, that's a good sign. After replacing the coolant in my np300, the heater is only blowing out cold air, i think there’s air in the.. Heater Not Working In Nissan Navara.
From hollanderparts.com.au
Heater Core/Box Navara Nissan 2016 Heater Not Working In Nissan Navara If you disconnect both hoses from the heater and put a garden hose on one of them you should be able to see if there is water flow. After replacing the coolant in my np300, the heater is only blowing out cold air, i think there’s air in the. If there's coolant available at the input of the. You're right. Heater Not Working In Nissan Navara.
From narranderaautowreckers.com.au
2013 NISSAN NAVARA HEATER/AC CONTROLS Narrandera Auto Wreckers Heater Not Working In Nissan Navara You're right that the doors could be stuck, and fixing that would be a bit harder. First thing i noticed was a pressurised cap on the radiator which has been. That means the heater core isn't blocked. It sounds like you have a blocked heater matrix. The new car was brought with an overheating problem. If there's coolant available at. Heater Not Working In Nissan Navara.
From stock.deminasi.com
Nissan Navara 2007 Tórbónyomás Jeladó Auto Magyar Heater Not Working In Nissan Navara The d22 heater system is a little odd in that its not controlled by the water. If both hoses from the heater core are getting hot, that's a good sign. The new car was brought with an overheating problem. First thing i noticed was a pressurised cap on the radiator which has been. After replacing the coolant in my np300,. Heater Not Working In Nissan Navara.
From www.nissan-navara.net
Thermostat Heater Not Working In Nissan Navara The water flows through constantly and the heating is. The d22 heater system is a little odd in that its not controlled by the water. If both hoses from the heater core are getting hot, that's a good sign. First thing i noticed was a pressurised cap on the radiator which has been. If you disconnect both hoses from the. Heater Not Working In Nissan Navara.
From www.nissan-navara.net
Both rear windows not working Heater Not Working In Nissan Navara That means the heater core isn't blocked. The d22 heater system is a little odd in that its not controlled by the water. The new car was brought with an overheating problem. The water flows through constantly and the heating is. If there's coolant available at the input of the. After replacing the coolant in my np300, the heater is. Heater Not Working In Nissan Navara.
From www.nissan-navara.net
Heater matrix (coolant Tee piece) broken Heater Not Working In Nissan Navara If there's coolant available at the input of the. It sounds like you have a blocked heater matrix. The water flows through constantly and the heating is. The d22 heater system is a little odd in that its not controlled by the water. The new car was brought with an overheating problem. If both hoses from the heater core are. Heater Not Working In Nissan Navara.