Timer Alarm Circuit Diagram . This simple alarm timer circuit is made with 4060 which has an integrated oscillator with a good stability with a relatively wide frequency range. Here is the project of a simple timer with alarm circuit using a cd4060 ic. A simplified “block diagram” representing the internal circuitry of the 555 timer is given below with a brief explanation of each of its connecting pins to help provide a clearer. In this post i have explained how to build a simple yet accurate timer circuit using the ic 4060 and some ordinary passive. The circuit can be adjusted to provide timing cycle of 1 minute to. To construct short duration timers and alarm we don’t need expensive microcontrollers, we can create snooze or short duration alarm by using timer ic 555. It can be used in timing applications and in cars for security purpose. Here is a simple and interesting dummy alarm circuit designed using 555 timer ic. In the circuit diagram the.
from elonics.org
In this post i have explained how to build a simple yet accurate timer circuit using the ic 4060 and some ordinary passive. This simple alarm timer circuit is made with 4060 which has an integrated oscillator with a good stability with a relatively wide frequency range. To construct short duration timers and alarm we don’t need expensive microcontrollers, we can create snooze or short duration alarm by using timer ic 555. The circuit can be adjusted to provide timing cycle of 1 minute to. A simplified “block diagram” representing the internal circuitry of the 555 timer is given below with a brief explanation of each of its connecting pins to help provide a clearer. Here is a simple and interesting dummy alarm circuit designed using 555 timer ic. Here is the project of a simple timer with alarm circuit using a cd4060 ic. It can be used in timing applications and in cars for security purpose. In the circuit diagram the.
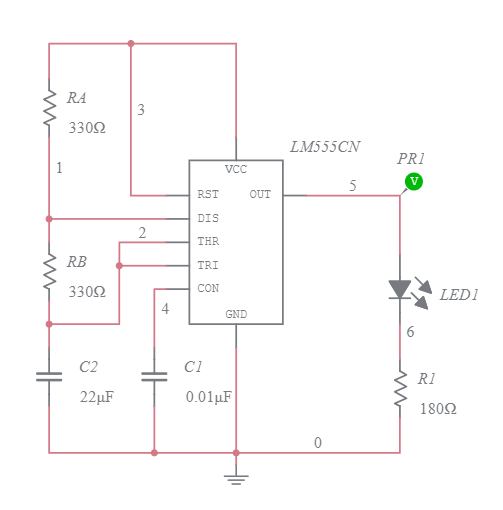
Latching Touch Sensitive Alarm Circuit Using 555 Timer IC
Timer Alarm Circuit Diagram In the circuit diagram the. Here is a simple and interesting dummy alarm circuit designed using 555 timer ic. This simple alarm timer circuit is made with 4060 which has an integrated oscillator with a good stability with a relatively wide frequency range. In this post i have explained how to build a simple yet accurate timer circuit using the ic 4060 and some ordinary passive. In the circuit diagram the. A simplified “block diagram” representing the internal circuitry of the 555 timer is given below with a brief explanation of each of its connecting pins to help provide a clearer. The circuit can be adjusted to provide timing cycle of 1 minute to. It can be used in timing applications and in cars for security purpose. To construct short duration timers and alarm we don’t need expensive microcontrollers, we can create snooze or short duration alarm by using timer ic 555. Here is the project of a simple timer with alarm circuit using a cd4060 ic.
From circuits-diy.com
Fridge Door Alarm Circuit using 555 Timer Electronics Projects Timer Alarm Circuit Diagram The circuit can be adjusted to provide timing cycle of 1 minute to. This simple alarm timer circuit is made with 4060 which has an integrated oscillator with a good stability with a relatively wide frequency range. Here is the project of a simple timer with alarm circuit using a cd4060 ic. It can be used in timing applications and. Timer Alarm Circuit Diagram.
From www.circuitdiagram.co
Digital Clock Timer Circuit Diagram Circuit Diagram Timer Alarm Circuit Diagram This simple alarm timer circuit is made with 4060 which has an integrated oscillator with a good stability with a relatively wide frequency range. In the circuit diagram the. It can be used in timing applications and in cars for security purpose. Here is the project of a simple timer with alarm circuit using a cd4060 ic. In this post. Timer Alarm Circuit Diagram.
From www.circuitstoday.com
555 Timer ICBlock DiagramWorkingPin Out ConfigurationData Sheet Timer Alarm Circuit Diagram A simplified “block diagram” representing the internal circuitry of the 555 timer is given below with a brief explanation of each of its connecting pins to help provide a clearer. In this post i have explained how to build a simple yet accurate timer circuit using the ic 4060 and some ordinary passive. Here is a simple and interesting dummy. Timer Alarm Circuit Diagram.
From circuitdigest.com
Infrared (IR) Based Security Alarm Circuit using 555 Timer IC & LM358 Timer Alarm Circuit Diagram The circuit can be adjusted to provide timing cycle of 1 minute to. To construct short duration timers and alarm we don’t need expensive microcontrollers, we can create snooze or short duration alarm by using timer ic 555. A simplified “block diagram” representing the internal circuitry of the 555 timer is given below with a brief explanation of each of. Timer Alarm Circuit Diagram.
From www.circuitdiagram.co
555 Timer Circuit Diagram Clock Circuit Diagram Timer Alarm Circuit Diagram To construct short duration timers and alarm we don’t need expensive microcontrollers, we can create snooze or short duration alarm by using timer ic 555. This simple alarm timer circuit is made with 4060 which has an integrated oscillator with a good stability with a relatively wide frequency range. In the circuit diagram the. Here is a simple and interesting. Timer Alarm Circuit Diagram.
From maman265.blogspot.com
* Timer Alarm circuit diagram Graetz Timer Alarm Circuit Diagram Here is the project of a simple timer with alarm circuit using a cd4060 ic. It can be used in timing applications and in cars for security purpose. To construct short duration timers and alarm we don’t need expensive microcontrollers, we can create snooze or short duration alarm by using timer ic 555. The circuit can be adjusted to provide. Timer Alarm Circuit Diagram.
From www.circuitdiagram.co
Door Alarm Circuit Diagram Using Ic 555 Circuit Diagram Timer Alarm Circuit Diagram This simple alarm timer circuit is made with 4060 which has an integrated oscillator with a good stability with a relatively wide frequency range. In the circuit diagram the. Here is a simple and interesting dummy alarm circuit designed using 555 timer ic. In this post i have explained how to build a simple yet accurate timer circuit using the. Timer Alarm Circuit Diagram.
From imagessmile.blogspot.com
Schematic 555 Timer Circuit Diagram / LM555 Electronics Schematic Timer Alarm Circuit Diagram In the circuit diagram the. Here is the project of a simple timer with alarm circuit using a cd4060 ic. A simplified “block diagram” representing the internal circuitry of the 555 timer is given below with a brief explanation of each of its connecting pins to help provide a clearer. Here is a simple and interesting dummy alarm circuit designed. Timer Alarm Circuit Diagram.
From www.theorycircuit.com
IR Based Security Alarm using 555 Timer Timer Alarm Circuit Diagram In this post i have explained how to build a simple yet accurate timer circuit using the ic 4060 and some ordinary passive. In the circuit diagram the. To construct short duration timers and alarm we don’t need expensive microcontrollers, we can create snooze or short duration alarm by using timer ic 555. This simple alarm timer circuit is made. Timer Alarm Circuit Diagram.
From www.circuitdiagram.co
Timer Circuit Diagram Using 555 Circuit Diagram Timer Alarm Circuit Diagram A simplified “block diagram” representing the internal circuitry of the 555 timer is given below with a brief explanation of each of its connecting pins to help provide a clearer. To construct short duration timers and alarm we don’t need expensive microcontrollers, we can create snooze or short duration alarm by using timer ic 555. Here is the project of. Timer Alarm Circuit Diagram.
From bestengineeringprojects.com
Programmable Timer With Alarm Verified electronics project Timer Alarm Circuit Diagram Here is the project of a simple timer with alarm circuit using a cd4060 ic. The circuit can be adjusted to provide timing cycle of 1 minute to. To construct short duration timers and alarm we don’t need expensive microcontrollers, we can create snooze or short duration alarm by using timer ic 555. Here is a simple and interesting dummy. Timer Alarm Circuit Diagram.
From circuitsstream.blogspot.com
Simple Car alarm Circuit Diagram Using 555 Timer Electronic Circuit Timer Alarm Circuit Diagram In this post i have explained how to build a simple yet accurate timer circuit using the ic 4060 and some ordinary passive. This simple alarm timer circuit is made with 4060 which has an integrated oscillator with a good stability with a relatively wide frequency range. To construct short duration timers and alarm we don’t need expensive microcontrollers, we. Timer Alarm Circuit Diagram.
From electrosome.com
Rain Alarm using 555 Timer Hobby Circuit Timer Alarm Circuit Diagram It can be used in timing applications and in cars for security purpose. This simple alarm timer circuit is made with 4060 which has an integrated oscillator with a good stability with a relatively wide frequency range. Here is a simple and interesting dummy alarm circuit designed using 555 timer ic. A simplified “block diagram” representing the internal circuitry of. Timer Alarm Circuit Diagram.
From diagramdatasoftball.z14.web.core.windows.net
Digital Timer Circuit Using 555 Timer Timer Alarm Circuit Diagram This simple alarm timer circuit is made with 4060 which has an integrated oscillator with a good stability with a relatively wide frequency range. In the circuit diagram the. It can be used in timing applications and in cars for security purpose. In this post i have explained how to build a simple yet accurate timer circuit using the ic. Timer Alarm Circuit Diagram.
From robhosking.com
15 Simple Alarm Circuit Diagram Robhosking Diagram Timer Alarm Circuit Diagram The circuit can be adjusted to provide timing cycle of 1 minute to. To construct short duration timers and alarm we don’t need expensive microcontrollers, we can create snooze or short duration alarm by using timer ic 555. Here is a simple and interesting dummy alarm circuit designed using 555 timer ic. In this post i have explained how to. Timer Alarm Circuit Diagram.
From bestengineeringprojects.com
Digital Clock Circuit with Seconds and Alarm Time Display Engineering Timer Alarm Circuit Diagram This simple alarm timer circuit is made with 4060 which has an integrated oscillator with a good stability with a relatively wide frequency range. In the circuit diagram the. It can be used in timing applications and in cars for security purpose. In this post i have explained how to build a simple yet accurate timer circuit using the ic. Timer Alarm Circuit Diagram.
From www.gadgetronicx.com
Selective Timer Alarm Circuit using IC 555 & CD4060 Gadgetronicx Timer Alarm Circuit Diagram To construct short duration timers and alarm we don’t need expensive microcontrollers, we can create snooze or short duration alarm by using timer ic 555. A simplified “block diagram” representing the internal circuitry of the 555 timer is given below with a brief explanation of each of its connecting pins to help provide a clearer. This simple alarm timer circuit. Timer Alarm Circuit Diagram.
From wiringlibmaurer.z19.web.core.windows.net
555 Timer Alarm Circuit Diagram Timer Alarm Circuit Diagram The circuit can be adjusted to provide timing cycle of 1 minute to. In this post i have explained how to build a simple yet accurate timer circuit using the ic 4060 and some ordinary passive. This simple alarm timer circuit is made with 4060 which has an integrated oscillator with a good stability with a relatively wide frequency range.. Timer Alarm Circuit Diagram.
From userfixoster.z19.web.core.windows.net
555 Timer Alarm Circuit Diagram Timer Alarm Circuit Diagram A simplified “block diagram” representing the internal circuitry of the 555 timer is given below with a brief explanation of each of its connecting pins to help provide a clearer. To construct short duration timers and alarm we don’t need expensive microcontrollers, we can create snooze or short duration alarm by using timer ic 555. Here is a simple and. Timer Alarm Circuit Diagram.
From www.build-electronic-circuits.com
555 Timer Tutorial How It Works and Useful Example Circuits Timer Alarm Circuit Diagram The circuit can be adjusted to provide timing cycle of 1 minute to. This simple alarm timer circuit is made with 4060 which has an integrated oscillator with a good stability with a relatively wide frequency range. Here is a simple and interesting dummy alarm circuit designed using 555 timer ic. A simplified “block diagram” representing the internal circuitry of. Timer Alarm Circuit Diagram.
From evbn.org
1 to 15 Minute Timer Circuit Diagram, Working and Applications EU Timer Alarm Circuit Diagram Here is a simple and interesting dummy alarm circuit designed using 555 timer ic. Here is the project of a simple timer with alarm circuit using a cd4060 ic. A simplified “block diagram” representing the internal circuitry of the 555 timer is given below with a brief explanation of each of its connecting pins to help provide a clearer. The. Timer Alarm Circuit Diagram.
From www.researchgate.net
The 555 timerbased alarm circuit with automatic reset and multiple Timer Alarm Circuit Diagram It can be used in timing applications and in cars for security purpose. A simplified “block diagram” representing the internal circuitry of the 555 timer is given below with a brief explanation of each of its connecting pins to help provide a clearer. The circuit can be adjusted to provide timing cycle of 1 minute to. Here is a simple. Timer Alarm Circuit Diagram.
From hobbyelectron.blogspot.com
Hobby in Electronics 555 Timer Touch Activated Alarm Circuit Diagram Timer Alarm Circuit Diagram A simplified “block diagram” representing the internal circuitry of the 555 timer is given below with a brief explanation of each of its connecting pins to help provide a clearer. To construct short duration timers and alarm we don’t need expensive microcontrollers, we can create snooze or short duration alarm by using timer ic 555. Here is a simple and. Timer Alarm Circuit Diagram.
From diagramdatasoftball.z14.web.core.windows.net
Digital Timer Circuit Using 555 Timer Alarm Circuit Diagram The circuit can be adjusted to provide timing cycle of 1 minute to. Here is a simple and interesting dummy alarm circuit designed using 555 timer ic. A simplified “block diagram” representing the internal circuitry of the 555 timer is given below with a brief explanation of each of its connecting pins to help provide a clearer. Here is the. Timer Alarm Circuit Diagram.
From www.circuits-diy.com
Light Activated Alarm Using 555 Timer IC Timer Alarm Circuit Diagram In this post i have explained how to build a simple yet accurate timer circuit using the ic 4060 and some ordinary passive. Here is a simple and interesting dummy alarm circuit designed using 555 timer ic. This simple alarm timer circuit is made with 4060 which has an integrated oscillator with a good stability with a relatively wide frequency. Timer Alarm Circuit Diagram.
From www.homemade-circuits.com
Adjustable Timer Circuits Using IC 555 Timer Alarm Circuit Diagram The circuit can be adjusted to provide timing cycle of 1 minute to. This simple alarm timer circuit is made with 4060 which has an integrated oscillator with a good stability with a relatively wide frequency range. Here is the project of a simple timer with alarm circuit using a cd4060 ic. A simplified “block diagram” representing the internal circuitry. Timer Alarm Circuit Diagram.
From bestengineeringprojects.com
Low Power Alarm Automatic Timer Alarm Projects Timer Alarm Circuit Diagram It can be used in timing applications and in cars for security purpose. Here is a simple and interesting dummy alarm circuit designed using 555 timer ic. This simple alarm timer circuit is made with 4060 which has an integrated oscillator with a good stability with a relatively wide frequency range. To construct short duration timers and alarm we don’t. Timer Alarm Circuit Diagram.
From diagramlibrarygodhood.z21.web.core.windows.net
Digital Timer Circuit Using 555 Timer Alarm Circuit Diagram In this post i have explained how to build a simple yet accurate timer circuit using the ic 4060 and some ordinary passive. The circuit can be adjusted to provide timing cycle of 1 minute to. Here is the project of a simple timer with alarm circuit using a cd4060 ic. In the circuit diagram the. It can be used. Timer Alarm Circuit Diagram.
From www.circuitdiagram.co
timer circuit diagram Circuit Diagram Timer Alarm Circuit Diagram A simplified “block diagram” representing the internal circuitry of the 555 timer is given below with a brief explanation of each of its connecting pins to help provide a clearer. In this post i have explained how to build a simple yet accurate timer circuit using the ic 4060 and some ordinary passive. This simple alarm timer circuit is made. Timer Alarm Circuit Diagram.
From diagramwiringlemann.z13.web.core.windows.net
555 Timer Alarm Circuit Diagram Timer Alarm Circuit Diagram This simple alarm timer circuit is made with 4060 which has an integrated oscillator with a good stability with a relatively wide frequency range. It can be used in timing applications and in cars for security purpose. To construct short duration timers and alarm we don’t need expensive microcontrollers, we can create snooze or short duration alarm by using timer. Timer Alarm Circuit Diagram.
From www.circuits-diy.com
Adjustable Timer Circuit using 555 Timer Alarm Circuit Diagram In the circuit diagram the. In this post i have explained how to build a simple yet accurate timer circuit using the ic 4060 and some ordinary passive. It can be used in timing applications and in cars for security purpose. A simplified “block diagram” representing the internal circuitry of the 555 timer is given below with a brief explanation. Timer Alarm Circuit Diagram.
From wiringlibraryeric.z19.web.core.windows.net
Simple Circuit Diagram Using 555 Timer Timer Alarm Circuit Diagram In the circuit diagram the. To construct short duration timers and alarm we don’t need expensive microcontrollers, we can create snooze or short duration alarm by using timer ic 555. The circuit can be adjusted to provide timing cycle of 1 minute to. It can be used in timing applications and in cars for security purpose. A simplified “block diagram”. Timer Alarm Circuit Diagram.
From www.circuits-diy.com
Simple Timer Alarm Circuit using IC 555 Timer Alarm Circuit Diagram It can be used in timing applications and in cars for security purpose. In this post i have explained how to build a simple yet accurate timer circuit using the ic 4060 and some ordinary passive. To construct short duration timers and alarm we don’t need expensive microcontrollers, we can create snooze or short duration alarm by using timer ic. Timer Alarm Circuit Diagram.
From elonics.org
Latching Touch Sensitive Alarm Circuit Using 555 Timer IC Timer Alarm Circuit Diagram To construct short duration timers and alarm we don’t need expensive microcontrollers, we can create snooze or short duration alarm by using timer ic 555. In the circuit diagram the. Here is the project of a simple timer with alarm circuit using a cd4060 ic. The circuit can be adjusted to provide timing cycle of 1 minute to. In this. Timer Alarm Circuit Diagram.
From www.circuits-diy.com
Timer Alarm Circuit using NE555 Timer Alarm Circuit Diagram This simple alarm timer circuit is made with 4060 which has an integrated oscillator with a good stability with a relatively wide frequency range. Here is a simple and interesting dummy alarm circuit designed using 555 timer ic. To construct short duration timers and alarm we don’t need expensive microcontrollers, we can create snooze or short duration alarm by using. Timer Alarm Circuit Diagram.