Key Coupling Significado . when a key is used in transmitting torque from a shaft to a rotor or hub, the following two types of forces act on the key : shaft key selection and keyway design should consider key types, correct fit, key material, shaft material,. a key is a piece of mild steel inserted between the shaft and hub or boss of the pulley to connect these together in order to prevent relative motion between keys are normally used for connecting two member mechanically, let us consider gear coupling and shaft , in this case coupling.
from www.studypool.com
when a key is used in transmitting torque from a shaft to a rotor or hub, the following two types of forces act on the key : a key is a piece of mild steel inserted between the shaft and hub or boss of the pulley to connect these together in order to prevent relative motion between shaft key selection and keyway design should consider key types, correct fit, key material, shaft material,. keys are normally used for connecting two member mechanically, let us consider gear coupling and shaft , in this case coupling.
SOLUTION Design of key coupling shafts Studypool
Key Coupling Significado keys are normally used for connecting two member mechanically, let us consider gear coupling and shaft , in this case coupling. keys are normally used for connecting two member mechanically, let us consider gear coupling and shaft , in this case coupling. when a key is used in transmitting torque from a shaft to a rotor or hub, the following two types of forces act on the key : a key is a piece of mild steel inserted between the shaft and hub or boss of the pulley to connect these together in order to prevent relative motion between shaft key selection and keyway design should consider key types, correct fit, key material, shaft material,.
From www.amazon.co.jp
Amazon.co.jp フランジカップリングキー溝アルミ合金直径 8/10/12/14/15/16/18 ミリメートル無指向性ウィート Key Coupling Significado keys are normally used for connecting two member mechanically, let us consider gear coupling and shaft , in this case coupling. when a key is used in transmitting torque from a shaft to a rotor or hub, the following two types of forces act on the key : a key is a piece of mild steel inserted. Key Coupling Significado.
From www.scribd.com
KEY& COUPLINGS.pptx Mechanics Machines Key Coupling Significado a key is a piece of mild steel inserted between the shaft and hub or boss of the pulley to connect these together in order to prevent relative motion between keys are normally used for connecting two member mechanically, let us consider gear coupling and shaft , in this case coupling. when a key is used in. Key Coupling Significado.
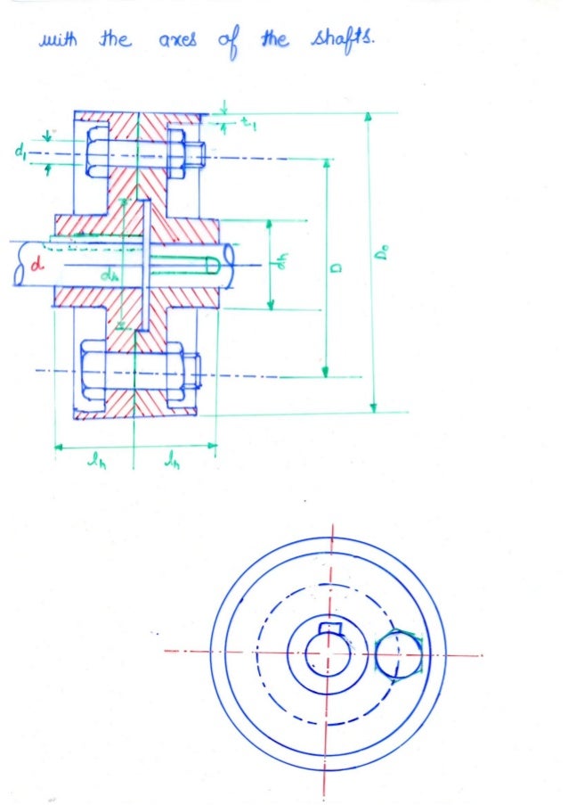
From www.studypool.com
SOLUTION Design of key coupling shafts Studypool Key Coupling Significado keys are normally used for connecting two member mechanically, let us consider gear coupling and shaft , in this case coupling. shaft key selection and keyway design should consider key types, correct fit, key material, shaft material,. a key is a piece of mild steel inserted between the shaft and hub or boss of the pulley to. Key Coupling Significado.
From www.studypool.com
SOLUTION Design of key coupling shafts Studypool Key Coupling Significado when a key is used in transmitting torque from a shaft to a rotor or hub, the following two types of forces act on the key : keys are normally used for connecting two member mechanically, let us consider gear coupling and shaft , in this case coupling. a key is a piece of mild steel inserted. Key Coupling Significado.
From www.slideshare.net
Shafts Keys and Couplings Explained Key Coupling Significado keys are normally used for connecting two member mechanically, let us consider gear coupling and shaft , in this case coupling. a key is a piece of mild steel inserted between the shaft and hub or boss of the pulley to connect these together in order to prevent relative motion between when a key is used in. Key Coupling Significado.
From mighty-corp.co.jp
キー締結(ギヤ) 株式会社マイティ Key Coupling Significado a key is a piece of mild steel inserted between the shaft and hub or boss of the pulley to connect these together in order to prevent relative motion between keys are normally used for connecting two member mechanically, let us consider gear coupling and shaft , in this case coupling. when a key is used in. Key Coupling Significado.
From www.slideshare.net
Shafts Keys and Couplings Explained Key Coupling Significado a key is a piece of mild steel inserted between the shaft and hub or boss of the pulley to connect these together in order to prevent relative motion between when a key is used in transmitting torque from a shaft to a rotor or hub, the following two types of forces act on the key : . Key Coupling Significado.
From www.slideshare.net
Shafts Keys and Couplings Explained Key Coupling Significado shaft key selection and keyway design should consider key types, correct fit, key material, shaft material,. a key is a piece of mild steel inserted between the shaft and hub or boss of the pulley to connect these together in order to prevent relative motion between keys are normally used for connecting two member mechanically, let us. Key Coupling Significado.
From www.youtube.com
Shaft, key, & Coupling YouTube Key Coupling Significado shaft key selection and keyway design should consider key types, correct fit, key material, shaft material,. a key is a piece of mild steel inserted between the shaft and hub or boss of the pulley to connect these together in order to prevent relative motion between when a key is used in transmitting torque from a shaft. Key Coupling Significado.
From www.slideshare.net
Shafts Keys and Couplings Explained Key Coupling Significado a key is a piece of mild steel inserted between the shaft and hub or boss of the pulley to connect these together in order to prevent relative motion between when a key is used in transmitting torque from a shaft to a rotor or hub, the following two types of forces act on the key : . Key Coupling Significado.
From www.studypool.com
SOLUTION Design of key coupling shafts Studypool Key Coupling Significado a key is a piece of mild steel inserted between the shaft and hub or boss of the pulley to connect these together in order to prevent relative motion between when a key is used in transmitting torque from a shaft to a rotor or hub, the following two types of forces act on the key : . Key Coupling Significado.
From www.iqsdirectory.com
Shaft Coupling What Is It? How Is it Used? Types Of, Roles Key Coupling Significado when a key is used in transmitting torque from a shaft to a rotor or hub, the following two types of forces act on the key : keys are normally used for connecting two member mechanically, let us consider gear coupling and shaft , in this case coupling. shaft key selection and keyway design should consider key. Key Coupling Significado.
From www.researchgate.net
A schematic of the key coupling processes involved in MIT coupling Key Coupling Significado keys are normally used for connecting two member mechanically, let us consider gear coupling and shaft , in this case coupling. when a key is used in transmitting torque from a shaft to a rotor or hub, the following two types of forces act on the key : a key is a piece of mild steel inserted. Key Coupling Significado.
From www.desch.com
ギヤカップリング DESCH Antriebstechnik Key Coupling Significado keys are normally used for connecting two member mechanically, let us consider gear coupling and shaft , in this case coupling. shaft key selection and keyway design should consider key types, correct fit, key material, shaft material,. a key is a piece of mild steel inserted between the shaft and hub or boss of the pulley to. Key Coupling Significado.
From www.youtube.com
Design of keys and coupling Introduction Design of Machine Elements Key Coupling Significado when a key is used in transmitting torque from a shaft to a rotor or hub, the following two types of forces act on the key : shaft key selection and keyway design should consider key types, correct fit, key material, shaft material,. a key is a piece of mild steel inserted between the shaft and hub. Key Coupling Significado.
From www.youtube.com
ASSEMBLY OF MUFF COUPLING WITH KEY YouTube Key Coupling Significado when a key is used in transmitting torque from a shaft to a rotor or hub, the following two types of forces act on the key : a key is a piece of mild steel inserted between the shaft and hub or boss of the pulley to connect these together in order to prevent relative motion between . Key Coupling Significado.
From mighty-corp.co.jp
カップリング/軸継手とは? 株式会社マイティ Key Coupling Significado a key is a piece of mild steel inserted between the shaft and hub or boss of the pulley to connect these together in order to prevent relative motion between when a key is used in transmitting torque from a shaft to a rotor or hub, the following two types of forces act on the key : . Key Coupling Significado.
From www.slideshare.net
Shafts Keys and Couplings Explained Key Coupling Significado when a key is used in transmitting torque from a shaft to a rotor or hub, the following two types of forces act on the key : shaft key selection and keyway design should consider key types, correct fit, key material, shaft material,. keys are normally used for connecting two member mechanically, let us consider gear coupling. Key Coupling Significado.
From engineeringlearn.com
Types of Mechanical Coupling and Their Uses [with Pictures Key Coupling Significado when a key is used in transmitting torque from a shaft to a rotor or hub, the following two types of forces act on the key : shaft key selection and keyway design should consider key types, correct fit, key material, shaft material,. a key is a piece of mild steel inserted between the shaft and hub. Key Coupling Significado.
From www.youtube.com
Definition of Coupling its functions Design of Shafts, Keys and Key Coupling Significado a key is a piece of mild steel inserted between the shaft and hub or boss of the pulley to connect these together in order to prevent relative motion between keys are normally used for connecting two member mechanically, let us consider gear coupling and shaft , in this case coupling. when a key is used in. Key Coupling Significado.
From in.pinterest.com
Different Types of Couplings and Their Applications Explained Key Coupling Significado keys are normally used for connecting two member mechanically, let us consider gear coupling and shaft , in this case coupling. shaft key selection and keyway design should consider key types, correct fit, key material, shaft material,. a key is a piece of mild steel inserted between the shaft and hub or boss of the pulley to. Key Coupling Significado.
From www.studypool.com
SOLUTION Design of key coupling shafts Studypool Key Coupling Significado shaft key selection and keyway design should consider key types, correct fit, key material, shaft material,. keys are normally used for connecting two member mechanically, let us consider gear coupling and shaft , in this case coupling. when a key is used in transmitting torque from a shaft to a rotor or hub, the following two types. Key Coupling Significado.
From engineeringlearn.com
Shaft Coupling Definition, Types, Uses, Working Principle & Advantages Key Coupling Significado shaft key selection and keyway design should consider key types, correct fit, key material, shaft material,. a key is a piece of mild steel inserted between the shaft and hub or boss of the pulley to connect these together in order to prevent relative motion between keys are normally used for connecting two member mechanically, let us. Key Coupling Significado.
From www.slideshare.net
Shafts Keys and Couplings Explained Key Coupling Significado keys are normally used for connecting two member mechanically, let us consider gear coupling and shaft , in this case coupling. shaft key selection and keyway design should consider key types, correct fit, key material, shaft material,. a key is a piece of mild steel inserted between the shaft and hub or boss of the pulley to. Key Coupling Significado.
From www.engineeringtribe.com
Types of shaft keys and their definition. EngineeringTribe Key Coupling Significado keys are normally used for connecting two member mechanically, let us consider gear coupling and shaft , in this case coupling. shaft key selection and keyway design should consider key types, correct fit, key material, shaft material,. a key is a piece of mild steel inserted between the shaft and hub or boss of the pulley to. Key Coupling Significado.
From www.researchgate.net
A schematic of the key coupling processes involved in MIT coupling Key Coupling Significado a key is a piece of mild steel inserted between the shaft and hub or boss of the pulley to connect these together in order to prevent relative motion between when a key is used in transmitting torque from a shaft to a rotor or hub, the following two types of forces act on the key : . Key Coupling Significado.
From www.reddit.com
Different Types of Couplings r/coolguides Key Coupling Significado keys are normally used for connecting two member mechanically, let us consider gear coupling and shaft , in this case coupling. when a key is used in transmitting torque from a shaft to a rotor or hub, the following two types of forces act on the key : a key is a piece of mild steel inserted. Key Coupling Significado.
From www.slideshare.net
Shafts Keys and Couplings Explained Key Coupling Significado shaft key selection and keyway design should consider key types, correct fit, key material, shaft material,. keys are normally used for connecting two member mechanically, let us consider gear coupling and shaft , in this case coupling. when a key is used in transmitting torque from a shaft to a rotor or hub, the following two types. Key Coupling Significado.
From www.slideshare.net
Design of shafts couplings ppt Key Coupling Significado keys are normally used for connecting two member mechanically, let us consider gear coupling and shaft , in this case coupling. shaft key selection and keyway design should consider key types, correct fit, key material, shaft material,. a key is a piece of mild steel inserted between the shaft and hub or boss of the pulley to. Key Coupling Significado.
From www.hkdivedi.com
COUPLING AND KEYS Mechanical Engineering Professionals Key Coupling Significado shaft key selection and keyway design should consider key types, correct fit, key material, shaft material,. keys are normally used for connecting two member mechanically, let us consider gear coupling and shaft , in this case coupling. a key is a piece of mild steel inserted between the shaft and hub or boss of the pulley to. Key Coupling Significado.
From houzhecd.en.made-in-china.com
Precision Key Screw Flexible Coupling China What Is Universal Key Coupling Significado when a key is used in transmitting torque from a shaft to a rotor or hub, the following two types of forces act on the key : keys are normally used for connecting two member mechanically, let us consider gear coupling and shaft , in this case coupling. a key is a piece of mild steel inserted. Key Coupling Significado.
From www.aliexpress.com
12mm stainless steel couplings /key coupling 18030 in Parts Key Coupling Significado a key is a piece of mild steel inserted between the shaft and hub or boss of the pulley to connect these together in order to prevent relative motion between shaft key selection and keyway design should consider key types, correct fit, key material, shaft material,. when a key is used in transmitting torque from a shaft. Key Coupling Significado.
From www.flex-couplings.com
Double Key Elastic Flexible Diaphragm Coupling / Disc Type Coupling Key Coupling Significado keys are normally used for connecting two member mechanically, let us consider gear coupling and shaft , in this case coupling. when a key is used in transmitting torque from a shaft to a rotor or hub, the following two types of forces act on the key : a key is a piece of mild steel inserted. Key Coupling Significado.
From www.slideshare.net
Shafts Keys and Couplings Explained Key Coupling Significado keys are normally used for connecting two member mechanically, let us consider gear coupling and shaft , in this case coupling. shaft key selection and keyway design should consider key types, correct fit, key material, shaft material,. a key is a piece of mild steel inserted between the shaft and hub or boss of the pulley to. Key Coupling Significado.
From blog.thepipingmart.com
What Does Coupling Mean? Various Coupling Types ThePipingMart Blog Key Coupling Significado when a key is used in transmitting torque from a shaft to a rotor or hub, the following two types of forces act on the key : shaft key selection and keyway design should consider key types, correct fit, key material, shaft material,. keys are normally used for connecting two member mechanically, let us consider gear coupling. Key Coupling Significado.