Tcm Power Control Circuit High . Identify causes like tcm/relay failure or wiring issues for improper. If your vehicle has stored a p0887 code, accompanied by a malfunction indicator lamp (mil), it means that the powertrain control. Tcm power relay control circuit high. The p0887 diagnostic trouble code is very serious, because it means the tcm is in danger of being damaged from unusually high voltage. The p0887 code refers to a malfunction in the transmission control module (tcm) power relay control circuit, specifically. If your vehicle has stored a code p0887, accompanied by a malfunction indicator lamp (mil), it means that the powertrain control.
from www.2carpros.com
The p0887 code refers to a malfunction in the transmission control module (tcm) power relay control circuit, specifically. If your vehicle has stored a p0887 code, accompanied by a malfunction indicator lamp (mil), it means that the powertrain control. The p0887 diagnostic trouble code is very serious, because it means the tcm is in danger of being damaged from unusually high voltage. Tcm power relay control circuit high. Identify causes like tcm/relay failure or wiring issues for improper. If your vehicle has stored a code p0887, accompanied by a malfunction indicator lamp (mil), it means that the powertrain control.
TCM Relay Location, Code P0885 Where Is the TCM Relay Located?
Tcm Power Control Circuit High The p0887 diagnostic trouble code is very serious, because it means the tcm is in danger of being damaged from unusually high voltage. Tcm power relay control circuit high. Identify causes like tcm/relay failure or wiring issues for improper. If your vehicle has stored a p0887 code, accompanied by a malfunction indicator lamp (mil), it means that the powertrain control. The p0887 diagnostic trouble code is very serious, because it means the tcm is in danger of being damaged from unusually high voltage. If your vehicle has stored a code p0887, accompanied by a malfunction indicator lamp (mil), it means that the powertrain control. The p0887 code refers to a malfunction in the transmission control module (tcm) power relay control circuit, specifically.
From kennith-buschmann.blogspot.com
subaru transmission control module location kennithbuschmann Tcm Power Control Circuit High The p0887 code refers to a malfunction in the transmission control module (tcm) power relay control circuit, specifically. Identify causes like tcm/relay failure or wiring issues for improper. The p0887 diagnostic trouble code is very serious, because it means the tcm is in danger of being damaged from unusually high voltage. If your vehicle has stored a code p0887, accompanied. Tcm Power Control Circuit High.
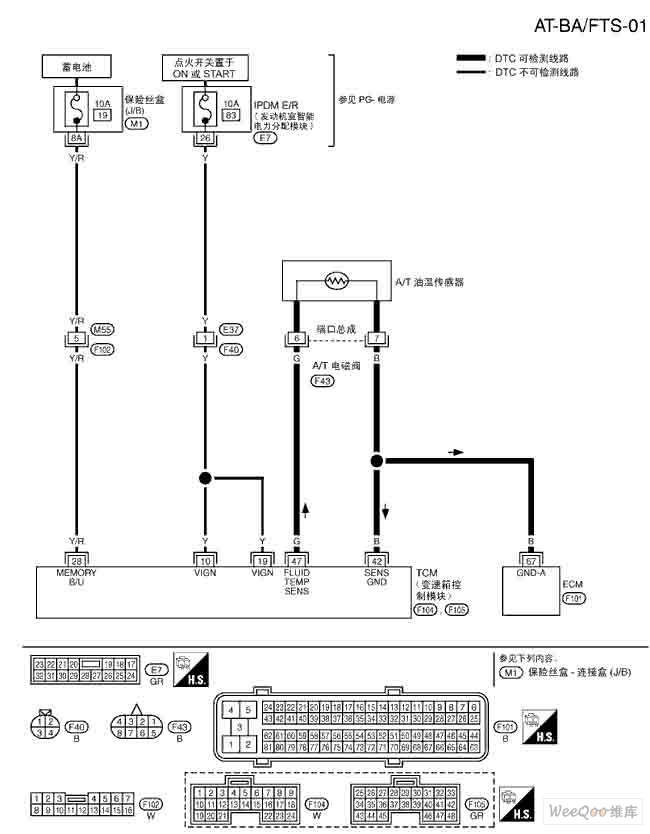
From userlistedna.z6.web.core.windows.net
Tcm Circuit Diagram Tcm Power Control Circuit High If your vehicle has stored a p0887 code, accompanied by a malfunction indicator lamp (mil), it means that the powertrain control. Identify causes like tcm/relay failure or wiring issues for improper. The p0887 diagnostic trouble code is very serious, because it means the tcm is in danger of being damaged from unusually high voltage. If your vehicle has stored a. Tcm Power Control Circuit High.
From www.cumminsforum.com
P128D Tcm Power Control Circuit 2 Open Cummins Diesel Forum Tcm Power Control Circuit High If your vehicle has stored a p0887 code, accompanied by a malfunction indicator lamp (mil), it means that the powertrain control. Tcm power relay control circuit high. The p0887 code refers to a malfunction in the transmission control module (tcm) power relay control circuit, specifically. The p0887 diagnostic trouble code is very serious, because it means the tcm is in. Tcm Power Control Circuit High.
From zinref.ru
Dodge Caliber. Manual part 1202 Tcm Power Control Circuit High Identify causes like tcm/relay failure or wiring issues for improper. The p0887 diagnostic trouble code is very serious, because it means the tcm is in danger of being damaged from unusually high voltage. If your vehicle has stored a p0887 code, accompanied by a malfunction indicator lamp (mil), it means that the powertrain control. Tcm power relay control circuit high.. Tcm Power Control Circuit High.
From techma.id
TECHMA TCM1220PS Techma POE Switch & Power Supply Tcm Power Control Circuit High Identify causes like tcm/relay failure or wiring issues for improper. If your vehicle has stored a code p0887, accompanied by a malfunction indicator lamp (mil), it means that the powertrain control. The p0887 diagnostic trouble code is very serious, because it means the tcm is in danger of being damaged from unusually high voltage. The p0887 code refers to a. Tcm Power Control Circuit High.
From www.2carpros.com
TCM Relay Location, Code P0885 Where Is the TCM Relay Located? Tcm Power Control Circuit High The p0887 diagnostic trouble code is very serious, because it means the tcm is in danger of being damaged from unusually high voltage. The p0887 code refers to a malfunction in the transmission control module (tcm) power relay control circuit, specifically. If your vehicle has stored a p0887 code, accompanied by a malfunction indicator lamp (mil), it means that the. Tcm Power Control Circuit High.
From www.seekic.com
The NISSAN new Teana A/T temperature sensor circuit and TCM power Tcm Power Control Circuit High If your vehicle has stored a p0887 code, accompanied by a malfunction indicator lamp (mil), it means that the powertrain control. Identify causes like tcm/relay failure or wiring issues for improper. If your vehicle has stored a code p0887, accompanied by a malfunction indicator lamp (mil), it means that the powertrain control. Tcm power relay control circuit high. The p0887. Tcm Power Control Circuit High.
From www.2carpros.com
Wiring Diagrams for Transmission and the TCM Control Module? Tcm Power Control Circuit High Identify causes like tcm/relay failure or wiring issues for improper. The p0887 code refers to a malfunction in the transmission control module (tcm) power relay control circuit, specifically. Tcm power relay control circuit high. If your vehicle has stored a code p0887, accompanied by a malfunction indicator lamp (mil), it means that the powertrain control. If your vehicle has stored. Tcm Power Control Circuit High.
From www.justanswer.com
2008 G6 3.5l No communication with the pcm/ tcm/ or abs module i can Tcm Power Control Circuit High If your vehicle has stored a code p0887, accompanied by a malfunction indicator lamp (mil), it means that the powertrain control. The p0887 code refers to a malfunction in the transmission control module (tcm) power relay control circuit, specifically. Identify causes like tcm/relay failure or wiring issues for improper. The p0887 diagnostic trouble code is very serious, because it means. Tcm Power Control Circuit High.
From corolla-club.ru
P0885, P0887 Tcm Power Control Circuit High Identify causes like tcm/relay failure or wiring issues for improper. If your vehicle has stored a code p0887, accompanied by a malfunction indicator lamp (mil), it means that the powertrain control. Tcm power relay control circuit high. The p0887 code refers to a malfunction in the transmission control module (tcm) power relay control circuit, specifically. If your vehicle has stored. Tcm Power Control Circuit High.
From en.avtotachki.com
P0891 TCM Power Relay Sense Circuit High AvtoTachki Tcm Power Control Circuit High Tcm power relay control circuit high. Identify causes like tcm/relay failure or wiring issues for improper. If your vehicle has stored a code p0887, accompanied by a malfunction indicator lamp (mil), it means that the powertrain control. If your vehicle has stored a p0887 code, accompanied by a malfunction indicator lamp (mil), it means that the powertrain control. The p0887. Tcm Power Control Circuit High.
From mylacetti.ru
Electrical Wiring Diagram 2006 NubiraLacetti 6. TCM (TRANSMISSION Tcm Power Control Circuit High The p0887 diagnostic trouble code is very serious, because it means the tcm is in danger of being damaged from unusually high voltage. The p0887 code refers to a malfunction in the transmission control module (tcm) power relay control circuit, specifically. Tcm power relay control circuit high. If your vehicle has stored a code p0887, accompanied by a malfunction indicator. Tcm Power Control Circuit High.
From www.kiamanual.com
Kia Rio Transaxle Control Module (TCM) Terminal input/ output signal Tcm Power Control Circuit High If your vehicle has stored a code p0887, accompanied by a malfunction indicator lamp (mil), it means that the powertrain control. Tcm power relay control circuit high. Identify causes like tcm/relay failure or wiring issues for improper. The p0887 code refers to a malfunction in the transmission control module (tcm) power relay control circuit, specifically. The p0887 diagnostic trouble code. Tcm Power Control Circuit High.
From techma.id
TECHMA TCM1205PS Techma POE Switch & Power Supply Tcm Power Control Circuit High If your vehicle has stored a p0887 code, accompanied by a malfunction indicator lamp (mil), it means that the powertrain control. The p0887 code refers to a malfunction in the transmission control module (tcm) power relay control circuit, specifically. Tcm power relay control circuit high. If your vehicle has stored a code p0887, accompanied by a malfunction indicator lamp (mil),. Tcm Power Control Circuit High.
From www.onelectrontech.com
MOSFETs for Load Switch Applications OnElectronTech Tcm Power Control Circuit High Tcm power relay control circuit high. If your vehicle has stored a code p0887, accompanied by a malfunction indicator lamp (mil), it means that the powertrain control. The p0887 diagnostic trouble code is very serious, because it means the tcm is in danger of being damaged from unusually high voltage. Identify causes like tcm/relay failure or wiring issues for improper.. Tcm Power Control Circuit High.
From www.carparts.com
P0882 Code TCM Power Input Signal Low In The Garage with Tcm Power Control Circuit High If your vehicle has stored a code p0887, accompanied by a malfunction indicator lamp (mil), it means that the powertrain control. If your vehicle has stored a p0887 code, accompanied by a malfunction indicator lamp (mil), it means that the powertrain control. The p0887 code refers to a malfunction in the transmission control module (tcm) power relay control circuit, specifically.. Tcm Power Control Circuit High.
From troublecodehub.com
P0887 Code TCM Power Relay Control Circuit High Trouble Code Hub Tcm Power Control Circuit High The p0887 code refers to a malfunction in the transmission control module (tcm) power relay control circuit, specifically. Identify causes like tcm/relay failure or wiring issues for improper. If your vehicle has stored a p0887 code, accompanied by a malfunction indicator lamp (mil), it means that the powertrain control. Tcm power relay control circuit high. If your vehicle has stored. Tcm Power Control Circuit High.
From www.flowschema.com
What Is The Difference Between Power Circuit And Control Give An Tcm Power Control Circuit High If your vehicle has stored a p0887 code, accompanied by a malfunction indicator lamp (mil), it means that the powertrain control. The p0887 diagnostic trouble code is very serious, because it means the tcm is in danger of being damaged from unusually high voltage. The p0887 code refers to a malfunction in the transmission control module (tcm) power relay control. Tcm Power Control Circuit High.
From www.troublecodes.net
P0885 Transmission Control Module (TCM) Power Relay Control Circuit Tcm Power Control Circuit High If your vehicle has stored a code p0887, accompanied by a malfunction indicator lamp (mil), it means that the powertrain control. If your vehicle has stored a p0887 code, accompanied by a malfunction indicator lamp (mil), it means that the powertrain control. The p0887 diagnostic trouble code is very serious, because it means the tcm is in danger of being. Tcm Power Control Circuit High.
From www.carparts.com
P0880 TCM Power Input Signal In The Garage with Tcm Power Control Circuit High If your vehicle has stored a code p0887, accompanied by a malfunction indicator lamp (mil), it means that the powertrain control. Identify causes like tcm/relay failure or wiring issues for improper. The p0887 code refers to a malfunction in the transmission control module (tcm) power relay control circuit, specifically. The p0887 diagnostic trouble code is very serious, because it means. Tcm Power Control Circuit High.
From www.troublecodes.net
P0888 Transmission control module (TCM) power relay sense circuit Tcm Power Control Circuit High Identify causes like tcm/relay failure or wiring issues for improper. The p0887 code refers to a malfunction in the transmission control module (tcm) power relay control circuit, specifically. If your vehicle has stored a p0887 code, accompanied by a malfunction indicator lamp (mil), it means that the powertrain control. If your vehicle has stored a code p0887, accompanied by a. Tcm Power Control Circuit High.
From diagramweb.net
Allison Tcm Wiring Diagram Tcm Power Control Circuit High The p0887 diagnostic trouble code is very serious, because it means the tcm is in danger of being damaged from unusually high voltage. If your vehicle has stored a p0887 code, accompanied by a malfunction indicator lamp (mil), it means that the powertrain control. The p0887 code refers to a malfunction in the transmission control module (tcm) power relay control. Tcm Power Control Circuit High.
From www.carparts.com
P0880 TCM Power Input Signal In The Garage with Tcm Power Control Circuit High The p0887 code refers to a malfunction in the transmission control module (tcm) power relay control circuit, specifically. The p0887 diagnostic trouble code is very serious, because it means the tcm is in danger of being damaged from unusually high voltage. If your vehicle has stored a code p0887, accompanied by a malfunction indicator lamp (mil), it means that the. Tcm Power Control Circuit High.
From www.carparts.com
U0402 Code Invalid Data Received from TCM In The Garage with Tcm Power Control Circuit High The p0887 diagnostic trouble code is very serious, because it means the tcm is in danger of being damaged from unusually high voltage. The p0887 code refers to a malfunction in the transmission control module (tcm) power relay control circuit, specifically. Tcm power relay control circuit high. Identify causes like tcm/relay failure or wiring issues for improper. If your vehicle. Tcm Power Control Circuit High.
From www.blog-teknisi.com
DTC P0883 TCM Power Input Signal High Blog.Teknisi Tcm Power Control Circuit High If your vehicle has stored a code p0887, accompanied by a malfunction indicator lamp (mil), it means that the powertrain control. The p0887 diagnostic trouble code is very serious, because it means the tcm is in danger of being damaged from unusually high voltage. The p0887 code refers to a malfunction in the transmission control module (tcm) power relay control. Tcm Power Control Circuit High.
From www.troublecodes.net
P0888 Transmission control module (TCM) power relay sense circuit Tcm Power Control Circuit High The p0887 code refers to a malfunction in the transmission control module (tcm) power relay control circuit, specifically. Identify causes like tcm/relay failure or wiring issues for improper. Tcm power relay control circuit high. If your vehicle has stored a code p0887, accompanied by a malfunction indicator lamp (mil), it means that the powertrain control. If your vehicle has stored. Tcm Power Control Circuit High.
From ecurrencythailand.com
What Is A Tcm Relay? The 18 Top Answers Tcm Power Control Circuit High The p0887 code refers to a malfunction in the transmission control module (tcm) power relay control circuit, specifically. The p0887 diagnostic trouble code is very serious, because it means the tcm is in danger of being damaged from unusually high voltage. If your vehicle has stored a p0887 code, accompanied by a malfunction indicator lamp (mil), it means that the. Tcm Power Control Circuit High.
From themotorguy.com
Decoding the P0888 Code TCM Power Relay Sense Circuit The Motor Guy Tcm Power Control Circuit High Tcm power relay control circuit high. If your vehicle has stored a code p0887, accompanied by a malfunction indicator lamp (mil), it means that the powertrain control. The p0887 diagnostic trouble code is very serious, because it means the tcm is in danger of being damaged from unusually high voltage. If your vehicle has stored a p0887 code, accompanied by. Tcm Power Control Circuit High.
From www.wiringscan.com
Allison 1000 2000 Series Tcm Pinout » Wiring Scan Tcm Power Control Circuit High The p0887 code refers to a malfunction in the transmission control module (tcm) power relay control circuit, specifically. If your vehicle has stored a p0887 code, accompanied by a malfunction indicator lamp (mil), it means that the powertrain control. Identify causes like tcm/relay failure or wiring issues for improper. If your vehicle has stored a code p0887, accompanied by a. Tcm Power Control Circuit High.
From wiringdbfongicidac6.z21.web.core.windows.net
Basic Wiring Schematic 24 Volt Tcm Power Control Circuit High If your vehicle has stored a p0887 code, accompanied by a malfunction indicator lamp (mil), it means that the powertrain control. The p0887 diagnostic trouble code is very serious, because it means the tcm is in danger of being damaged from unusually high voltage. The p0887 code refers to a malfunction in the transmission control module (tcm) power relay control. Tcm Power Control Circuit High.
From www.troublecodes.net
P0884 Transmission control module (TCM) power input signal Tcm Power Control Circuit High Tcm power relay control circuit high. If your vehicle has stored a p0887 code, accompanied by a malfunction indicator lamp (mil), it means that the powertrain control. The p0887 diagnostic trouble code is very serious, because it means the tcm is in danger of being damaged from unusually high voltage. Identify causes like tcm/relay failure or wiring issues for improper.. Tcm Power Control Circuit High.
From www.carparts.com
P0888 Code TCM Power Relay Sense Circuit In The Garage with Tcm Power Control Circuit High If your vehicle has stored a p0887 code, accompanied by a malfunction indicator lamp (mil), it means that the powertrain control. Identify causes like tcm/relay failure or wiring issues for improper. The p0887 diagnostic trouble code is very serious, because it means the tcm is in danger of being damaged from unusually high voltage. If your vehicle has stored a. Tcm Power Control Circuit High.
From www.pinnaxis.com
Maruti Suzuki TCM Unit Location Error Code P1712 CVT Power, 54 OFF Tcm Power Control Circuit High Tcm power relay control circuit high. Identify causes like tcm/relay failure or wiring issues for improper. If your vehicle has stored a code p0887, accompanied by a malfunction indicator lamp (mil), it means that the powertrain control. The p0887 code refers to a malfunction in the transmission control module (tcm) power relay control circuit, specifically. The p0887 diagnostic trouble code. Tcm Power Control Circuit High.
From www.carparts.com
P0884 Code TCM Power Input Signal Intermittent In The Garage with Tcm Power Control Circuit High The p0887 diagnostic trouble code is very serious, because it means the tcm is in danger of being damaged from unusually high voltage. Identify causes like tcm/relay failure or wiring issues for improper. If your vehicle has stored a p0887 code, accompanied by a malfunction indicator lamp (mil), it means that the powertrain control. If your vehicle has stored a. Tcm Power Control Circuit High.
From gmtis.ntweb.ru
Electrical Wiring Diagram 2009 6. TCM (TRANSMISSION CONTROL MODULE) Tcm Power Control Circuit High Tcm power relay control circuit high. The p0887 diagnostic trouble code is very serious, because it means the tcm is in danger of being damaged from unusually high voltage. If your vehicle has stored a p0887 code, accompanied by a malfunction indicator lamp (mil), it means that the powertrain control. Identify causes like tcm/relay failure or wiring issues for improper.. Tcm Power Control Circuit High.