Volvo 960 Ignition Coil Wiring Harness . My coil pack wiring is getting to the point where i need to do something. Hello friends, i'm picking up the pieces from a failed ignition wiring harness repair. As most of you guys probably experience the wire insulation is brittle and causing misfires here and. If he can get me one with the vvt plugs, and the harness modified for r coil packs, without breaking my arm off, and beating me over the head with it, i'll pick one up. The tech ordered the splice kit and made some. 1986 volvo 740 turbo / 760 turbo, part number 3515520. If you inspect your 960 engine wiring harness and see discolored connectors like this below, then i'm sorry to say the days are numbered for your harness. This new repair harness and installation kit will allow you to splice a new 6 coil branch into your existing main engine. 3515520 new replacement main engine wire harness for volvo 740.
from www.ebay.com
1986 volvo 740 turbo / 760 turbo, part number 3515520. As most of you guys probably experience the wire insulation is brittle and causing misfires here and. Hello friends, i'm picking up the pieces from a failed ignition wiring harness repair. If you inspect your 960 engine wiring harness and see discolored connectors like this below, then i'm sorry to say the days are numbered for your harness. This new repair harness and installation kit will allow you to splice a new 6 coil branch into your existing main engine. If he can get me one with the vvt plugs, and the harness modified for r coil packs, without breaking my arm off, and beating me over the head with it, i'll pick one up. The tech ordered the splice kit and made some. 3515520 new replacement main engine wire harness for volvo 740. My coil pack wiring is getting to the point where i need to do something.
2Wire Ignition Coil Connector Harness Pigtail Plug For VOLVO 960 S90
Volvo 960 Ignition Coil Wiring Harness My coil pack wiring is getting to the point where i need to do something. My coil pack wiring is getting to the point where i need to do something. As most of you guys probably experience the wire insulation is brittle and causing misfires here and. If he can get me one with the vvt plugs, and the harness modified for r coil packs, without breaking my arm off, and beating me over the head with it, i'll pick one up. 3515520 new replacement main engine wire harness for volvo 740. 1986 volvo 740 turbo / 760 turbo, part number 3515520. This new repair harness and installation kit will allow you to splice a new 6 coil branch into your existing main engine. Hello friends, i'm picking up the pieces from a failed ignition wiring harness repair. The tech ordered the splice kit and made some. If you inspect your 960 engine wiring harness and see discolored connectors like this below, then i'm sorry to say the days are numbered for your harness.
From www.carknowledge.info
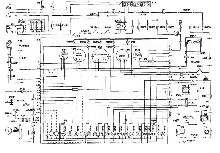
Volvo 960 (1995 1996) wiring diagrams instrumentation Volvo 960 Ignition Coil Wiring Harness As most of you guys probably experience the wire insulation is brittle and causing misfires here and. My coil pack wiring is getting to the point where i need to do something. This new repair harness and installation kit will allow you to splice a new 6 coil branch into your existing main engine. Hello friends, i'm picking up the. Volvo 960 Ignition Coil Wiring Harness.
From volvoforums.com
96 960 ignition wiring help. Volvo Forums Volvo Enthusiasts Forum Volvo 960 Ignition Coil Wiring Harness Hello friends, i'm picking up the pieces from a failed ignition wiring harness repair. As most of you guys probably experience the wire insulation is brittle and causing misfires here and. If you inspect your 960 engine wiring harness and see discolored connectors like this below, then i'm sorry to say the days are numbered for your harness. 3515520 new. Volvo 960 Ignition Coil Wiring Harness.
From www.ebay.com.au
Ignition Coil Wiring Harness 9144275 3523813 For VOLVO 960 S90 V90 S40 Volvo 960 Ignition Coil Wiring Harness 1986 volvo 740 turbo / 760 turbo, part number 3515520. This new repair harness and installation kit will allow you to splice a new 6 coil branch into your existing main engine. The tech ordered the splice kit and made some. If he can get me one with the vvt plugs, and the harness modified for r coil packs, without. Volvo 960 Ignition Coil Wiring Harness.
From www.ebay.com
6pcs New Ignition Coil Connector Pigtail Harness Wire Plug For Volvo Volvo 960 Ignition Coil Wiring Harness 1986 volvo 740 turbo / 760 turbo, part number 3515520. If you inspect your 960 engine wiring harness and see discolored connectors like this below, then i'm sorry to say the days are numbered for your harness. If he can get me one with the vvt plugs, and the harness modified for r coil packs, without breaking my arm off,. Volvo 960 Ignition Coil Wiring Harness.
From www.240turbo.com
Dave's Volvo Page Volvo Wiring Harnesses 960 and S90 Volvo 960 Ignition Coil Wiring Harness My coil pack wiring is getting to the point where i need to do something. This new repair harness and installation kit will allow you to splice a new 6 coil branch into your existing main engine. If you inspect your 960 engine wiring harness and see discolored connectors like this below, then i'm sorry to say the days are. Volvo 960 Ignition Coil Wiring Harness.
From www.ebay.com
For VOLVO 960 S90 V90 V40 Ignition Coil Wiring Connector Harness Volvo 960 Ignition Coil Wiring Harness As most of you guys probably experience the wire insulation is brittle and causing misfires here and. If you inspect your 960 engine wiring harness and see discolored connectors like this below, then i'm sorry to say the days are numbered for your harness. This new repair harness and installation kit will allow you to splice a new 6 coil. Volvo 960 Ignition Coil Wiring Harness.
From www.ebay.com
For Volvo 960 S90 V90 S40 V40 Wire Ignition Coil Connector Harness Plug Volvo 960 Ignition Coil Wiring Harness Hello friends, i'm picking up the pieces from a failed ignition wiring harness repair. As most of you guys probably experience the wire insulation is brittle and causing misfires here and. My coil pack wiring is getting to the point where i need to do something. If he can get me one with the vvt plugs, and the harness modified. Volvo 960 Ignition Coil Wiring Harness.
From www.ebay.com
Ignition Coil Connector Harness Plug Repair Kit 3523813 For VOLVO 960 Volvo 960 Ignition Coil Wiring Harness My coil pack wiring is getting to the point where i need to do something. This new repair harness and installation kit will allow you to splice a new 6 coil branch into your existing main engine. As most of you guys probably experience the wire insulation is brittle and causing misfires here and. If he can get me one. Volvo 960 Ignition Coil Wiring Harness.
From www.ebay.com
For VOLVO 960 S90 V90 Ignition Coil Wiring Connector Harness 3523813 Volvo 960 Ignition Coil Wiring Harness 1986 volvo 740 turbo / 760 turbo, part number 3515520. Hello friends, i'm picking up the pieces from a failed ignition wiring harness repair. As most of you guys probably experience the wire insulation is brittle and causing misfires here and. This new repair harness and installation kit will allow you to splice a new 6 coil branch into your. Volvo 960 Ignition Coil Wiring Harness.
From www.walmart.com
Ignition Coil Connector Harness For VOLVO 960 S90 V90 S40 V40 9144275 Volvo 960 Ignition Coil Wiring Harness 3515520 new replacement main engine wire harness for volvo 740. Hello friends, i'm picking up the pieces from a failed ignition wiring harness repair. 1986 volvo 740 turbo / 760 turbo, part number 3515520. This new repair harness and installation kit will allow you to splice a new 6 coil branch into your existing main engine. The tech ordered the. Volvo 960 Ignition Coil Wiring Harness.
From www.autoelectric.ru
VOLVO 960 1993 wiring diagrams Volvo 960 Ignition Coil Wiring Harness 3515520 new replacement main engine wire harness for volvo 740. Hello friends, i'm picking up the pieces from a failed ignition wiring harness repair. My coil pack wiring is getting to the point where i need to do something. The tech ordered the splice kit and made some. This new repair harness and installation kit will allow you to splice. Volvo 960 Ignition Coil Wiring Harness.
From www.alibaba.com
High Quality 9144275 3523813 Wiring Connector Harness Repair Fit For Volvo 960 Ignition Coil Wiring Harness This new repair harness and installation kit will allow you to splice a new 6 coil branch into your existing main engine. If he can get me one with the vvt plugs, and the harness modified for r coil packs, without breaking my arm off, and beating me over the head with it, i'll pick one up. 1986 volvo 740. Volvo 960 Ignition Coil Wiring Harness.
From www.ebay.com
For Volvo S40 V40 960 S90 V90 Ignition Coil Connector Plug Harness Volvo 960 Ignition Coil Wiring Harness If he can get me one with the vvt plugs, and the harness modified for r coil packs, without breaking my arm off, and beating me over the head with it, i'll pick one up. The tech ordered the splice kit and made some. 3515520 new replacement main engine wire harness for volvo 740. If you inspect your 960 engine. Volvo 960 Ignition Coil Wiring Harness.
From www.prancingmoose.com
Dave's Volvo Page Volvo Wiring Harnesses 960 and S90 Volvo 960 Ignition Coil Wiring Harness The tech ordered the splice kit and made some. If you inspect your 960 engine wiring harness and see discolored connectors like this below, then i'm sorry to say the days are numbered for your harness. 3515520 new replacement main engine wire harness for volvo 740. 1986 volvo 740 turbo / 760 turbo, part number 3515520. This new repair harness. Volvo 960 Ignition Coil Wiring Harness.
From www.ebay.com
Ignition Coil /Speed Sensor Harness For VOLVO 960 S90 V90 S40 9144275 Volvo 960 Ignition Coil Wiring Harness This new repair harness and installation kit will allow you to splice a new 6 coil branch into your existing main engine. If he can get me one with the vvt plugs, and the harness modified for r coil packs, without breaking my arm off, and beating me over the head with it, i'll pick one up. As most of. Volvo 960 Ignition Coil Wiring Harness.
From www.240turbo.com
Dave's Volvo Page Volvo Wiring Harnesses 960 and S90 Volvo 960 Ignition Coil Wiring Harness The tech ordered the splice kit and made some. This new repair harness and installation kit will allow you to splice a new 6 coil branch into your existing main engine. If he can get me one with the vvt plugs, and the harness modified for r coil packs, without breaking my arm off, and beating me over the head. Volvo 960 Ignition Coil Wiring Harness.
From www.swedishcarparts.com
9456341 Volvo Direct Ignition Coil Plug Connector Harness Repair Plug Volvo 960 Ignition Coil Wiring Harness 1986 volvo 740 turbo / 760 turbo, part number 3515520. Hello friends, i'm picking up the pieces from a failed ignition wiring harness repair. This new repair harness and installation kit will allow you to splice a new 6 coil branch into your existing main engine. As most of you guys probably experience the wire insulation is brittle and causing. Volvo 960 Ignition Coil Wiring Harness.
From www.240turbo.com
Dave's Volvo Page Volvo Wiring Harnesses 960 and S90 Volvo 960 Ignition Coil Wiring Harness If you inspect your 960 engine wiring harness and see discolored connectors like this below, then i'm sorry to say the days are numbered for your harness. If he can get me one with the vvt plugs, and the harness modified for r coil packs, without breaking my arm off, and beating me over the head with it, i'll pick. Volvo 960 Ignition Coil Wiring Harness.
From www.swedishcarparts.com
Volvo 960,s40 v40 ignition coil connector harness 9135685plug Volvo 960 Ignition Coil Wiring Harness If he can get me one with the vvt plugs, and the harness modified for r coil packs, without breaking my arm off, and beating me over the head with it, i'll pick one up. This new repair harness and installation kit will allow you to splice a new 6 coil branch into your existing main engine. If you inspect. Volvo 960 Ignition Coil Wiring Harness.
From www.240turbo.com
Dave's Volvo Page Volvo Wiring Harnesses 960 and S90 Volvo 960 Ignition Coil Wiring Harness Hello friends, i'm picking up the pieces from a failed ignition wiring harness repair. 3515520 new replacement main engine wire harness for volvo 740. As most of you guys probably experience the wire insulation is brittle and causing misfires here and. The tech ordered the splice kit and made some. My coil pack wiring is getting to the point where. Volvo 960 Ignition Coil Wiring Harness.
From www.ebay.com
Ignition Coil Connector Harness Repair Kit 9144275 3523813 For VOLVO Volvo 960 Ignition Coil Wiring Harness 1986 volvo 740 turbo / 760 turbo, part number 3515520. As most of you guys probably experience the wire insulation is brittle and causing misfires here and. Hello friends, i'm picking up the pieces from a failed ignition wiring harness repair. If you inspect your 960 engine wiring harness and see discolored connectors like this below, then i'm sorry to. Volvo 960 Ignition Coil Wiring Harness.
From www.ebay.com
Ignition Coil Connector Pigtail Harness Wire Plug Repair For Volvo 960 Volvo 960 Ignition Coil Wiring Harness As most of you guys probably experience the wire insulation is brittle and causing misfires here and. 3515520 new replacement main engine wire harness for volvo 740. If he can get me one with the vvt plugs, and the harness modified for r coil packs, without breaking my arm off, and beating me over the head with it, i'll pick. Volvo 960 Ignition Coil Wiring Harness.
From www.swedishcarparts.com
30728019 Volvo Direct Ignition Coil plug connector harness repair kit Volvo 960 Ignition Coil Wiring Harness If you inspect your 960 engine wiring harness and see discolored connectors like this below, then i'm sorry to say the days are numbered for your harness. If he can get me one with the vvt plugs, and the harness modified for r coil packs, without breaking my arm off, and beating me over the head with it, i'll pick. Volvo 960 Ignition Coil Wiring Harness.
From www.ebay.com
Wire Ignition Coil Connector Harness Plug Pigtail For VOLVO 960 S90 V90 Volvo 960 Ignition Coil Wiring Harness The tech ordered the splice kit and made some. 3515520 new replacement main engine wire harness for volvo 740. If you inspect your 960 engine wiring harness and see discolored connectors like this below, then i'm sorry to say the days are numbered for your harness. Hello friends, i'm picking up the pieces from a failed ignition wiring harness repair.. Volvo 960 Ignition Coil Wiring Harness.
From www.prancingmoose.com
Dave's Volvo Page Volvo Wiring Harnesses 960 and S90 Volvo 960 Ignition Coil Wiring Harness As most of you guys probably experience the wire insulation is brittle and causing misfires here and. If you inspect your 960 engine wiring harness and see discolored connectors like this below, then i'm sorry to say the days are numbered for your harness. If he can get me one with the vvt plugs, and the harness modified for r. Volvo 960 Ignition Coil Wiring Harness.
From www.carknowledge.info
Volvo 960 (1995) wiring diagrams ignition Carknowledge.info Volvo 960 Ignition Coil Wiring Harness 1986 volvo 740 turbo / 760 turbo, part number 3515520. The tech ordered the splice kit and made some. If he can get me one with the vvt plugs, and the harness modified for r coil packs, without breaking my arm off, and beating me over the head with it, i'll pick one up. 3515520 new replacement main engine wire. Volvo 960 Ignition Coil Wiring Harness.
From www.ebay.com
For VOLVO 960 S90 V90 Ignition Coil Wiring Connector Harness 3523813 Volvo 960 Ignition Coil Wiring Harness 3515520 new replacement main engine wire harness for volvo 740. As most of you guys probably experience the wire insulation is brittle and causing misfires here and. The tech ordered the splice kit and made some. 1986 volvo 740 turbo / 760 turbo, part number 3515520. If you inspect your 960 engine wiring harness and see discolored connectors like this. Volvo 960 Ignition Coil Wiring Harness.
From www.240turbo.com
Dave's Volvo Page Volvo Wiring Harnesses 960 and S90 Volvo 960 Ignition Coil Wiring Harness 3515520 new replacement main engine wire harness for volvo 740. My coil pack wiring is getting to the point where i need to do something. As most of you guys probably experience the wire insulation is brittle and causing misfires here and. If he can get me one with the vvt plugs, and the harness modified for r coil packs,. Volvo 960 Ignition Coil Wiring Harness.
From www.ebay.com
Ignition Coil Wire Harness Connector Plug 3523813 For Volvo V90 S40 V40 Volvo 960 Ignition Coil Wiring Harness 3515520 new replacement main engine wire harness for volvo 740. If you inspect your 960 engine wiring harness and see discolored connectors like this below, then i'm sorry to say the days are numbered for your harness. Hello friends, i'm picking up the pieces from a failed ignition wiring harness repair. 1986 volvo 740 turbo / 760 turbo, part number. Volvo 960 Ignition Coil Wiring Harness.
From www.ebay.com
VOLVO 960 s90 v90 ignition coil connector harness repair kit eBay Volvo 960 Ignition Coil Wiring Harness 3515520 new replacement main engine wire harness for volvo 740. 1986 volvo 740 turbo / 760 turbo, part number 3515520. My coil pack wiring is getting to the point where i need to do something. If he can get me one with the vvt plugs, and the harness modified for r coil packs, without breaking my arm off, and beating. Volvo 960 Ignition Coil Wiring Harness.
From www.ebay.com
Wiring Connector Harness 3523813 9144275 For VOLVO 960 S90 V90 S40 Volvo 960 Ignition Coil Wiring Harness As most of you guys probably experience the wire insulation is brittle and causing misfires here and. Hello friends, i'm picking up the pieces from a failed ignition wiring harness repair. If you inspect your 960 engine wiring harness and see discolored connectors like this below, then i'm sorry to say the days are numbered for your harness. My coil. Volvo 960 Ignition Coil Wiring Harness.
From ozvolvo.org
960 IGNITION COIL REPAIR HARNESS — Oz Volvo Forums Volvo 960 Ignition Coil Wiring Harness The tech ordered the splice kit and made some. My coil pack wiring is getting to the point where i need to do something. 3515520 new replacement main engine wire harness for volvo 740. This new repair harness and installation kit will allow you to splice a new 6 coil branch into your existing main engine. If you inspect your. Volvo 960 Ignition Coil Wiring Harness.
From www.ebay.com
6 x Wiring Connector Harness 3523813 9144275 For VOLVO 960 S90 V90 Volvo 960 Ignition Coil Wiring Harness This new repair harness and installation kit will allow you to splice a new 6 coil branch into your existing main engine. Hello friends, i'm picking up the pieces from a failed ignition wiring harness repair. 3515520 new replacement main engine wire harness for volvo 740. 1986 volvo 740 turbo / 760 turbo, part number 3515520. My coil pack wiring. Volvo 960 Ignition Coil Wiring Harness.
From volvoforums.com
96 960 ignition wiring help. Volvo Forums Volvo Enthusiasts Forum Volvo 960 Ignition Coil Wiring Harness This new repair harness and installation kit will allow you to splice a new 6 coil branch into your existing main engine. Hello friends, i'm picking up the pieces from a failed ignition wiring harness repair. As most of you guys probably experience the wire insulation is brittle and causing misfires here and. 3515520 new replacement main engine wire harness. Volvo 960 Ignition Coil Wiring Harness.
From www.ebay.com
2Wire Ignition Coil Connector Harness Pigtail Plug For VOLVO 960 S90 Volvo 960 Ignition Coil Wiring Harness My coil pack wiring is getting to the point where i need to do something. As most of you guys probably experience the wire insulation is brittle and causing misfires here and. 3515520 new replacement main engine wire harness for volvo 740. Hello friends, i'm picking up the pieces from a failed ignition wiring harness repair. 1986 volvo 740 turbo. Volvo 960 Ignition Coil Wiring Harness.