Yamaha Xt600 Parts Diagram . This document is the parts catalogue for the yamaha xt600e motorcycle from 2001. Below you will find technical drawings of all parts for a yamaha xt600e 2002, simply select the drawing containing the parts you are looking. English 1996 xt600eh 3wr7 parts catalogue.pdf 1996. English yamaha xt600e parts catalogue english.pdf. It contains 72 pages listing all parts for the bike organized by system, with.
from www.cmsnl.com
Below you will find technical drawings of all parts for a yamaha xt600e 2002, simply select the drawing containing the parts you are looking. English 1996 xt600eh 3wr7 parts catalogue.pdf 1996. English yamaha xt600e parts catalogue english.pdf. It contains 72 pages listing all parts for the bike organized by system, with. This document is the parts catalogue for the yamaha xt600e motorcycle from 2001.
Yamaha XT600 1987 2KF EUROPE 272KF300E2 FRAME buy original FRAME
Yamaha Xt600 Parts Diagram This document is the parts catalogue for the yamaha xt600e motorcycle from 2001. Below you will find technical drawings of all parts for a yamaha xt600e 2002, simply select the drawing containing the parts you are looking. English yamaha xt600e parts catalogue english.pdf. English 1996 xt600eh 3wr7 parts catalogue.pdf 1996. This document is the parts catalogue for the yamaha xt600e motorcycle from 2001. It contains 72 pages listing all parts for the bike organized by system, with.
From wiringdiagram.2bitboer.com
1990 Yamaha Xt600e Wiring Diagram Wiring Diagram Yamaha Xt600 Parts Diagram This document is the parts catalogue for the yamaha xt600e motorcycle from 2001. English 1996 xt600eh 3wr7 parts catalogue.pdf 1996. English yamaha xt600e parts catalogue english.pdf. It contains 72 pages listing all parts for the bike organized by system, with. Below you will find technical drawings of all parts for a yamaha xt600e 2002, simply select the drawing containing the. Yamaha Xt600 Parts Diagram.
From www.bike-parts-yam.com
XT600 XT 1988 600 MOTO Yamaha motorcycle YAMAHA Genuine Spare Parts Yamaha Xt600 Parts Diagram English 1996 xt600eh 3wr7 parts catalogue.pdf 1996. Below you will find technical drawings of all parts for a yamaha xt600e 2002, simply select the drawing containing the parts you are looking. English yamaha xt600e parts catalogue english.pdf. It contains 72 pages listing all parts for the bike organized by system, with. This document is the parts catalogue for the yamaha. Yamaha Xt600 Parts Diagram.
From www.cmsnl.com
Yamaha XT600 1986 43F EUROPE 2643F300E1 ALTERNATE (CHASSIS 1) buy Yamaha Xt600 Parts Diagram English 1996 xt600eh 3wr7 parts catalogue.pdf 1996. It contains 72 pages listing all parts for the bike organized by system, with. English yamaha xt600e parts catalogue english.pdf. This document is the parts catalogue for the yamaha xt600e motorcycle from 2001. Below you will find technical drawings of all parts for a yamaha xt600e 2002, simply select the drawing containing the. Yamaha Xt600 Parts Diagram.
From www.cmsnl.com
Yamaha XT600E 1992 3TB5 EUROPE 223TB300E1 ELECTRICAL 1 buy original Yamaha Xt600 Parts Diagram English yamaha xt600e parts catalogue english.pdf. It contains 72 pages listing all parts for the bike organized by system, with. This document is the parts catalogue for the yamaha xt600e motorcycle from 2001. English 1996 xt600eh 3wr7 parts catalogue.pdf 1996. Below you will find technical drawings of all parts for a yamaha xt600e 2002, simply select the drawing containing the. Yamaha Xt600 Parts Diagram.
From www.cmsnl.com
Yamaha Xt600e 1993 (p) Usa Carburetor schematic partsfiche Yamaha Xt600 Parts Diagram It contains 72 pages listing all parts for the bike organized by system, with. English 1996 xt600eh 3wr7 parts catalogue.pdf 1996. English yamaha xt600e parts catalogue english.pdf. Below you will find technical drawings of all parts for a yamaha xt600e 2002, simply select the drawing containing the parts you are looking. This document is the parts catalogue for the yamaha. Yamaha Xt600 Parts Diagram.
From www.cmsnl.com
Yamaha XT600 DUAL PURPOSE 1985 (F) USA OIL PUMP buy original OIL PUMP Yamaha Xt600 Parts Diagram It contains 72 pages listing all parts for the bike organized by system, with. This document is the parts catalogue for the yamaha xt600e motorcycle from 2001. English 1996 xt600eh 3wr7 parts catalogue.pdf 1996. English yamaha xt600e parts catalogue english.pdf. Below you will find technical drawings of all parts for a yamaha xt600e 2002, simply select the drawing containing the. Yamaha Xt600 Parts Diagram.
From www.bike-parts-yam.com
XT600 XT 1988 600 MOTO Yamaha motorcycle YAMAHA Genuine Spare Parts Yamaha Xt600 Parts Diagram Below you will find technical drawings of all parts for a yamaha xt600e 2002, simply select the drawing containing the parts you are looking. English 1996 xt600eh 3wr7 parts catalogue.pdf 1996. It contains 72 pages listing all parts for the bike organized by system, with. This document is the parts catalogue for the yamaha xt600e motorcycle from 2001. English yamaha. Yamaha Xt600 Parts Diagram.
From www.motorcyclespareparts.eu
Yamaha XT600Z TENERE 1986 Spare Parts MSP Yamaha Xt600 Parts Diagram This document is the parts catalogue for the yamaha xt600e motorcycle from 2001. English yamaha xt600e parts catalogue english.pdf. It contains 72 pages listing all parts for the bike organized by system, with. English 1996 xt600eh 3wr7 parts catalogue.pdf 1996. Below you will find technical drawings of all parts for a yamaha xt600e 2002, simply select the drawing containing the. Yamaha Xt600 Parts Diagram.
From wiringdiagram.2bitboer.com
Yamaha Xt 600 89 Wiring Diagram Wiring Diagram Yamaha Xt600 Parts Diagram This document is the parts catalogue for the yamaha xt600e motorcycle from 2001. It contains 72 pages listing all parts for the bike organized by system, with. English yamaha xt600e parts catalogue english.pdf. Below you will find technical drawings of all parts for a yamaha xt600e 2002, simply select the drawing containing the parts you are looking. English 1996 xt600eh. Yamaha Xt600 Parts Diagram.
From www.cmsnl.com
Yamaha XT600 DUAL PURPOSE 1985 (F) USA CAMSHAFT CHAIN buy original Yamaha Xt600 Parts Diagram Below you will find technical drawings of all parts for a yamaha xt600e 2002, simply select the drawing containing the parts you are looking. It contains 72 pages listing all parts for the bike organized by system, with. English 1996 xt600eh 3wr7 parts catalogue.pdf 1996. This document is the parts catalogue for the yamaha xt600e motorcycle from 2001. English yamaha. Yamaha Xt600 Parts Diagram.
From www.tytrials.co.uk
XT600 & TT600 Parts Trail & Trials UK Ltd Online Shop Yamaha Xt600 Parts Diagram Below you will find technical drawings of all parts for a yamaha xt600e 2002, simply select the drawing containing the parts you are looking. It contains 72 pages listing all parts for the bike organized by system, with. English 1996 xt600eh 3wr7 parts catalogue.pdf 1996. This document is the parts catalogue for the yamaha xt600e motorcycle from 2001. English yamaha. Yamaha Xt600 Parts Diagram.
From www.cmsnl.com
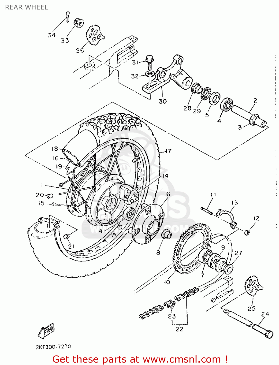
Yamaha XT600 1987 2KF SPAIN 272KF352S2 REAR WHEEL buy original REAR Yamaha Xt600 Parts Diagram English yamaha xt600e parts catalogue english.pdf. This document is the parts catalogue for the yamaha xt600e motorcycle from 2001. It contains 72 pages listing all parts for the bike organized by system, with. English 1996 xt600eh 3wr7 parts catalogue.pdf 1996. Below you will find technical drawings of all parts for a yamaha xt600e 2002, simply select the drawing containing the. Yamaha Xt600 Parts Diagram.
From www.xt600.de
www.xt600.de Yamaha Xt600 Parts Diagram English 1996 xt600eh 3wr7 parts catalogue.pdf 1996. It contains 72 pages listing all parts for the bike organized by system, with. Below you will find technical drawings of all parts for a yamaha xt600e 2002, simply select the drawing containing the parts you are looking. This document is the parts catalogue for the yamaha xt600e motorcycle from 2001. English yamaha. Yamaha Xt600 Parts Diagram.
From www.cmsnl.com
Yamaha XT600 DUAL PURPOSE 1989 (K) USA CARBURETOR buy original Yamaha Xt600 Parts Diagram It contains 72 pages listing all parts for the bike organized by system, with. Below you will find technical drawings of all parts for a yamaha xt600e 2002, simply select the drawing containing the parts you are looking. English 1996 xt600eh 3wr7 parts catalogue.pdf 1996. This document is the parts catalogue for the yamaha xt600e motorcycle from 2001. English yamaha. Yamaha Xt600 Parts Diagram.
From www.cmsnl.com
Yamaha XT600 DUAL PURPOSE 1986 (G) USA METER buy original METER Yamaha Xt600 Parts Diagram This document is the parts catalogue for the yamaha xt600e motorcycle from 2001. Below you will find technical drawings of all parts for a yamaha xt600e 2002, simply select the drawing containing the parts you are looking. English yamaha xt600e parts catalogue english.pdf. English 1996 xt600eh 3wr7 parts catalogue.pdf 1996. It contains 72 pages listing all parts for the bike. Yamaha Xt600 Parts Diagram.
From www.cmsnl.com
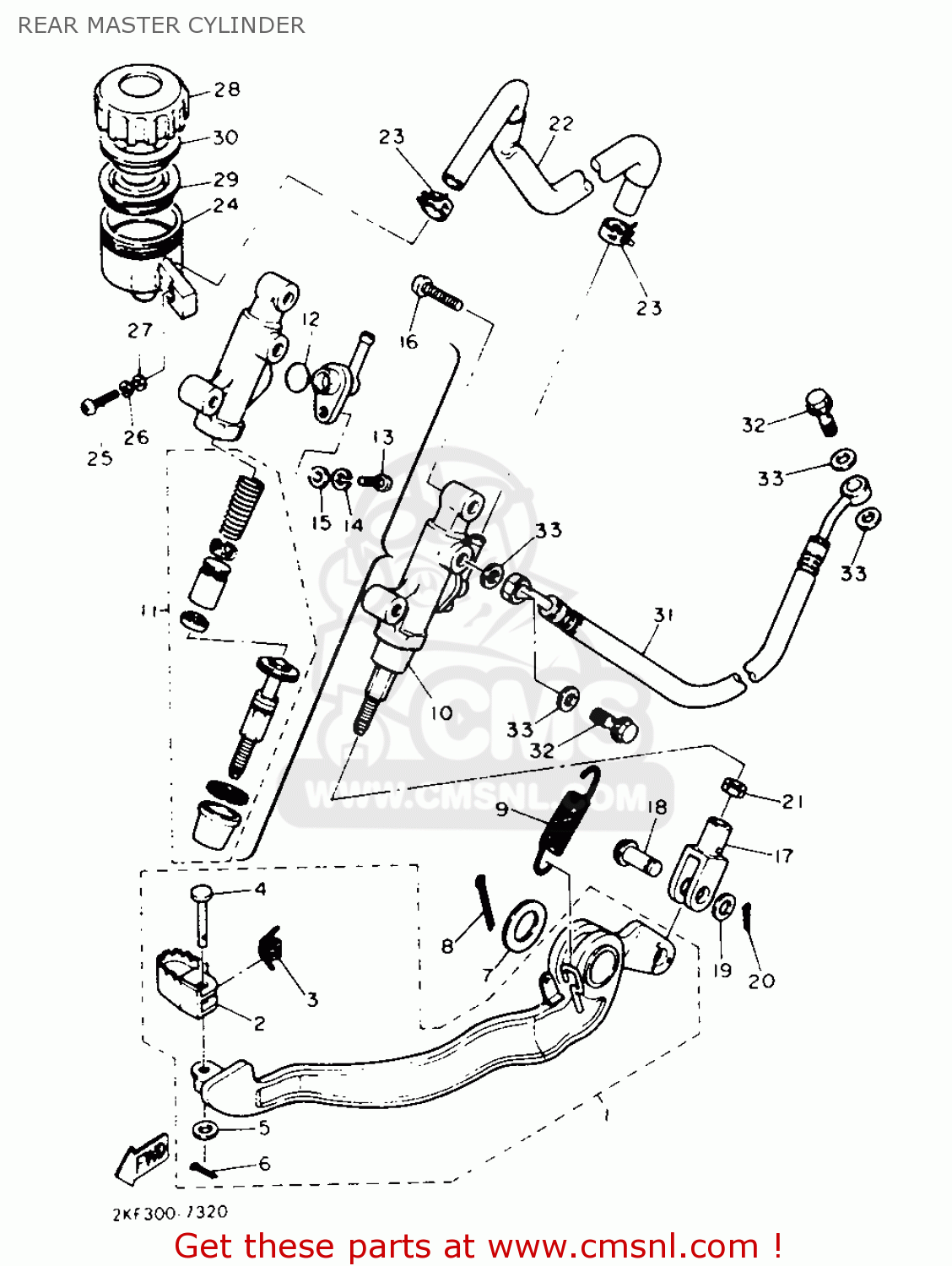
Yamaha XT600 1987 2KF EUROPE 272KF300E2 REAR MASTER CYLINDER buy Yamaha Xt600 Parts Diagram This document is the parts catalogue for the yamaha xt600e motorcycle from 2001. English yamaha xt600e parts catalogue english.pdf. Below you will find technical drawings of all parts for a yamaha xt600e 2002, simply select the drawing containing the parts you are looking. English 1996 xt600eh 3wr7 parts catalogue.pdf 1996. It contains 72 pages listing all parts for the bike. Yamaha Xt600 Parts Diagram.
From www.cmsnl.com
Yamaha XT600 1987 2KF EUROPE 272KF300E2 FRAME buy original FRAME Yamaha Xt600 Parts Diagram English yamaha xt600e parts catalogue english.pdf. English 1996 xt600eh 3wr7 parts catalogue.pdf 1996. Below you will find technical drawings of all parts for a yamaha xt600e 2002, simply select the drawing containing the parts you are looking. This document is the parts catalogue for the yamaha xt600e motorcycle from 2001. It contains 72 pages listing all parts for the bike. Yamaha Xt600 Parts Diagram.
From www.cmsnl.com
Yamaha XT600 DUAL PURPOSE 1988 (J) USA STEERING buy original STEERING Yamaha Xt600 Parts Diagram It contains 72 pages listing all parts for the bike organized by system, with. English 1996 xt600eh 3wr7 parts catalogue.pdf 1996. Below you will find technical drawings of all parts for a yamaha xt600e 2002, simply select the drawing containing the parts you are looking. This document is the parts catalogue for the yamaha xt600e motorcycle from 2001. English yamaha. Yamaha Xt600 Parts Diagram.
From www.cmsnl.com
Yamaha XT600E 2002 4PTB ENGLAND 1A4PT300E1 ELECTRICAL 2 buy original Yamaha Xt600 Parts Diagram English 1996 xt600eh 3wr7 parts catalogue.pdf 1996. It contains 72 pages listing all parts for the bike organized by system, with. This document is the parts catalogue for the yamaha xt600e motorcycle from 2001. English yamaha xt600e parts catalogue english.pdf. Below you will find technical drawings of all parts for a yamaha xt600e 2002, simply select the drawing containing the. Yamaha Xt600 Parts Diagram.
From www.cmsnl.com
Yamaha XT600 1986 43F EUROPE 2643F300E1 ELECTRICAL 2 buy original Yamaha Xt600 Parts Diagram English yamaha xt600e parts catalogue english.pdf. English 1996 xt600eh 3wr7 parts catalogue.pdf 1996. This document is the parts catalogue for the yamaha xt600e motorcycle from 2001. It contains 72 pages listing all parts for the bike organized by system, with. Below you will find technical drawings of all parts for a yamaha xt600e 2002, simply select the drawing containing the. Yamaha Xt600 Parts Diagram.
From www.cmsnl.com
Yamaha XT600 DUAL PURPOSE 1986 (G) USA CYLINDER buy original CYLINDER Yamaha Xt600 Parts Diagram English yamaha xt600e parts catalogue english.pdf. It contains 72 pages listing all parts for the bike organized by system, with. English 1996 xt600eh 3wr7 parts catalogue.pdf 1996. This document is the parts catalogue for the yamaha xt600e motorcycle from 2001. Below you will find technical drawings of all parts for a yamaha xt600e 2002, simply select the drawing containing the. Yamaha Xt600 Parts Diagram.
From www.cmsnl.com
Yamaha XT600 DUAL PURPOSE 1986 (G) USA CYLINDER HEAD buy original Yamaha Xt600 Parts Diagram It contains 72 pages listing all parts for the bike organized by system, with. English 1996 xt600eh 3wr7 parts catalogue.pdf 1996. English yamaha xt600e parts catalogue english.pdf. This document is the parts catalogue for the yamaha xt600e motorcycle from 2001. Below you will find technical drawings of all parts for a yamaha xt600e 2002, simply select the drawing containing the. Yamaha Xt600 Parts Diagram.
From www.cmsnl.com
Yamaha XT600 DUAL PURPOSE 1985 (F) USA STARTER buy original STARTER Yamaha Xt600 Parts Diagram English yamaha xt600e parts catalogue english.pdf. This document is the parts catalogue for the yamaha xt600e motorcycle from 2001. English 1996 xt600eh 3wr7 parts catalogue.pdf 1996. Below you will find technical drawings of all parts for a yamaha xt600e 2002, simply select the drawing containing the parts you are looking. It contains 72 pages listing all parts for the bike. Yamaha Xt600 Parts Diagram.
From www.megazip.net
Rear wheel for 1985 Yamaha XT600 USA sales region, , 14562912810416 Yamaha Xt600 Parts Diagram It contains 72 pages listing all parts for the bike organized by system, with. Below you will find technical drawings of all parts for a yamaha xt600e 2002, simply select the drawing containing the parts you are looking. English 1996 xt600eh 3wr7 parts catalogue.pdf 1996. This document is the parts catalogue for the yamaha xt600e motorcycle from 2001. English yamaha. Yamaha Xt600 Parts Diagram.
From www.cmsnl.com
Yamaha XT600 DUAL PURPOSE 1985 (F) USA FRONT FORK buy original FRONT Yamaha Xt600 Parts Diagram English yamaha xt600e parts catalogue english.pdf. Below you will find technical drawings of all parts for a yamaha xt600e 2002, simply select the drawing containing the parts you are looking. English 1996 xt600eh 3wr7 parts catalogue.pdf 1996. It contains 72 pages listing all parts for the bike organized by system, with. This document is the parts catalogue for the yamaha. Yamaha Xt600 Parts Diagram.
From www.cmsnl.com
Yamaha XT600 1986 43F FRANCE 2643F351F1 FRONT WHEEL buy original Yamaha Xt600 Parts Diagram This document is the parts catalogue for the yamaha xt600e motorcycle from 2001. English 1996 xt600eh 3wr7 parts catalogue.pdf 1996. English yamaha xt600e parts catalogue english.pdf. It contains 72 pages listing all parts for the bike organized by system, with. Below you will find technical drawings of all parts for a yamaha xt600e 2002, simply select the drawing containing the. Yamaha Xt600 Parts Diagram.
From www.cmsnl.com
Yamaha XT600 1986 43F EUROPE 2643F300E1 CRANKSHAFT. PISTON buy Yamaha Xt600 Parts Diagram This document is the parts catalogue for the yamaha xt600e motorcycle from 2001. English yamaha xt600e parts catalogue english.pdf. Below you will find technical drawings of all parts for a yamaha xt600e 2002, simply select the drawing containing the parts you are looking. It contains 72 pages listing all parts for the bike organized by system, with. English 1996 xt600eh. Yamaha Xt600 Parts Diagram.
From www.partzilla.com
Yamaha Motorcycle 1986 OEM Parts Diagram for FRAME XT600S Yamaha Xt600 Parts Diagram English 1996 xt600eh 3wr7 parts catalogue.pdf 1996. Below you will find technical drawings of all parts for a yamaha xt600e 2002, simply select the drawing containing the parts you are looking. English yamaha xt600e parts catalogue english.pdf. It contains 72 pages listing all parts for the bike organized by system, with. This document is the parts catalogue for the yamaha. Yamaha Xt600 Parts Diagram.
From www.bike-parts-yam.com
CARBURETOR for Yamaha XT600 1990 YAMAHA Genuine Spare Parts Catalogue Yamaha Xt600 Parts Diagram English yamaha xt600e parts catalogue english.pdf. English 1996 xt600eh 3wr7 parts catalogue.pdf 1996. Below you will find technical drawings of all parts for a yamaha xt600e 2002, simply select the drawing containing the parts you are looking. It contains 72 pages listing all parts for the bike organized by system, with. This document is the parts catalogue for the yamaha. Yamaha Xt600 Parts Diagram.
From www.bike-parts-yam.com
CARBURETOR for Yamaha XT600 1988 YAMAHA Genuine Spare Parts Catalogue Yamaha Xt600 Parts Diagram This document is the parts catalogue for the yamaha xt600e motorcycle from 2001. Below you will find technical drawings of all parts for a yamaha xt600e 2002, simply select the drawing containing the parts you are looking. English yamaha xt600e parts catalogue english.pdf. It contains 72 pages listing all parts for the bike organized by system, with. English 1996 xt600eh. Yamaha Xt600 Parts Diagram.
From aseatlarel1981.mystrikingly.com
Yamaha Xt 600 Manual Yamaha Xt600 Parts Diagram English yamaha xt600e parts catalogue english.pdf. It contains 72 pages listing all parts for the bike organized by system, with. This document is the parts catalogue for the yamaha xt600e motorcycle from 2001. English 1996 xt600eh 3wr7 parts catalogue.pdf 1996. Below you will find technical drawings of all parts for a yamaha xt600e 2002, simply select the drawing containing the. Yamaha Xt600 Parts Diagram.
From www.cmsnl.com
Yamaha XT600 DUAL PURPOSE 1984 (E) USA AIR FILTER buy original AIR Yamaha Xt600 Parts Diagram Below you will find technical drawings of all parts for a yamaha xt600e 2002, simply select the drawing containing the parts you are looking. English 1996 xt600eh 3wr7 parts catalogue.pdf 1996. This document is the parts catalogue for the yamaha xt600e motorcycle from 2001. English yamaha xt600e parts catalogue english.pdf. It contains 72 pages listing all parts for the bike. Yamaha Xt600 Parts Diagram.
From www.cmsnl.com
Yamaha Xt600 Dual Purpose 1984 (e) Usa Carburetor schematic partsfiche Yamaha Xt600 Parts Diagram This document is the parts catalogue for the yamaha xt600e motorcycle from 2001. English 1996 xt600eh 3wr7 parts catalogue.pdf 1996. It contains 72 pages listing all parts for the bike organized by system, with. English yamaha xt600e parts catalogue english.pdf. Below you will find technical drawings of all parts for a yamaha xt600e 2002, simply select the drawing containing the. Yamaha Xt600 Parts Diagram.
From www.cmsnl.com
Yamaha XT600 1986 43F EUROPE 2643F300E1 ELECTRICAL 1 buy original Yamaha Xt600 Parts Diagram This document is the parts catalogue for the yamaha xt600e motorcycle from 2001. English yamaha xt600e parts catalogue english.pdf. English 1996 xt600eh 3wr7 parts catalogue.pdf 1996. It contains 72 pages listing all parts for the bike organized by system, with. Below you will find technical drawings of all parts for a yamaha xt600e 2002, simply select the drawing containing the. Yamaha Xt600 Parts Diagram.
From www.partzilla.com
Yamaha Motorcycle 1985 OEM Parts Diagram for FUEL TANK XT600L N Yamaha Xt600 Parts Diagram This document is the parts catalogue for the yamaha xt600e motorcycle from 2001. English yamaha xt600e parts catalogue english.pdf. It contains 72 pages listing all parts for the bike organized by system, with. English 1996 xt600eh 3wr7 parts catalogue.pdf 1996. Below you will find technical drawings of all parts for a yamaha xt600e 2002, simply select the drawing containing the. Yamaha Xt600 Parts Diagram.