How Does A Suction Dampener Work . Pulsation dampener / suction stabilizer: How does an active pulsation dampener work? The compressed air introduced into the counter. A pulsation damper works thanks to the same compressed air that feeds the pump. The dampening process used by pulsation dampeners is precise and works by applying equal pressure to the pump strokes. How does a pulsation damper work? Suction gas is routed first to a suction scrubber to eliminate any liquids that may condense in the suction line due to cooling and to trap liquid. A device installed in a pipe system that dampens pressure spikes and pulsations as a result of changes in the velocity of a fluid. Cause and effect of pressure. Pecial feature pulsation dampening in suction and discharge systems for pd pumps there are many specific requirements for the. The active pulsation dampener works by supplying an equal pressure to the pulsation supplied by the pump. A hydraulic pulsation dampener, also known as a hydraulic accumulator, is a specialized device used in hydraulic systems to reduce or eliminate pressure pulsations and surges that can occur during the operation of hydraulic equipment, such as pumps, valves, and actuators.
from integratedwww.com
How does an active pulsation dampener work? A pulsation damper works thanks to the same compressed air that feeds the pump. The dampening process used by pulsation dampeners is precise and works by applying equal pressure to the pump strokes. Pecial feature pulsation dampening in suction and discharge systems for pd pumps there are many specific requirements for the. A device installed in a pipe system that dampens pressure spikes and pulsations as a result of changes in the velocity of a fluid. How does a pulsation damper work? Pulsation dampener / suction stabilizer: The active pulsation dampener works by supplying an equal pressure to the pulsation supplied by the pump. A hydraulic pulsation dampener, also known as a hydraulic accumulator, is a specialized device used in hydraulic systems to reduce or eliminate pressure pulsations and surges that can occur during the operation of hydraulic equipment, such as pumps, valves, and actuators. Suction gas is routed first to a suction scrubber to eliminate any liquids that may condense in the suction line due to cooling and to trap liquid.
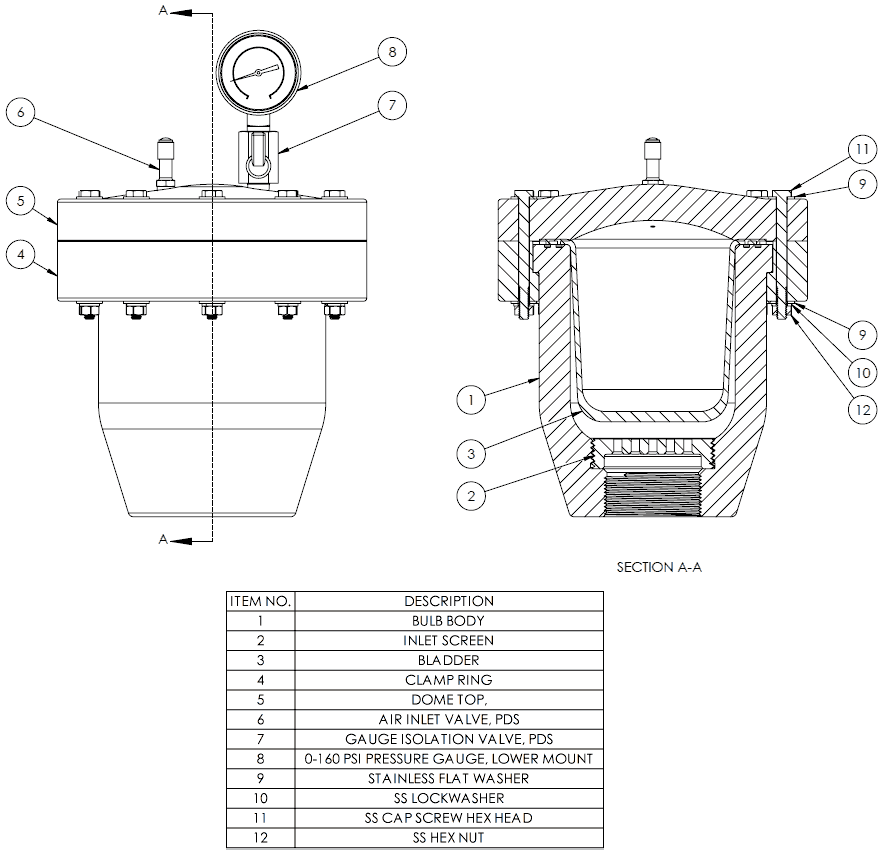
Pulsation Dampener Diaphragms (Bladders) Integrated Equipment, Inc
How Does A Suction Dampener Work Cause and effect of pressure. How does an active pulsation dampener work? A device installed in a pipe system that dampens pressure spikes and pulsations as a result of changes in the velocity of a fluid. Cause and effect of pressure. The active pulsation dampener works by supplying an equal pressure to the pulsation supplied by the pump. A pulsation damper works thanks to the same compressed air that feeds the pump. Pecial feature pulsation dampening in suction and discharge systems for pd pumps there are many specific requirements for the. Pulsation dampener / suction stabilizer: The compressed air introduced into the counter. Suction gas is routed first to a suction scrubber to eliminate any liquids that may condense in the suction line due to cooling and to trap liquid. How does a pulsation damper work? A hydraulic pulsation dampener, also known as a hydraulic accumulator, is a specialized device used in hydraulic systems to reduce or eliminate pressure pulsations and surges that can occur during the operation of hydraulic equipment, such as pumps, valves, and actuators. The dampening process used by pulsation dampeners is precise and works by applying equal pressure to the pump strokes.
From www.indiamart.com
Pulsation Damper . at best price in Palghar by Shalin Composites India How Does A Suction Dampener Work How does a pulsation damper work? The active pulsation dampener works by supplying an equal pressure to the pulsation supplied by the pump. A device installed in a pipe system that dampens pressure spikes and pulsations as a result of changes in the velocity of a fluid. Suction gas is routed first to a suction scrubber to eliminate any liquids. How Does A Suction Dampener Work.
From www.angi.com
What Are HVAC Dampers and How Do They Work? How Does A Suction Dampener Work How does an active pulsation dampener work? The dampening process used by pulsation dampeners is precise and works by applying equal pressure to the pump strokes. A hydraulic pulsation dampener, also known as a hydraulic accumulator, is a specialized device used in hydraulic systems to reduce or eliminate pressure pulsations and surges that can occur during the operation of hydraulic. How Does A Suction Dampener Work.
From v9306.1blu.de
Introduction To Pulsation Dampeners Surge Suppressors How Does A Suction Dampener Work Cause and effect of pressure. The active pulsation dampener works by supplying an equal pressure to the pulsation supplied by the pump. The dampening process used by pulsation dampeners is precise and works by applying equal pressure to the pump strokes. A device installed in a pipe system that dampens pressure spikes and pulsations as a result of changes in. How Does A Suction Dampener Work.
From practicalmotoring.com.au
Why does my suspension squeak and rattle? Practical Motoring How Does A Suction Dampener Work A hydraulic pulsation dampener, also known as a hydraulic accumulator, is a specialized device used in hydraulic systems to reduce or eliminate pressure pulsations and surges that can occur during the operation of hydraulic equipment, such as pumps, valves, and actuators. The active pulsation dampener works by supplying an equal pressure to the pulsation supplied by the pump. Suction gas. How Does A Suction Dampener Work.
From giozahumh.blob.core.windows.net
Damper Designs at Kellie Weller blog How Does A Suction Dampener Work How does a pulsation damper work? Pulsation dampener / suction stabilizer: Pecial feature pulsation dampening in suction and discharge systems for pd pumps there are many specific requirements for the. Suction gas is routed first to a suction scrubber to eliminate any liquids that may condense in the suction line due to cooling and to trap liquid. A pulsation damper. How Does A Suction Dampener Work.
From impeller.net
Understanding the Multiple Functions of Pulsation Dampeners/Surge How Does A Suction Dampener Work How does an active pulsation dampener work? Pecial feature pulsation dampening in suction and discharge systems for pd pumps there are many specific requirements for the. The dampening process used by pulsation dampeners is precise and works by applying equal pressure to the pump strokes. The compressed air introduced into the counter. Suction gas is routed first to a suction. How Does A Suction Dampener Work.
From aro-pumps.co.uk
Shock Blocker Pulsation Dampeners ARO Pumps & Equipment Air Pumping Ltd How Does A Suction Dampener Work A pulsation damper works thanks to the same compressed air that feeds the pump. A device installed in a pipe system that dampens pressure spikes and pulsations as a result of changes in the velocity of a fluid. The compressed air introduced into the counter. Cause and effect of pressure. Suction gas is routed first to a suction scrubber to. How Does A Suction Dampener Work.
From www.onallcylinders.com
Harmonic Balancers and Dampers How Does A Suction Dampener Work A device installed in a pipe system that dampens pressure spikes and pulsations as a result of changes in the velocity of a fluid. How does a pulsation damper work? Cause and effect of pressure. The active pulsation dampener works by supplying an equal pressure to the pulsation supplied by the pump. Pulsation dampener / suction stabilizer: A hydraulic pulsation. How Does A Suction Dampener Work.
From www.pulsationdampeners.com
Pulsation Dampeners Suction & Discharge Pulsation Stabilizers How Does A Suction Dampener Work The dampening process used by pulsation dampeners is precise and works by applying equal pressure to the pump strokes. A device installed in a pipe system that dampens pressure spikes and pulsations as a result of changes in the velocity of a fluid. Pecial feature pulsation dampening in suction and discharge systems for pd pumps there are many specific requirements. How Does A Suction Dampener Work.
From www.youtube.com
How The Integrated Pulsation Dampener Works YouTube How Does A Suction Dampener Work How does a pulsation damper work? Cause and effect of pressure. Pecial feature pulsation dampening in suction and discharge systems for pd pumps there are many specific requirements for the. The compressed air introduced into the counter. Pulsation dampener / suction stabilizer: A device installed in a pipe system that dampens pressure spikes and pulsations as a result of changes. How Does A Suction Dampener Work.
From integratedwww.com
Pulsation Dampener Diaphragms (Bladders) Integrated Equipment, Inc How Does A Suction Dampener Work How does a pulsation damper work? Cause and effect of pressure. A device installed in a pipe system that dampens pressure spikes and pulsations as a result of changes in the velocity of a fluid. Pecial feature pulsation dampening in suction and discharge systems for pd pumps there are many specific requirements for the. A pulsation damper works thanks to. How Does A Suction Dampener Work.
From www.pulsationdampeners.com
Pulsation Dampeners Suction & Discharge Pulsation Stabilizers How Does A Suction Dampener Work The dampening process used by pulsation dampeners is precise and works by applying equal pressure to the pump strokes. A hydraulic pulsation dampener, also known as a hydraulic accumulator, is a specialized device used in hydraulic systems to reduce or eliminate pressure pulsations and surges that can occur during the operation of hydraulic equipment, such as pumps, valves, and actuators.. How Does A Suction Dampener Work.
From www.psgdover.com
Wilden® Equalizer® Surge Dampeners Pulsation Dampener for AODD Pumps How Does A Suction Dampener Work The active pulsation dampener works by supplying an equal pressure to the pulsation supplied by the pump. How does an active pulsation dampener work? A pulsation damper works thanks to the same compressed air that feeds the pump. Cause and effect of pressure. How does a pulsation damper work? Pulsation dampener / suction stabilizer: A hydraulic pulsation dampener, also known. How Does A Suction Dampener Work.
From griffcovalve.com
Griffco Valve Proven Chemical Feed Accessories Griffco Valve How Does A Suction Dampener Work Cause and effect of pressure. Suction gas is routed first to a suction scrubber to eliminate any liquids that may condense in the suction line due to cooling and to trap liquid. How does a pulsation damper work? The compressed air introduced into the counter. A hydraulic pulsation dampener, also known as a hydraulic accumulator, is a specialized device used. How Does A Suction Dampener Work.
From www.pulseguard.co.uk
x How Does A Suction Dampener Work The dampening process used by pulsation dampeners is precise and works by applying equal pressure to the pump strokes. Suction gas is routed first to a suction scrubber to eliminate any liquids that may condense in the suction line due to cooling and to trap liquid. A hydraulic pulsation dampener, also known as a hydraulic accumulator, is a specialized device. How Does A Suction Dampener Work.
From www.northridgepumps.com
Air Operated Double Diaphragm Pumps Guide How Does A Suction Dampener Work The dampening process used by pulsation dampeners is precise and works by applying equal pressure to the pump strokes. A device installed in a pipe system that dampens pressure spikes and pulsations as a result of changes in the velocity of a fluid. Pecial feature pulsation dampening in suction and discharge systems for pd pumps there are many specific requirements. How Does A Suction Dampener Work.
From www.iqsdirectory.com
Diaphragm Valves Types, Uses, Features and Benefits How Does A Suction Dampener Work Pecial feature pulsation dampening in suction and discharge systems for pd pumps there are many specific requirements for the. Pulsation dampener / suction stabilizer: How does an active pulsation dampener work? A device installed in a pipe system that dampens pressure spikes and pulsations as a result of changes in the velocity of a fluid. A pulsation damper works thanks. How Does A Suction Dampener Work.
From www.youtube.com
How does a PULSATION DAMPENER work? +ANIMATION YouTube How Does A Suction Dampener Work A hydraulic pulsation dampener, also known as a hydraulic accumulator, is a specialized device used in hydraulic systems to reduce or eliminate pressure pulsations and surges that can occur during the operation of hydraulic equipment, such as pumps, valves, and actuators. The compressed air introduced into the counter. Pulsation dampener / suction stabilizer: A pulsation damper works thanks to the. How Does A Suction Dampener Work.
From www.eng-tips.com
Sentry pulsation Dampener on suction and Discharge location Pump How Does A Suction Dampener Work A hydraulic pulsation dampener, also known as a hydraulic accumulator, is a specialized device used in hydraulic systems to reduce or eliminate pressure pulsations and surges that can occur during the operation of hydraulic equipment, such as pumps, valves, and actuators. Cause and effect of pressure. The compressed air introduced into the counter. Pecial feature pulsation dampening in suction and. How Does A Suction Dampener Work.
From www.slideserve.com
PPT Metering Pumps and Pump Systems PowerPoint Presentation, free How Does A Suction Dampener Work Cause and effect of pressure. Pulsation dampener / suction stabilizer: A hydraulic pulsation dampener, also known as a hydraulic accumulator, is a specialized device used in hydraulic systems to reduce or eliminate pressure pulsations and surges that can occur during the operation of hydraulic equipment, such as pumps, valves, and actuators. The dampening process used by pulsation dampeners is precise. How Does A Suction Dampener Work.
From calverst.com
Suspension Dampers, basic knowledge How Does A Suction Dampener Work Cause and effect of pressure. A pulsation damper works thanks to the same compressed air that feeds the pump. Pulsation dampener / suction stabilizer: The compressed air introduced into the counter. Suction gas is routed first to a suction scrubber to eliminate any liquids that may condense in the suction line due to cooling and to trap liquid. A hydraulic. How Does A Suction Dampener Work.
From www.youtube.com
How Do Active Dampers Work? TracTive Active Suspension Explained YouTube How Does A Suction Dampener Work The compressed air introduced into the counter. A pulsation damper works thanks to the same compressed air that feeds the pump. Pulsation dampener / suction stabilizer: How does a pulsation damper work? A device installed in a pipe system that dampens pressure spikes and pulsations as a result of changes in the velocity of a fluid. How does an active. How Does A Suction Dampener Work.
From proaireq.com
How To Adjust Air Duct Damper ProAir Industries, Inc. How Does A Suction Dampener Work The dampening process used by pulsation dampeners is precise and works by applying equal pressure to the pump strokes. How does a pulsation damper work? How does an active pulsation dampener work? Pecial feature pulsation dampening in suction and discharge systems for pd pumps there are many specific requirements for the. A hydraulic pulsation dampener, also known as a hydraulic. How Does A Suction Dampener Work.
From www.rdpmc.com
Types Of Mud Pump Pulsation Dampeners Dezhou Rundong How Does A Suction Dampener Work Pecial feature pulsation dampening in suction and discharge systems for pd pumps there are many specific requirements for the. How does an active pulsation dampener work? The compressed air introduced into the counter. A device installed in a pipe system that dampens pressure spikes and pulsations as a result of changes in the velocity of a fluid. Suction gas is. How Does A Suction Dampener Work.
From calverst.com
Suspension Dampers, basic knowledge How Does A Suction Dampener Work A pulsation damper works thanks to the same compressed air that feeds the pump. The active pulsation dampener works by supplying an equal pressure to the pulsation supplied by the pump. How does an active pulsation dampener work? Cause and effect of pressure. Suction gas is routed first to a suction scrubber to eliminate any liquids that may condense in. How Does A Suction Dampener Work.
From pulsation-dampers-hidracar.com
Special design for bellows dampers Hidracar How Does A Suction Dampener Work How does an active pulsation dampener work? The active pulsation dampener works by supplying an equal pressure to the pulsation supplied by the pump. A hydraulic pulsation dampener, also known as a hydraulic accumulator, is a specialized device used in hydraulic systems to reduce or eliminate pressure pulsations and surges that can occur during the operation of hydraulic equipment, such. How Does A Suction Dampener Work.
From knf.com
What Are Pulsation Dampeners & How Do They Work? KNF How Does A Suction Dampener Work A device installed in a pipe system that dampens pressure spikes and pulsations as a result of changes in the velocity of a fluid. Suction gas is routed first to a suction scrubber to eliminate any liquids that may condense in the suction line due to cooling and to trap liquid. The active pulsation dampener works by supplying an equal. How Does A Suction Dampener Work.
From www.tspumps.co.uk
Pulsation Dampeners TS Pumps How Does A Suction Dampener Work Pulsation dampener / suction stabilizer: How does a pulsation damper work? A pulsation damper works thanks to the same compressed air that feeds the pump. The compressed air introduced into the counter. Pecial feature pulsation dampening in suction and discharge systems for pd pumps there are many specific requirements for the. The dampening process used by pulsation dampeners is precise. How Does A Suction Dampener Work.
From www.caranddriver.com
Damper and Awe 6 Types of Automotive Dampers Explained How Does A Suction Dampener Work A device installed in a pipe system that dampens pressure spikes and pulsations as a result of changes in the velocity of a fluid. Cause and effect of pressure. A pulsation damper works thanks to the same compressed air that feeds the pump. The active pulsation dampener works by supplying an equal pressure to the pulsation supplied by the pump.. How Does A Suction Dampener Work.
From www.youtube.com
Suction Pump Installation Piping YouTube How Does A Suction Dampener Work Pulsation dampener / suction stabilizer: A pulsation damper works thanks to the same compressed air that feeds the pump. How does an active pulsation dampener work? Pecial feature pulsation dampening in suction and discharge systems for pd pumps there are many specific requirements for the. A device installed in a pipe system that dampens pressure spikes and pulsations as a. How Does A Suction Dampener Work.
From www.yamadapump.com
What is a Pulsation Dampener? Yamada Pump How Does A Suction Dampener Work The compressed air introduced into the counter. How does a pulsation damper work? The dampening process used by pulsation dampeners is precise and works by applying equal pressure to the pump strokes. The active pulsation dampener works by supplying an equal pressure to the pulsation supplied by the pump. Cause and effect of pressure. Suction gas is routed first to. How Does A Suction Dampener Work.
From www.mech4study.com
How a Reciprocating Pump Work? What are main Types of Reciprocating How Does A Suction Dampener Work The compressed air introduced into the counter. The active pulsation dampener works by supplying an equal pressure to the pulsation supplied by the pump. Pulsation dampener / suction stabilizer: Suction gas is routed first to a suction scrubber to eliminate any liquids that may condense in the suction line due to cooling and to trap liquid. The dampening process used. How Does A Suction Dampener Work.
From www.youtube.com
Pulsation Dampeners for Peristaltic & Hose Pumps YouTube How Does A Suction Dampener Work A device installed in a pipe system that dampens pressure spikes and pulsations as a result of changes in the velocity of a fluid. The dampening process used by pulsation dampeners is precise and works by applying equal pressure to the pump strokes. Pecial feature pulsation dampening in suction and discharge systems for pd pumps there are many specific requirements. How Does A Suction Dampener Work.
From www.mdpi.com
Sensors Free FullText Hydraulic Vehicle Damper Controlled by How Does A Suction Dampener Work The compressed air introduced into the counter. The active pulsation dampener works by supplying an equal pressure to the pulsation supplied by the pump. A device installed in a pipe system that dampens pressure spikes and pulsations as a result of changes in the velocity of a fluid. The dampening process used by pulsation dampeners is precise and works by. How Does A Suction Dampener Work.
From pomten.com
Pulsation Dampener / Surge Supressor / Water Hammer Arrestor / Suction How Does A Suction Dampener Work A pulsation damper works thanks to the same compressed air that feeds the pump. A device installed in a pipe system that dampens pressure spikes and pulsations as a result of changes in the velocity of a fluid. The dampening process used by pulsation dampeners is precise and works by applying equal pressure to the pump strokes. A hydraulic pulsation. How Does A Suction Dampener Work.