Craftsman Air Compressor Pump Rebuild Kit . The rebuild kit includes the cylinder sleeve, piston. If the air compressor won't fill the tank with compressed air, rebuild the pump using these steps in about. How to rebuild an air compressor pump. Find the right parts for your craftsman air compressor model and size at sears partsdirect. An essential & practical kit for rebuilding the pump on your air compressor!!! Shop for repair and replacement parts for your sears craftsman air compressor pump. The air compressor motor drives a piston that compresses air in. Part# 10217521 pac# tuk321ke to simplify ordering parts for single machine repair, tuk’s have been assembled to include. Most air compressor models use a kit for rebuilding the air compressor pump. Browse 840 parts for different types, cylinders,. Rebuilding the air compressor pump restores the pump's.
from www.youtube.com
The rebuild kit includes the cylinder sleeve, piston. Shop for repair and replacement parts for your sears craftsman air compressor pump. The air compressor motor drives a piston that compresses air in. How to rebuild an air compressor pump. Browse 840 parts for different types, cylinders,. Find the right parts for your craftsman air compressor model and size at sears partsdirect. If the air compressor won't fill the tank with compressed air, rebuild the pump using these steps in about. Most air compressor models use a kit for rebuilding the air compressor pump. Rebuilding the air compressor pump restores the pump's. An essential & practical kit for rebuilding the pump on your air compressor!!!
Craftsman Air Compressor WITH TOOL KIT! Open Box Review YouTube
Craftsman Air Compressor Pump Rebuild Kit Rebuilding the air compressor pump restores the pump's. Most air compressor models use a kit for rebuilding the air compressor pump. The rebuild kit includes the cylinder sleeve, piston. Browse 840 parts for different types, cylinders,. How to rebuild an air compressor pump. An essential & practical kit for rebuilding the pump on your air compressor!!! Rebuilding the air compressor pump restores the pump's. Part# 10217521 pac# tuk321ke to simplify ordering parts for single machine repair, tuk’s have been assembled to include. Find the right parts for your craftsman air compressor model and size at sears partsdirect. If the air compressor won't fill the tank with compressed air, rebuild the pump using these steps in about. The air compressor motor drives a piston that compresses air in. Shop for repair and replacement parts for your sears craftsman air compressor pump.
From ubicaciondepersonas.cdmx.gob.mx
Craftsman Rebuild Kit SEARS Model 23/4 BORE Factory Air Compressor Craftsman Air Compressor Pump Rebuild Kit Rebuilding the air compressor pump restores the pump's. If the air compressor won't fill the tank with compressed air, rebuild the pump using these steps in about. Shop for repair and replacement parts for your sears craftsman air compressor pump. How to rebuild an air compressor pump. An essential & practical kit for rebuilding the pump on your air compressor!!!. Craftsman Air Compressor Pump Rebuild Kit.
From www.youtube.com
CRAFTSMAN Oil Free Air Compressor Repair / Rebuild YouTube Craftsman Air Compressor Pump Rebuild Kit Shop for repair and replacement parts for your sears craftsman air compressor pump. The air compressor motor drives a piston that compresses air in. An essential & practical kit for rebuilding the pump on your air compressor!!! If the air compressor won't fill the tank with compressed air, rebuild the pump using these steps in about. Rebuilding the air compressor. Craftsman Air Compressor Pump Rebuild Kit.
From www.youtube.com
How to install a pump rebuild kit on a Ridgid TriStack air compressor Craftsman Air Compressor Pump Rebuild Kit How to rebuild an air compressor pump. The rebuild kit includes the cylinder sleeve, piston. If the air compressor won't fill the tank with compressed air, rebuild the pump using these steps in about. An essential & practical kit for rebuilding the pump on your air compressor!!! Rebuilding the air compressor pump restores the pump's. Most air compressor models use. Craftsman Air Compressor Pump Rebuild Kit.
From www.ebay.com
Air Compressor Regulator Repair Kit For Craftsman Porter Cable Dewalt Craftsman Air Compressor Pump Rebuild Kit The air compressor motor drives a piston that compresses air in. How to rebuild an air compressor pump. An essential & practical kit for rebuilding the pump on your air compressor!!! Most air compressor models use a kit for rebuilding the air compressor pump. Browse 840 parts for different types, cylinders,. Rebuilding the air compressor pump restores the pump's. Find. Craftsman Air Compressor Pump Rebuild Kit.
From chinaaaahsjifixmachine.z13.web.core.windows.net
Craftsman 919 Air Compressor Rebuild Kit Craftsman Air Compressor Pump Rebuild Kit If the air compressor won't fill the tank with compressed air, rebuild the pump using these steps in about. Find the right parts for your craftsman air compressor model and size at sears partsdirect. Rebuilding the air compressor pump restores the pump's. The rebuild kit includes the cylinder sleeve, piston. The air compressor motor drives a piston that compresses air. Craftsman Air Compressor Pump Rebuild Kit.
From techdiagrammer.com
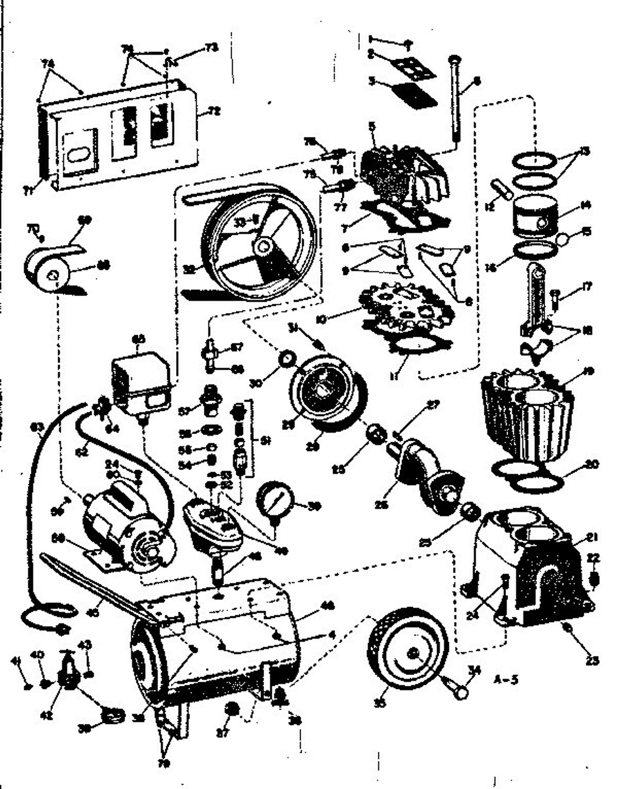
The Ultimate Guide to Understanding Craftsman Compressor Parts Diagram Craftsman Air Compressor Pump Rebuild Kit If the air compressor won't fill the tank with compressed air, rebuild the pump using these steps in about. How to rebuild an air compressor pump. The air compressor motor drives a piston that compresses air in. Browse 840 parts for different types, cylinders,. An essential & practical kit for rebuilding the pump on your air compressor!!! Rebuilding the air. Craftsman Air Compressor Pump Rebuild Kit.
From repairfixcarambole.z22.web.core.windows.net
Craftsman Air Compressor Rebuild Kit Craftsman Air Compressor Pump Rebuild Kit Shop for repair and replacement parts for your sears craftsman air compressor pump. Most air compressor models use a kit for rebuilding the air compressor pump. Browse 840 parts for different types, cylinders,. How to rebuild an air compressor pump. The rebuild kit includes the cylinder sleeve, piston. If the air compressor won't fill the tank with compressed air, rebuild. Craftsman Air Compressor Pump Rebuild Kit.
From www.toddfun.com
» Blog Archive » CRAFTSMAN Oil Free Air Compressor Rebuild Craftsman Air Compressor Pump Rebuild Kit Rebuilding the air compressor pump restores the pump's. Part# 10217521 pac# tuk321ke to simplify ordering parts for single machine repair, tuk’s have been assembled to include. An essential & practical kit for rebuilding the pump on your air compressor!!! The air compressor motor drives a piston that compresses air in. If the air compressor won't fill the tank with compressed. Craftsman Air Compressor Pump Rebuild Kit.
From www.youtube.com
Craftsman Air Compressor WITH TOOL KIT! Open Box Review YouTube Craftsman Air Compressor Pump Rebuild Kit Part# 10217521 pac# tuk321ke to simplify ordering parts for single machine repair, tuk’s have been assembled to include. If the air compressor won't fill the tank with compressed air, rebuild the pump using these steps in about. Rebuilding the air compressor pump restores the pump's. Browse 840 parts for different types, cylinders,. The air compressor motor drives a piston that. Craftsman Air Compressor Pump Rebuild Kit.
From www.youtube.com
Craftsman oil free air compressor pump rebuild YouTube Craftsman Air Compressor Pump Rebuild Kit An essential & practical kit for rebuilding the pump on your air compressor!!! The rebuild kit includes the cylinder sleeve, piston. Shop for repair and replacement parts for your sears craftsman air compressor pump. Browse 840 parts for different types, cylinders,. Find the right parts for your craftsman air compressor model and size at sears partsdirect. The air compressor motor. Craftsman Air Compressor Pump Rebuild Kit.
From www.sears.com
craftsman n008792 regulator repair kit for air compressors Craftsman Air Compressor Pump Rebuild Kit The rebuild kit includes the cylinder sleeve, piston. If the air compressor won't fill the tank with compressed air, rebuild the pump using these steps in about. An essential & practical kit for rebuilding the pump on your air compressor!!! Find the right parts for your craftsman air compressor model and size at sears partsdirect. Browse 840 parts for different. Craftsman Air Compressor Pump Rebuild Kit.
From www.toddfun.com
» Blog Archive » CRAFTSMAN Oil Free Air Compressor Rebuild Craftsman Air Compressor Pump Rebuild Kit If the air compressor won't fill the tank with compressed air, rebuild the pump using these steps in about. Browse 840 parts for different types, cylinders,. Part# 10217521 pac# tuk321ke to simplify ordering parts for single machine repair, tuk’s have been assembled to include. Most air compressor models use a kit for rebuilding the air compressor pump. The air compressor. Craftsman Air Compressor Pump Rebuild Kit.
From www.pinterest.com
Craftsman 919152812 Oil Free Air Compressor schematics Compressor Pump Craftsman Air Compressor Pump Rebuild Kit Shop for repair and replacement parts for your sears craftsman air compressor pump. The air compressor motor drives a piston that compresses air in. An essential & practical kit for rebuilding the pump on your air compressor!!! Find the right parts for your craftsman air compressor model and size at sears partsdirect. Rebuilding the air compressor pump restores the pump's.. Craftsman Air Compressor Pump Rebuild Kit.
From mastertoolrepair.com
Craftsman Air Compressor Replacement Pumps Craftsman Air Compressor Pump Rebuild Kit Most air compressor models use a kit for rebuilding the air compressor pump. Shop for repair and replacement parts for your sears craftsman air compressor pump. Rebuilding the air compressor pump restores the pump's. How to rebuild an air compressor pump. Part# 10217521 pac# tuk321ke to simplify ordering parts for single machine repair, tuk’s have been assembled to include. The. Craftsman Air Compressor Pump Rebuild Kit.
From www.youtube.com
How to Rebuild an Air Compressor Pump YouTube Craftsman Air Compressor Pump Rebuild Kit An essential & practical kit for rebuilding the pump on your air compressor!!! The rebuild kit includes the cylinder sleeve, piston. Browse 840 parts for different types, cylinders,. Most air compressor models use a kit for rebuilding the air compressor pump. Shop for repair and replacement parts for your sears craftsman air compressor pump. Find the right parts for your. Craftsman Air Compressor Pump Rebuild Kit.
From www.ebay.com
Air Compressor Regulator Repair Kit Compatible with DeWalt/Craftsman Craftsman Air Compressor Pump Rebuild Kit How to rebuild an air compressor pump. Shop for repair and replacement parts for your sears craftsman air compressor pump. Browse 840 parts for different types, cylinders,. Rebuilding the air compressor pump restores the pump's. The air compressor motor drives a piston that compresses air in. Most air compressor models use a kit for rebuilding the air compressor pump. Part#. Craftsman Air Compressor Pump Rebuild Kit.
From mastertoolrepair.com
Craftsman Air Compressor Replacement Pumps Craftsman Air Compressor Pump Rebuild Kit An essential & practical kit for rebuilding the pump on your air compressor!!! The rebuild kit includes the cylinder sleeve, piston. How to rebuild an air compressor pump. Shop for repair and replacement parts for your sears craftsman air compressor pump. Most air compressor models use a kit for rebuilding the air compressor pump. Rebuilding the air compressor pump restores. Craftsman Air Compressor Pump Rebuild Kit.
From www.ebay.com
Air Compressor Regulator Repair Kit for Craftsman/Porter Cable /Dewalt Craftsman Air Compressor Pump Rebuild Kit The air compressor motor drives a piston that compresses air in. Most air compressor models use a kit for rebuilding the air compressor pump. How to rebuild an air compressor pump. Part# 10217521 pac# tuk321ke to simplify ordering parts for single machine repair, tuk’s have been assembled to include. Rebuilding the air compressor pump restores the pump's. Find the right. Craftsman Air Compressor Pump Rebuild Kit.
From mastertoolrepair.com
Sears Craftsman Air Compressor Parts Craftsman Air Compressor Pump Rebuild Kit The rebuild kit includes the cylinder sleeve, piston. Part# 10217521 pac# tuk321ke to simplify ordering parts for single machine repair, tuk’s have been assembled to include. Shop for repair and replacement parts for your sears craftsman air compressor pump. Find the right parts for your craftsman air compressor model and size at sears partsdirect. Most air compressor models use a. Craftsman Air Compressor Pump Rebuild Kit.
From www.youtube.com
Craftsman Air Compressor Check Description Tool Repair YouTube Craftsman Air Compressor Pump Rebuild Kit Browse 840 parts for different types, cylinders,. The rebuild kit includes the cylinder sleeve, piston. Most air compressor models use a kit for rebuilding the air compressor pump. Find the right parts for your craftsman air compressor model and size at sears partsdirect. Shop for repair and replacement parts for your sears craftsman air compressor pump. How to rebuild an. Craftsman Air Compressor Pump Rebuild Kit.
From www.youtube.com
Craftsman Air Compressor Repair How to Replace a Pump Isolator YouTube Craftsman Air Compressor Pump Rebuild Kit Shop for repair and replacement parts for your sears craftsman air compressor pump. An essential & practical kit for rebuilding the pump on your air compressor!!! Most air compressor models use a kit for rebuilding the air compressor pump. Part# 10217521 pac# tuk321ke to simplify ordering parts for single machine repair, tuk’s have been assembled to include. How to rebuild. Craftsman Air Compressor Pump Rebuild Kit.
From www.youtube.com
Craftsman 26 Gal Air Compressor Pump Rebuild YouTube Craftsman Air Compressor Pump Rebuild Kit Part# 10217521 pac# tuk321ke to simplify ordering parts for single machine repair, tuk’s have been assembled to include. If the air compressor won't fill the tank with compressed air, rebuild the pump using these steps in about. The air compressor motor drives a piston that compresses air in. Browse 840 parts for different types, cylinders,. The rebuild kit includes the. Craftsman Air Compressor Pump Rebuild Kit.
From quizzschoolheadphone.z13.web.core.windows.net
Craftsman Air Compressor Regulator Repair Kit Craftsman Air Compressor Pump Rebuild Kit Rebuilding the air compressor pump restores the pump's. If the air compressor won't fill the tank with compressed air, rebuild the pump using these steps in about. The air compressor motor drives a piston that compresses air in. Most air compressor models use a kit for rebuilding the air compressor pump. Part# 10217521 pac# tuk321ke to simplify ordering parts for. Craftsman Air Compressor Pump Rebuild Kit.
From 100workfromhome.com
Best air compressor pump rebuild kit The Best Home Craftsman Air Compressor Pump Rebuild Kit An essential & practical kit for rebuilding the pump on your air compressor!!! The air compressor motor drives a piston that compresses air in. Browse 840 parts for different types, cylinders,. Rebuilding the air compressor pump restores the pump's. If the air compressor won't fill the tank with compressed air, rebuild the pump using these steps in about. Part# 10217521. Craftsman Air Compressor Pump Rebuild Kit.
From pacificaircompressors.com
SEARS CRAFTSMAN AIR COMPRESSOR PUMP REBUILD KIT FOR MODEL 10217521 Craftsman Air Compressor Pump Rebuild Kit How to rebuild an air compressor pump. Rebuilding the air compressor pump restores the pump's. Most air compressor models use a kit for rebuilding the air compressor pump. An essential & practical kit for rebuilding the pump on your air compressor!!! Find the right parts for your craftsman air compressor model and size at sears partsdirect. Shop for repair and. Craftsman Air Compressor Pump Rebuild Kit.
From thewrenchfinder.com
10 Best Craftsman Air Compressor Pump In 2023 The Wrench Finder Craftsman Air Compressor Pump Rebuild Kit Most air compressor models use a kit for rebuilding the air compressor pump. Part# 10217521 pac# tuk321ke to simplify ordering parts for single machine repair, tuk’s have been assembled to include. The air compressor motor drives a piston that compresses air in. An essential & practical kit for rebuilding the pump on your air compressor!!! The rebuild kit includes the. Craftsman Air Compressor Pump Rebuild Kit.
From reviewmotors.co
Parts For Old Craftsman Air Compressor Reviewmotors.co Craftsman Air Compressor Pump Rebuild Kit An essential & practical kit for rebuilding the pump on your air compressor!!! Shop for repair and replacement parts for your sears craftsman air compressor pump. Rebuilding the air compressor pump restores the pump's. Most air compressor models use a kit for rebuilding the air compressor pump. If the air compressor won't fill the tank with compressed air, rebuild the. Craftsman Air Compressor Pump Rebuild Kit.
From bdteletalk.com
Best Air Compressor Pump Rebuild Kit For Your Money Craftsman Air Compressor Pump Rebuild Kit The air compressor motor drives a piston that compresses air in. Find the right parts for your craftsman air compressor model and size at sears partsdirect. Browse 840 parts for different types, cylinders,. If the air compressor won't fill the tank with compressed air, rebuild the pump using these steps in about. How to rebuild an air compressor pump. Most. Craftsman Air Compressor Pump Rebuild Kit.
From topchooser.com
Craftsman 919 Air Compressor Rebuild Kit Explained In 5 Steps Craftsman Air Compressor Pump Rebuild Kit Part# 10217521 pac# tuk321ke to simplify ordering parts for single machine repair, tuk’s have been assembled to include. The rebuild kit includes the cylinder sleeve, piston. How to rebuild an air compressor pump. If the air compressor won't fill the tank with compressed air, rebuild the pump using these steps in about. Shop for repair and replacement parts for your. Craftsman Air Compressor Pump Rebuild Kit.
From www.toddfun.com
» Blog Archive » CRAFTSMAN Oil Free Air Compressor Rebuild Craftsman Air Compressor Pump Rebuild Kit Find the right parts for your craftsman air compressor model and size at sears partsdirect. Browse 840 parts for different types, cylinders,. The rebuild kit includes the cylinder sleeve, piston. Most air compressor models use a kit for rebuilding the air compressor pump. Part# 10217521 pac# tuk321ke to simplify ordering parts for single machine repair, tuk’s have been assembled to. Craftsman Air Compressor Pump Rebuild Kit.
From 100workfromhome.com
Best air compressor pump rebuild kit The Best Home Craftsman Air Compressor Pump Rebuild Kit Shop for repair and replacement parts for your sears craftsman air compressor pump. Rebuilding the air compressor pump restores the pump's. The rebuild kit includes the cylinder sleeve, piston. Part# 10217521 pac# tuk321ke to simplify ordering parts for single machine repair, tuk’s have been assembled to include. If the air compressor won't fill the tank with compressed air, rebuild the. Craftsman Air Compressor Pump Rebuild Kit.
From mastertoolrepair.com
Craftsman Air Compressor Pump Muffler / Foam Kit Master Tool Repair Craftsman Air Compressor Pump Rebuild Kit If the air compressor won't fill the tank with compressed air, rebuild the pump using these steps in about. Part# 10217521 pac# tuk321ke to simplify ordering parts for single machine repair, tuk’s have been assembled to include. An essential & practical kit for rebuilding the pump on your air compressor!!! Most air compressor models use a kit for rebuilding the. Craftsman Air Compressor Pump Rebuild Kit.
From www.toddfun.com
» Blog Archive » CRAFTSMAN Oil Free Air Compressor Rebuild Craftsman Air Compressor Pump Rebuild Kit The air compressor motor drives a piston that compresses air in. The rebuild kit includes the cylinder sleeve, piston. Browse 840 parts for different types, cylinders,. Rebuilding the air compressor pump restores the pump's. If the air compressor won't fill the tank with compressed air, rebuild the pump using these steps in about. Find the right parts for your craftsman. Craftsman Air Compressor Pump Rebuild Kit.
From www.amazon.com
KK4835 Compressor Piston Kit Air Compressor Connecting Rod Craftsman Air Compressor Pump Rebuild Kit Shop for repair and replacement parts for your sears craftsman air compressor pump. An essential & practical kit for rebuilding the pump on your air compressor!!! The air compressor motor drives a piston that compresses air in. Most air compressor models use a kit for rebuilding the air compressor pump. Browse 840 parts for different types, cylinders,. Find the right. Craftsman Air Compressor Pump Rebuild Kit.
From mastertoolrepair.com
Craftsman Air Compressor Replacement Pumps Craftsman Air Compressor Pump Rebuild Kit The rebuild kit includes the cylinder sleeve, piston. If the air compressor won't fill the tank with compressed air, rebuild the pump using these steps in about. The air compressor motor drives a piston that compresses air in. Part# 10217521 pac# tuk321ke to simplify ordering parts for single machine repair, tuk’s have been assembled to include. How to rebuild an. Craftsman Air Compressor Pump Rebuild Kit.