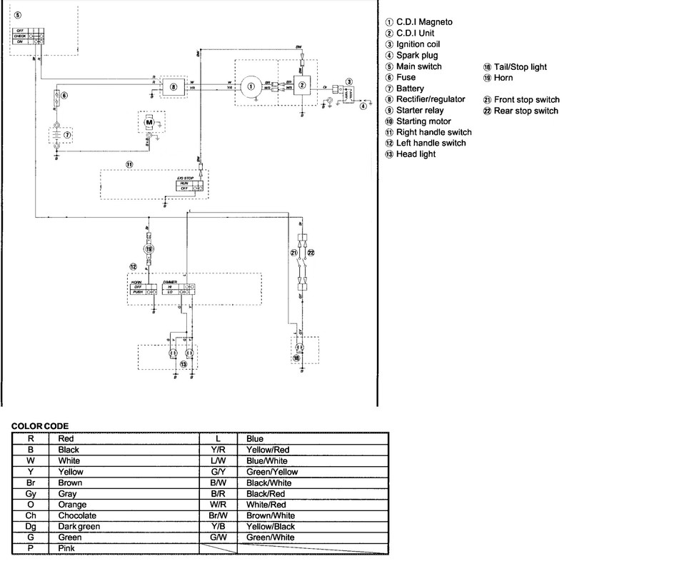
Ignition Yamaha Zuma Wiring Diagram . Windows, mac, android and ios. 4 to help identify parts and clarify procedure steps, there are exploded diagrams at the start of each removal and disassembly section. I'm removing starter (for overrange), stock switches/controls, cluster. With a powerful engine, rugged construction, and sleek styling,. Zuma yw50t scooter pdf manual download. I'd like to build a custom wiring harness for my prebug. 2009 yamaha zuma 125 service manual. We will start by explaining the basics of the yamaha zuma 50 wiring diagram, including its components and their functions. Find the wiring diagram for the ignition system of the yamaha zuma scooter, including detailed instructions and diagrams for proper installation and troubleshooting. Then, we will dive into the details of each section, such as the. The zuma 125 wiring diagram is an essential resource for owners of yamaha's popular motorcycle. Digital product, sent to email.
from circuitparthoffmann.z19.web.core.windows.net
Then, we will dive into the details of each section, such as the. I'd like to build a custom wiring harness for my prebug. Zuma yw50t scooter pdf manual download. Windows, mac, android and ios. The zuma 125 wiring diagram is an essential resource for owners of yamaha's popular motorcycle. 2009 yamaha zuma 125 service manual. We will start by explaining the basics of the yamaha zuma 50 wiring diagram, including its components and their functions. I'm removing starter (for overrange), stock switches/controls, cluster. With a powerful engine, rugged construction, and sleek styling,. 4 to help identify parts and clarify procedure steps, there are exploded diagrams at the start of each removal and disassembly section.
2004 Yamaha Zuma Wiring Diagram
Ignition Yamaha Zuma Wiring Diagram Find the wiring diagram for the ignition system of the yamaha zuma scooter, including detailed instructions and diagrams for proper installation and troubleshooting. With a powerful engine, rugged construction, and sleek styling,. The zuma 125 wiring diagram is an essential resource for owners of yamaha's popular motorcycle. I'd like to build a custom wiring harness for my prebug. We will start by explaining the basics of the yamaha zuma 50 wiring diagram, including its components and their functions. Digital product, sent to email. Find the wiring diagram for the ignition system of the yamaha zuma scooter, including detailed instructions and diagrams for proper installation and troubleshooting. Zuma yw50t scooter pdf manual download. I'm removing starter (for overrange), stock switches/controls, cluster. 4 to help identify parts and clarify procedure steps, there are exploded diagrams at the start of each removal and disassembly section. Windows, mac, android and ios. 2009 yamaha zuma 125 service manual. Then, we will dive into the details of each section, such as the.
From stewart-switch.com
Yamaha Zuma Wiring Diagram Ignition Yamaha Zuma Wiring Diagram 2009 yamaha zuma 125 service manual. We will start by explaining the basics of the yamaha zuma 50 wiring diagram, including its components and their functions. With a powerful engine, rugged construction, and sleek styling,. Digital product, sent to email. The zuma 125 wiring diagram is an essential resource for owners of yamaha's popular motorcycle. I'm removing starter (for overrange),. Ignition Yamaha Zuma Wiring Diagram.
From www.wiringdiagramid.com
yamaha zuma ignition switch wiring diagram Yamaha ignition wiring Ignition Yamaha Zuma Wiring Diagram The zuma 125 wiring diagram is an essential resource for owners of yamaha's popular motorcycle. Digital product, sent to email. 4 to help identify parts and clarify procedure steps, there are exploded diagrams at the start of each removal and disassembly section. Find the wiring diagram for the ignition system of the yamaha zuma scooter, including detailed instructions and diagrams. Ignition Yamaha Zuma Wiring Diagram.
From www.wiringdraw.com
Yamaha Zuma 2004 Wireing Diagram » Wiring Draw And Schematic Ignition Yamaha Zuma Wiring Diagram I'd like to build a custom wiring harness for my prebug. We will start by explaining the basics of the yamaha zuma 50 wiring diagram, including its components and their functions. Windows, mac, android and ios. 2009 yamaha zuma 125 service manual. Then, we will dive into the details of each section, such as the. With a powerful engine, rugged. Ignition Yamaha Zuma Wiring Diagram.
From wiredraw.co
Yamaha Zuma 2004 Wireing Diagram Wiring Draw Ignition Yamaha Zuma Wiring Diagram I'd like to build a custom wiring harness for my prebug. Find the wiring diagram for the ignition system of the yamaha zuma scooter, including detailed instructions and diagrams for proper installation and troubleshooting. 4 to help identify parts and clarify procedure steps, there are exploded diagrams at the start of each removal and disassembly section. Zuma yw50t scooter pdf. Ignition Yamaha Zuma Wiring Diagram.
From circuitparthoffmann.z19.web.core.windows.net
2004 Yamaha Zuma Wiring Diagram Ignition Yamaha Zuma Wiring Diagram With a powerful engine, rugged construction, and sleek styling,. I'm removing starter (for overrange), stock switches/controls, cluster. Digital product, sent to email. 2009 yamaha zuma 125 service manual. The zuma 125 wiring diagram is an essential resource for owners of yamaha's popular motorcycle. We will start by explaining the basics of the yamaha zuma 50 wiring diagram, including its components. Ignition Yamaha Zuma Wiring Diagram.
From wiringdiagram.2bitboer.com
zuma wiring diagram Wiring Diagram Ignition Yamaha Zuma Wiring Diagram Find the wiring diagram for the ignition system of the yamaha zuma scooter, including detailed instructions and diagrams for proper installation and troubleshooting. Then, we will dive into the details of each section, such as the. Zuma yw50t scooter pdf manual download. Windows, mac, android and ios. I'm removing starter (for overrange), stock switches/controls, cluster. We will start by explaining. Ignition Yamaha Zuma Wiring Diagram.
From wiringdiagram.2bitboer.com
zuma wiring diagram Wiring Diagram Ignition Yamaha Zuma Wiring Diagram I'm removing starter (for overrange), stock switches/controls, cluster. Digital product, sent to email. Find the wiring diagram for the ignition system of the yamaha zuma scooter, including detailed instructions and diagrams for proper installation and troubleshooting. We will start by explaining the basics of the yamaha zuma 50 wiring diagram, including its components and their functions. 2009 yamaha zuma 125. Ignition Yamaha Zuma Wiring Diagram.
From www.wiringview.com
Yamaha Ignition Switch Wiring Diagram » Wiring Diagram Ignition Yamaha Zuma Wiring Diagram Windows, mac, android and ios. 4 to help identify parts and clarify procedure steps, there are exploded diagrams at the start of each removal and disassembly section. Digital product, sent to email. 2009 yamaha zuma 125 service manual. Zuma yw50t scooter pdf manual download. Then, we will dive into the details of each section, such as the. The zuma 125. Ignition Yamaha Zuma Wiring Diagram.
From www.diagramcircuit.com
yamaha zuma 2004 wireing diagram Diagram Circuit Ignition Yamaha Zuma Wiring Diagram The zuma 125 wiring diagram is an essential resource for owners of yamaha's popular motorcycle. Windows, mac, android and ios. With a powerful engine, rugged construction, and sleek styling,. Digital product, sent to email. Find the wiring diagram for the ignition system of the yamaha zuma scooter, including detailed instructions and diagrams for proper installation and troubleshooting. 4 to help. Ignition Yamaha Zuma Wiring Diagram.
From stewart-switch.com
Yamaha Zuma Wiring Diagram Ignition Yamaha Zuma Wiring Diagram We will start by explaining the basics of the yamaha zuma 50 wiring diagram, including its components and their functions. Zuma yw50t scooter pdf manual download. Find the wiring diagram for the ignition system of the yamaha zuma scooter, including detailed instructions and diagrams for proper installation and troubleshooting. Then, we will dive into the details of each section, such. Ignition Yamaha Zuma Wiring Diagram.
From kdi-ppi.com
A Comprehensive Guide to Understanding the Yamaha Zuma 50 Parts Diagram Ignition Yamaha Zuma Wiring Diagram Digital product, sent to email. 2009 yamaha zuma 125 service manual. I'd like to build a custom wiring harness for my prebug. Windows, mac, android and ios. Find the wiring diagram for the ignition system of the yamaha zuma scooter, including detailed instructions and diagrams for proper installation and troubleshooting. Then, we will dive into the details of each section,. Ignition Yamaha Zuma Wiring Diagram.
From wiringdiagram.2bitboer.com
yamaha xt500 wiring diagram Wiring Diagram Ignition Yamaha Zuma Wiring Diagram The zuma 125 wiring diagram is an essential resource for owners of yamaha's popular motorcycle. Digital product, sent to email. Find the wiring diagram for the ignition system of the yamaha zuma scooter, including detailed instructions and diagrams for proper installation and troubleshooting. Zuma yw50t scooter pdf manual download. Windows, mac, android and ios. I'd like to build a custom. Ignition Yamaha Zuma Wiring Diagram.
From design1systems.com
The Complete Yamaha Zuma 50 Wiring Diagram Guide Take Control of Your Ignition Yamaha Zuma Wiring Diagram Find the wiring diagram for the ignition system of the yamaha zuma scooter, including detailed instructions and diagrams for proper installation and troubleshooting. The zuma 125 wiring diagram is an essential resource for owners of yamaha's popular motorcycle. Zuma yw50t scooter pdf manual download. 4 to help identify parts and clarify procedure steps, there are exploded diagrams at the start. Ignition Yamaha Zuma Wiring Diagram.
From stewart-switch.com
Yamaha Zuma Ignition Wiring Diagram Ignition Yamaha Zuma Wiring Diagram Digital product, sent to email. I'd like to build a custom wiring harness for my prebug. Then, we will dive into the details of each section, such as the. 2009 yamaha zuma 125 service manual. Find the wiring diagram for the ignition system of the yamaha zuma scooter, including detailed instructions and diagrams for proper installation and troubleshooting. With a. Ignition Yamaha Zuma Wiring Diagram.
From ex500-wiring-diagram.blogspot.com
Yamaha Zuma Wiring Diagram 2 Stroke Race Cdi Ignition Jog Minarelli Ignition Yamaha Zuma Wiring Diagram 4 to help identify parts and clarify procedure steps, there are exploded diagrams at the start of each removal and disassembly section. With a powerful engine, rugged construction, and sleek styling,. Then, we will dive into the details of each section, such as the. Windows, mac, android and ios. 2009 yamaha zuma 125 service manual. Find the wiring diagram for. Ignition Yamaha Zuma Wiring Diagram.
From bird570.blogspot.com
[46+] Yamaha Zuma Ignition Wiring Diagram, Rosahairdesign Yamaha Zuma Ignition Yamaha Zuma Wiring Diagram 4 to help identify parts and clarify procedure steps, there are exploded diagrams at the start of each removal and disassembly section. With a powerful engine, rugged construction, and sleek styling,. Zuma yw50t scooter pdf manual download. The zuma 125 wiring diagram is an essential resource for owners of yamaha's popular motorcycle. I'd like to build a custom wiring harness. Ignition Yamaha Zuma Wiring Diagram.
From www.diagramcircuit.com
yamaha zuma 2004 wireing diagram Diagram Circuit Ignition Yamaha Zuma Wiring Diagram Then, we will dive into the details of each section, such as the. Digital product, sent to email. I'd like to build a custom wiring harness for my prebug. The zuma 125 wiring diagram is an essential resource for owners of yamaha's popular motorcycle. 4 to help identify parts and clarify procedure steps, there are exploded diagrams at the start. Ignition Yamaha Zuma Wiring Diagram.
From wiringdiagram.2bitboer.com
zuma wiring diagram Wiring Diagram Ignition Yamaha Zuma Wiring Diagram The zuma 125 wiring diagram is an essential resource for owners of yamaha's popular motorcycle. Digital product, sent to email. 2009 yamaha zuma 125 service manual. I'd like to build a custom wiring harness for my prebug. Windows, mac, android and ios. With a powerful engine, rugged construction, and sleek styling,. We will start by explaining the basics of the. Ignition Yamaha Zuma Wiring Diagram.
From ex500-wiring-diagram.blogspot.com
Yamaha Zuma Wiring Diagram 2 Stroke Race Cdi Ignition Jog Minarelli Ignition Yamaha Zuma Wiring Diagram Find the wiring diagram for the ignition system of the yamaha zuma scooter, including detailed instructions and diagrams for proper installation and troubleshooting. Then, we will dive into the details of each section, such as the. The zuma 125 wiring diagram is an essential resource for owners of yamaha's popular motorcycle. Windows, mac, android and ios. I'm removing starter (for. Ignition Yamaha Zuma Wiring Diagram.
From wiringdiagramcreator.blogspot.com
Vespa Scooter Wiring Diagram Ignition Yamaha Zuma Wiring Diagram Digital product, sent to email. Windows, mac, android and ios. With a powerful engine, rugged construction, and sleek styling,. I'm removing starter (for overrange), stock switches/controls, cluster. 4 to help identify parts and clarify procedure steps, there are exploded diagrams at the start of each removal and disassembly section. I'd like to build a custom wiring harness for my prebug.. Ignition Yamaha Zuma Wiring Diagram.
From design1systems.com
The Complete Yamaha Zuma 50 Wiring Diagram Guide Take Control of Your Ignition Yamaha Zuma Wiring Diagram We will start by explaining the basics of the yamaha zuma 50 wiring diagram, including its components and their functions. Digital product, sent to email. I'm removing starter (for overrange), stock switches/controls, cluster. Find the wiring diagram for the ignition system of the yamaha zuma scooter, including detailed instructions and diagrams for proper installation and troubleshooting. Windows, mac, android and. Ignition Yamaha Zuma Wiring Diagram.
From www.wiringsecure.blog
Yamaha Zuma 2004 Wireing Diagram » Wiring Diagram & Schematic Ignition Yamaha Zuma Wiring Diagram Digital product, sent to email. I'm removing starter (for overrange), stock switches/controls, cluster. Find the wiring diagram for the ignition system of the yamaha zuma scooter, including detailed instructions and diagrams for proper installation and troubleshooting. We will start by explaining the basics of the yamaha zuma 50 wiring diagram, including its components and their functions. With a powerful engine,. Ignition Yamaha Zuma Wiring Diagram.
From bird570.blogspot.com
[46+] Yamaha Zuma Ignition Wiring Diagram, Rosahairdesign Yamaha Zuma Ignition Yamaha Zuma Wiring Diagram 2009 yamaha zuma 125 service manual. Zuma yw50t scooter pdf manual download. We will start by explaining the basics of the yamaha zuma 50 wiring diagram, including its components and their functions. I'd like to build a custom wiring harness for my prebug. Then, we will dive into the details of each section, such as the. Windows, mac, android and. Ignition Yamaha Zuma Wiring Diagram.
From design1systems.com
How to Install a Yamaha Zuma Ignition Wiring Diagram StepbyStep Guide Ignition Yamaha Zuma Wiring Diagram We will start by explaining the basics of the yamaha zuma 50 wiring diagram, including its components and their functions. Windows, mac, android and ios. Find the wiring diagram for the ignition system of the yamaha zuma scooter, including detailed instructions and diagrams for proper installation and troubleshooting. Zuma yw50t scooter pdf manual download. Then, we will dive into the. Ignition Yamaha Zuma Wiring Diagram.
From wirediagrameric.z19.web.core.windows.net
2002 Yamaha Zuma Wiring Diagram Ignition Yamaha Zuma Wiring Diagram I'm removing starter (for overrange), stock switches/controls, cluster. 4 to help identify parts and clarify procedure steps, there are exploded diagrams at the start of each removal and disassembly section. 2009 yamaha zuma 125 service manual. Find the wiring diagram for the ignition system of the yamaha zuma scooter, including detailed instructions and diagrams for proper installation and troubleshooting. With. Ignition Yamaha Zuma Wiring Diagram.
From www.wiringdiagramid.com
yamaha zuma ignition switch wiring diagram Yamaha ignition wiring Ignition Yamaha Zuma Wiring Diagram Then, we will dive into the details of each section, such as the. Find the wiring diagram for the ignition system of the yamaha zuma scooter, including detailed instructions and diagrams for proper installation and troubleshooting. Windows, mac, android and ios. Digital product, sent to email. The zuma 125 wiring diagram is an essential resource for owners of yamaha's popular. Ignition Yamaha Zuma Wiring Diagram.
From sustainableal.blogspot.com
Yamaha Zuma Ignition Wiring Diagram Sustainableal Ignition Yamaha Zuma Wiring Diagram The zuma 125 wiring diagram is an essential resource for owners of yamaha's popular motorcycle. I'm removing starter (for overrange), stock switches/controls, cluster. 4 to help identify parts and clarify procedure steps, there are exploded diagrams at the start of each removal and disassembly section. We will start by explaining the basics of the yamaha zuma 50 wiring diagram, including. Ignition Yamaha Zuma Wiring Diagram.
From www.wiringdraw.com
yamaha zuma 2004 wireing diagram Wiring Draw And Schematic Ignition Yamaha Zuma Wiring Diagram Digital product, sent to email. Then, we will dive into the details of each section, such as the. We will start by explaining the basics of the yamaha zuma 50 wiring diagram, including its components and their functions. With a powerful engine, rugged construction, and sleek styling,. 4 to help identify parts and clarify procedure steps, there are exploded diagrams. Ignition Yamaha Zuma Wiring Diagram.
From stewart-switch.com
Yamaha Zuma Wiring Diagram Ignition Yamaha Zuma Wiring Diagram The zuma 125 wiring diagram is an essential resource for owners of yamaha's popular motorcycle. Find the wiring diagram for the ignition system of the yamaha zuma scooter, including detailed instructions and diagrams for proper installation and troubleshooting. Windows, mac, android and ios. 4 to help identify parts and clarify procedure steps, there are exploded diagrams at the start of. Ignition Yamaha Zuma Wiring Diagram.
From design1systems.com
How to Install a Yamaha Zuma Ignition Wiring Diagram StepbyStep Guide Ignition Yamaha Zuma Wiring Diagram Zuma yw50t scooter pdf manual download. 4 to help identify parts and clarify procedure steps, there are exploded diagrams at the start of each removal and disassembly section. We will start by explaining the basics of the yamaha zuma 50 wiring diagram, including its components and their functions. With a powerful engine, rugged construction, and sleek styling,. Then, we will. Ignition Yamaha Zuma Wiring Diagram.
From ex500-wiring-diagram.blogspot.com
Yamaha Zuma Wiring Diagram 2 Stroke Race Cdi Ignition Jog Minarelli Ignition Yamaha Zuma Wiring Diagram 4 to help identify parts and clarify procedure steps, there are exploded diagrams at the start of each removal and disassembly section. The zuma 125 wiring diagram is an essential resource for owners of yamaha's popular motorcycle. Digital product, sent to email. I'm removing starter (for overrange), stock switches/controls, cluster. Windows, mac, android and ios. We will start by explaining. Ignition Yamaha Zuma Wiring Diagram.
From diagramweb.net
1989 Yamaha Zuma Wiring Diagram Ignition Yamaha Zuma Wiring Diagram I'd like to build a custom wiring harness for my prebug. We will start by explaining the basics of the yamaha zuma 50 wiring diagram, including its components and their functions. Find the wiring diagram for the ignition system of the yamaha zuma scooter, including detailed instructions and diagrams for proper installation and troubleshooting. Digital product, sent to email. The. Ignition Yamaha Zuma Wiring Diagram.
From www.myxxgirl.com
Yamaha Zuma Wiring Diagram My XXX Hot Girl Ignition Yamaha Zuma Wiring Diagram I'm removing starter (for overrange), stock switches/controls, cluster. Then, we will dive into the details of each section, such as the. Find the wiring diagram for the ignition system of the yamaha zuma scooter, including detailed instructions and diagrams for proper installation and troubleshooting. Digital product, sent to email. 4 to help identify parts and clarify procedure steps, there are. Ignition Yamaha Zuma Wiring Diagram.
From www.wiringscan.com
yamaha zuma 2004 wireing diagram Wiring Scan Ignition Yamaha Zuma Wiring Diagram The zuma 125 wiring diagram is an essential resource for owners of yamaha's popular motorcycle. Digital product, sent to email. I'd like to build a custom wiring harness for my prebug. I'm removing starter (for overrange), stock switches/controls, cluster. Find the wiring diagram for the ignition system of the yamaha zuma scooter, including detailed instructions and diagrams for proper installation. Ignition Yamaha Zuma Wiring Diagram.
From bird570.blogspot.com
[46+] Yamaha Zuma Ignition Wiring Diagram, Rosahairdesign Yamaha Zuma Ignition Yamaha Zuma Wiring Diagram Digital product, sent to email. I'm removing starter (for overrange), stock switches/controls, cluster. 2009 yamaha zuma 125 service manual. Then, we will dive into the details of each section, such as the. With a powerful engine, rugged construction, and sleek styling,. 4 to help identify parts and clarify procedure steps, there are exploded diagrams at the start of each removal. Ignition Yamaha Zuma Wiring Diagram.