Air Conditioner Hyundai Sonata . here are a few of the most common electrical problems that can keep your hyundai sonata’s air conditioner from. learn about the common ac issues that owners have reported with the hyundai sonata, such as frozen compressors, lack of cold air, defective. my son bought a 2011 hyundai sonata. in this article, we will explore the common air conditioner problems that hyundai sonata owners encounter and provide you with troubleshooting tips. if your hyundai sonata’s air conditioner isn’t working properly, there are a few things you can do to try and fix it. the most common causes for ac blowing hot air in hyundai sonata are low or overcharged refrigerant, compressor malfunction, dirty condenser or evaporator coils, faulty blend door actuator, defective evaporator temperature sensor, bad ac pressure sensor, and bad fuse or relay. We noticed on test drive that the ac was warm at idle, we asked the seller, he. First, check the fuse box to see if the fuse. in this guide, we’ll delve into the common issues that plague hyundai sonata air conditioning systems, such as.
from www.youtube.com
if your hyundai sonata’s air conditioner isn’t working properly, there are a few things you can do to try and fix it. in this guide, we’ll delve into the common issues that plague hyundai sonata air conditioning systems, such as. here are a few of the most common electrical problems that can keep your hyundai sonata’s air conditioner from. the most common causes for ac blowing hot air in hyundai sonata are low or overcharged refrigerant, compressor malfunction, dirty condenser or evaporator coils, faulty blend door actuator, defective evaporator temperature sensor, bad ac pressure sensor, and bad fuse or relay. learn about the common ac issues that owners have reported with the hyundai sonata, such as frozen compressors, lack of cold air, defective. First, check the fuse box to see if the fuse. We noticed on test drive that the ac was warm at idle, we asked the seller, he. my son bought a 2011 hyundai sonata. in this article, we will explore the common air conditioner problems that hyundai sonata owners encounter and provide you with troubleshooting tips.
How to Recharge the A/C Hyundai Sonata 2006 2010. How to Refill Air
Air Conditioner Hyundai Sonata in this guide, we’ll delve into the common issues that plague hyundai sonata air conditioning systems, such as. if your hyundai sonata’s air conditioner isn’t working properly, there are a few things you can do to try and fix it. my son bought a 2011 hyundai sonata. We noticed on test drive that the ac was warm at idle, we asked the seller, he. in this guide, we’ll delve into the common issues that plague hyundai sonata air conditioning systems, such as. here are a few of the most common electrical problems that can keep your hyundai sonata’s air conditioner from. the most common causes for ac blowing hot air in hyundai sonata are low or overcharged refrigerant, compressor malfunction, dirty condenser or evaporator coils, faulty blend door actuator, defective evaporator temperature sensor, bad ac pressure sensor, and bad fuse or relay. First, check the fuse box to see if the fuse. in this article, we will explore the common air conditioner problems that hyundai sonata owners encounter and provide you with troubleshooting tips. learn about the common ac issues that owners have reported with the hyundai sonata, such as frozen compressors, lack of cold air, defective.
From gzberlin.en.made-in-china.com
Vs16e Car Air Conditioner Compressor for Hyundai Sonata / KIA K5 2.4 Air Conditioner Hyundai Sonata in this guide, we’ll delve into the common issues that plague hyundai sonata air conditioning systems, such as. my son bought a 2011 hyundai sonata. learn about the common ac issues that owners have reported with the hyundai sonata, such as frozen compressors, lack of cold air, defective. First, check the fuse box to see if the. Air Conditioner Hyundai Sonata.
From smartacfix.com
Hyundai Sonata Air Conditioner Problems Troubleshooting Tips And Air Conditioner Hyundai Sonata my son bought a 2011 hyundai sonata. learn about the common ac issues that owners have reported with the hyundai sonata, such as frozen compressors, lack of cold air, defective. First, check the fuse box to see if the fuse. in this guide, we’ll delve into the common issues that plague hyundai sonata air conditioning systems, such. Air Conditioner Hyundai Sonata.
From www.hdcarwallpapers.com
2015 Hyundai Sonata Wallpaper HD Car Wallpapers ID 4643 Air Conditioner Hyundai Sonata First, check the fuse box to see if the fuse. the most common causes for ac blowing hot air in hyundai sonata are low or overcharged refrigerant, compressor malfunction, dirty condenser or evaporator coils, faulty blend door actuator, defective evaporator temperature sensor, bad ac pressure sensor, and bad fuse or relay. in this article, we will explore the. Air Conditioner Hyundai Sonata.
From www.youtube.com
How to Recharge the A/C Hyundai Sonata 2006 2010. How to Refill Air Air Conditioner Hyundai Sonata in this article, we will explore the common air conditioner problems that hyundai sonata owners encounter and provide you with troubleshooting tips. my son bought a 2011 hyundai sonata. the most common causes for ac blowing hot air in hyundai sonata are low or overcharged refrigerant, compressor malfunction, dirty condenser or evaporator coils, faulty blend door actuator,. Air Conditioner Hyundai Sonata.
From smartacsolutions.com
Hyundai Sonata Air Conditioner Problems Smart AC Solutions Air Conditioner Hyundai Sonata First, check the fuse box to see if the fuse. if your hyundai sonata’s air conditioner isn’t working properly, there are a few things you can do to try and fix it. in this article, we will explore the common air conditioner problems that hyundai sonata owners encounter and provide you with troubleshooting tips. learn about the. Air Conditioner Hyundai Sonata.
From www.aliexpress.com
Car Rear Air Conditioner Outlet For Hyundai Sonata Yf 20102014 84680 Air Conditioner Hyundai Sonata in this article, we will explore the common air conditioner problems that hyundai sonata owners encounter and provide you with troubleshooting tips. my son bought a 2011 hyundai sonata. here are a few of the most common electrical problems that can keep your hyundai sonata’s air conditioner from. learn about the common ac issues that owners. Air Conditioner Hyundai Sonata.
From nanjingido.en.made-in-china.com
Auto Air Conditioning Compressor for Hyundai Sonata for KIA 977013r000 Air Conditioner Hyundai Sonata in this article, we will explore the common air conditioner problems that hyundai sonata owners encounter and provide you with troubleshooting tips. the most common causes for ac blowing hot air in hyundai sonata are low or overcharged refrigerant, compressor malfunction, dirty condenser or evaporator coils, faulty blend door actuator, defective evaporator temperature sensor, bad ac pressure sensor,. Air Conditioner Hyundai Sonata.
From www.autoevolution.com
HYUNDAI Sonata Hybrid specs & photos 2015, 2016, 2017 autoevolution Air Conditioner Hyundai Sonata here are a few of the most common electrical problems that can keep your hyundai sonata’s air conditioner from. in this guide, we’ll delve into the common issues that plague hyundai sonata air conditioning systems, such as. if your hyundai sonata’s air conditioner isn’t working properly, there are a few things you can do to try and. Air Conditioner Hyundai Sonata.
From www.aliexpress.com
A/c Ac Air Conditioning Condenser For Hyundai Sonata Vi Yf Kia Optima Air Conditioner Hyundai Sonata in this article, we will explore the common air conditioner problems that hyundai sonata owners encounter and provide you with troubleshooting tips. my son bought a 2011 hyundai sonata. if your hyundai sonata’s air conditioner isn’t working properly, there are a few things you can do to try and fix it. here are a few of. Air Conditioner Hyundai Sonata.
From www.aliexpress.com
Store Home Products Feedback Air Conditioner Hyundai Sonata the most common causes for ac blowing hot air in hyundai sonata are low or overcharged refrigerant, compressor malfunction, dirty condenser or evaporator coils, faulty blend door actuator, defective evaporator temperature sensor, bad ac pressure sensor, and bad fuse or relay. First, check the fuse box to see if the fuse. We noticed on test drive that the ac. Air Conditioner Hyundai Sonata.
From www.aliexpress.com
Genuine Accessories For Car Hyundai Sonata 2009 2011 Air Conditioner Air Conditioner Hyundai Sonata learn about the common ac issues that owners have reported with the hyundai sonata, such as frozen compressors, lack of cold air, defective. in this article, we will explore the common air conditioner problems that hyundai sonata owners encounter and provide you with troubleshooting tips. We noticed on test drive that the ac was warm at idle, we. Air Conditioner Hyundai Sonata.
From www.aliexpress.com
For hyundai car air conditioner compressor Hyundai SONATA GRANDEUR KIA Air Conditioner Hyundai Sonata learn about the common ac issues that owners have reported with the hyundai sonata, such as frozen compressors, lack of cold air, defective. in this article, we will explore the common air conditioner problems that hyundai sonata owners encounter and provide you with troubleshooting tips. First, check the fuse box to see if the fuse. my son. Air Conditioner Hyundai Sonata.
From www.car.blog.br
Hyundai Sonata 2023 ganha facelift fotos oficiais e detalhes Air Conditioner Hyundai Sonata here are a few of the most common electrical problems that can keep your hyundai sonata’s air conditioner from. my son bought a 2011 hyundai sonata. in this article, we will explore the common air conditioner problems that hyundai sonata owners encounter and provide you with troubleshooting tips. in this guide, we’ll delve into the common. Air Conditioner Hyundai Sonata.
From www.discoverauto.com.au
2024 Hyundai Sonata Adds a Sporty New Look DiscoverAuto Air Conditioner Hyundai Sonata in this guide, we’ll delve into the common issues that plague hyundai sonata air conditioning systems, such as. if your hyundai sonata’s air conditioner isn’t working properly, there are a few things you can do to try and fix it. learn about the common ac issues that owners have reported with the hyundai sonata, such as frozen. Air Conditioner Hyundai Sonata.
From www.motor1.com
Hyundai Sonata Redesign Rendered With StariaInspired Face Air Conditioner Hyundai Sonata learn about the common ac issues that owners have reported with the hyundai sonata, such as frozen compressors, lack of cold air, defective. if your hyundai sonata’s air conditioner isn’t working properly, there are a few things you can do to try and fix it. in this guide, we’ll delve into the common issues that plague hyundai. Air Conditioner Hyundai Sonata.
From performancedrive.com.au
2018 Hyundai Sonata now on sale in Australia, 8spd auto for flagship Air Conditioner Hyundai Sonata here are a few of the most common electrical problems that can keep your hyundai sonata’s air conditioner from. in this article, we will explore the common air conditioner problems that hyundai sonata owners encounter and provide you with troubleshooting tips. First, check the fuse box to see if the fuse. the most common causes for ac. Air Conditioner Hyundai Sonata.
From www.aliexpress.com
For hyundai air conditioner compressor For Kia Optima K5 Passenger Air Conditioner Hyundai Sonata the most common causes for ac blowing hot air in hyundai sonata are low or overcharged refrigerant, compressor malfunction, dirty condenser or evaporator coils, faulty blend door actuator, defective evaporator temperature sensor, bad ac pressure sensor, and bad fuse or relay. in this article, we will explore the common air conditioner problems that hyundai sonata owners encounter and. Air Conditioner Hyundai Sonata.
From esiaautoac.en.made-in-china.com
Auto Parts Air Conditioning Compressor for Hyundai Sonata 2011, KIA K5 Air Conditioner Hyundai Sonata if your hyundai sonata’s air conditioner isn’t working properly, there are a few things you can do to try and fix it. my son bought a 2011 hyundai sonata. here are a few of the most common electrical problems that can keep your hyundai sonata’s air conditioner from. in this guide, we’ll delve into the common. Air Conditioner Hyundai Sonata.
From smartacpoints.com
HYUNDAI SONATA AIR CONDITIONER PROBLEMS Troubleshooting Tips Air Conditioner Hyundai Sonata in this article, we will explore the common air conditioner problems that hyundai sonata owners encounter and provide you with troubleshooting tips. in this guide, we’ll delve into the common issues that plague hyundai sonata air conditioning systems, such as. We noticed on test drive that the ac was warm at idle, we asked the seller, he. First,. Air Conditioner Hyundai Sonata.
From www.thecarconnection.com
New and Used Hyundai Sonata Prices, Photos, Reviews, Specs The Car Air Conditioner Hyundai Sonata First, check the fuse box to see if the fuse. here are a few of the most common electrical problems that can keep your hyundai sonata’s air conditioner from. learn about the common ac issues that owners have reported with the hyundai sonata, such as frozen compressors, lack of cold air, defective. in this article, we will. Air Conditioner Hyundai Sonata.
From www.coolcarairconditioning.com.au
Air Conditioning A/C Compressor Suits Hyundai Sonata 2.7L V6 20022006 Air Conditioner Hyundai Sonata the most common causes for ac blowing hot air in hyundai sonata are low or overcharged refrigerant, compressor malfunction, dirty condenser or evaporator coils, faulty blend door actuator, defective evaporator temperature sensor, bad ac pressure sensor, and bad fuse or relay. my son bought a 2011 hyundai sonata. if your hyundai sonata’s air conditioner isn’t working properly,. Air Conditioner Hyundai Sonata.
From nanjingido.en.made-in-china.com
Auto Air Conditioner Compressor for Hyundai Sonata for KIA K5 20122016 Air Conditioner Hyundai Sonata We noticed on test drive that the ac was warm at idle, we asked the seller, he. my son bought a 2011 hyundai sonata. learn about the common ac issues that owners have reported with the hyundai sonata, such as frozen compressors, lack of cold air, defective. First, check the fuse box to see if the fuse. . Air Conditioner Hyundai Sonata.
From www.autoevolution.com
Hyundai JP Edition Sonata Looks Like It's Ready to Roll autoevolution Air Conditioner Hyundai Sonata my son bought a 2011 hyundai sonata. in this article, we will explore the common air conditioner problems that hyundai sonata owners encounter and provide you with troubleshooting tips. here are a few of the most common electrical problems that can keep your hyundai sonata’s air conditioner from. in this guide, we’ll delve into the common. Air Conditioner Hyundai Sonata.
From www.carscoops.com
2024 Hyundai Sonata Revealed With A Bold Design That’s More Than Just A Air Conditioner Hyundai Sonata if your hyundai sonata’s air conditioner isn’t working properly, there are a few things you can do to try and fix it. my son bought a 2011 hyundai sonata. learn about the common ac issues that owners have reported with the hyundai sonata, such as frozen compressors, lack of cold air, defective. the most common causes. Air Conditioner Hyundai Sonata.
From www.coolcarairconditioning.com.au
Genuine Air Conditioning A/C Compressor Hyundai Sonata 2.7L V6 Petrol Air Conditioner Hyundai Sonata here are a few of the most common electrical problems that can keep your hyundai sonata’s air conditioner from. learn about the common ac issues that owners have reported with the hyundai sonata, such as frozen compressors, lack of cold air, defective. the most common causes for ac blowing hot air in hyundai sonata are low or. Air Conditioner Hyundai Sonata.
From www.hollywoodchryslerjeep.com
2016 Hyundai Sonata Hollywood Chrysler Jeep Air Conditioner Hyundai Sonata First, check the fuse box to see if the fuse. in this guide, we’ll delve into the common issues that plague hyundai sonata air conditioning systems, such as. if your hyundai sonata’s air conditioner isn’t working properly, there are a few things you can do to try and fix it. in this article, we will explore the. Air Conditioner Hyundai Sonata.
From www.ebay.ie
AC A/C Air Conditioner Compressor W/Clutch For Hyundai Sonata 2.4L&3.3L Air Conditioner Hyundai Sonata my son bought a 2011 hyundai sonata. We noticed on test drive that the ac was warm at idle, we asked the seller, he. in this guide, we’ll delve into the common issues that plague hyundai sonata air conditioning systems, such as. First, check the fuse box to see if the fuse. the most common causes for. Air Conditioner Hyundai Sonata.
From www.car.blog.br
Novo Hyundai Sonata 2024 em apresentação oficial fotos e especificações Air Conditioner Hyundai Sonata learn about the common ac issues that owners have reported with the hyundai sonata, such as frozen compressors, lack of cold air, defective. in this guide, we’ll delve into the common issues that plague hyundai sonata air conditioning systems, such as. We noticed on test drive that the ac was warm at idle, we asked the seller, he.. Air Conditioner Hyundai Sonata.
From nanjingido.en.made-in-china.com
Auto Air Conditioner Compressor for Hyundai Sonata for KIA K5 20122016 Air Conditioner Hyundai Sonata in this guide, we’ll delve into the common issues that plague hyundai sonata air conditioning systems, such as. in this article, we will explore the common air conditioner problems that hyundai sonata owners encounter and provide you with troubleshooting tips. here are a few of the most common electrical problems that can keep your hyundai sonata’s air. Air Conditioner Hyundai Sonata.
From www.carcredittampa.com
PreOwned 2015 Hyundai Sonata 2.4L SE Sedan 4 Dr. in Tampa 2458 Car Air Conditioner Hyundai Sonata in this guide, we’ll delve into the common issues that plague hyundai sonata air conditioning systems, such as. We noticed on test drive that the ac was warm at idle, we asked the seller, he. here are a few of the most common electrical problems that can keep your hyundai sonata’s air conditioner from. my son bought. Air Conditioner Hyundai Sonata.
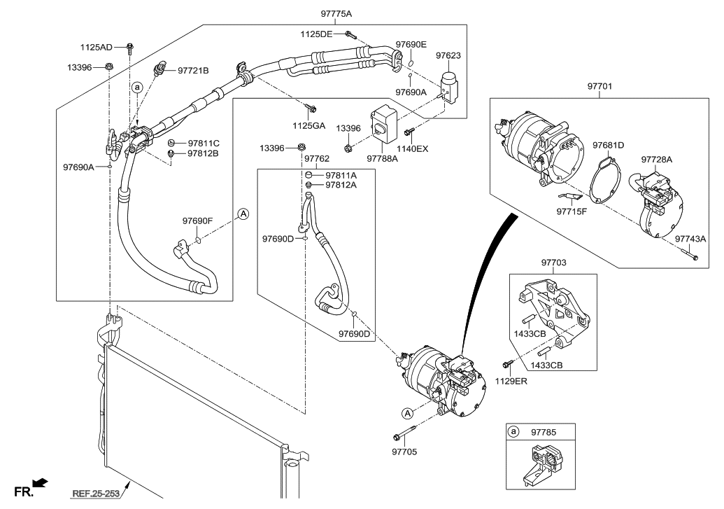
From www.hyundaipartsdeal.com
2016 Hyundai Sonata Hybrid Air conditioning SystemCooler Line Air Conditioner Hyundai Sonata in this guide, we’ll delve into the common issues that plague hyundai sonata air conditioning systems, such as. We noticed on test drive that the ac was warm at idle, we asked the seller, he. First, check the fuse box to see if the fuse. learn about the common ac issues that owners have reported with the hyundai. Air Conditioner Hyundai Sonata.
From www.hyoungacparts.com
VS16 auto air conditioner compressor Hyundai Sonata Kia Optima Air Conditioner Hyundai Sonata in this guide, we’ll delve into the common issues that plague hyundai sonata air conditioning systems, such as. if your hyundai sonata’s air conditioner isn’t working properly, there are a few things you can do to try and fix it. We noticed on test drive that the ac was warm at idle, we asked the seller, he. . Air Conditioner Hyundai Sonata.
From www.aliexpress.com
A/c Ac Air Conditioning Compressor Vs16e For Hyundai Sonata Vi Yf 2.0 2 Air Conditioner Hyundai Sonata the most common causes for ac blowing hot air in hyundai sonata are low or overcharged refrigerant, compressor malfunction, dirty condenser or evaporator coils, faulty blend door actuator, defective evaporator temperature sensor, bad ac pressure sensor, and bad fuse or relay. if your hyundai sonata’s air conditioner isn’t working properly, there are a few things you can do. Air Conditioner Hyundai Sonata.
From pftaac.en.made-in-china.com
Hyundai Sonata OEM 97606C1000 Radiator Air Conditioner Condenser Auto Air Conditioner Hyundai Sonata in this article, we will explore the common air conditioner problems that hyundai sonata owners encounter and provide you with troubleshooting tips. learn about the common ac issues that owners have reported with the hyundai sonata, such as frozen compressors, lack of cold air, defective. in this guide, we’ll delve into the common issues that plague hyundai. Air Conditioner Hyundai Sonata.
From performancedrive.com.au
2018 Hyundai Sonata unveiled at New York auto show PerformanceDrive Air Conditioner Hyundai Sonata First, check the fuse box to see if the fuse. in this article, we will explore the common air conditioner problems that hyundai sonata owners encounter and provide you with troubleshooting tips. if your hyundai sonata’s air conditioner isn’t working properly, there are a few things you can do to try and fix it. learn about the. Air Conditioner Hyundai Sonata.