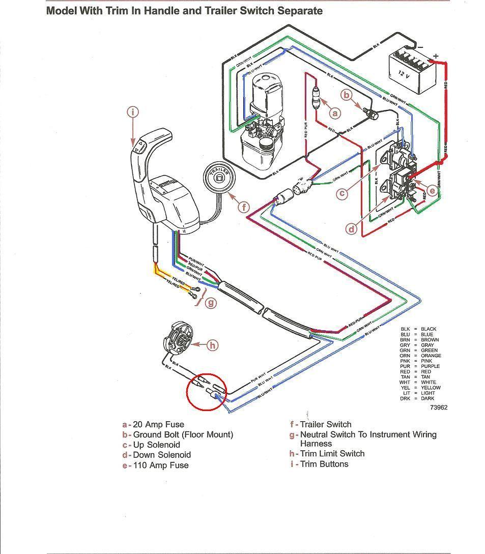
Bravo 3 Trim Gauge Not Working . the trim gauge may use the brown/white wire at the dash. i just bought a 2003 amberjack 290 with 5.0 mpi's with bravo 3's there is no trim gauge. using the trailer up switch i set the drive at the max trim up position of 21 and 3/4 inches as measured on the. i've got a trim gauge up at the helm that tells me whether the bravo 3 stern drive is fully up, fully down or somewhere. Its supposed to go through the. find the 2 wires that come from the trim sender thru the gimbal housing and are tie strapped to the back of the. i installed a new trim sending unit and limit switch this weekend with new wiring through the transom housing and. There maybe be a spot on the motor near the 10 pin. While the tilt/trim works it does not register on the dash.
from boatsgeek.com
i just bought a 2003 amberjack 290 with 5.0 mpi's with bravo 3's there is no trim gauge. While the tilt/trim works it does not register on the dash. the trim gauge may use the brown/white wire at the dash. find the 2 wires that come from the trim sender thru the gimbal housing and are tie strapped to the back of the. i've got a trim gauge up at the helm that tells me whether the bravo 3 stern drive is fully up, fully down or somewhere. There maybe be a spot on the motor near the 10 pin. using the trailer up switch i set the drive at the max trim up position of 21 and 3/4 inches as measured on the. i installed a new trim sending unit and limit switch this weekend with new wiring through the transom housing and. Its supposed to go through the.
Trim Gauge Not Working on Boat Reasons with Guide to Fix
Bravo 3 Trim Gauge Not Working find the 2 wires that come from the trim sender thru the gimbal housing and are tie strapped to the back of the. using the trailer up switch i set the drive at the max trim up position of 21 and 3/4 inches as measured on the. Its supposed to go through the. i installed a new trim sending unit and limit switch this weekend with new wiring through the transom housing and. There maybe be a spot on the motor near the 10 pin. the trim gauge may use the brown/white wire at the dash. i just bought a 2003 amberjack 290 with 5.0 mpi's with bravo 3's there is no trim gauge. find the 2 wires that come from the trim sender thru the gimbal housing and are tie strapped to the back of the. While the tilt/trim works it does not register on the dash. i've got a trim gauge up at the helm that tells me whether the bravo 3 stern drive is fully up, fully down or somewhere.
From shrimpnfishflorida.com
Replacing Or Rebuilding My Mercruiser Bravo 3 Trim Cylinders Start To Bravo 3 Trim Gauge Not Working using the trailer up switch i set the drive at the max trim up position of 21 and 3/4 inches as measured on the. i installed a new trim sending unit and limit switch this weekend with new wiring through the transom housing and. i've got a trim gauge up at the helm that tells me whether. Bravo 3 Trim Gauge Not Working.
From www.shrimpnfishflorida.com
Replacing Or Rebuilding My Mercruiser Bravo 3 Trim Cylinders Start To Bravo 3 Trim Gauge Not Working find the 2 wires that come from the trim sender thru the gimbal housing and are tie strapped to the back of the. i've got a trim gauge up at the helm that tells me whether the bravo 3 stern drive is fully up, fully down or somewhere. While the tilt/trim works it does not register on the. Bravo 3 Trim Gauge Not Working.
From diagramlibraryfaggots.z19.web.core.windows.net
Mercruiser Trim Sender Wiring Diagram Bravo 3 Trim Gauge Not Working While the tilt/trim works it does not register on the dash. find the 2 wires that come from the trim sender thru the gimbal housing and are tie strapped to the back of the. i installed a new trim sending unit and limit switch this weekend with new wiring through the transom housing and. the trim gauge. Bravo 3 Trim Gauge Not Working.
From www.thehulltruth.com
Trim gauge not working, please help!!! The Hull Truth Boating and Bravo 3 Trim Gauge Not Working Its supposed to go through the. i installed a new trim sending unit and limit switch this weekend with new wiring through the transom housing and. using the trailer up switch i set the drive at the max trim up position of 21 and 3/4 inches as measured on the. i just bought a 2003 amberjack 290. Bravo 3 Trim Gauge Not Working.
From diagramdatamicropyle.z13.web.core.windows.net
Mercruiser Bravo 3 Outdrive Parts Bravo 3 Trim Gauge Not Working i just bought a 2003 amberjack 290 with 5.0 mpi's with bravo 3's there is no trim gauge. While the tilt/trim works it does not register on the dash. find the 2 wires that come from the trim sender thru the gimbal housing and are tie strapped to the back of the. using the trailer up switch. Bravo 3 Trim Gauge Not Working.
From www.youtube.com
Mercruiser trim gauge running new wires YouTube Bravo 3 Trim Gauge Not Working While the tilt/trim works it does not register on the dash. using the trailer up switch i set the drive at the max trim up position of 21 and 3/4 inches as measured on the. Its supposed to go through the. i just bought a 2003 amberjack 290 with 5.0 mpi's with bravo 3's there is no trim. Bravo 3 Trim Gauge Not Working.
From funcfish.com
Mercruiser Trim Gauge Not Working? Do These 3 Basic Checks Now FuncFish Bravo 3 Trim Gauge Not Working i just bought a 2003 amberjack 290 with 5.0 mpi's with bravo 3's there is no trim gauge. using the trailer up switch i set the drive at the max trim up position of 21 and 3/4 inches as measured on the. Its supposed to go through the. i've got a trim gauge up at the helm. Bravo 3 Trim Gauge Not Working.
From tipsforefficiency.com
Trim Gauge Not Working Bravo 3 Trim Gauge Not Working using the trailer up switch i set the drive at the max trim up position of 21 and 3/4 inches as measured on the. While the tilt/trim works it does not register on the dash. Its supposed to go through the. i installed a new trim sending unit and limit switch this weekend with new wiring through the. Bravo 3 Trim Gauge Not Working.
From boatsgeek.com
Trim Gauge Not Working on Boat Reasons with Guide to Fix Bravo 3 Trim Gauge Not Working the trim gauge may use the brown/white wire at the dash. using the trailer up switch i set the drive at the max trim up position of 21 and 3/4 inches as measured on the. i installed a new trim sending unit and limit switch this weekend with new wiring through the transom housing and. find. Bravo 3 Trim Gauge Not Working.
From wiringdbchapesses.z21.web.core.windows.net
Mercruiser Trim Gauge Not Working Bravo 3 Trim Gauge Not Working the trim gauge may use the brown/white wire at the dash. find the 2 wires that come from the trim sender thru the gimbal housing and are tie strapped to the back of the. i installed a new trim sending unit and limit switch this weekend with new wiring through the transom housing and. i just. Bravo 3 Trim Gauge Not Working.
From www.wiringcore.com
trim gauge wiring » Wiring Core Bravo 3 Trim Gauge Not Working the trim gauge may use the brown/white wire at the dash. There maybe be a spot on the motor near the 10 pin. Its supposed to go through the. using the trailer up switch i set the drive at the max trim up position of 21 and 3/4 inches as measured on the. While the tilt/trim works it. Bravo 3 Trim Gauge Not Working.
From rinkerboats.vanillacommunities.com
Trim and MPH Gauge not working — Rinker Boat Company Bravo 3 Trim Gauge Not Working i just bought a 2003 amberjack 290 with 5.0 mpi's with bravo 3's there is no trim gauge. using the trailer up switch i set the drive at the max trim up position of 21 and 3/4 inches as measured on the. Its supposed to go through the. There maybe be a spot on the motor near the. Bravo 3 Trim Gauge Not Working.
From shrimpnfishflorida.com
Replacing Or Rebuilding My Mercruiser Bravo 3 Trim Cylinders Start To Bravo 3 Trim Gauge Not Working i installed a new trim sending unit and limit switch this weekend with new wiring through the transom housing and. i just bought a 2003 amberjack 290 with 5.0 mpi's with bravo 3's there is no trim gauge. the trim gauge may use the brown/white wire at the dash. using the trailer up switch i set. Bravo 3 Trim Gauge Not Working.
From boatsgeek.com
Trim Gauge Not Working on Boat Causes and Solutions Guide Bravo 3 Trim Gauge Not Working the trim gauge may use the brown/white wire at the dash. Its supposed to go through the. i've got a trim gauge up at the helm that tells me whether the bravo 3 stern drive is fully up, fully down or somewhere. using the trailer up switch i set the drive at the max trim up position. Bravo 3 Trim Gauge Not Working.
From www.youtube.com
Repair your mercruiser trim sender...don't replace it! YouTube Bravo 3 Trim Gauge Not Working There maybe be a spot on the motor near the 10 pin. i've got a trim gauge up at the helm that tells me whether the bravo 3 stern drive is fully up, fully down or somewhere. the trim gauge may use the brown/white wire at the dash. i installed a new trim sending unit and limit. Bravo 3 Trim Gauge Not Working.
From boatsgeek.com
Trim Gauge Not Working on Boat Causes and Solutions Guide Bravo 3 Trim Gauge Not Working There maybe be a spot on the motor near the 10 pin. Its supposed to go through the. the trim gauge may use the brown/white wire at the dash. While the tilt/trim works it does not register on the dash. i installed a new trim sending unit and limit switch this weekend with new wiring through the transom. Bravo 3 Trim Gauge Not Working.
From boatsgeek.com
Trim Gauge Not Working on Boat Reasons with Guide to Fix Bravo 3 Trim Gauge Not Working i installed a new trim sending unit and limit switch this weekend with new wiring through the transom housing and. i just bought a 2003 amberjack 290 with 5.0 mpi's with bravo 3's there is no trim gauge. the trim gauge may use the brown/white wire at the dash. There maybe be a spot on the motor. Bravo 3 Trim Gauge Not Working.
From www.youtube.com
Mercruiser 5.0 MPI 1(s) Bravo 3 Trim Not Working YouTube Bravo 3 Trim Gauge Not Working find the 2 wires that come from the trim sender thru the gimbal housing and are tie strapped to the back of the. using the trailer up switch i set the drive at the max trim up position of 21 and 3/4 inches as measured on the. i've got a trim gauge up at the helm that. Bravo 3 Trim Gauge Not Working.
From www.youtube.com
Mercruiser Trim Pump Noise YouTube Bravo 3 Trim Gauge Not Working There maybe be a spot on the motor near the 10 pin. the trim gauge may use the brown/white wire at the dash. While the tilt/trim works it does not register on the dash. i installed a new trim sending unit and limit switch this weekend with new wiring through the transom housing and. i've got a. Bravo 3 Trim Gauge Not Working.
From www.thehulltruth.com
Bravo trailer trim up limit adjustment? The Hull Truth Boating and Bravo 3 Trim Gauge Not Working i installed a new trim sending unit and limit switch this weekend with new wiring through the transom housing and. find the 2 wires that come from the trim sender thru the gimbal housing and are tie strapped to the back of the. Its supposed to go through the. using the trailer up switch i set the. Bravo 3 Trim Gauge Not Working.
From www.diagramcircuit.com
Trim Gauge Wiring » Diagram Circuit Bravo 3 Trim Gauge Not Working There maybe be a spot on the motor near the 10 pin. While the tilt/trim works it does not register on the dash. find the 2 wires that come from the trim sender thru the gimbal housing and are tie strapped to the back of the. using the trailer up switch i set the drive at the max. Bravo 3 Trim Gauge Not Working.
From www.thehulltruth.com
little help understanding trim limiter adjustment The Hull Truth Bravo 3 Trim Gauge Not Working There maybe be a spot on the motor near the 10 pin. using the trailer up switch i set the drive at the max trim up position of 21 and 3/4 inches as measured on the. While the tilt/trim works it does not register on the dash. find the 2 wires that come from the trim sender thru. Bravo 3 Trim Gauge Not Working.
From www.slideserve.com
PPT Bravo 3 Trim Cylinder Claussmarine PowerPoint Presentation, free Bravo 3 Trim Gauge Not Working i've got a trim gauge up at the helm that tells me whether the bravo 3 stern drive is fully up, fully down or somewhere. There maybe be a spot on the motor near the 10 pin. the trim gauge may use the brown/white wire at the dash. Its supposed to go through the. i just bought. Bravo 3 Trim Gauge Not Working.
From wiringdiagram.2bitboer.com
Mercruiser Alpha One Trim Pump Wiring Diagram Wiring Diagram Bravo 3 Trim Gauge Not Working find the 2 wires that come from the trim sender thru the gimbal housing and are tie strapped to the back of the. using the trailer up switch i set the drive at the max trim up position of 21 and 3/4 inches as measured on the. Its supposed to go through the. i just bought a. Bravo 3 Trim Gauge Not Working.
From funcfish.com
Mercruiser Trim Gauge Not Working? Do These 5 Basic Checks Now FuncFish Bravo 3 Trim Gauge Not Working i've got a trim gauge up at the helm that tells me whether the bravo 3 stern drive is fully up, fully down or somewhere. the trim gauge may use the brown/white wire at the dash. using the trailer up switch i set the drive at the max trim up position of 21 and 3/4 inches as. Bravo 3 Trim Gauge Not Working.
From boatsgeek.com
Trim Gauge Not Working on Boat Reasons with Guide to Fix Bravo 3 Trim Gauge Not Working There maybe be a spot on the motor near the 10 pin. find the 2 wires that come from the trim sender thru the gimbal housing and are tie strapped to the back of the. i installed a new trim sending unit and limit switch this weekend with new wiring through the transom housing and. i've got. Bravo 3 Trim Gauge Not Working.
From brainscoope.com
Boat trim gauge not working Brainscoop Bravo 3 Trim Gauge Not Working i installed a new trim sending unit and limit switch this weekend with new wiring through the transom housing and. i've got a trim gauge up at the helm that tells me whether the bravo 3 stern drive is fully up, fully down or somewhere. Its supposed to go through the. the trim gauge may use the. Bravo 3 Trim Gauge Not Working.
From schematiclibfriars99.z22.web.core.windows.net
Mercruiser Trim Gauge Wiring Bravo 3 Trim Gauge Not Working i've got a trim gauge up at the helm that tells me whether the bravo 3 stern drive is fully up, fully down or somewhere. the trim gauge may use the brown/white wire at the dash. There maybe be a spot on the motor near the 10 pin. While the tilt/trim works it does not register on the. Bravo 3 Trim Gauge Not Working.
From www.thehulltruth.com
Bravo 3 trim cylinder adjustment The Hull Truth Boating and Fishing Bravo 3 Trim Gauge Not Working While the tilt/trim works it does not register on the dash. i've got a trim gauge up at the helm that tells me whether the bravo 3 stern drive is fully up, fully down or somewhere. the trim gauge may use the brown/white wire at the dash. i just bought a 2003 amberjack 290 with 5.0 mpi's. Bravo 3 Trim Gauge Not Working.
From www.youtube.com
Mercruiser tilt trim NOT WORKING Fix and testing the pump YouTube Bravo 3 Trim Gauge Not Working While the tilt/trim works it does not register on the dash. the trim gauge may use the brown/white wire at the dash. i just bought a 2003 amberjack 290 with 5.0 mpi's with bravo 3's there is no trim gauge. i installed a new trim sending unit and limit switch this weekend with new wiring through the. Bravo 3 Trim Gauge Not Working.
From www.wiringdraw.com
Mercruiser Trim Gauge Wiring Diagram Bravo 3 Trim Gauge Not Working There maybe be a spot on the motor near the 10 pin. i just bought a 2003 amberjack 290 with 5.0 mpi's with bravo 3's there is no trim gauge. i installed a new trim sending unit and limit switch this weekend with new wiring through the transom housing and. i've got a trim gauge up at. Bravo 3 Trim Gauge Not Working.
From funcfish.com
5 Approaches To Solve Yamaha Trim Gauge Not Working FuncFish Bravo 3 Trim Gauge Not Working i installed a new trim sending unit and limit switch this weekend with new wiring through the transom housing and. While the tilt/trim works it does not register on the dash. Its supposed to go through the. the trim gauge may use the brown/white wire at the dash. find the 2 wires that come from the trim. Bravo 3 Trim Gauge Not Working.
From www.offshoreonly.com
Bravo 3 trim issues Bravo 3 Trim Gauge Not Working i just bought a 2003 amberjack 290 with 5.0 mpi's with bravo 3's there is no trim gauge. i've got a trim gauge up at the helm that tells me whether the bravo 3 stern drive is fully up, fully down or somewhere. using the trailer up switch i set the drive at the max trim up. Bravo 3 Trim Gauge Not Working.
From www.justanswer.com
Mercruiser Bravo 3 Outdrive Diagram Q&A for Trim, Wiring & Schematic Bravo 3 Trim Gauge Not Working Its supposed to go through the. i installed a new trim sending unit and limit switch this weekend with new wiring through the transom housing and. i've got a trim gauge up at the helm that tells me whether the bravo 3 stern drive is fully up, fully down or somewhere. While the tilt/trim works it does not. Bravo 3 Trim Gauge Not Working.
From boatsgeek.com
Trim Gauge Not Working on Boat Causes and Solutions Guide Bravo 3 Trim Gauge Not Working i installed a new trim sending unit and limit switch this weekend with new wiring through the transom housing and. Its supposed to go through the. using the trailer up switch i set the drive at the max trim up position of 21 and 3/4 inches as measured on the. i've got a trim gauge up at. Bravo 3 Trim Gauge Not Working.