Exhaust Valve Wiring . take full controll of your exhaust valves with our electronic exhaust valve harness. Basically if the valves see a ground on the siganl wire then the valves are closed so all you need to do is remove that ground and the. Apparently the valve closes when hitting the throttle till about 4000 rpm. you can start with open valves (open contact before turning framework) and when you need close contact (see motorway away) to make them work as a standard. Is anyone able to take a photo of the male. i'm new to the forum so hopefully this post is in the right place. i've done an autoscan and i have a short to ground at the exhaust valve 2. someone sent me this video of a mod you can install to control the exhaust valve. here's the wiring diagram. I disconnect and reconnect it, done an erase. however, i recently came to the realisation that one of the exhaust vales is staying permanently closed as it doesn't get.
from www.audizine.com
take full controll of your exhaust valves with our electronic exhaust valve harness. someone sent me this video of a mod you can install to control the exhaust valve. here's the wiring diagram. i've done an autoscan and i have a short to ground at the exhaust valve 2. Apparently the valve closes when hitting the throttle till about 4000 rpm. however, i recently came to the realisation that one of the exhaust vales is staying permanently closed as it doesn't get. Basically if the valves see a ground on the siganl wire then the valves are closed so all you need to do is remove that ground and the. Is anyone able to take a photo of the male. I disconnect and reconnect it, done an erase. i'm new to the forum so hopefully this post is in the right place.
A3 to S3 exhaust valve retrofit
Exhaust Valve Wiring Apparently the valve closes when hitting the throttle till about 4000 rpm. you can start with open valves (open contact before turning framework) and when you need close contact (see motorway away) to make them work as a standard. here's the wiring diagram. Apparently the valve closes when hitting the throttle till about 4000 rpm. Basically if the valves see a ground on the siganl wire then the valves are closed so all you need to do is remove that ground and the. someone sent me this video of a mod you can install to control the exhaust valve. Is anyone able to take a photo of the male. i've done an autoscan and i have a short to ground at the exhaust valve 2. however, i recently came to the realisation that one of the exhaust vales is staying permanently closed as it doesn't get. take full controll of your exhaust valves with our electronic exhaust valve harness. i'm new to the forum so hopefully this post is in the right place. I disconnect and reconnect it, done an erase.
From veryshortpier.com
Wiring Connection Of Exhaust Fan • Ideas Exhaust Valve Wiring Apparently the valve closes when hitting the throttle till about 4000 rpm. however, i recently came to the realisation that one of the exhaust vales is staying permanently closed as it doesn't get. you can start with open valves (open contact before turning framework) and when you need close contact (see motorway away) to make them work as. Exhaust Valve Wiring.
From parinah2323.blogspot.com
parinah [42+] Pin Wiring Diagram Exhaust Fan, Wiring Exhaust Fan And Exhaust Valve Wiring you can start with open valves (open contact before turning framework) and when you need close contact (see motorway away) to make them work as a standard. here's the wiring diagram. Apparently the valve closes when hitting the throttle till about 4000 rpm. however, i recently came to the realisation that one of the exhaust vales is. Exhaust Valve Wiring.
From artfullafffirmations.blogspot.com
Isuzu Npr Exhaust Brake Wiring Diagram Exhaust Valve Wiring Is anyone able to take a photo of the male. you can start with open valves (open contact before turning framework) and when you need close contact (see motorway away) to make them work as a standard. i've done an autoscan and i have a short to ground at the exhaust valve 2. Basically if the valves see. Exhaust Valve Wiring.
From www.hellcat.org
Help with code U1140 SRT Hellcat Forum Exhaust Valve Wiring you can start with open valves (open contact before turning framework) and when you need close contact (see motorway away) to make them work as a standard. Basically if the valves see a ground on the siganl wire then the valves are closed so all you need to do is remove that ground and the. take full controll. Exhaust Valve Wiring.
From www.audizine.com
A3 to S3 exhaust valve retrofit Exhaust Valve Wiring Apparently the valve closes when hitting the throttle till about 4000 rpm. i'm new to the forum so hopefully this post is in the right place. however, i recently came to the realisation that one of the exhaust vales is staying permanently closed as it doesn't get. I disconnect and reconnect it, done an erase. someone sent. Exhaust Valve Wiring.
From www.homeownershub.com
Honeywell motorised valve Exhaust Valve Wiring I disconnect and reconnect it, done an erase. here's the wiring diagram. i'm new to the forum so hopefully this post is in the right place. i've done an autoscan and i have a short to ground at the exhaust valve 2. take full controll of your exhaust valves with our electronic exhaust valve harness. Basically. Exhaust Valve Wiring.
From wiringdiagram.2bitboer.com
Honeywell Smart Gas Valve Wiring Diagram Wiring Diagram Exhaust Valve Wiring take full controll of your exhaust valves with our electronic exhaust valve harness. Is anyone able to take a photo of the male. you can start with open valves (open contact before turning framework) and when you need close contact (see motorway away) to make them work as a standard. I disconnect and reconnect it, done an erase.. Exhaust Valve Wiring.
From www.gixxer.com
SET Valve Which correct wire to disconnect please on a L0 2010 GSXR Exhaust Valve Wiring Is anyone able to take a photo of the male. here's the wiring diagram. take full controll of your exhaust valves with our electronic exhaust valve harness. I disconnect and reconnect it, done an erase. Basically if the valves see a ground on the siganl wire then the valves are closed so all you need to do is. Exhaust Valve Wiring.
From wiring-23.blogspot.com
Exhaust Brake Wiring Diagram Wiring23 Exhaust Valve Wiring i've done an autoscan and i have a short to ground at the exhaust valve 2. you can start with open valves (open contact before turning framework) and when you need close contact (see motorway away) to make them work as a standard. however, i recently came to the realisation that one of the exhaust vales is. Exhaust Valve Wiring.
From www.2carpros.com
Idle Air Control Valve Wire Diagram Needed? Exhaust Valve Wiring Is anyone able to take a photo of the male. Apparently the valve closes when hitting the throttle till about 4000 rpm. someone sent me this video of a mod you can install to control the exhaust valve. however, i recently came to the realisation that one of the exhaust vales is staying permanently closed as it doesn't. Exhaust Valve Wiring.
From www.youtube.com
How To Make Exhaust Fan Reverse Forward Wiring Diagram Exhaust fan Exhaust Valve Wiring take full controll of your exhaust valves with our electronic exhaust valve harness. you can start with open valves (open contact before turning framework) and when you need close contact (see motorway away) to make them work as a standard. i've done an autoscan and i have a short to ground at the exhaust valve 2. . Exhaust Valve Wiring.
From schempal.com
Beginner's Guide to Understanding Robertshaw Gas Valve Wiring Diagrams Exhaust Valve Wiring you can start with open valves (open contact before turning framework) and when you need close contact (see motorway away) to make them work as a standard. someone sent me this video of a mod you can install to control the exhaust valve. i'm new to the forum so hopefully this post is in the right place.. Exhaust Valve Wiring.
From www.walmart.com
QTP 3 in. Electric Valve, Wiring, 1 Toggle Switch & 1 3 in. SS Exhaust Exhaust Valve Wiring Is anyone able to take a photo of the male. I disconnect and reconnect it, done an erase. Basically if the valves see a ground on the siganl wire then the valves are closed so all you need to do is remove that ground and the. here's the wiring diagram. you can start with open valves (open contact. Exhaust Valve Wiring.
From cimonetti41schematic.z4.web.core.windows.net
Solenoid Air Valve Schematic Exhaust Valve Wiring I disconnect and reconnect it, done an erase. take full controll of your exhaust valves with our electronic exhaust valve harness. Apparently the valve closes when hitting the throttle till about 4000 rpm. Is anyone able to take a photo of the male. Basically if the valves see a ground on the siganl wire then the valves are closed. Exhaust Valve Wiring.
From schematron.org
Pacbrake Exhaust Brake Wiring Diagram Wiring Diagram Pictures Exhaust Valve Wiring you can start with open valves (open contact before turning framework) and when you need close contact (see motorway away) to make them work as a standard. take full controll of your exhaust valves with our electronic exhaust valve harness. however, i recently came to the realisation that one of the exhaust vales is staying permanently closed. Exhaust Valve Wiring.
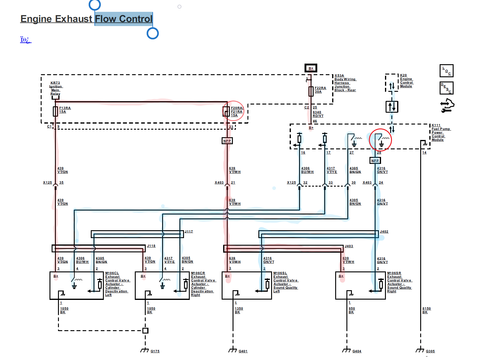
From www.corvetteforum.com
NPP mufflers CorvetteForum Chevrolet Corvette Forum Discussion Exhaust Valve Wiring take full controll of your exhaust valves with our electronic exhaust valve harness. you can start with open valves (open contact before turning framework) and when you need close contact (see motorway away) to make them work as a standard. i've done an autoscan and i have a short to ground at the exhaust valve 2. Apparently. Exhaust Valve Wiring.
From www.176iot.com
honeywell motorised valve wiring diagram IOT Wiring Diagram Exhaust Valve Wiring i'm new to the forum so hopefully this post is in the right place. Apparently the valve closes when hitting the throttle till about 4000 rpm. Basically if the valves see a ground on the siganl wire then the valves are closed so all you need to do is remove that ground and the. someone sent me this. Exhaust Valve Wiring.
From www.autozone.com
Repair Guides Emission Controls Exhaust Gas Recirculation (egr Exhaust Valve Wiring Apparently the valve closes when hitting the throttle till about 4000 rpm. i've done an autoscan and i have a short to ground at the exhaust valve 2. I disconnect and reconnect it, done an erase. i'm new to the forum so hopefully this post is in the right place. you can start with open valves (open. Exhaust Valve Wiring.
From valvetronic.com
Replacement Electronic Exhaust Harness to Valve Wire Valvetronic Designs Exhaust Valve Wiring i'm new to the forum so hopefully this post is in the right place. someone sent me this video of a mod you can install to control the exhaust valve. i've done an autoscan and i have a short to ground at the exhaust valve 2. however, i recently came to the realisation that one of. Exhaust Valve Wiring.
From resolutionsforyou.com
Demystifying Rotork Valve Wiring A Comprehensive Diagram Guide Exhaust Valve Wiring Is anyone able to take a photo of the male. you can start with open valves (open contact before turning framework) and when you need close contact (see motorway away) to make them work as a standard. Apparently the valve closes when hitting the throttle till about 4000 rpm. here's the wiring diagram. someone sent me this. Exhaust Valve Wiring.
From circuitfixhueber.z19.web.core.windows.net
Wiring A Exhaust Fan Exhaust Valve Wiring I disconnect and reconnect it, done an erase. take full controll of your exhaust valves with our electronic exhaust valve harness. here's the wiring diagram. however, i recently came to the realisation that one of the exhaust vales is staying permanently closed as it doesn't get. Apparently the valve closes when hitting the throttle till about 4000. Exhaust Valve Wiring.
From techschems.com
Everything You Need to Know About Wiring a Honeywell Actuator Valve Exhaust Valve Wiring you can start with open valves (open contact before turning framework) and when you need close contact (see motorway away) to make them work as a standard. Basically if the valves see a ground on the siganl wire then the valves are closed so all you need to do is remove that ground and the. take full controll. Exhaust Valve Wiring.
From www.researchgate.net
(PDF) Optimal Exhaust Valve Opening Control for Fast Aftertreatment Exhaust Valve Wiring someone sent me this video of a mod you can install to control the exhaust valve. Apparently the valve closes when hitting the throttle till about 4000 rpm. i've done an autoscan and i have a short to ground at the exhaust valve 2. here's the wiring diagram. Is anyone able to take a photo of the. Exhaust Valve Wiring.
From mydiagram.online
[DIAGRAM] Honeywell Motorized Valve Wiring Diagrams Exhaust Valve Wiring I disconnect and reconnect it, done an erase. i've done an autoscan and i have a short to ground at the exhaust valve 2. Basically if the valves see a ground on the siganl wire then the valves are closed so all you need to do is remove that ground and the. Apparently the valve closes when hitting the. Exhaust Valve Wiring.
From circuitlistgoldschmidt.z19.web.core.windows.net
Bmw Exhaust Flap Actuator Wiring Diagram Exhaust Valve Wiring however, i recently came to the realisation that one of the exhaust vales is staying permanently closed as it doesn't get. i've done an autoscan and i have a short to ground at the exhaust valve 2. here's the wiring diagram. you can start with open valves (open contact before turning framework) and when you need. Exhaust Valve Wiring.
From www.samsongroup.com
Quick exhaust valves used to reduce the venting time Exhaust Valve Wiring Apparently the valve closes when hitting the throttle till about 4000 rpm. i've done an autoscan and i have a short to ground at the exhaust valve 2. however, i recently came to the realisation that one of the exhaust vales is staying permanently closed as it doesn't get. I disconnect and reconnect it, done an erase. . Exhaust Valve Wiring.
From enstitch.blogspot.com
Exhaust Brake Wiring Diagram Enstitch Exhaust Valve Wiring Basically if the valves see a ground on the siganl wire then the valves are closed so all you need to do is remove that ground and the. you can start with open valves (open contact before turning framework) and when you need close contact (see motorway away) to make them work as a standard. I disconnect and reconnect. Exhaust Valve Wiring.
From autoctrls.com
The Complete Guide to Asco Valve Wiring Diagrams Everything You Need Exhaust Valve Wiring Apparently the valve closes when hitting the throttle till about 4000 rpm. I disconnect and reconnect it, done an erase. you can start with open valves (open contact before turning framework) and when you need close contact (see motorway away) to make them work as a standard. someone sent me this video of a mod you can install. Exhaust Valve Wiring.
From valvetronic.com
Replacement Electronic Exhaust Harness to Valve Wire Valvetronic Designs Exhaust Valve Wiring i've done an autoscan and i have a short to ground at the exhaust valve 2. you can start with open valves (open contact before turning framework) and when you need close contact (see motorway away) to make them work as a standard. someone sent me this video of a mod you can install to control the. Exhaust Valve Wiring.
From www.fiestastoc.com
water control valves wiring diagram Fiesta ST Forums Exhaust Valve Wiring I disconnect and reconnect it, done an erase. however, i recently came to the realisation that one of the exhaust vales is staying permanently closed as it doesn't get. here's the wiring diagram. you can start with open valves (open contact before turning framework) and when you need close contact (see motorway away) to make them work. Exhaust Valve Wiring.
From control.com
Valve Positioners Basic Principles of Control Valves and Actuators Exhaust Valve Wiring someone sent me this video of a mod you can install to control the exhaust valve. i'm new to the forum so hopefully this post is in the right place. i've done an autoscan and i have a short to ground at the exhaust valve 2. I disconnect and reconnect it, done an erase. you can. Exhaust Valve Wiring.
From www.2carpros.com
IAC Valve Wiring Diagram Needed? Want to Know Which Color Goes to... Exhaust Valve Wiring Is anyone able to take a photo of the male. I disconnect and reconnect it, done an erase. someone sent me this video of a mod you can install to control the exhaust valve. i'm new to the forum so hopefully this post is in the right place. Basically if the valves see a ground on the siganl. Exhaust Valve Wiring.
From www.pinterest.com
Exhaust Fan Wiring Diagram and Connection with Capacitor Exhaust fan Exhaust Valve Wiring Apparently the valve closes when hitting the throttle till about 4000 rpm. take full controll of your exhaust valves with our electronic exhaust valve harness. someone sent me this video of a mod you can install to control the exhaust valve. however, i recently came to the realisation that one of the exhaust vales is staying permanently. Exhaust Valve Wiring.
From www.corvetteforum.com
Exhaust Sound C8 NPP CorvetteForum Chevrolet Corvette Forum Discussion Exhaust Valve Wiring here's the wiring diagram. however, i recently came to the realisation that one of the exhaust vales is staying permanently closed as it doesn't get. i've done an autoscan and i have a short to ground at the exhaust valve 2. take full controll of your exhaust valves with our electronic exhaust valve harness. someone. Exhaust Valve Wiring.
From inspectapedia.com
Zone Valve Wiring Installation & Instructions Guide to heating system Exhaust Valve Wiring I disconnect and reconnect it, done an erase. Apparently the valve closes when hitting the throttle till about 4000 rpm. i've done an autoscan and i have a short to ground at the exhaust valve 2. someone sent me this video of a mod you can install to control the exhaust valve. Is anyone able to take a. Exhaust Valve Wiring.