Water Level Control System Using Plc And Wireless Sensors . This paper describes a water level control system, using siemens logo! The article includes two control. Liquid level control system using plc has been employed in managing and monitoring the water level for the tank. The advantages of a water level control systems are the possibility of maintaining a constant level at a variable filing or draining flow, avoiding. In this paper, a prototype system has been implemented for artificial control and monitoring using iot. This paper presents the karthoom automatic control system (kacs) design to control the water supply system using the programmable logic. This paper describes a water level control system, using siemens logo!
from control.com
The advantages of a water level control systems are the possibility of maintaining a constant level at a variable filing or draining flow, avoiding. The article includes two control. Liquid level control system using plc has been employed in managing and monitoring the water level for the tank. This paper describes a water level control system, using siemens logo! In this paper, a prototype system has been implemented for artificial control and monitoring using iot. This paper describes a water level control system, using siemens logo! This paper presents the karthoom automatic control system (kacs) design to control the water supply system using the programmable logic.
Boiler Water Level Control System Example Introduction to Industrial
Water Level Control System Using Plc And Wireless Sensors The advantages of a water level control systems are the possibility of maintaining a constant level at a variable filing or draining flow, avoiding. This paper presents the karthoom automatic control system (kacs) design to control the water supply system using the programmable logic. In this paper, a prototype system has been implemented for artificial control and monitoring using iot. This paper describes a water level control system, using siemens logo! Liquid level control system using plc has been employed in managing and monitoring the water level for the tank. The advantages of a water level control systems are the possibility of maintaining a constant level at a variable filing or draining flow, avoiding. This paper describes a water level control system, using siemens logo! The article includes two control.
From www.pinterest.com
Automatic Water Level Controller / How to Install Water Level Water Level Control System Using Plc And Wireless Sensors In this paper, a prototype system has been implemented for artificial control and monitoring using iot. The advantages of a water level control systems are the possibility of maintaining a constant level at a variable filing or draining flow, avoiding. Liquid level control system using plc has been employed in managing and monitoring the water level for the tank. The. Water Level Control System Using Plc And Wireless Sensors.
From www.youtube.com
Automatic water level control electrical sequence using PLC YouTube Water Level Control System Using Plc And Wireless Sensors In this paper, a prototype system has been implemented for artificial control and monitoring using iot. Liquid level control system using plc has been employed in managing and monitoring the water level for the tank. The article includes two control. The advantages of a water level control systems are the possibility of maintaining a constant level at a variable filing. Water Level Control System Using Plc And Wireless Sensors.
From instrumentationtools.com
PLC Program for Water filling and Discharging Process Water Level Control System Using Plc And Wireless Sensors This paper describes a water level control system, using siemens logo! This paper describes a water level control system, using siemens logo! In this paper, a prototype system has been implemented for artificial control and monitoring using iot. This paper presents the karthoom automatic control system (kacs) design to control the water supply system using the programmable logic. The advantages. Water Level Control System Using Plc And Wireless Sensors.
From www.sanfoundry.com
PLC Program to Maintain Level of a Tank Sanfoundry Water Level Control System Using Plc And Wireless Sensors The advantages of a water level control systems are the possibility of maintaining a constant level at a variable filing or draining flow, avoiding. This paper describes a water level control system, using siemens logo! In this paper, a prototype system has been implemented for artificial control and monitoring using iot. Liquid level control system using plc has been employed. Water Level Control System Using Plc And Wireless Sensors.
From www.drurylandetheatre.com
Water Tank Level Sensors for Level monitoring and Autocontrol Water Level Control System Using Plc And Wireless Sensors This paper describes a water level control system, using siemens logo! This paper describes a water level control system, using siemens logo! This paper presents the karthoom automatic control system (kacs) design to control the water supply system using the programmable logic. Liquid level control system using plc has been employed in managing and monitoring the water level for the. Water Level Control System Using Plc And Wireless Sensors.
From www.youtube.com
Automatic water level controller using arduino Water tank level Water Level Control System Using Plc And Wireless Sensors This paper describes a water level control system, using siemens logo! This paper presents the karthoom automatic control system (kacs) design to control the water supply system using the programmable logic. In this paper, a prototype system has been implemented for artificial control and monitoring using iot. This paper describes a water level control system, using siemens logo! The article. Water Level Control System Using Plc And Wireless Sensors.
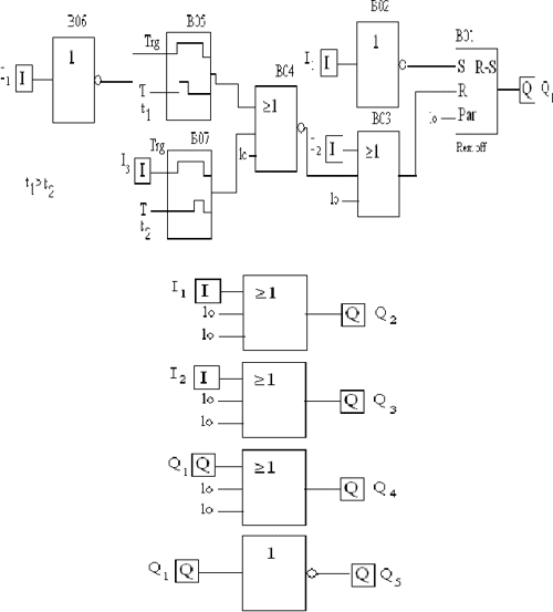
From www.researchgate.net
Wired water level control system design. Download Scientific Diagram Water Level Control System Using Plc And Wireless Sensors This paper describes a water level control system, using siemens logo! In this paper, a prototype system has been implemented for artificial control and monitoring using iot. Liquid level control system using plc has been employed in managing and monitoring the water level for the tank. This paper describes a water level control system, using siemens logo! This paper presents. Water Level Control System Using Plc And Wireless Sensors.
From studylib.net
Electronic Water Level Control System Water Level Control System Using Plc And Wireless Sensors The advantages of a water level control systems are the possibility of maintaining a constant level at a variable filing or draining flow, avoiding. This paper describes a water level control system, using siemens logo! In this paper, a prototype system has been implemented for artificial control and monitoring using iot. The article includes two control. This paper describes a. Water Level Control System Using Plc And Wireless Sensors.
From www.researchgate.net
Schematic diagram of the water level control system. Download Water Level Control System Using Plc And Wireless Sensors This paper describes a water level control system, using siemens logo! This paper presents the karthoom automatic control system (kacs) design to control the water supply system using the programmable logic. In this paper, a prototype system has been implemented for artificial control and monitoring using iot. Liquid level control system using plc has been employed in managing and monitoring. Water Level Control System Using Plc And Wireless Sensors.
From www.youtube.com
automatic water level controller YouTube Water Level Control System Using Plc And Wireless Sensors Liquid level control system using plc has been employed in managing and monitoring the water level for the tank. This paper describes a water level control system, using siemens logo! In this paper, a prototype system has been implemented for artificial control and monitoring using iot. This paper presents the karthoom automatic control system (kacs) design to control the water. Water Level Control System Using Plc And Wireless Sensors.
From www.youtube.com
Automatic Water Level Controller using Arduino & float sensor for Water Level Control System Using Plc And Wireless Sensors This paper presents the karthoom automatic control system (kacs) design to control the water supply system using the programmable logic. Liquid level control system using plc has been employed in managing and monitoring the water level for the tank. In this paper, a prototype system has been implemented for artificial control and monitoring using iot. The article includes two control.. Water Level Control System Using Plc And Wireless Sensors.
From www.semanticscholar.org
[PDF] Water level control system using PLC and wireless sensors Water Level Control System Using Plc And Wireless Sensors This paper describes a water level control system, using siemens logo! The article includes two control. The advantages of a water level control systems are the possibility of maintaining a constant level at a variable filing or draining flow, avoiding. Liquid level control system using plc has been employed in managing and monitoring the water level for the tank. This. Water Level Control System Using Plc And Wireless Sensors.
From instrumentationtools.com
PLC Program for Water Level Control Instrumentation Tools Water Level Control System Using Plc And Wireless Sensors In this paper, a prototype system has been implemented for artificial control and monitoring using iot. This paper describes a water level control system, using siemens logo! Liquid level control system using plc has been employed in managing and monitoring the water level for the tank. This paper presents the karthoom automatic control system (kacs) design to control the water. Water Level Control System Using Plc And Wireless Sensors.
From www.projectsatbangalore.com
Automatic Water Level Control System Using PLC Project Water Level Control System Using Plc And Wireless Sensors This paper presents the karthoom automatic control system (kacs) design to control the water supply system using the programmable logic. This paper describes a water level control system, using siemens logo! Liquid level control system using plc has been employed in managing and monitoring the water level for the tank. This paper describes a water level control system, using siemens. Water Level Control System Using Plc And Wireless Sensors.
From instrumentationtools.com
Tank Level Control in PLC InstrumentationTools Water Level Control System Using Plc And Wireless Sensors Liquid level control system using plc has been employed in managing and monitoring the water level for the tank. The article includes two control. This paper describes a water level control system, using siemens logo! The advantages of a water level control systems are the possibility of maintaining a constant level at a variable filing or draining flow, avoiding. This. Water Level Control System Using Plc And Wireless Sensors.
From www.youtube.com
water level controller circuit diagram YouTube Water Level Control System Using Plc And Wireless Sensors This paper describes a water level control system, using siemens logo! In this paper, a prototype system has been implemented for artificial control and monitoring using iot. This paper describes a water level control system, using siemens logo! The article includes two control. Liquid level control system using plc has been employed in managing and monitoring the water level for. Water Level Control System Using Plc And Wireless Sensors.
From stock.adobe.com
PLC Ladder Diagram Tank Liquid Level Control System Векторный объект Water Level Control System Using Plc And Wireless Sensors The advantages of a water level control systems are the possibility of maintaining a constant level at a variable filing or draining flow, avoiding. In this paper, a prototype system has been implemented for artificial control and monitoring using iot. The article includes two control. Liquid level control system using plc has been employed in managing and monitoring the water. Water Level Control System Using Plc And Wireless Sensors.
From joiltopbw.blob.core.windows.net
Water Level Control System at Thomas McCord blog Water Level Control System Using Plc And Wireless Sensors Liquid level control system using plc has been employed in managing and monitoring the water level for the tank. This paper describes a water level control system, using siemens logo! This paper describes a water level control system, using siemens logo! The advantages of a water level control systems are the possibility of maintaining a constant level at a variable. Water Level Control System Using Plc And Wireless Sensors.
From www.youtube.com
Arduino Project Water level monitoring using Ultrasonic Sensor Water Water Level Control System Using Plc And Wireless Sensors In this paper, a prototype system has been implemented for artificial control and monitoring using iot. This paper describes a water level control system, using siemens logo! The article includes two control. This paper describes a water level control system, using siemens logo! Liquid level control system using plc has been employed in managing and monitoring the water level for. Water Level Control System Using Plc And Wireless Sensors.
From plcynergy.com
What Is A PID Controller And How It Works? PLCynergy Water Level Control System Using Plc And Wireless Sensors This paper describes a water level control system, using siemens logo! In this paper, a prototype system has been implemented for artificial control and monitoring using iot. The advantages of a water level control systems are the possibility of maintaining a constant level at a variable filing or draining flow, avoiding. This paper describes a water level control system, using. Water Level Control System Using Plc And Wireless Sensors.
From mavink.com
Ultrasonic Sensor Flowchart Water Level Control System Using Plc And Wireless Sensors The advantages of a water level control systems are the possibility of maintaining a constant level at a variable filing or draining flow, avoiding. Liquid level control system using plc has been employed in managing and monitoring the water level for the tank. This paper describes a water level control system, using siemens logo! The article includes two control. This. Water Level Control System Using Plc And Wireless Sensors.
From cerdaswae.blogspot.com
Pengertian Water Level Control (WLC) dengan Prinsip Kerja dan Water Level Control System Using Plc And Wireless Sensors The advantages of a water level control systems are the possibility of maintaining a constant level at a variable filing or draining flow, avoiding. This paper presents the karthoom automatic control system (kacs) design to control the water supply system using the programmable logic. This paper describes a water level control system, using siemens logo! The article includes two control.. Water Level Control System Using Plc And Wireless Sensors.
From instrumentationtools.com
PLC Automatic Irrigation System PLC Drip Irrigation Ladder Logic Water Level Control System Using Plc And Wireless Sensors Liquid level control system using plc has been employed in managing and monitoring the water level for the tank. In this paper, a prototype system has been implemented for artificial control and monitoring using iot. This paper presents the karthoom automatic control system (kacs) design to control the water supply system using the programmable logic. This paper describes a water. Water Level Control System Using Plc And Wireless Sensors.
From www.youtube.com
Wireless Water Level Indicator using LoRa and ESP32 TTGO LoRa32 YouTube Water Level Control System Using Plc And Wireless Sensors This paper describes a water level control system, using siemens logo! In this paper, a prototype system has been implemented for artificial control and monitoring using iot. The advantages of a water level control systems are the possibility of maintaining a constant level at a variable filing or draining flow, avoiding. Liquid level control system using plc has been employed. Water Level Control System Using Plc And Wireless Sensors.
From www.youtube.com
Automatic water pump on off water level controller YouTube Water Level Control System Using Plc And Wireless Sensors This paper describes a water level control system, using siemens logo! This paper describes a water level control system, using siemens logo! Liquid level control system using plc has been employed in managing and monitoring the water level for the tank. The advantages of a water level control systems are the possibility of maintaining a constant level at a variable. Water Level Control System Using Plc And Wireless Sensors.
From control.com
Boiler Water Level Control System Example Introduction to Industrial Water Level Control System Using Plc And Wireless Sensors This paper presents the karthoom automatic control system (kacs) design to control the water supply system using the programmable logic. This paper describes a water level control system, using siemens logo! The article includes two control. Liquid level control system using plc has been employed in managing and monitoring the water level for the tank. The advantages of a water. Water Level Control System Using Plc And Wireless Sensors.
From vdocuments.mx
Water level control system using PLC and wireless sensors (PDF Water Level Control System Using Plc And Wireless Sensors Liquid level control system using plc has been employed in managing and monitoring the water level for the tank. In this paper, a prototype system has been implemented for artificial control and monitoring using iot. This paper describes a water level control system, using siemens logo! This paper describes a water level control system, using siemens logo! The article includes. Water Level Control System Using Plc And Wireless Sensors.
From www.bukalapak.com
Jual Liquid Water Level Controller Sensor Module DIY Kits Water Level Water Level Control System Using Plc And Wireless Sensors This paper describes a water level control system, using siemens logo! The article includes two control. This paper describes a water level control system, using siemens logo! The advantages of a water level control systems are the possibility of maintaining a constant level at a variable filing or draining flow, avoiding. This paper presents the karthoom automatic control system (kacs). Water Level Control System Using Plc And Wireless Sensors.
From www.engineersgarage.com
Simple overhead tank water level controller without an MCU Water Level Control System Using Plc And Wireless Sensors Liquid level control system using plc has been employed in managing and monitoring the water level for the tank. In this paper, a prototype system has been implemented for artificial control and monitoring using iot. The article includes two control. This paper presents the karthoom automatic control system (kacs) design to control the water supply system using the programmable logic.. Water Level Control System Using Plc And Wireless Sensors.
From www.tpsearchtool.com
Water Tank Level Monitoring System With Nodemcu And Blynk 20 Water Level Control System Using Plc And Wireless Sensors The article includes two control. This paper describes a water level control system, using siemens logo! The advantages of a water level control systems are the possibility of maintaining a constant level at a variable filing or draining flow, avoiding. This paper presents the karthoom automatic control system (kacs) design to control the water supply system using the programmable logic.. Water Level Control System Using Plc And Wireless Sensors.
From vdocuments.mx
Water level control system using PLC and wireless sensors (PDF [PDF Water Level Control System Using Plc And Wireless Sensors This paper describes a water level control system, using siemens logo! This paper describes a water level control system, using siemens logo! The article includes two control. The advantages of a water level control systems are the possibility of maintaining a constant level at a variable filing or draining flow, avoiding. This paper presents the karthoom automatic control system (kacs). Water Level Control System Using Plc And Wireless Sensors.
From loenamchg.blob.core.windows.net
Best Cistern Water Level Monitor at Wesley Fuqua blog Water Level Control System Using Plc And Wireless Sensors This paper describes a water level control system, using siemens logo! Liquid level control system using plc has been employed in managing and monitoring the water level for the tank. This paper describes a water level control system, using siemens logo! In this paper, a prototype system has been implemented for artificial control and monitoring using iot. The advantages of. Water Level Control System Using Plc And Wireless Sensors.
From instrumentationtools.com
PLC Program for Water Level Control Instrumentation Tools Water Level Control System Using Plc And Wireless Sensors In this paper, a prototype system has been implemented for artificial control and monitoring using iot. This paper describes a water level control system, using siemens logo! Liquid level control system using plc has been employed in managing and monitoring the water level for the tank. The article includes two control. This paper describes a water level control system, using. Water Level Control System Using Plc And Wireless Sensors.
From www.electronicsforu.com
Simple Automatic Water Level Controller Full Circuit with Explanation Water Level Control System Using Plc And Wireless Sensors In this paper, a prototype system has been implemented for artificial control and monitoring using iot. This paper describes a water level control system, using siemens logo! The article includes two control. This paper describes a water level control system, using siemens logo! This paper presents the karthoom automatic control system (kacs) design to control the water supply system using. Water Level Control System Using Plc And Wireless Sensors.
From electronics-project-hub.com
GSM Based Water Level Monitoring System Arduino DIY Electronics Water Level Control System Using Plc And Wireless Sensors The advantages of a water level control systems are the possibility of maintaining a constant level at a variable filing or draining flow, avoiding. In this paper, a prototype system has been implemented for artificial control and monitoring using iot. This paper presents the karthoom automatic control system (kacs) design to control the water supply system using the programmable logic.. Water Level Control System Using Plc And Wireless Sensors.