Hydraulic Clutch Pump Problems . Improper fit of throwout bearing with pressure plate; If your clutch fluid level is. Each of these failure modes has different causes, and how it failed can be a big help in figuring out how to fix it. Disc contaminated with foreign material. Among the most common problems with hydraulic clutch conversions is a master cylinder seal leak. Dirty fluid can be caused by the seals. A clutch master cylinder pumps hydraulic fluid to engage and disengage the clutch in a manual transmission vehicle. One of the first symptoms commonly associated with a potential problem with the clutch master cylinder is low or dirty fluid in the reservoir. This results from an incorrectly located master cylinder actuation arm on the clutch pedal. Here's how you can get the clutch pedal pressure back by bleeding air out of your slave cylinder. Instruct the helper to press the clutch pedal several times and then hold it down.
from www.youtube.com
Dirty fluid can be caused by the seals. A clutch master cylinder pumps hydraulic fluid to engage and disengage the clutch in a manual transmission vehicle. Improper fit of throwout bearing with pressure plate; If your clutch fluid level is. Instruct the helper to press the clutch pedal several times and then hold it down. This results from an incorrectly located master cylinder actuation arm on the clutch pedal. Each of these failure modes has different causes, and how it failed can be a big help in figuring out how to fix it. Disc contaminated with foreign material. Among the most common problems with hydraulic clutch conversions is a master cylinder seal leak. Here's how you can get the clutch pedal pressure back by bleeding air out of your slave cylinder.
Hydraulic Pump Failure and Maintenance Tips YouTube
Hydraulic Clutch Pump Problems Improper fit of throwout bearing with pressure plate; Disc contaminated with foreign material. Improper fit of throwout bearing with pressure plate; Instruct the helper to press the clutch pedal several times and then hold it down. One of the first symptoms commonly associated with a potential problem with the clutch master cylinder is low or dirty fluid in the reservoir. Among the most common problems with hydraulic clutch conversions is a master cylinder seal leak. This results from an incorrectly located master cylinder actuation arm on the clutch pedal. A clutch master cylinder pumps hydraulic fluid to engage and disengage the clutch in a manual transmission vehicle. If your clutch fluid level is. Dirty fluid can be caused by the seals. Each of these failure modes has different causes, and how it failed can be a big help in figuring out how to fix it. Here's how you can get the clutch pedal pressure back by bleeding air out of your slave cylinder.
From tech.corvettecentral.com
Clutch Hydraulics on the 1984 to 1996 Corvette Corvette Central Tech Blog Hydraulic Clutch Pump Problems Among the most common problems with hydraulic clutch conversions is a master cylinder seal leak. Improper fit of throwout bearing with pressure plate; This results from an incorrectly located master cylinder actuation arm on the clutch pedal. One of the first symptoms commonly associated with a potential problem with the clutch master cylinder is low or dirty fluid in the. Hydraulic Clutch Pump Problems.
From komatsuvscat.com
john deere hydraulics troubleshooting Hydraulic Clutch Pump Problems Among the most common problems with hydraulic clutch conversions is a master cylinder seal leak. Here's how you can get the clutch pedal pressure back by bleeding air out of your slave cylinder. Improper fit of throwout bearing with pressure plate; Each of these failure modes has different causes, and how it failed can be a big help in figuring. Hydraulic Clutch Pump Problems.
From harleydavidsonblog.com
Harley Davidson Hydraulic Clutch Problems Hydraulic Clutch Pump Problems Among the most common problems with hydraulic clutch conversions is a master cylinder seal leak. Dirty fluid can be caused by the seals. One of the first symptoms commonly associated with a potential problem with the clutch master cylinder is low or dirty fluid in the reservoir. Here's how you can get the clutch pedal pressure back by bleeding air. Hydraulic Clutch Pump Problems.
From humblemechanic.com
5 Tips For Replacing A Clutch Humble Mechanic Hydraulic Clutch Pump Problems Each of these failure modes has different causes, and how it failed can be a big help in figuring out how to fix it. This results from an incorrectly located master cylinder actuation arm on the clutch pedal. Among the most common problems with hydraulic clutch conversions is a master cylinder seal leak. Improper fit of throwout bearing with pressure. Hydraulic Clutch Pump Problems.
From www.pelahatchienews.com
Common Symptoms of Hydraulic Pump Problems Hydraulic Clutch Pump Problems A clutch master cylinder pumps hydraulic fluid to engage and disengage the clutch in a manual transmission vehicle. Here's how you can get the clutch pedal pressure back by bleeding air out of your slave cylinder. Among the most common problems with hydraulic clutch conversions is a master cylinder seal leak. Instruct the helper to press the clutch pedal several. Hydraulic Clutch Pump Problems.
From www.orangetractortalks.com
4400 Hydraulic Issues New pump, or no? OrangeTractorTalks Hydraulic Clutch Pump Problems Instruct the helper to press the clutch pedal several times and then hold it down. Dirty fluid can be caused by the seals. Disc contaminated with foreign material. Each of these failure modes has different causes, and how it failed can be a big help in figuring out how to fix it. One of the first symptoms commonly associated with. Hydraulic Clutch Pump Problems.
From www.machinerylubrication.com
Symptoms of Common Hydraulic Problems and Their Root Causes Hydraulic Clutch Pump Problems Improper fit of throwout bearing with pressure plate; A clutch master cylinder pumps hydraulic fluid to engage and disengage the clutch in a manual transmission vehicle. Each of these failure modes has different causes, and how it failed can be a big help in figuring out how to fix it. Instruct the helper to press the clutch pedal several times. Hydraulic Clutch Pump Problems.
From www.easyautoslife.com
Ford F150 Hydraulic Clutch Problems with Solutions Easy Autos Life Hydraulic Clutch Pump Problems Improper fit of throwout bearing with pressure plate; Here's how you can get the clutch pedal pressure back by bleeding air out of your slave cylinder. Disc contaminated with foreign material. Among the most common problems with hydraulic clutch conversions is a master cylinder seal leak. Instruct the helper to press the clutch pedal several times and then hold it. Hydraulic Clutch Pump Problems.
From www.tffn.net
How Does a Hydraulic Pump Work? A StepbyStep Guide The Enlightened Hydraulic Clutch Pump Problems Among the most common problems with hydraulic clutch conversions is a master cylinder seal leak. This results from an incorrectly located master cylinder actuation arm on the clutch pedal. A clutch master cylinder pumps hydraulic fluid to engage and disengage the clutch in a manual transmission vehicle. If your clutch fluid level is. Improper fit of throwout bearing with pressure. Hydraulic Clutch Pump Problems.
From hnnotify.com
Ford Focus Hydraulic Clutch Problems A Comprehensive Guide HN Notify Hydraulic Clutch Pump Problems Each of these failure modes has different causes, and how it failed can be a big help in figuring out how to fix it. Improper fit of throwout bearing with pressure plate; This results from an incorrectly located master cylinder actuation arm on the clutch pedal. Dirty fluid can be caused by the seals. Here's how you can get the. Hydraulic Clutch Pump Problems.
From topkitparts.com
monarch hydraulic pump troubleshooting(guide &solutions) Hydraulic Clutch Pump Problems Instruct the helper to press the clutch pedal several times and then hold it down. Improper fit of throwout bearing with pressure plate; If your clutch fluid level is. This results from an incorrectly located master cylinder actuation arm on the clutch pedal. Here's how you can get the clutch pedal pressure back by bleeding air out of your slave. Hydraulic Clutch Pump Problems.
From reviewmotors.co
Motorcycle Hydraulic Clutch Problems Reviewmotors.co Hydraulic Clutch Pump Problems Improper fit of throwout bearing with pressure plate; Among the most common problems with hydraulic clutch conversions is a master cylinder seal leak. Here's how you can get the clutch pedal pressure back by bleeding air out of your slave cylinder. Each of these failure modes has different causes, and how it failed can be a big help in figuring. Hydraulic Clutch Pump Problems.
From www.autocarneed.com
8 Common Ford F150 Hydraulic Clutch Problems (Easy Solutions) Hydraulic Clutch Pump Problems If your clutch fluid level is. Dirty fluid can be caused by the seals. Here's how you can get the clutch pedal pressure back by bleeding air out of your slave cylinder. Disc contaminated with foreign material. Improper fit of throwout bearing with pressure plate; This results from an incorrectly located master cylinder actuation arm on the clutch pedal. Instruct. Hydraulic Clutch Pump Problems.
From innovationdiscoveries.space
Master Cylinder Failure Symptoms Clutch Hydraulic Clutch Pump Problems Dirty fluid can be caused by the seals. A clutch master cylinder pumps hydraulic fluid to engage and disengage the clutch in a manual transmission vehicle. Among the most common problems with hydraulic clutch conversions is a master cylinder seal leak. Improper fit of throwout bearing with pressure plate; This results from an incorrectly located master cylinder actuation arm on. Hydraulic Clutch Pump Problems.
From www.youtube.com
How to bleed air from hydraulic clutch YouTube Hydraulic Clutch Pump Problems Each of these failure modes has different causes, and how it failed can be a big help in figuring out how to fix it. Improper fit of throwout bearing with pressure plate; If your clutch fluid level is. Dirty fluid can be caused by the seals. Among the most common problems with hydraulic clutch conversions is a master cylinder seal. Hydraulic Clutch Pump Problems.
From exytfczfn.blob.core.windows.net
Hydraulic Clutch Bleeding Tool at Adolph Tilton blog Hydraulic Clutch Pump Problems Instruct the helper to press the clutch pedal several times and then hold it down. A clutch master cylinder pumps hydraulic fluid to engage and disengage the clutch in a manual transmission vehicle. Disc contaminated with foreign material. This results from an incorrectly located master cylinder actuation arm on the clutch pedal. If your clutch fluid level is. One of. Hydraulic Clutch Pump Problems.
From www.youtube.com
Hydraulic Pump Failure and Maintenance Tips YouTube Hydraulic Clutch Pump Problems Here's how you can get the clutch pedal pressure back by bleeding air out of your slave cylinder. If your clutch fluid level is. Improper fit of throwout bearing with pressure plate; One of the first symptoms commonly associated with a potential problem with the clutch master cylinder is low or dirty fluid in the reservoir. Among the most common. Hydraulic Clutch Pump Problems.
From www.howacarworks.com
How to bleed a clutch How a Car Works Hydraulic Clutch Pump Problems Here's how you can get the clutch pedal pressure back by bleeding air out of your slave cylinder. If your clutch fluid level is. This results from an incorrectly located master cylinder actuation arm on the clutch pedal. One of the first symptoms commonly associated with a potential problem with the clutch master cylinder is low or dirty fluid in. Hydraulic Clutch Pump Problems.
From www.hotrod.com
Mastering the Basics of Hydraulic Clutch Systems Hydraulic Clutch Pump Problems Each of these failure modes has different causes, and how it failed can be a big help in figuring out how to fix it. Among the most common problems with hydraulic clutch conversions is a master cylinder seal leak. Here's how you can get the clutch pedal pressure back by bleeding air out of your slave cylinder. Dirty fluid can. Hydraulic Clutch Pump Problems.
From torquetrip.com
How To Bleed Clutch Master Cylinder [5 Easy Steps] Torque Trip Hydraulic Clutch Pump Problems Instruct the helper to press the clutch pedal several times and then hold it down. Dirty fluid can be caused by the seals. Disc contaminated with foreign material. Among the most common problems with hydraulic clutch conversions is a master cylinder seal leak. One of the first symptoms commonly associated with a potential problem with the clutch master cylinder is. Hydraulic Clutch Pump Problems.
From howacarworks.com
Checking and removing a clutch master cylinder How a Car Works Hydraulic Clutch Pump Problems A clutch master cylinder pumps hydraulic fluid to engage and disengage the clutch in a manual transmission vehicle. Each of these failure modes has different causes, and how it failed can be a big help in figuring out how to fix it. One of the first symptoms commonly associated with a potential problem with the clutch master cylinder is low. Hydraulic Clutch Pump Problems.
From www.autozone.com
Repair Guides Clutch Clutch Release Cylinder Hydraulic Clutch Pump Problems A clutch master cylinder pumps hydraulic fluid to engage and disengage the clutch in a manual transmission vehicle. Improper fit of throwout bearing with pressure plate; This results from an incorrectly located master cylinder actuation arm on the clutch pedal. Instruct the helper to press the clutch pedal several times and then hold it down. Among the most common problems. Hydraulic Clutch Pump Problems.
From www.wikihow.com
How to Check Clutch Fluid Level 14 Steps (with Pictures) Hydraulic Clutch Pump Problems Here's how you can get the clutch pedal pressure back by bleeding air out of your slave cylinder. Each of these failure modes has different causes, and how it failed can be a big help in figuring out how to fix it. Instruct the helper to press the clutch pedal several times and then hold it down. Disc contaminated with. Hydraulic Clutch Pump Problems.
From learnmechanical.com
Clutch Definition, Working Principle, Function, Types, Advantages Hydraulic Clutch Pump Problems Here's how you can get the clutch pedal pressure back by bleeding air out of your slave cylinder. Improper fit of throwout bearing with pressure plate; If your clutch fluid level is. A clutch master cylinder pumps hydraulic fluid to engage and disengage the clutch in a manual transmission vehicle. Among the most common problems with hydraulic clutch conversions is. Hydraulic Clutch Pump Problems.
From www.youtube.com
Causes of clutch problems, Clutch Failure symptoms and how to fix Hydraulic Clutch Pump Problems A clutch master cylinder pumps hydraulic fluid to engage and disengage the clutch in a manual transmission vehicle. Each of these failure modes has different causes, and how it failed can be a big help in figuring out how to fix it. Improper fit of throwout bearing with pressure plate; If your clutch fluid level is. Among the most common. Hydraulic Clutch Pump Problems.
From www.yourmechanic.com
How to Bleed a Clutch YourMechanic Advice Hydraulic Clutch Pump Problems Here's how you can get the clutch pedal pressure back by bleeding air out of your slave cylinder. This results from an incorrectly located master cylinder actuation arm on the clutch pedal. Improper fit of throwout bearing with pressure plate; A clutch master cylinder pumps hydraulic fluid to engage and disengage the clutch in a manual transmission vehicle. Disc contaminated. Hydraulic Clutch Pump Problems.
From www.fluidpowerworld.com
Troubleshooting common hydraulic vane pump problems Fluid Power World Hydraulic Clutch Pump Problems If your clutch fluid level is. Among the most common problems with hydraulic clutch conversions is a master cylinder seal leak. This results from an incorrectly located master cylinder actuation arm on the clutch pedal. Dirty fluid can be caused by the seals. Improper fit of throwout bearing with pressure plate; Here's how you can get the clutch pedal pressure. Hydraulic Clutch Pump Problems.
From info.texasfinaldrive.com
Hydraulic Pump Failure Hydraulic Clutch Pump Problems Here's how you can get the clutch pedal pressure back by bleeding air out of your slave cylinder. Instruct the helper to press the clutch pedal several times and then hold it down. This results from an incorrectly located master cylinder actuation arm on the clutch pedal. Disc contaminated with foreign material. If your clutch fluid level is. Dirty fluid. Hydraulic Clutch Pump Problems.
From www.youtube.com
CLUTCH TECH Holden Rodeo/Colorado & Isuzu DMax Clutch Bleeding Guide Hydraulic Clutch Pump Problems Dirty fluid can be caused by the seals. Improper fit of throwout bearing with pressure plate; Among the most common problems with hydraulic clutch conversions is a master cylinder seal leak. Disc contaminated with foreign material. Here's how you can get the clutch pedal pressure back by bleeding air out of your slave cylinder. If your clutch fluid level is.. Hydraulic Clutch Pump Problems.
From www.youtube.com
Hydraulic Slave Cylinder Bleeding Procedure (How To) YouTube Hydraulic Clutch Pump Problems Among the most common problems with hydraulic clutch conversions is a master cylinder seal leak. This results from an incorrectly located master cylinder actuation arm on the clutch pedal. If your clutch fluid level is. Dirty fluid can be caused by the seals. Instruct the helper to press the clutch pedal several times and then hold it down. Improper fit. Hydraulic Clutch Pump Problems.
From www.youtube.com
Hydraulic clutch common problems YouTube Hydraulic Clutch Pump Problems Improper fit of throwout bearing with pressure plate; If your clutch fluid level is. A clutch master cylinder pumps hydraulic fluid to engage and disengage the clutch in a manual transmission vehicle. Instruct the helper to press the clutch pedal several times and then hold it down. Disc contaminated with foreign material. Among the most common problems with hydraulic clutch. Hydraulic Clutch Pump Problems.
From www.machinerylubrication.com
5 Steps for More Effective Hydraulic Troubleshooting Hydraulic Clutch Pump Problems Dirty fluid can be caused by the seals. Improper fit of throwout bearing with pressure plate; Here's how you can get the clutch pedal pressure back by bleeding air out of your slave cylinder. Disc contaminated with foreign material. If your clutch fluid level is. A clutch master cylinder pumps hydraulic fluid to engage and disengage the clutch in a. Hydraulic Clutch Pump Problems.
From generaltransmissionreno.com
Faulty Clutch Slave Cylinder Symptoms General Transmission Hydraulic Clutch Pump Problems Instruct the helper to press the clutch pedal several times and then hold it down. If your clutch fluid level is. One of the first symptoms commonly associated with a potential problem with the clutch master cylinder is low or dirty fluid in the reservoir. Here's how you can get the clutch pedal pressure back by bleeding air out of. Hydraulic Clutch Pump Problems.
From www.uphyd.com
Hydraulic Clutch Pump Uphyd Hydraulic Clutch Pump Problems If your clutch fluid level is. Among the most common problems with hydraulic clutch conversions is a master cylinder seal leak. Improper fit of throwout bearing with pressure plate; Disc contaminated with foreign material. Instruct the helper to press the clutch pedal several times and then hold it down. Here's how you can get the clutch pedal pressure back by. Hydraulic Clutch Pump Problems.
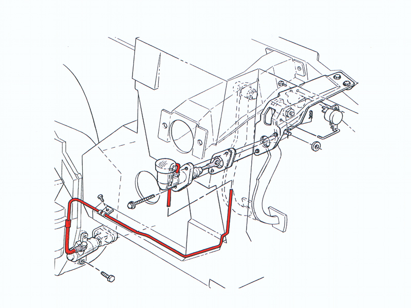
From www.eaton.com
Hydraulic clutch linkage overview Hydraulic Clutch Pump Problems This results from an incorrectly located master cylinder actuation arm on the clutch pedal. Among the most common problems with hydraulic clutch conversions is a master cylinder seal leak. Here's how you can get the clutch pedal pressure back by bleeding air out of your slave cylinder. If your clutch fluid level is. A clutch master cylinder pumps hydraulic fluid. Hydraulic Clutch Pump Problems.