How Does A Cub Cadet Fuel Pump Work . here’s how you can change or install a new fuel pump on a cub cadet lawn. there are several reasons why a cub cadet fuel pump may not be working. a cub cadet mower may not be getting fuel because bad gasoline has clogged the fuel system components including the fuel. how does a cub cadet fuel pump work? A cub cadet fuel pump is a very important part of the engine. just a video on the fuel pump replacement and gas line this was actually the only thing wrong with this cub cadet. It could be due to a clogged fuel filter, a. In the case of the cub cadet lt1050, the fuel pump is. It supplies fuel to the engine and helps to keep it. a fuel pump is a mechanical or electrical device that transfers fuel from a tank to an engine.
from enginelistchester.z5.web.core.windows.net
It could be due to a clogged fuel filter, a. a cub cadet mower may not be getting fuel because bad gasoline has clogged the fuel system components including the fuel. In the case of the cub cadet lt1050, the fuel pump is. there are several reasons why a cub cadet fuel pump may not be working. just a video on the fuel pump replacement and gas line this was actually the only thing wrong with this cub cadet. a fuel pump is a mechanical or electrical device that transfers fuel from a tank to an engine. how does a cub cadet fuel pump work? It supplies fuel to the engine and helps to keep it. here’s how you can change or install a new fuel pump on a cub cadet lawn. A cub cadet fuel pump is a very important part of the engine.
Cub Cadet Fuel Pump Diagram
How Does A Cub Cadet Fuel Pump Work It supplies fuel to the engine and helps to keep it. A cub cadet fuel pump is a very important part of the engine. a fuel pump is a mechanical or electrical device that transfers fuel from a tank to an engine. In the case of the cub cadet lt1050, the fuel pump is. a cub cadet mower may not be getting fuel because bad gasoline has clogged the fuel system components including the fuel. how does a cub cadet fuel pump work? just a video on the fuel pump replacement and gas line this was actually the only thing wrong with this cub cadet. It could be due to a clogged fuel filter, a. there are several reasons why a cub cadet fuel pump may not be working. It supplies fuel to the engine and helps to keep it. here’s how you can change or install a new fuel pump on a cub cadet lawn.
From design1systems.com
StepbyStep Guide Understanding the Cub Cadet Fuel Line Diagram How Does A Cub Cadet Fuel Pump Work just a video on the fuel pump replacement and gas line this was actually the only thing wrong with this cub cadet. It could be due to a clogged fuel filter, a. a cub cadet mower may not be getting fuel because bad gasoline has clogged the fuel system components including the fuel. a fuel pump is. How Does A Cub Cadet Fuel Pump Work.
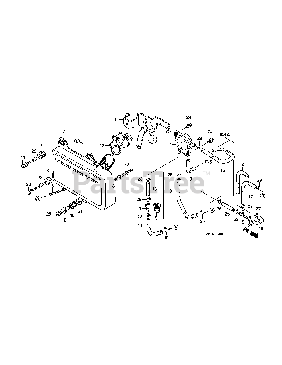
From www.partstree.com
Cub Cadet Yanmar 3TNV82ABDCB Cub Cadet Yanmar Engine Fuel Injection How Does A Cub Cadet Fuel Pump Work It supplies fuel to the engine and helps to keep it. there are several reasons why a cub cadet fuel pump may not be working. In the case of the cub cadet lt1050, the fuel pump is. A cub cadet fuel pump is a very important part of the engine. here’s how you can change or install a. How Does A Cub Cadet Fuel Pump Work.
From www.cubcadet.com
Fuel Pump TC35787A Cub Cadet US How Does A Cub Cadet Fuel Pump Work just a video on the fuel pump replacement and gas line this was actually the only thing wrong with this cub cadet. here’s how you can change or install a new fuel pump on a cub cadet lawn. In the case of the cub cadet lt1050, the fuel pump is. a cub cadet mower may not be. How Does A Cub Cadet Fuel Pump Work.
From www.partstree.com
Cub Cadet 7195 (545442D100) Cub Cadet Compact Tractor Fuel Injection How Does A Cub Cadet Fuel Pump Work there are several reasons why a cub cadet fuel pump may not be working. how does a cub cadet fuel pump work? It could be due to a clogged fuel filter, a. here’s how you can change or install a new fuel pump on a cub cadet lawn. a fuel pump is a mechanical or electrical. How Does A Cub Cadet Fuel Pump Work.
From thelawnmechanic.com
Cub Cadet Fuel Pump Problems Common Reasons and Fix How Does A Cub Cadet Fuel Pump Work a fuel pump is a mechanical or electrical device that transfers fuel from a tank to an engine. there are several reasons why a cub cadet fuel pump may not be working. a cub cadet mower may not be getting fuel because bad gasoline has clogged the fuel system components including the fuel. It could be due. How Does A Cub Cadet Fuel Pump Work.
From enginerileyoutsport.z14.web.core.windows.net
Cub Cadet Fuel Line Diagram How Does A Cub Cadet Fuel Pump Work a fuel pump is a mechanical or electrical device that transfers fuel from a tank to an engine. just a video on the fuel pump replacement and gas line this was actually the only thing wrong with this cub cadet. It could be due to a clogged fuel filter, a. how does a cub cadet fuel pump. How Does A Cub Cadet Fuel Pump Work.
From elecsprout.com
Understanding the Fuel System of Cub Cadet A Detailed Diagram How Does A Cub Cadet Fuel Pump Work It supplies fuel to the engine and helps to keep it. It could be due to a clogged fuel filter, a. a fuel pump is a mechanical or electrical device that transfers fuel from a tank to an engine. there are several reasons why a cub cadet fuel pump may not be working. In the case of the. How Does A Cub Cadet Fuel Pump Work.
From elecsprout.com
Understanding the Fuel System of Cub Cadet A Detailed Diagram How Does A Cub Cadet Fuel Pump Work A cub cadet fuel pump is a very important part of the engine. how does a cub cadet fuel pump work? It could be due to a clogged fuel filter, a. here’s how you can change or install a new fuel pump on a cub cadet lawn. a cub cadet mower may not be getting fuel because. How Does A Cub Cadet Fuel Pump Work.
From www.partstree.com
Cub Cadet 982 (2050595U) Cub Cadet Super Garden Tractor Fuel Pump How Does A Cub Cadet Fuel Pump Work It could be due to a clogged fuel filter, a. here’s how you can change or install a new fuel pump on a cub cadet lawn. just a video on the fuel pump replacement and gas line this was actually the only thing wrong with this cub cadet. In the case of the cub cadet lt1050, the fuel. How Does A Cub Cadet Fuel Pump Work.
From www.partstree.com
Cub Cadet 2146 (13A224F100) Cub Cadet Garden Tractor Fuel Pump Parts How Does A Cub Cadet Fuel Pump Work how does a cub cadet fuel pump work? In the case of the cub cadet lt1050, the fuel pump is. a cub cadet mower may not be getting fuel because bad gasoline has clogged the fuel system components including the fuel. a fuel pump is a mechanical or electrical device that transfers fuel from a tank to. How Does A Cub Cadet Fuel Pump Work.
From www.partstree.com
Cub Cadet RZTS42 (17AFCBDS010) Cub Cadet 42" RZT ZeroTurn Mower How Does A Cub Cadet Fuel Pump Work It supplies fuel to the engine and helps to keep it. a cub cadet mower may not be getting fuel because bad gasoline has clogged the fuel system components including the fuel. how does a cub cadet fuel pump work? here’s how you can change or install a new fuel pump on a cub cadet lawn. In. How Does A Cub Cadet Fuel Pump Work.
From www.partstree.com
Cub Cadet 1711 (142782100) Cub Cadet Garden Tractor Carburetor How Does A Cub Cadet Fuel Pump Work It could be due to a clogged fuel filter, a. A cub cadet fuel pump is a very important part of the engine. a fuel pump is a mechanical or electrical device that transfers fuel from a tank to an engine. how does a cub cadet fuel pump work? just a video on the fuel pump replacement. How Does A Cub Cadet Fuel Pump Work.
From wirepartserjeantcy.z21.web.core.windows.net
Cub Cadet Fuel Line Diagram How Does A Cub Cadet Fuel Pump Work It supplies fuel to the engine and helps to keep it. here’s how you can change or install a new fuel pump on a cub cadet lawn. a cub cadet mower may not be getting fuel because bad gasoline has clogged the fuel system components including the fuel. a fuel pump is a mechanical or electrical device. How Does A Cub Cadet Fuel Pump Work.
From www.partstree.com
Cub Cadet 982 (2050605U) Cub Cadet Super Garden Tractor Fuel Pump How Does A Cub Cadet Fuel Pump Work just a video on the fuel pump replacement and gas line this was actually the only thing wrong with this cub cadet. In the case of the cub cadet lt1050, the fuel pump is. a cub cadet mower may not be getting fuel because bad gasoline has clogged the fuel system components including the fuel. It could be. How Does A Cub Cadet Fuel Pump Work.
From www.partstree.com
Cub Cadet Yanmar Sc2400 (54AFA4NO727) Cub Cadet Yanmar Sc Series How Does A Cub Cadet Fuel Pump Work a cub cadet mower may not be getting fuel because bad gasoline has clogged the fuel system components including the fuel. It could be due to a clogged fuel filter, a. just a video on the fuel pump replacement and gas line this was actually the only thing wrong with this cub cadet. In the case of the. How Does A Cub Cadet Fuel Pump Work.
From diagramlibvmetatpr0.z13.web.core.windows.net
Cub Cadet Fuel Pump Diagram How Does A Cub Cadet Fuel Pump Work here’s how you can change or install a new fuel pump on a cub cadet lawn. It supplies fuel to the engine and helps to keep it. a cub cadet mower may not be getting fuel because bad gasoline has clogged the fuel system components including the fuel. just a video on the fuel pump replacement and. How Does A Cub Cadet Fuel Pump Work.
From www.youtube.com
Working on cub cadet 3240 3000 40th anniversary YouTube How Does A Cub Cadet Fuel Pump Work a fuel pump is a mechanical or electrical device that transfers fuel from a tank to an engine. there are several reasons why a cub cadet fuel pump may not be working. In the case of the cub cadet lt1050, the fuel pump is. here’s how you can change or install a new fuel pump on a. How Does A Cub Cadet Fuel Pump Work.
From www.partstree.com
Cub Cadet 1050 (149605100) Cub Cadet Garden Tractor (SN 756300 How Does A Cub Cadet Fuel Pump Work a cub cadet mower may not be getting fuel because bad gasoline has clogged the fuel system components including the fuel. In the case of the cub cadet lt1050, the fuel pump is. A cub cadet fuel pump is a very important part of the engine. how does a cub cadet fuel pump work? It could be due. How Does A Cub Cadet Fuel Pump Work.
From wiringschema.com
[DIAGRAM] Cub Cadet Fuel System Diagram How Does A Cub Cadet Fuel Pump Work It could be due to a clogged fuel filter, a. a cub cadet mower may not be getting fuel because bad gasoline has clogged the fuel system components including the fuel. It supplies fuel to the engine and helps to keep it. how does a cub cadet fuel pump work? here’s how you can change or install. How Does A Cub Cadet Fuel Pump Work.
From www.walmart.com
Fuel Pump For Cub Cadet GT2554 Lawn Tractors 14A2A7K010 13A2A7K710 How Does A Cub Cadet Fuel Pump Work a cub cadet mower may not be getting fuel because bad gasoline has clogged the fuel system components including the fuel. just a video on the fuel pump replacement and gas line this was actually the only thing wrong with this cub cadet. In the case of the cub cadet lt1050, the fuel pump is. It could be. How Does A Cub Cadet Fuel Pump Work.
From www.walmart.com
Lumix GC Gas Fuel Pump For Cub Cadet 2130 2135 2150 2155 2166 LT2138 How Does A Cub Cadet Fuel Pump Work In the case of the cub cadet lt1050, the fuel pump is. It could be due to a clogged fuel filter, a. It supplies fuel to the engine and helps to keep it. there are several reasons why a cub cadet fuel pump may not be working. here’s how you can change or install a new fuel pump. How Does A Cub Cadet Fuel Pump Work.
From www.youtube.com
working on the cub cadet 3240 fixing fuel lines and trying L.E.D LIGHTS How Does A Cub Cadet Fuel Pump Work It could be due to a clogged fuel filter, a. A cub cadet fuel pump is a very important part of the engine. It supplies fuel to the engine and helps to keep it. there are several reasons why a cub cadet fuel pump may not be working. a cub cadet mower may not be getting fuel because. How Does A Cub Cadet Fuel Pump Work.
From www.partstree.com
Cub Cadet 7265 (54A445D100) Cub Cadet Compact Tractor Fuel Injection How Does A Cub Cadet Fuel Pump Work It supplies fuel to the engine and helps to keep it. how does a cub cadet fuel pump work? here’s how you can change or install a new fuel pump on a cub cadet lawn. a fuel pump is a mechanical or electrical device that transfers fuel from a tank to an engine. just a video. How Does A Cub Cadet Fuel Pump Work.
From enginelistchester.z5.web.core.windows.net
Cub Cadet Fuel Pump Diagram How Does A Cub Cadet Fuel Pump Work how does a cub cadet fuel pump work? a cub cadet mower may not be getting fuel because bad gasoline has clogged the fuel system components including the fuel. there are several reasons why a cub cadet fuel pump may not be working. It supplies fuel to the engine and helps to keep it. just a. How Does A Cub Cadet Fuel Pump Work.
From www.partstree.com
Cub Cadet 1420 (131252100) Cub Cadet Garden Tractor (SN 147088 How Does A Cub Cadet Fuel Pump Work how does a cub cadet fuel pump work? a fuel pump is a mechanical or electrical device that transfers fuel from a tank to an engine. A cub cadet fuel pump is a very important part of the engine. there are several reasons why a cub cadet fuel pump may not be working. In the case of. How Does A Cub Cadet Fuel Pump Work.
From www.partstree.com
Cub Cadet 251844 (13A208L100) Cub Cadet Garden Tractor Fuel System How Does A Cub Cadet Fuel Pump Work a fuel pump is a mechanical or electrical device that transfers fuel from a tank to an engine. In the case of the cub cadet lt1050, the fuel pump is. there are several reasons why a cub cadet fuel pump may not be working. how does a cub cadet fuel pump work? It could be due to. How Does A Cub Cadet Fuel Pump Work.
From www.partstree.com
Cub Cadet 782 D Cub Cadet Garden Tractor, Diesel Fuel Injection Pump How Does A Cub Cadet Fuel Pump Work how does a cub cadet fuel pump work? In the case of the cub cadet lt1050, the fuel pump is. a fuel pump is a mechanical or electrical device that transfers fuel from a tank to an engine. It supplies fuel to the engine and helps to keep it. It could be due to a clogged fuel filter,. How Does A Cub Cadet Fuel Pump Work.
From www.partstree.com
Cub Cadet 7272 (545416D100) Cub Cadet Compact Tractor Fuel Line How Does A Cub Cadet Fuel Pump Work In the case of the cub cadet lt1050, the fuel pump is. It could be due to a clogged fuel filter, a. It supplies fuel to the engine and helps to keep it. how does a cub cadet fuel pump work? A cub cadet fuel pump is a very important part of the engine. just a video on. How Does A Cub Cadet Fuel Pump Work.
From www.partstree.com
Cub Cadet LT 1018 (13AB11CG710) Cub Cadet 42" Lawn Tractor Kohler How Does A Cub Cadet Fuel Pump Work just a video on the fuel pump replacement and gas line this was actually the only thing wrong with this cub cadet. It supplies fuel to the engine and helps to keep it. A cub cadet fuel pump is a very important part of the engine. It could be due to a clogged fuel filter, a. In the case. How Does A Cub Cadet Fuel Pump Work.
From teletalkbd.com
Best Fuel Pump For Your Cub Cadet How Does A Cub Cadet Fuel Pump Work just a video on the fuel pump replacement and gas line this was actually the only thing wrong with this cub cadet. In the case of the cub cadet lt1050, the fuel pump is. A cub cadet fuel pump is a very important part of the engine. a cub cadet mower may not be getting fuel because bad. How Does A Cub Cadet Fuel Pump Work.
From schematicploraireswsjc0.z13.web.core.windows.net
Cub Cadet Fuel Line Diagram How Does A Cub Cadet Fuel Pump Work It could be due to a clogged fuel filter, a. how does a cub cadet fuel pump work? It supplies fuel to the engine and helps to keep it. In the case of the cub cadet lt1050, the fuel pump is. just a video on the fuel pump replacement and gas line this was actually the only thing. How Does A Cub Cadet Fuel Pump Work.
From www.partstree.com
Cub Cadet 251844 (13B288L100) Cub Cadet Garden Tractor Fuel Tank How Does A Cub Cadet Fuel Pump Work It could be due to a clogged fuel filter, a. a fuel pump is a mechanical or electrical device that transfers fuel from a tank to an engine. A cub cadet fuel pump is a very important part of the engine. In the case of the cub cadet lt1050, the fuel pump is. there are several reasons why. How Does A Cub Cadet Fuel Pump Work.
From www.partstree.com
Cub Cadet 1862 (142683100) Cub Cadet Garden Tractor (SN 821060 How Does A Cub Cadet Fuel Pump Work It could be due to a clogged fuel filter, a. how does a cub cadet fuel pump work? It supplies fuel to the engine and helps to keep it. A cub cadet fuel pump is a very important part of the engine. In the case of the cub cadet lt1050, the fuel pump is. a fuel pump is. How Does A Cub Cadet Fuel Pump Work.
From www.amazon.com
CUB CADET KH5255903S Fuel Pump Kit 1420 1430 1535 1620 How Does A Cub Cadet Fuel Pump Work a fuel pump is a mechanical or electrical device that transfers fuel from a tank to an engine. It supplies fuel to the engine and helps to keep it. there are several reasons why a cub cadet fuel pump may not be working. It could be due to a clogged fuel filter, a. just a video on. How Does A Cub Cadet Fuel Pump Work.
From www.partstree.com
Cub Cadet 1541 (140651100) Cub Cadet Garden Tractor (SN 800000 How Does A Cub Cadet Fuel Pump Work a cub cadet mower may not be getting fuel because bad gasoline has clogged the fuel system components including the fuel. A cub cadet fuel pump is a very important part of the engine. there are several reasons why a cub cadet fuel pump may not be working. In the case of the cub cadet lt1050, the fuel. How Does A Cub Cadet Fuel Pump Work.