Usb Solid State Relay Module . numato lab's usb relay modules with gpios and analog inputs offer a versatile solution for controlling and monitoring various devices. the usb io module provides functions which allow to access the outputs without direct interaction of the host computer. Optical indication of digital output states. The state of each digital output is reflected by a led. numato lab’s 1 channel usb solid state relay module is great for. point & click interface. numato lab’s 4 channel usb solid state. point & click interface. the usb relay module with ssr has best overall capabilities for controlling power loads like pumps, fans or heating elements. Customize your project with exactly the options you need. Our full line of usb compatible controllers. This allows a precise timing which would not be realizable if the host computer was involved. Our full line of usb compatible controllers suit nearly any application, and our usb modules come with a long history of proven stability.
from www.imssupply.com
This allows a precise timing which would not be realizable if the host computer was involved. point & click interface. numato lab's usb relay modules with gpios and analog inputs offer a versatile solution for controlling and monitoring various devices. point & click interface. numato lab’s 4 channel usb solid state. Our full line of usb compatible controllers. The state of each digital output is reflected by a led. numato lab’s 1 channel usb solid state relay module is great for. Customize your project with exactly the options you need. the usb io module provides functions which allow to access the outputs without direct interaction of the host computer.
Ontrak Control Systems ADU218 USB SolidState Relay I/O Interface IMS
Usb Solid State Relay Module Optical indication of digital output states. the usb relay module with ssr has best overall capabilities for controlling power loads like pumps, fans or heating elements. numato lab’s 4 channel usb solid state. Optical indication of digital output states. The state of each digital output is reflected by a led. point & click interface. numato lab’s 1 channel usb solid state relay module is great for. This allows a precise timing which would not be realizable if the host computer was involved. Our full line of usb compatible controllers. point & click interface. Customize your project with exactly the options you need. numato lab's usb relay modules with gpios and analog inputs offer a versatile solution for controlling and monitoring various devices. the usb io module provides functions which allow to access the outputs without direct interaction of the host computer. Our full line of usb compatible controllers suit nearly any application, and our usb modules come with a long history of proven stability.
From www.hotmcu.com
Single channel Solid State Relay Module [SingleSolidRelayModule Usb Solid State Relay Module the usb relay module with ssr has best overall capabilities for controlling power loads like pumps, fans or heating elements. numato lab’s 4 channel usb solid state. Customize your project with exactly the options you need. Optical indication of digital output states. Our full line of usb compatible controllers. point & click interface. numato lab’s 1. Usb Solid State Relay Module.
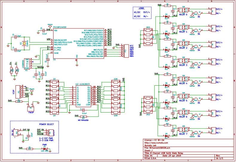
From numato.com
4 Channel USB Solid State Relay Module With GPIO Numato Lab Usb Solid State Relay Module Customize your project with exactly the options you need. The state of each digital output is reflected by a led. numato lab’s 4 channel usb solid state. the usb io module provides functions which allow to access the outputs without direct interaction of the host computer. Our full line of usb compatible controllers suit nearly any application, and. Usb Solid State Relay Module.
From ampere-electronics.com
Solid State Relay Module 2 Channel 5Vdc Ampere Electronics Usb Solid State Relay Module point & click interface. the usb io module provides functions which allow to access the outputs without direct interaction of the host computer. numato lab’s 1 channel usb solid state relay module is great for. The state of each digital output is reflected by a led. point & click interface. Our full line of usb compatible. Usb Solid State Relay Module.
From numato.com
1 Channel USB Powered Solid State Relay Module Numato Lab Usb Solid State Relay Module Our full line of usb compatible controllers. numato lab's usb relay modules with gpios and analog inputs offer a versatile solution for controlling and monitoring various devices. the usb relay module with ssr has best overall capabilities for controlling power loads like pumps, fans or heating elements. Customize your project with exactly the options you need. the. Usb Solid State Relay Module.
From store.ncd.io
Solid State Relay Controller 8Channel + 8 Channel ADC ProXR Lite Usb Solid State Relay Module numato lab’s 4 channel usb solid state. Our full line of usb compatible controllers suit nearly any application, and our usb modules come with a long history of proven stability. numato lab’s 1 channel usb solid state relay module is great for. The state of each digital output is reflected by a led. Optical indication of digital output. Usb Solid State Relay Module.
From www.botnroll.com
1 Channel USB Powered Solid State (AC) Relay Module Usb Solid State Relay Module the usb io module provides functions which allow to access the outputs without direct interaction of the host computer. This allows a precise timing which would not be realizable if the host computer was involved. numato lab’s 4 channel usb solid state. Optical indication of digital output states. point & click interface. the usb relay module. Usb Solid State Relay Module.
From www.imssupply.com
Ontrak Control Systems ADU218 USB SolidState Relay I/O Interface IMS Usb Solid State Relay Module Optical indication of digital output states. numato lab's usb relay modules with gpios and analog inputs offer a versatile solution for controlling and monitoring various devices. The state of each digital output is reflected by a led. Customize your project with exactly the options you need. the usb relay module with ssr has best overall capabilities for controlling. Usb Solid State Relay Module.
From goughlui.com
Project USB/LAN 40Input 1W/2W/4W SolidState Relay Multiplexer w Usb Solid State Relay Module numato lab's usb relay modules with gpios and analog inputs offer a versatile solution for controlling and monitoring various devices. point & click interface. Our full line of usb compatible controllers suit nearly any application, and our usb modules come with a long history of proven stability. numato lab’s 1 channel usb solid state relay module is. Usb Solid State Relay Module.
From numato.com
4 Channel USB Solid State Relay Module Numato Lab Help Center Usb Solid State Relay Module numato lab’s 1 channel usb solid state relay module is great for. This allows a precise timing which would not be realizable if the host computer was involved. numato lab’s 4 channel usb solid state. numato lab's usb relay modules with gpios and analog inputs offer a versatile solution for controlling and monitoring various devices. Our full. Usb Solid State Relay Module.
From everythingpi.co.uk
5V 2 Channel Solid State Relay module for Arduino Raspberry Pi Usb Solid State Relay Module Our full line of usb compatible controllers suit nearly any application, and our usb modules come with a long history of proven stability. point & click interface. Customize your project with exactly the options you need. This allows a precise timing which would not be realizable if the host computer was involved. numato lab's usb relay modules with. Usb Solid State Relay Module.
From kamami.pl
2 Channel USB Solid State Relay Module moduł z 2 przekaźnikami SSR DC Usb Solid State Relay Module point & click interface. Our full line of usb compatible controllers. the usb relay module with ssr has best overall capabilities for controlling power loads like pumps, fans or heating elements. point & click interface. Optical indication of digital output states. numato lab's usb relay modules with gpios and analog inputs offer a versatile solution for. Usb Solid State Relay Module.
From store.ncd.io
USB Relay Board High Power USB Relays for Industrial Applications Usb Solid State Relay Module numato lab's usb relay modules with gpios and analog inputs offer a versatile solution for controlling and monitoring various devices. numato lab’s 1 channel usb solid state relay module is great for. Our full line of usb compatible controllers suit nearly any application, and our usb modules come with a long history of proven stability. point &. Usb Solid State Relay Module.
From store.ncd.io
USB Relay Board High Power USB Relays for Industrial Applications Usb Solid State Relay Module numato lab's usb relay modules with gpios and analog inputs offer a versatile solution for controlling and monitoring various devices. The state of each digital output is reflected by a led. Our full line of usb compatible controllers. numato lab’s 4 channel usb solid state. Optical indication of digital output states. point & click interface. point. Usb Solid State Relay Module.
From www.imssupply.com
Ontrak Control Systems ADU218 USB SolidState Relay I/O Interface IMS Usb Solid State Relay Module numato lab’s 4 channel usb solid state. Our full line of usb compatible controllers suit nearly any application, and our usb modules come with a long history of proven stability. Customize your project with exactly the options you need. The state of each digital output is reflected by a led. the usb io module provides functions which allow. Usb Solid State Relay Module.
From numato.com
8 Channel USB Solid State Relay Module Numato Lab Help Center Usb Solid State Relay Module numato lab's usb relay modules with gpios and analog inputs offer a versatile solution for controlling and monitoring various devices. numato lab’s 1 channel usb solid state relay module is great for. the usb relay module with ssr has best overall capabilities for controlling power loads like pumps, fans or heating elements. Our full line of usb. Usb Solid State Relay Module.
From numato.com
8 Channel USB Solid State Relay Module With GPIO Numato Lab Usb Solid State Relay Module numato lab’s 4 channel usb solid state. the usb relay module with ssr has best overall capabilities for controlling power loads like pumps, fans or heating elements. Customize your project with exactly the options you need. Optical indication of digital output states. point & click interface. the usb io module provides functions which allow to access. Usb Solid State Relay Module.
From www.imssupply.com
Ontrak Control Systems ADU218 USB SolidState Relay I/O Interface IMS Usb Solid State Relay Module point & click interface. point & click interface. numato lab's usb relay modules with gpios and analog inputs offer a versatile solution for controlling and monitoring various devices. the usb io module provides functions which allow to access the outputs without direct interaction of the host computer. Our full line of usb compatible controllers suit nearly. Usb Solid State Relay Module.
From kamami.pl
8 Channel USB Solid State Relay Module moduł z 8 przekaźnikami SSR DC Usb Solid State Relay Module numato lab’s 1 channel usb solid state relay module is great for. Customize your project with exactly the options you need. point & click interface. The state of each digital output is reflected by a led. point & click interface. This allows a precise timing which would not be realizable if the host computer was involved. . Usb Solid State Relay Module.
From ncd.io
USB Relays with Analog Inputs and GPIO from NCD ncd.io Usb Solid State Relay Module Our full line of usb compatible controllers suit nearly any application, and our usb modules come with a long history of proven stability. This allows a precise timing which would not be realizable if the host computer was involved. point & click interface. Optical indication of digital output states. numato lab's usb relay modules with gpios and analog. Usb Solid State Relay Module.
From kamami.pl
1 Channel USB Powered Solid State Relay Module module with SSR DC Usb Solid State Relay Module The state of each digital output is reflected by a led. point & click interface. the usb relay module with ssr has best overall capabilities for controlling power loads like pumps, fans or heating elements. numato lab's usb relay modules with gpios and analog inputs offer a versatile solution for controlling and monitoring various devices. numato. Usb Solid State Relay Module.
From kamami.pl
2 Channel USB Solid State Relay Module moduł z 2 przekaźnikami SSR DC Usb Solid State Relay Module The state of each digital output is reflected by a led. point & click interface. point & click interface. Our full line of usb compatible controllers suit nearly any application, and our usb modules come with a long history of proven stability. numato lab’s 4 channel usb solid state. Optical indication of digital output states. numato. Usb Solid State Relay Module.
From www.hotmcu.com
Eight channel Solid State Relay Module [EightSolidRelayModule] US Usb Solid State Relay Module numato lab’s 4 channel usb solid state. point & click interface. Customize your project with exactly the options you need. Our full line of usb compatible controllers. Our full line of usb compatible controllers suit nearly any application, and our usb modules come with a long history of proven stability. numato lab’s 1 channel usb solid state. Usb Solid State Relay Module.
From www.botnroll.com
1 Channel USB Powered Solid State (AC) Relay Module Usb Solid State Relay Module This allows a precise timing which would not be realizable if the host computer was involved. numato lab’s 4 channel usb solid state. point & click interface. Optical indication of digital output states. point & click interface. Our full line of usb compatible controllers suit nearly any application, and our usb modules come with a long history. Usb Solid State Relay Module.
From www.cytron.io
4 Channels Solid State Relay Module(Low Trigger) Usb Solid State Relay Module Optical indication of digital output states. the usb io module provides functions which allow to access the outputs without direct interaction of the host computer. Our full line of usb compatible controllers suit nearly any application, and our usb modules come with a long history of proven stability. Our full line of usb compatible controllers. point & click. Usb Solid State Relay Module.
From kamami.pl
8 Channel USB Solid State Relay Module moduł z 8 przekaźnikami SSR AC Usb Solid State Relay Module point & click interface. The state of each digital output is reflected by a led. numato lab’s 4 channel usb solid state. Our full line of usb compatible controllers. point & click interface. Optical indication of digital output states. Our full line of usb compatible controllers suit nearly any application, and our usb modules come with a. Usb Solid State Relay Module.
From store.ncd.io
USB Relay Board High Power USB Relays for Industrial Applications Usb Solid State Relay Module Optical indication of digital output states. point & click interface. The state of each digital output is reflected by a led. the usb relay module with ssr has best overall capabilities for controlling power loads like pumps, fans or heating elements. numato lab's usb relay modules with gpios and analog inputs offer a versatile solution for controlling. Usb Solid State Relay Module.
From www.lucid-control.com
USB Relay Module 4/8 Channels USB Digital Output Module Usb Solid State Relay Module Our full line of usb compatible controllers suit nearly any application, and our usb modules come with a long history of proven stability. Our full line of usb compatible controllers. numato lab’s 1 channel usb solid state relay module is great for. point & click interface. the usb relay module with ssr has best overall capabilities for. Usb Solid State Relay Module.
From kamami.pl
2 Channel USB Solid State Relay Module moduł z 2 przekaźnikami SSR DC Usb Solid State Relay Module numato lab’s 1 channel usb solid state relay module is great for. The state of each digital output is reflected by a led. point & click interface. Our full line of usb compatible controllers. the usb io module provides functions which allow to access the outputs without direct interaction of the host computer. Customize your project with. Usb Solid State Relay Module.
From numato.com
2 Channel USB Solid State Relay Module With GPIO Numato Lab Usb Solid State Relay Module the usb io module provides functions which allow to access the outputs without direct interaction of the host computer. point & click interface. Our full line of usb compatible controllers suit nearly any application, and our usb modules come with a long history of proven stability. the usb relay module with ssr has best overall capabilities for. Usb Solid State Relay Module.
From woeerder.blogspot.com
Usb Relay Switch Buy Smakn Lcus 1 Type Usb Relay Module Usb Usb Solid State Relay Module numato lab’s 4 channel usb solid state. Our full line of usb compatible controllers suit nearly any application, and our usb modules come with a long history of proven stability. Optical indication of digital output states. Our full line of usb compatible controllers. point & click interface. numato lab’s 1 channel usb solid state relay module is. Usb Solid State Relay Module.
From rlx.sk
1 Channel USB Powered Solid State Relay Module (NUSSRP2001) Usb Solid State Relay Module numato lab's usb relay modules with gpios and analog inputs offer a versatile solution for controlling and monitoring various devices. the usb io module provides functions which allow to access the outputs without direct interaction of the host computer. The state of each digital output is reflected by a led. Our full line of usb compatible controllers suit. Usb Solid State Relay Module.
From rlx.sk
4 Channel USB Solid State Relay Module (NUSSR40001) Usb Solid State Relay Module the usb io module provides functions which allow to access the outputs without direct interaction of the host computer. numato lab's usb relay modules with gpios and analog inputs offer a versatile solution for controlling and monitoring various devices. point & click interface. The state of each digital output is reflected by a led. point &. Usb Solid State Relay Module.
From shoptheworld.in
Buy USB PowerControl Board USB to USB Solid State Relay for Raspberry Usb Solid State Relay Module point & click interface. This allows a precise timing which would not be realizable if the host computer was involved. Customize your project with exactly the options you need. point & click interface. Our full line of usb compatible controllers suit nearly any application, and our usb modules come with a long history of proven stability. Optical indication. Usb Solid State Relay Module.
From www.voltaat.com
1 Channel Solid State Relay Module Voltaat Usb Solid State Relay Module Optical indication of digital output states. Our full line of usb compatible controllers suit nearly any application, and our usb modules come with a long history of proven stability. numato lab's usb relay modules with gpios and analog inputs offer a versatile solution for controlling and monitoring various devices. numato lab’s 4 channel usb solid state. the. Usb Solid State Relay Module.
From www.imssupply.com
Ontrak Control Systems ADU218 USB SolidState Relay I/O Interface IMS Usb Solid State Relay Module Customize your project with exactly the options you need. numato lab's usb relay modules with gpios and analog inputs offer a versatile solution for controlling and monitoring various devices. the usb io module provides functions which allow to access the outputs without direct interaction of the host computer. Our full line of usb compatible controllers suit nearly any. Usb Solid State Relay Module.