Esdv Valve Full Form . The esdv must function as called upon during an emergency and manage the situation. The emergency shutdown valve, esdv acts as a safeguard against exceeding setpoint pressure. The becker emergency shutdown valve (esdv) from baker hughes oil & gas offers customers a protection for equipment, the environment and employees during dangerous system. During normal operation, the valve remains open for an extended period of time, months or sometimes even years. An esd (emergency shutdown) valve is a valve fitted with a spring return actuator, allowing the valve to be closed by the actuator spring when the actuator pressure signal is released. Emergency shutdown valve is an actuated valve that closes when activated by a signal from an esd level signal during an emergency situation. Emergency shutdown valves are usually located in. An emergency shut down valve (also referred to as sdv or emergency shutdown valve, esv, esd, or esdv) is an actuated valve designed to stop the flow of a hazardous fluid upon the.
from www.pneumaticairactuator.com
The becker emergency shutdown valve (esdv) from baker hughes oil & gas offers customers a protection for equipment, the environment and employees during dangerous system. The esdv must function as called upon during an emergency and manage the situation. The emergency shutdown valve, esdv acts as a safeguard against exceeding setpoint pressure. An emergency shut down valve (also referred to as sdv or emergency shutdown valve, esv, esd, or esdv) is an actuated valve designed to stop the flow of a hazardous fluid upon the. Emergency shutdown valves are usually located in. During normal operation, the valve remains open for an extended period of time, months or sometimes even years. Emergency shutdown valve is an actuated valve that closes when activated by a signal from an esd level signal during an emergency situation. An esd (emergency shutdown) valve is a valve fitted with a spring return actuator, allowing the valve to be closed by the actuator spring when the actuator pressure signal is released.
Integrated Irrigated ESDV Emergency Shutdown Valve
Esdv Valve Full Form An emergency shut down valve (also referred to as sdv or emergency shutdown valve, esv, esd, or esdv) is an actuated valve designed to stop the flow of a hazardous fluid upon the. Emergency shutdown valves are usually located in. The emergency shutdown valve, esdv acts as a safeguard against exceeding setpoint pressure. An emergency shut down valve (also referred to as sdv or emergency shutdown valve, esv, esd, or esdv) is an actuated valve designed to stop the flow of a hazardous fluid upon the. During normal operation, the valve remains open for an extended period of time, months or sometimes even years. The becker emergency shutdown valve (esdv) from baker hughes oil & gas offers customers a protection for equipment, the environment and employees during dangerous system. Emergency shutdown valve is an actuated valve that closes when activated by a signal from an esd level signal during an emergency situation. The esdv must function as called upon during an emergency and manage the situation. An esd (emergency shutdown) valve is a valve fitted with a spring return actuator, allowing the valve to be closed by the actuator spring when the actuator pressure signal is released.
From aeavalve.en.made-in-china.com
Pneumatic and Hydraulic Actuated Blowdown Emergency Shut off Trunnion Esdv Valve Full Form The esdv must function as called upon during an emergency and manage the situation. The emergency shutdown valve, esdv acts as a safeguard against exceeding setpoint pressure. Emergency shutdown valves are usually located in. During normal operation, the valve remains open for an extended period of time, months or sometimes even years. An emergency shut down valve (also referred to. Esdv Valve Full Form.
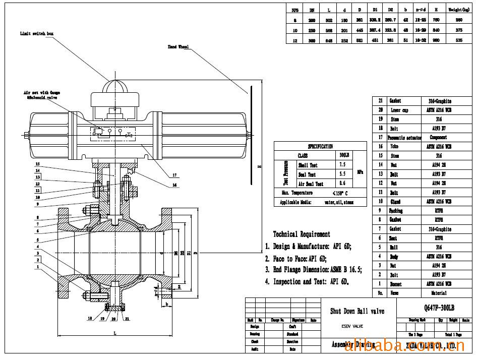
From www.scribd.com
ESDV Valve Hydraulic Hand Pump Download Free PDF Actuator Valve Esdv Valve Full Form The esdv must function as called upon during an emergency and manage the situation. Emergency shutdown valve is an actuated valve that closes when activated by a signal from an esd level signal during an emergency situation. An emergency shut down valve (also referred to as sdv or emergency shutdown valve, esv, esd, or esdv) is an actuated valve designed. Esdv Valve Full Form.
From assetmatrixenergy.com
Emergency Shut Down Valves ESDV Asset Matrix Energy Esdv Valve Full Form During normal operation, the valve remains open for an extended period of time, months or sometimes even years. The emergency shutdown valve, esdv acts as a safeguard against exceeding setpoint pressure. The esdv must function as called upon during an emergency and manage the situation. The becker emergency shutdown valve (esdv) from baker hughes oil & gas offers customers a. Esdv Valve Full Form.
From neecoindustries.com
Products Esdv Valve Full Form The emergency shutdown valve, esdv acts as a safeguard against exceeding setpoint pressure. An esd (emergency shutdown) valve is a valve fitted with a spring return actuator, allowing the valve to be closed by the actuator spring when the actuator pressure signal is released. During normal operation, the valve remains open for an extended period of time, months or sometimes. Esdv Valve Full Form.
From www.econtrolvalves.com
ECONTROL Control & Onoff valves Instrumentation Process control Esdv Valve Full Form Emergency shutdown valves are usually located in. An esd (emergency shutdown) valve is a valve fitted with a spring return actuator, allowing the valve to be closed by the actuator spring when the actuator pressure signal is released. An emergency shut down valve (also referred to as sdv or emergency shutdown valve, esv, esd, or esdv) is an actuated valve. Esdv Valve Full Form.
From cncontrolvalve.com
White Paper Partial Stroke Test (PST) in ESD Valves Everything You Esdv Valve Full Form An emergency shut down valve (also referred to as sdv or emergency shutdown valve, esv, esd, or esdv) is an actuated valve designed to stop the flow of a hazardous fluid upon the. During normal operation, the valve remains open for an extended period of time, months or sometimes even years. The becker emergency shutdown valve (esdv) from baker hughes. Esdv Valve Full Form.
From www.emersonautomationexperts.com
ESD valves Archives Emerson Automation Experts Esdv Valve Full Form Emergency shutdown valves are usually located in. The becker emergency shutdown valve (esdv) from baker hughes oil & gas offers customers a protection for equipment, the environment and employees during dangerous system. The esdv must function as called upon during an emergency and manage the situation. During normal operation, the valve remains open for an extended period of time, months. Esdv Valve Full Form.
From www.kgequipments.com
Ball Valve Manual, On Off, ESDV and MOV KG Equipments Esdv Valve Full Form During normal operation, the valve remains open for an extended period of time, months or sometimes even years. The esdv must function as called upon during an emergency and manage the situation. Emergency shutdown valves are usually located in. The emergency shutdown valve, esdv acts as a safeguard against exceeding setpoint pressure. An emergency shut down valve (also referred to. Esdv Valve Full Form.
From veson-valve.en.made-in-china.com
Emergency Shut Down Valves (ESDV, ESD, ESV, SDV) Pneumatically Esdv Valve Full Form The emergency shutdown valve, esdv acts as a safeguard against exceeding setpoint pressure. An emergency shut down valve (also referred to as sdv or emergency shutdown valve, esv, esd, or esdv) is an actuated valve designed to stop the flow of a hazardous fluid upon the. The becker emergency shutdown valve (esdv) from baker hughes oil & gas offers customers. Esdv Valve Full Form.
From aeavalve.en.made-in-china.com
Motorized Hydraulic Actuated Emergency Shut Down Esv ESD Esdv Double Esdv Valve Full Form Emergency shutdown valves are usually located in. An esd (emergency shutdown) valve is a valve fitted with a spring return actuator, allowing the valve to be closed by the actuator spring when the actuator pressure signal is released. During normal operation, the valve remains open for an extended period of time, months or sometimes even years. Emergency shutdown valve is. Esdv Valve Full Form.
From fluidhandlingpro.com
Emergency Shutoff Valve Automation with Cowan’s E2HESD Actuator Esdv Valve Full Form An esd (emergency shutdown) valve is a valve fitted with a spring return actuator, allowing the valve to be closed by the actuator spring when the actuator pressure signal is released. During normal operation, the valve remains open for an extended period of time, months or sometimes even years. The emergency shutdown valve, esdv acts as a safeguard against exceeding. Esdv Valve Full Form.
From aeavalve.en.made-in-china.com
Automatic Motorized Trunnion Mounted ESD Esdv Emergency Shut off Esdv Valve Full Form An esd (emergency shutdown) valve is a valve fitted with a spring return actuator, allowing the valve to be closed by the actuator spring when the actuator pressure signal is released. During normal operation, the valve remains open for an extended period of time, months or sometimes even years. The esdv must function as called upon during an emergency and. Esdv Valve Full Form.
From www.pneumaticairactuator.com
Integrated Irrigated ESDV Emergency Shutdown Valve Esdv Valve Full Form The becker emergency shutdown valve (esdv) from baker hughes oil & gas offers customers a protection for equipment, the environment and employees during dangerous system. Emergency shutdown valve is an actuated valve that closes when activated by a signal from an esd level signal during an emergency situation. During normal operation, the valve remains open for an extended period of. Esdv Valve Full Form.
From www.pipe-linevalve.com
ESDV Oil And Gas Ball Valve Stable Transmission Butt Welded For Long Esdv Valve Full Form Emergency shutdown valves are usually located in. The becker emergency shutdown valve (esdv) from baker hughes oil & gas offers customers a protection for equipment, the environment and employees during dangerous system. Emergency shutdown valve is an actuated valve that closes when activated by a signal from an esd level signal during an emergency situation. An emergency shut down valve. Esdv Valve Full Form.
From www.youtube.com
Emergency Shutdown Valve (ESDV) YouTube Esdv Valve Full Form Emergency shutdown valves are usually located in. During normal operation, the valve remains open for an extended period of time, months or sometimes even years. The esdv must function as called upon during an emergency and manage the situation. An esd (emergency shutdown) valve is a valve fitted with a spring return actuator, allowing the valve to be closed by. Esdv Valve Full Form.
From instrumentationtools.com
Advantages of Emergency Shutdown Valve (ESDV) ESD Applications Esdv Valve Full Form An esd (emergency shutdown) valve is a valve fitted with a spring return actuator, allowing the valve to be closed by the actuator spring when the actuator pressure signal is released. The esdv must function as called upon during an emergency and manage the situation. Emergency shutdown valve is an actuated valve that closes when activated by a signal from. Esdv Valve Full Form.
From www.processingmagazine.com
How digital valve positioners can simplify safety life cycle phases Esdv Valve Full Form Emergency shutdown valves are usually located in. The becker emergency shutdown valve (esdv) from baker hughes oil & gas offers customers a protection for equipment, the environment and employees during dangerous system. The esdv must function as called upon during an emergency and manage the situation. An esd (emergency shutdown) valve is a valve fitted with a spring return actuator,. Esdv Valve Full Form.
From nswvalve.com
Ball Valve, Check Valve, Gate Valve Newsway Esdv Valve Full Form Emergency shutdown valves are usually located in. An esd (emergency shutdown) valve is a valve fitted with a spring return actuator, allowing the valve to be closed by the actuator spring when the actuator pressure signal is released. The emergency shutdown valve, esdv acts as a safeguard against exceeding setpoint pressure. An emergency shut down valve (also referred to as. Esdv Valve Full Form.
From www.bf35.com
ESDV Valve【川熙流体品牌】气动紧急关闭阀_气动控制阀中国泵阀商务网 Esdv Valve Full Form Emergency shutdown valves are usually located in. Emergency shutdown valve is an actuated valve that closes when activated by a signal from an esd level signal during an emergency situation. The esdv must function as called upon during an emergency and manage the situation. The emergency shutdown valve, esdv acts as a safeguard against exceeding setpoint pressure. During normal operation,. Esdv Valve Full Form.
From www.pneumaticairactuator.com
API ESDV Actuated Ball Valve Wear Resistant Ceramic Ball Valve Esdv Valve Full Form The emergency shutdown valve, esdv acts as a safeguard against exceeding setpoint pressure. Emergency shutdown valves are usually located in. Emergency shutdown valve is an actuated valve that closes when activated by a signal from an esd level signal during an emergency situation. During normal operation, the valve remains open for an extended period of time, months or sometimes even. Esdv Valve Full Form.
From aeavalve.en.made-in-china.com
Motorized Hydraulic Actuated Emergency Shut Down Esv ESD Esdv Double Esdv Valve Full Form The emergency shutdown valve, esdv acts as a safeguard against exceeding setpoint pressure. An esd (emergency shutdown) valve is a valve fitted with a spring return actuator, allowing the valve to be closed by the actuator spring when the actuator pressure signal is released. Emergency shutdown valve is an actuated valve that closes when activated by a signal from an. Esdv Valve Full Form.
From www.kgequipments.com
Ball Valve Manual, On Off, ESDV and MOV KG Equipments Esdv Valve Full Form Emergency shutdown valves are usually located in. An esd (emergency shutdown) valve is a valve fitted with a spring return actuator, allowing the valve to be closed by the actuator spring when the actuator pressure signal is released. During normal operation, the valve remains open for an extended period of time, months or sometimes even years. An emergency shut down. Esdv Valve Full Form.
From www.pipe-linevalve.com
ESDV API Emergency Shutdown Valve Carbon Steel Stainless Steel Esdv Valve Full Form Emergency shutdown valves are usually located in. The emergency shutdown valve, esdv acts as a safeguard against exceeding setpoint pressure. The esdv must function as called upon during an emergency and manage the situation. The becker emergency shutdown valve (esdv) from baker hughes oil & gas offers customers a protection for equipment, the environment and employees during dangerous system. An. Esdv Valve Full Form.
From fluidhandlingpro.com
power generation Industry facts and news • Fluid Handling Pro Esdv Valve Full Form The emergency shutdown valve, esdv acts as a safeguard against exceeding setpoint pressure. The becker emergency shutdown valve (esdv) from baker hughes oil & gas offers customers a protection for equipment, the environment and employees during dangerous system. During normal operation, the valve remains open for an extended period of time, months or sometimes even years. Emergency shutdown valve is. Esdv Valve Full Form.
From instrumentationbasic.com
ESDV full form Instrumentation Esdv Valve Full Form The esdv must function as called upon during an emergency and manage the situation. An emergency shut down valve (also referred to as sdv or emergency shutdown valve, esv, esd, or esdv) is an actuated valve designed to stop the flow of a hazardous fluid upon the. During normal operation, the valve remains open for an extended period of time,. Esdv Valve Full Form.
From fluidhandlingpro.com
Supply Of Emergency ShutDown Valves (ESDV) • Fluid Handling Pro Esdv Valve Full Form The emergency shutdown valve, esdv acts as a safeguard against exceeding setpoint pressure. Emergency shutdown valves are usually located in. An esd (emergency shutdown) valve is a valve fitted with a spring return actuator, allowing the valve to be closed by the actuator spring when the actuator pressure signal is released. An emergency shut down valve (also referred to as. Esdv Valve Full Form.
From www.sernball.fr
A new achievement Large size ESDV Metal seated Sern Ball Valves Esdv Valve Full Form The emergency shutdown valve, esdv acts as a safeguard against exceeding setpoint pressure. An emergency shut down valve (also referred to as sdv or emergency shutdown valve, esv, esd, or esdv) is an actuated valve designed to stop the flow of a hazardous fluid upon the. Emergency shutdown valve is an actuated valve that closes when activated by a signal. Esdv Valve Full Form.
From aeavalve.en.made-in-china.com
Rotork Auma Biffi Motorized Hydraulic or Pneumatic Actuated Double Esdv Valve Full Form Emergency shutdown valve is an actuated valve that closes when activated by a signal from an esd level signal during an emergency situation. An emergency shut down valve (also referred to as sdv or emergency shutdown valve, esv, esd, or esdv) is an actuated valve designed to stop the flow of a hazardous fluid upon the. During normal operation, the. Esdv Valve Full Form.
From www.pipe-linevalve.com
ESDV API Emergency Shutdown Valve Carbon Steel Stainless Steel Esdv Valve Full Form The becker emergency shutdown valve (esdv) from baker hughes oil & gas offers customers a protection for equipment, the environment and employees during dangerous system. During normal operation, the valve remains open for an extended period of time, months or sometimes even years. Emergency shutdown valve is an actuated valve that closes when activated by a signal from an esd. Esdv Valve Full Form.
From www.youtube.com
ESD Emergency Shut down Valve (vanne de tete ) شرح متميز ل YouTube Esdv Valve Full Form The becker emergency shutdown valve (esdv) from baker hughes oil & gas offers customers a protection for equipment, the environment and employees during dangerous system. An esd (emergency shutdown) valve is a valve fitted with a spring return actuator, allowing the valve to be closed by the actuator spring when the actuator pressure signal is released. During normal operation, the. Esdv Valve Full Form.
From www.valveindustry.com
Esdv Emergency Shutdown Valve China Valve Products, Valve Esdv Valve Full Form The emergency shutdown valve, esdv acts as a safeguard against exceeding setpoint pressure. During normal operation, the valve remains open for an extended period of time, months or sometimes even years. The becker emergency shutdown valve (esdv) from baker hughes oil & gas offers customers a protection for equipment, the environment and employees during dangerous system. An esd (emergency shutdown). Esdv Valve Full Form.
From aeavalve.en.made-in-china.com
China Esv ESD or Esdv Emergency Shut Down Valve with Asco Solenoid Esdv Valve Full Form The emergency shutdown valve, esdv acts as a safeguard against exceeding setpoint pressure. Emergency shutdown valve is an actuated valve that closes when activated by a signal from an esd level signal during an emergency situation. The becker emergency shutdown valve (esdv) from baker hughes oil & gas offers customers a protection for equipment, the environment and employees during dangerous. Esdv Valve Full Form.
From www.raysvalve.com
Rays Emergency Shutdown Steel ball Valve Esdv Valve Full Form An emergency shut down valve (also referred to as sdv or emergency shutdown valve, esv, esd, or esdv) is an actuated valve designed to stop the flow of a hazardous fluid upon the. During normal operation, the valve remains open for an extended period of time, months or sometimes even years. The esdv must function as called upon during an. Esdv Valve Full Form.
From veson-valve.en.made-in-china.com
Emergency Shut Down Valves (ESDV, ESD, ESV, SDV) Pneumatically Esdv Valve Full Form During normal operation, the valve remains open for an extended period of time, months or sometimes even years. An emergency shut down valve (also referred to as sdv or emergency shutdown valve, esv, esd, or esdv) is an actuated valve designed to stop the flow of a hazardous fluid upon the. The emergency shutdown valve, esdv acts as a safeguard. Esdv Valve Full Form.
From www.jinbinvalve.com
China Without Actuator gravity Emergency shut off valve B series with Esdv Valve Full Form An emergency shut down valve (also referred to as sdv or emergency shutdown valve, esv, esd, or esdv) is an actuated valve designed to stop the flow of a hazardous fluid upon the. An esd (emergency shutdown) valve is a valve fitted with a spring return actuator, allowing the valve to be closed by the actuator spring when the actuator. Esdv Valve Full Form.