F250 Dash Speaker Removal . At least in the f150 of the same vintage, there was a plastic/rubbery pad that covered the tray. Lift the door panel, disconnect the electrical harness (if equipped), and remove the door panel. Remove four 1/4 screws securing the factory speaker to the door, then pull it out, disconnect it, and set it aside. Pry the off reflector lens from the lower corner of the door panel, then remove the 9/32 screw beneath. Removing the center dash speaker. Different dashes in different years. Looking to install a bulletpoint bracket. These detailed instructions show you how to take apart your dash, and how. How do you remove the “dump tray” that has a b&o speaker? Start date feb 12, 2022; Feb 12, 2022 #1 b.
from www.youtube.com
Removing the center dash speaker. Lift the door panel, disconnect the electrical harness (if equipped), and remove the door panel. At least in the f150 of the same vintage, there was a plastic/rubbery pad that covered the tray. Different dashes in different years. Start date feb 12, 2022; These detailed instructions show you how to take apart your dash, and how. Looking to install a bulletpoint bracket. How do you remove the “dump tray” that has a b&o speaker? Remove four 1/4 screws securing the factory speaker to the door, then pull it out, disconnect it, and set it aside. Pry the off reflector lens from the lower corner of the door panel, then remove the 9/32 screw beneath.
HighEnd Speakers in Custom APillars! How to build YouTube
F250 Dash Speaker Removal Feb 12, 2022 #1 b. Removing the center dash speaker. Lift the door panel, disconnect the electrical harness (if equipped), and remove the door panel. How do you remove the “dump tray” that has a b&o speaker? Different dashes in different years. These detailed instructions show you how to take apart your dash, and how. At least in the f150 of the same vintage, there was a plastic/rubbery pad that covered the tray. Start date feb 12, 2022; Remove four 1/4 screws securing the factory speaker to the door, then pull it out, disconnect it, and set it aside. Feb 12, 2022 #1 b. Looking to install a bulletpoint bracket. Pry the off reflector lens from the lower corner of the door panel, then remove the 9/32 screw beneath.
From enginesurprisals.z21.web.core.windows.net
Ford F250 Dash Warning Lights F250 Dash Speaker Removal These detailed instructions show you how to take apart your dash, and how. Removing the center dash speaker. Remove four 1/4 screws securing the factory speaker to the door, then pull it out, disconnect it, and set it aside. Feb 12, 2022 #1 b. Start date feb 12, 2022; Lift the door panel, disconnect the electrical harness (if equipped), and. F250 Dash Speaker Removal.
From www.youtube.com
F250/Excursion Dash Swap Tips and Tricks! YouTube F250 Dash Speaker Removal Pry the off reflector lens from the lower corner of the door panel, then remove the 9/32 screw beneath. These detailed instructions show you how to take apart your dash, and how. Lift the door panel, disconnect the electrical harness (if equipped), and remove the door panel. Different dashes in different years. Looking to install a bulletpoint bracket. Removing the. F250 Dash Speaker Removal.
From www.youtube.com
2024 Ford F150 INTERIOR Refresh & New Colors YouTube F250 Dash Speaker Removal Feb 12, 2022 #1 b. Removing the center dash speaker. Start date feb 12, 2022; How do you remove the “dump tray” that has a b&o speaker? These detailed instructions show you how to take apart your dash, and how. Different dashes in different years. At least in the f150 of the same vintage, there was a plastic/rubbery pad that. F250 Dash Speaker Removal.
From repairmachineuzmahujp4.z22.web.core.windows.net
Warning Lights On Dash 2023 F150 Xlt F250 Dash Speaker Removal These detailed instructions show you how to take apart your dash, and how. Removing the center dash speaker. Start date feb 12, 2022; Different dashes in different years. Looking to install a bulletpoint bracket. How do you remove the “dump tray” that has a b&o speaker? Lift the door panel, disconnect the electrical harness (if equipped), and remove the door. F250 Dash Speaker Removal.
From www.1aauto.com
How To Replace Front Drivers Door Speaker 201519 Ford F150 1A Auto F250 Dash Speaker Removal Start date feb 12, 2022; These detailed instructions show you how to take apart your dash, and how. How do you remove the “dump tray” that has a b&o speaker? Removing the center dash speaker. Looking to install a bulletpoint bracket. Pry the off reflector lens from the lower corner of the door panel, then remove the 9/32 screw beneath.. F250 Dash Speaker Removal.
From www.justanswer.com
I am attempting to replace my factory speaker amp on my 2011 Ford F250 F250 Dash Speaker Removal Pry the off reflector lens from the lower corner of the door panel, then remove the 9/32 screw beneath. At least in the f150 of the same vintage, there was a plastic/rubbery pad that covered the tray. These detailed instructions show you how to take apart your dash, and how. Start date feb 12, 2022; Remove four 1/4 screws securing. F250 Dash Speaker Removal.
From circuitdiagramnorma.z22.web.core.windows.net
Changing F150 Door Speakers F250 Dash Speaker Removal At least in the f150 of the same vintage, there was a plastic/rubbery pad that covered the tray. Different dashes in different years. How do you remove the “dump tray” that has a b&o speaker? Remove four 1/4 screws securing the factory speaker to the door, then pull it out, disconnect it, and set it aside. Feb 12, 2022 #1. F250 Dash Speaker Removal.
From engineschroder101.z21.web.core.windows.net
2013 Ford F150 Door Speaker Size F250 Dash Speaker Removal At least in the f150 of the same vintage, there was a plastic/rubbery pad that covered the tray. Lift the door panel, disconnect the electrical harness (if equipped), and remove the door panel. Start date feb 12, 2022; Looking to install a bulletpoint bracket. How do you remove the “dump tray” that has a b&o speaker? These detailed instructions show. F250 Dash Speaker Removal.
From crutchfield.com
20092014 Ford F150 SuperCab Car Audio Profile F250 Dash Speaker Removal At least in the f150 of the same vintage, there was a plastic/rubbery pad that covered the tray. Looking to install a bulletpoint bracket. Start date feb 12, 2022; Remove four 1/4 screws securing the factory speaker to the door, then pull it out, disconnect it, and set it aside. These detailed instructions show you how to take apart your. F250 Dash Speaker Removal.
From www.f150forum.com
2022 F250 radio/climate/Sync4 install in 20152020? Ford F150 Forum F250 Dash Speaker Removal How do you remove the “dump tray” that has a b&o speaker? Looking to install a bulletpoint bracket. Start date feb 12, 2022; Lift the door panel, disconnect the electrical harness (if equipped), and remove the door panel. Different dashes in different years. These detailed instructions show you how to take apart your dash, and how. Removing the center dash. F250 Dash Speaker Removal.
From fordraptorlights.com
BuiltRight Industries Dash Mount 20172019 F150, F250, & Raptor F250 Dash Speaker Removal Feb 12, 2022 #1 b. At least in the f150 of the same vintage, there was a plastic/rubbery pad that covered the tray. Pry the off reflector lens from the lower corner of the door panel, then remove the 9/32 screw beneath. How do you remove the “dump tray” that has a b&o speaker? Start date feb 12, 2022; Removing. F250 Dash Speaker Removal.
From fixberg55.z21.web.core.windows.net
2010 Ford F150 Speakers Replacement F250 Dash Speaker Removal Removing the center dash speaker. Start date feb 12, 2022; Lift the door panel, disconnect the electrical harness (if equipped), and remove the door panel. Different dashes in different years. Feb 12, 2022 #1 b. At least in the f150 of the same vintage, there was a plastic/rubbery pad that covered the tray. Remove four 1/4 screws securing the factory. F250 Dash Speaker Removal.
From www.f150forum.com
Unused connector, under d.s. dash... Ford F150 Forum Community of F250 Dash Speaker Removal Remove four 1/4 screws securing the factory speaker to the door, then pull it out, disconnect it, and set it aside. Removing the center dash speaker. Pry the off reflector lens from the lower corner of the door panel, then remove the 9/32 screw beneath. Feb 12, 2022 #1 b. These detailed instructions show you how to take apart your. F250 Dash Speaker Removal.
From repairmachineuzmahujp4.z22.web.core.windows.net
Warning Lights On Dash 2023 F150 Xlt F250 Dash Speaker Removal Remove four 1/4 screws securing the factory speaker to the door, then pull it out, disconnect it, and set it aside. Start date feb 12, 2022; Looking to install a bulletpoint bracket. Removing the center dash speaker. Feb 12, 2022 #1 b. Lift the door panel, disconnect the electrical harness (if equipped), and remove the door panel. Pry the off. F250 Dash Speaker Removal.
From repairmachineuzmahujp4.z22.web.core.windows.net
Warning Lights On Dash 2023 F150 Xlt F250 Dash Speaker Removal Looking to install a bulletpoint bracket. Different dashes in different years. At least in the f150 of the same vintage, there was a plastic/rubbery pad that covered the tray. How do you remove the “dump tray” that has a b&o speaker? Start date feb 12, 2022; Pry the off reflector lens from the lower corner of the door panel, then. F250 Dash Speaker Removal.
From www.youtube.com
How to remove dashboard 20112016 Ford F250 YouTube F250 Dash Speaker Removal Different dashes in different years. Pry the off reflector lens from the lower corner of the door panel, then remove the 9/32 screw beneath. Feb 12, 2022 #1 b. Lift the door panel, disconnect the electrical harness (if equipped), and remove the door panel. Remove four 1/4 screws securing the factory speaker to the door, then pull it out, disconnect. F250 Dash Speaker Removal.
From www.justanswer.com
I am attempting to replace my factory speaker amp on my 2011 Ford F250 F250 Dash Speaker Removal Lift the door panel, disconnect the electrical harness (if equipped), and remove the door panel. Different dashes in different years. At least in the f150 of the same vintage, there was a plastic/rubbery pad that covered the tray. Start date feb 12, 2022; Looking to install a bulletpoint bracket. Remove four 1/4 screws securing the factory speaker to the door,. F250 Dash Speaker Removal.
From wannabeacar.blogspot.com
Ford F250 Stereo Upgrade Wanna be a Car F250 Dash Speaker Removal Different dashes in different years. How do you remove the “dump tray” that has a b&o speaker? Remove four 1/4 screws securing the factory speaker to the door, then pull it out, disconnect it, and set it aside. Removing the center dash speaker. At least in the f150 of the same vintage, there was a plastic/rubbery pad that covered the. F250 Dash Speaker Removal.
From enginesurprisals.z21.web.core.windows.net
Ford F250 Dash Warning Lights F250 Dash Speaker Removal At least in the f150 of the same vintage, there was a plastic/rubbery pad that covered the tray. Lift the door panel, disconnect the electrical harness (if equipped), and remove the door panel. Different dashes in different years. Start date feb 12, 2022; Pry the off reflector lens from the lower corner of the door panel, then remove the 9/32. F250 Dash Speaker Removal.
From www.youtube.com
20082010 Ford F250 dash board/dash bezel removal and replacement F250 Dash Speaker Removal Pry the off reflector lens from the lower corner of the door panel, then remove the 9/32 screw beneath. Different dashes in different years. How do you remove the “dump tray” that has a b&o speaker? These detailed instructions show you how to take apart your dash, and how. Feb 12, 2022 #1 b. Lift the door panel, disconnect the. F250 Dash Speaker Removal.
From dashcare.com
Dash Cover Ford Super Duty F250 F350 F450 F550 *With Storage Box 2013 F250 Dash Speaker Removal Remove four 1/4 screws securing the factory speaker to the door, then pull it out, disconnect it, and set it aside. Start date feb 12, 2022; Looking to install a bulletpoint bracket. Feb 12, 2022 #1 b. At least in the f150 of the same vintage, there was a plastic/rubbery pad that covered the tray. Different dashes in different years.. F250 Dash Speaker Removal.
From www.powerstroke.org
F250 door speaker pod builds Ford Powerstroke Diesel Forum F250 Dash Speaker Removal Looking to install a bulletpoint bracket. Remove four 1/4 screws securing the factory speaker to the door, then pull it out, disconnect it, and set it aside. Different dashes in different years. How do you remove the “dump tray” that has a b&o speaker? Removing the center dash speaker. Start date feb 12, 2022; At least in the f150 of. F250 Dash Speaker Removal.
From www.powerstroke.org
2011 F250 RADIO REMOVAL Ford Powerstroke Diesel Forum F250 Dash Speaker Removal Pry the off reflector lens from the lower corner of the door panel, then remove the 9/32 screw beneath. How do you remove the “dump tray” that has a b&o speaker? Looking to install a bulletpoint bracket. Different dashes in different years. At least in the f150 of the same vintage, there was a plastic/rubbery pad that covered the tray.. F250 Dash Speaker Removal.
From www.fordtruckzone.com
Builtright Dash Mount pics? 2017 2022 Ford F250+ Super Duty Forum F250 Dash Speaker Removal Pry the off reflector lens from the lower corner of the door panel, then remove the 9/32 screw beneath. Feb 12, 2022 #1 b. Start date feb 12, 2022; How do you remove the “dump tray” that has a b&o speaker? Lift the door panel, disconnect the electrical harness (if equipped), and remove the door panel. Different dashes in different. F250 Dash Speaker Removal.
From www.gaaclassiccars.com
1966 Ford F250 GAA Classic Cars F250 Dash Speaker Removal At least in the f150 of the same vintage, there was a plastic/rubbery pad that covered the tray. Pry the off reflector lens from the lower corner of the door panel, then remove the 9/32 screw beneath. These detailed instructions show you how to take apart your dash, and how. Lift the door panel, disconnect the electrical harness (if equipped),. F250 Dash Speaker Removal.
From www.youtube.com
2017 2022 Ford F250 / F350 Rear Door Speaker Install YouTube F250 Dash Speaker Removal Different dashes in different years. Looking to install a bulletpoint bracket. Lift the door panel, disconnect the electrical harness (if equipped), and remove the door panel. Pry the off reflector lens from the lower corner of the door panel, then remove the 9/32 screw beneath. Feb 12, 2022 #1 b. Remove four 1/4 screws securing the factory speaker to the. F250 Dash Speaker Removal.
From www.crutchfield.com
19992004 Ford F250 and F350 Super Duty F250 Dash Speaker Removal Feb 12, 2022 #1 b. Pry the off reflector lens from the lower corner of the door panel, then remove the 9/32 screw beneath. Looking to install a bulletpoint bracket. Remove four 1/4 screws securing the factory speaker to the door, then pull it out, disconnect it, and set it aside. These detailed instructions show you how to take apart. F250 Dash Speaker Removal.
From www.youtube.com
HighEnd Speakers in Custom APillars! How to build YouTube F250 Dash Speaker Removal Different dashes in different years. Remove four 1/4 screws securing the factory speaker to the door, then pull it out, disconnect it, and set it aside. Feb 12, 2022 #1 b. Lift the door panel, disconnect the electrical harness (if equipped), and remove the door panel. Start date feb 12, 2022; These detailed instructions show you how to take apart. F250 Dash Speaker Removal.
From www.youtube.com
How to Remove Rear Speaker Cover 1116 Ford F250 YouTube F250 Dash Speaker Removal Looking to install a bulletpoint bracket. Feb 12, 2022 #1 b. Lift the door panel, disconnect the electrical harness (if equipped), and remove the door panel. Start date feb 12, 2022; These detailed instructions show you how to take apart your dash, and how. At least in the f150 of the same vintage, there was a plastic/rubbery pad that covered. F250 Dash Speaker Removal.
From www.youtube.com
19992003 Ford Super Duty F250 F350 Dashboard Removal Overview YouTube F250 Dash Speaker Removal These detailed instructions show you how to take apart your dash, and how. Feb 12, 2022 #1 b. Remove four 1/4 screws securing the factory speaker to the door, then pull it out, disconnect it, and set it aside. Pry the off reflector lens from the lower corner of the door panel, then remove the 9/32 screw beneath. Lift the. F250 Dash Speaker Removal.
From www.midtenntruckparts.com
Ford F250 Super Duty Fuel Tank Selector Switch. 201112, fuel F250 Dash Speaker Removal Removing the center dash speaker. These detailed instructions show you how to take apart your dash, and how. Lift the door panel, disconnect the electrical harness (if equipped), and remove the door panel. Looking to install a bulletpoint bracket. At least in the f150 of the same vintage, there was a plastic/rubbery pad that covered the tray. How do you. F250 Dash Speaker Removal.
From encabanewvffixengine.z13.web.core.windows.net
Ford F150 Aftermarket Dash F250 Dash Speaker Removal Pry the off reflector lens from the lower corner of the door panel, then remove the 9/32 screw beneath. Lift the door panel, disconnect the electrical harness (if equipped), and remove the door panel. Looking to install a bulletpoint bracket. Remove four 1/4 screws securing the factory speaker to the door, then pull it out, disconnect it, and set it. F250 Dash Speaker Removal.
From www.rvinyl.com
Ford F250 Dash Kits Custom Ford F250 Dash Kit F250 Dash Speaker Removal Removing the center dash speaker. Pry the off reflector lens from the lower corner of the door panel, then remove the 9/32 screw beneath. These detailed instructions show you how to take apart your dash, and how. Remove four 1/4 screws securing the factory speaker to the door, then pull it out, disconnect it, and set it aside. Looking to. F250 Dash Speaker Removal.
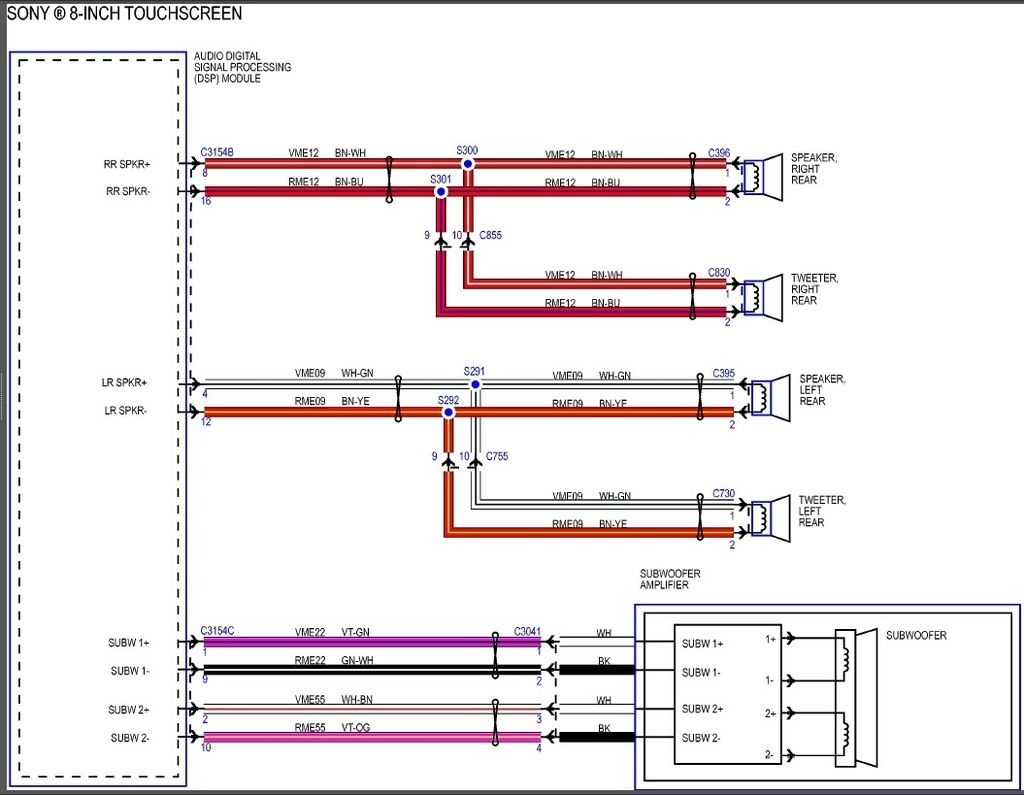
From s295.photobucket.com
f250_sony_rear_speakers_zpsfeupypgl.jpg Photo by AZ_X Photobucket F250 Dash Speaker Removal Feb 12, 2022 #1 b. Start date feb 12, 2022; Remove four 1/4 screws securing the factory speaker to the door, then pull it out, disconnect it, and set it aside. At least in the f150 of the same vintage, there was a plastic/rubbery pad that covered the tray. Removing the center dash speaker. Pry the off reflector lens from. F250 Dash Speaker Removal.
From www.fixya.com
SOLVED How do you remove the dash in a 1995 ford f250 1995 Ford F250 Dash Speaker Removal Pry the off reflector lens from the lower corner of the door panel, then remove the 9/32 screw beneath. Different dashes in different years. Feb 12, 2022 #1 b. Lift the door panel, disconnect the electrical harness (if equipped), and remove the door panel. These detailed instructions show you how to take apart your dash, and how. Looking to install. F250 Dash Speaker Removal.