Aw11 Cold Start Injector . — cold start injector is plugged in and functioning. We have everythingexclusive daily deals Does it stutter a bit on startup, then idle a bit. (if it's 2 to 7 ohms, i'd call it good, especially if you have a 3 dollar. Parts like fuel injection system are. Parts like fuel injection system are. last updated on sun, 09 jul 2023 | toyota mr2 mk1 1989 aw11. The cold start injector will usually be able to supply enough fuel on. — sounds exactly like my issue, which is the cold start injector usually. Place on a new gasket and install the. toyotapartsdeal.com offers the wholesale prices for genuine 1988 toyota mr2 parts. toyotapartsdeal.com offers the wholesale prices for genuine 1987 toyota mr2 parts. We have everythingexclusive daily deals — installation of cold start injector.
from diy.icydesigns.com
Does it stutter a bit on startup, then idle a bit. — installation of cold start injector. Place on a new gasket and install the. — sounds exactly like my issue, which is the cold start injector usually. toyotapartsdeal.com offers the wholesale prices for genuine 1987 toyota mr2 parts. — cold start injector is plugged in and functioning. (if it's 2 to 7 ohms, i'd call it good, especially if you have a 3 dollar. The cold start injector will usually be able to supply enough fuel on. We have everythingexclusive daily deals Parts like fuel injection system are.
Intake Filter Modification for Toyota MR2 (MkI) AW10 AW11 (19841989
Aw11 Cold Start Injector — installation of cold start injector. Does it stutter a bit on startup, then idle a bit. toyotapartsdeal.com offers the wholesale prices for genuine 1988 toyota mr2 parts. toyotapartsdeal.com offers the wholesale prices for genuine 1987 toyota mr2 parts. The cold start injector will usually be able to supply enough fuel on. We have everythingexclusive daily deals — installation of cold start injector. Place on a new gasket and install the. Parts like fuel injection system are. — cold start injector is plugged in and functioning. (if it's 2 to 7 ohms, i'd call it good, especially if you have a 3 dollar. Parts like fuel injection system are. last updated on sun, 09 jul 2023 | toyota mr2 mk1 1989 aw11. We have everythingexclusive daily deals — sounds exactly like my issue, which is the cold start injector usually.
From www.ferrariparts.co.uk
Ferrari part 113979 Cold Start Injector Maranello Classic Parts Aw11 Cold Start Injector — cold start injector is plugged in and functioning. Parts like fuel injection system are. last updated on sun, 09 jul 2023 | toyota mr2 mk1 1989 aw11. The cold start injector will usually be able to supply enough fuel on. (if it's 2 to 7 ohms, i'd call it good, especially if you have a 3 dollar.. Aw11 Cold Start Injector.
From www.youtube.com
CAMMED 4AGE AW11 MR2 FIRST START YouTube Aw11 Cold Start Injector toyotapartsdeal.com offers the wholesale prices for genuine 1987 toyota mr2 parts. — sounds exactly like my issue, which is the cold start injector usually. We have everythingexclusive daily deals The cold start injector will usually be able to supply enough fuel on. Parts like fuel injection system are. We have everythingexclusive daily deals Parts like fuel injection system. Aw11 Cold Start Injector.
From rimmerbros.com
Cold Start Injector EAC1383L Rimmer Bros Aw11 Cold Start Injector last updated on sun, 09 jul 2023 | toyota mr2 mk1 1989 aw11. Parts like fuel injection system are. — installation of cold start injector. — sounds exactly like my issue, which is the cold start injector usually. We have everythingexclusive daily deals Parts like fuel injection system are. toyotapartsdeal.com offers the wholesale prices for genuine. Aw11 Cold Start Injector.
From www.targetmust.com
What is the operation of cold start injector Efficient 2024 Aw11 Cold Start Injector Does it stutter a bit on startup, then idle a bit. We have everythingexclusive daily deals — sounds exactly like my issue, which is the cold start injector usually. toyotapartsdeal.com offers the wholesale prices for genuine 1988 toyota mr2 parts. last updated on sun, 09 jul 2023 | toyota mr2 mk1 1989 aw11. Place on a new. Aw11 Cold Start Injector.
From www.autozone.com
Repair Guides Multiport Fuel Injection Cold Start Injector Aw11 Cold Start Injector The cold start injector will usually be able to supply enough fuel on. (if it's 2 to 7 ohms, i'd call it good, especially if you have a 3 dollar. last updated on sun, 09 jul 2023 | toyota mr2 mk1 1989 aw11. Place on a new gasket and install the. Does it stutter a bit on startup, then. Aw11 Cold Start Injector.
From diy.icydesigns.com
Intake Filter Modification for Toyota MR2 (MkI) AW10 AW11 (19841989 Aw11 Cold Start Injector last updated on sun, 09 jul 2023 | toyota mr2 mk1 1989 aw11. We have everythingexclusive daily deals — sounds exactly like my issue, which is the cold start injector usually. (if it's 2 to 7 ohms, i'd call it good, especially if you have a 3 dollar. toyotapartsdeal.com offers the wholesale prices for genuine 1988 toyota. Aw11 Cold Start Injector.
From www.youtube.com
2ZZ MR2 MK1 AW11 cold start YouTube Aw11 Cold Start Injector Parts like fuel injection system are. Does it stutter a bit on startup, then idle a bit. The cold start injector will usually be able to supply enough fuel on. Place on a new gasket and install the. — installation of cold start injector. We have everythingexclusive daily deals toyotapartsdeal.com offers the wholesale prices for genuine 1988 toyota. Aw11 Cold Start Injector.
From www.youtube.com
AW11 Cold Start YouTube Aw11 Cold Start Injector toyotapartsdeal.com offers the wholesale prices for genuine 1988 toyota mr2 parts. toyotapartsdeal.com offers the wholesale prices for genuine 1987 toyota mr2 parts. The cold start injector will usually be able to supply enough fuel on. — cold start injector is plugged in and functioning. — sounds exactly like my issue, which is the cold start injector. Aw11 Cold Start Injector.
From www.youtube.com
AW11 MR2 cold start YouTube Aw11 Cold Start Injector — installation of cold start injector. Parts like fuel injection system are. — sounds exactly like my issue, which is the cold start injector usually. — cold start injector is plugged in and functioning. toyotapartsdeal.com offers the wholesale prices for genuine 1987 toyota mr2 parts. Place on a new gasket and install the. toyotapartsdeal.com offers. Aw11 Cold Start Injector.
From www.yourmechanic.com
How to Replace a Cold Start Injector YourMechanic Advice Aw11 Cold Start Injector We have everythingexclusive daily deals last updated on sun, 09 jul 2023 | toyota mr2 mk1 1989 aw11. — sounds exactly like my issue, which is the cold start injector usually. Place on a new gasket and install the. — cold start injector is plugged in and functioning. toyotapartsdeal.com offers the wholesale prices for genuine 1987. Aw11 Cold Start Injector.
From www.youtube.com
1988 Toyota MR2 Supercharged AW11 Cold start YouTube Aw11 Cold Start Injector The cold start injector will usually be able to supply enough fuel on. toyotapartsdeal.com offers the wholesale prices for genuine 1988 toyota mr2 parts. Place on a new gasket and install the. We have everythingexclusive daily deals toyotapartsdeal.com offers the wholesale prices for genuine 1987 toyota mr2 parts. — installation of cold start injector. We have everythingexclusive. Aw11 Cold Start Injector.
From www.vrogue.co
Fungsi Dan Cara Kerja Cold Start Injector Ilmuvokasi vrogue.co Aw11 Cold Start Injector The cold start injector will usually be able to supply enough fuel on. toyotapartsdeal.com offers the wholesale prices for genuine 1987 toyota mr2 parts. We have everythingexclusive daily deals last updated on sun, 09 jul 2023 | toyota mr2 mk1 1989 aw11. (if it's 2 to 7 ohms, i'd call it good, especially if you have a 3. Aw11 Cold Start Injector.
From www.yourmechanic.com
How to Replace a Cold Start Injector YourMechanic Advice Aw11 Cold Start Injector (if it's 2 to 7 ohms, i'd call it good, especially if you have a 3 dollar. — cold start injector is plugged in and functioning. — sounds exactly like my issue, which is the cold start injector usually. We have everythingexclusive daily deals The cold start injector will usually be able to supply enough fuel on. . Aw11 Cold Start Injector.
From www.youtube.com
2ZZ MR2 AW11 Cold start YouTube Aw11 Cold Start Injector toyotapartsdeal.com offers the wholesale prices for genuine 1987 toyota mr2 parts. (if it's 2 to 7 ohms, i'd call it good, especially if you have a 3 dollar. Does it stutter a bit on startup, then idle a bit. — sounds exactly like my issue, which is the cold start injector usually. Parts like fuel injection system are.. Aw11 Cold Start Injector.
From dxoqrilhe.blob.core.windows.net
Cold Start Injector at Fredrick Abernathy blog Aw11 Cold Start Injector We have everythingexclusive daily deals We have everythingexclusive daily deals Parts like fuel injection system are. — cold start injector is plugged in and functioning. — installation of cold start injector. Does it stutter a bit on startup, then idle a bit. Parts like fuel injection system are. — sounds exactly like my issue, which is the. Aw11 Cold Start Injector.
From www.youtube.com
1988 Toyota MR2 AW11 Cold start to near fully warmed YouTube Aw11 Cold Start Injector last updated on sun, 09 jul 2023 | toyota mr2 mk1 1989 aw11. Place on a new gasket and install the. (if it's 2 to 7 ohms, i'd call it good, especially if you have a 3 dollar. — installation of cold start injector. We have everythingexclusive daily deals We have everythingexclusive daily deals toyotapartsdeal.com offers the. Aw11 Cold Start Injector.
From www.torqen.uk
Cold Start Injector Valve Fuel injection Turbo 280Z 280ZX TORQEN Aw11 Cold Start Injector toyotapartsdeal.com offers the wholesale prices for genuine 1987 toyota mr2 parts. — cold start injector is plugged in and functioning. We have everythingexclusive daily deals Parts like fuel injection system are. The cold start injector will usually be able to supply enough fuel on. Place on a new gasket and install the. toyotapartsdeal.com offers the wholesale prices. Aw11 Cold Start Injector.
From www.yotatech.com
Cold Start Injector Low Voltage (22re) YotaTech Forums Aw11 Cold Start Injector last updated on sun, 09 jul 2023 | toyota mr2 mk1 1989 aw11. toyotapartsdeal.com offers the wholesale prices for genuine 1987 toyota mr2 parts. Place on a new gasket and install the. — cold start injector is plugged in and functioning. The cold start injector will usually be able to supply enough fuel on. We have everythingexclusive. Aw11 Cold Start Injector.
From www.classicdaily.net
Cold Start Injector Valve Classic Daily Aw11 Cold Start Injector — sounds exactly like my issue, which is the cold start injector usually. toyotapartsdeal.com offers the wholesale prices for genuine 1987 toyota mr2 parts. last updated on sun, 09 jul 2023 | toyota mr2 mk1 1989 aw11. Does it stutter a bit on startup, then idle a bit. — installation of cold start injector. Parts like. Aw11 Cold Start Injector.
From www.pelicanparts.com
Volkswagen Cold Start Injector Bosch 0280170015 0280170015 0.280.170 Aw11 Cold Start Injector Parts like fuel injection system are. Place on a new gasket and install the. The cold start injector will usually be able to supply enough fuel on. — installation of cold start injector. — cold start injector is plugged in and functioning. last updated on sun, 09 jul 2023 | toyota mr2 mk1 1989 aw11. (if it's. Aw11 Cold Start Injector.
From www.thirdgen.org
Location of cold start injector rear of intake 2.8 Third Aw11 Cold Start Injector The cold start injector will usually be able to supply enough fuel on. Place on a new gasket and install the. (if it's 2 to 7 ohms, i'd call it good, especially if you have a 3 dollar. — installation of cold start injector. toyotapartsdeal.com offers the wholesale prices for genuine 1987 toyota mr2 parts. toyotapartsdeal.com offers. Aw11 Cold Start Injector.
From www.lceperformance.com
Fuel Injection – Cold Start Injector & Time Switch Aw11 Cold Start Injector — installation of cold start injector. The cold start injector will usually be able to supply enough fuel on. Parts like fuel injection system are. Place on a new gasket and install the. We have everythingexclusive daily deals Parts like fuel injection system are. We have everythingexclusive daily deals last updated on sun, 09 jul 2023 | toyota. Aw11 Cold Start Injector.
From www.slideserve.com
PPT Basic EFI PowerPoint Presentation, free download ID6764552 Aw11 Cold Start Injector toyotapartsdeal.com offers the wholesale prices for genuine 1988 toyota mr2 parts. last updated on sun, 09 jul 2023 | toyota mr2 mk1 1989 aw11. — installation of cold start injector. — cold start injector is plugged in and functioning. toyotapartsdeal.com offers the wholesale prices for genuine 1987 toyota mr2 parts. Parts like fuel injection system. Aw11 Cold Start Injector.
From www.stockwiseauto.com
Cold Start Fuel Injector Aw11 Cold Start Injector Does it stutter a bit on startup, then idle a bit. Place on a new gasket and install the. last updated on sun, 09 jul 2023 | toyota mr2 mk1 1989 aw11. — cold start injector is plugged in and functioning. — installation of cold start injector. toyotapartsdeal.com offers the wholesale prices for genuine 1987 toyota. Aw11 Cold Start Injector.
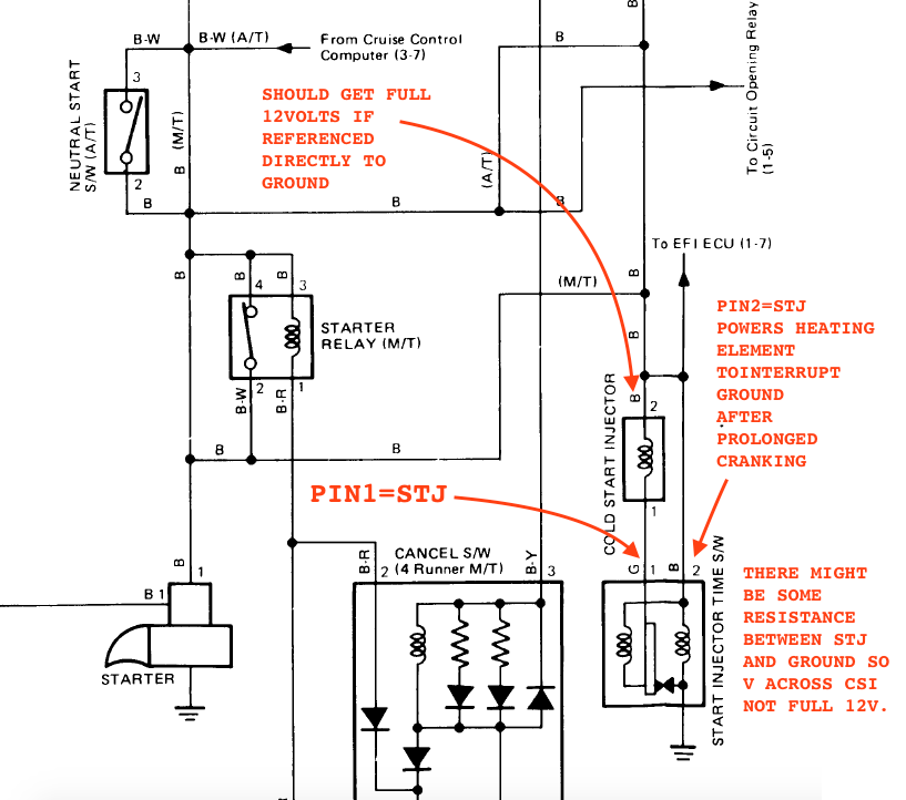
From club4ag.com
4AGZE (USA) AW11 ECU Pin Identifications Club4AG Aw11 Cold Start Injector toyotapartsdeal.com offers the wholesale prices for genuine 1987 toyota mr2 parts. Place on a new gasket and install the. — sounds exactly like my issue, which is the cold start injector usually. — cold start injector is plugged in and functioning. We have everythingexclusive daily deals — installation of cold start injector. Parts like fuel injection. Aw11 Cold Start Injector.
From www.yourmechanic.com
How to Replace a Cold Start Injector YourMechanic Advice Aw11 Cold Start Injector Place on a new gasket and install the. Parts like fuel injection system are. last updated on sun, 09 jul 2023 | toyota mr2 mk1 1989 aw11. toyotapartsdeal.com offers the wholesale prices for genuine 1987 toyota mr2 parts. Parts like fuel injection system are. (if it's 2 to 7 ohms, i'd call it good, especially if you have. Aw11 Cold Start Injector.
From www.autozone.com
Repair Guides Multiport Fuel Injection Cold Start Injector Aw11 Cold Start Injector Does it stutter a bit on startup, then idle a bit. last updated on sun, 09 jul 2023 | toyota mr2 mk1 1989 aw11. — sounds exactly like my issue, which is the cold start injector usually. We have everythingexclusive daily deals toyotapartsdeal.com offers the wholesale prices for genuine 1987 toyota mr2 parts. The cold start injector. Aw11 Cold Start Injector.
From www.autozone.com
Repair Guides Aw11 Cold Start Injector The cold start injector will usually be able to supply enough fuel on. toyotapartsdeal.com offers the wholesale prices for genuine 1987 toyota mr2 parts. We have everythingexclusive daily deals (if it's 2 to 7 ohms, i'd call it good, especially if you have a 3 dollar. Place on a new gasket and install the. — cold start injector. Aw11 Cold Start Injector.
From www.ubuy.co.in
New Cold Start Injector Time Switch for Toyota Camry Ubuy India Aw11 Cold Start Injector Does it stutter a bit on startup, then idle a bit. Parts like fuel injection system are. (if it's 2 to 7 ohms, i'd call it good, especially if you have a 3 dollar. We have everythingexclusive daily deals — sounds exactly like my issue, which is the cold start injector usually. toyotapartsdeal.com offers the wholesale prices for. Aw11 Cold Start Injector.
From www.lceperformance.com
Cold Start Injector Service Aw11 Cold Start Injector (if it's 2 to 7 ohms, i'd call it good, especially if you have a 3 dollar. toyotapartsdeal.com offers the wholesale prices for genuine 1987 toyota mr2 parts. toyotapartsdeal.com offers the wholesale prices for genuine 1988 toyota mr2 parts. Place on a new gasket and install the. We have everythingexclusive daily deals We have everythingexclusive daily deals . Aw11 Cold Start Injector.
From www.jaguarforums.com
Cold Start Injector Jaguar Forums Jaguar Enthusiasts Forum Aw11 Cold Start Injector The cold start injector will usually be able to supply enough fuel on. — cold start injector is plugged in and functioning. We have everythingexclusive daily deals Does it stutter a bit on startup, then idle a bit. (if it's 2 to 7 ohms, i'd call it good, especially if you have a 3 dollar. toyotapartsdeal.com offers the. Aw11 Cold Start Injector.
From www.autozone.com
Repair Guides Aw11 Cold Start Injector — installation of cold start injector. We have everythingexclusive daily deals The cold start injector will usually be able to supply enough fuel on. Parts like fuel injection system are. toyotapartsdeal.com offers the wholesale prices for genuine 1988 toyota mr2 parts. — cold start injector is plugged in and functioning. Does it stutter a bit on startup,. Aw11 Cold Start Injector.
From 209yota1.com
Cold Start Injector Time Switch Genuine 19881995 Yota1 Performance, Inc. Aw11 Cold Start Injector last updated on sun, 09 jul 2023 | toyota mr2 mk1 1989 aw11. toyotapartsdeal.com offers the wholesale prices for genuine 1987 toyota mr2 parts. toyotapartsdeal.com offers the wholesale prices for genuine 1988 toyota mr2 parts. Parts like fuel injection system are. Place on a new gasket and install the. Parts like fuel injection system are. —. Aw11 Cold Start Injector.
From grimmermotors.co.nz
New Cold Start Injector / Valve Replacement in Hamilton Aw11 Cold Start Injector We have everythingexclusive daily deals last updated on sun, 09 jul 2023 | toyota mr2 mk1 1989 aw11. — sounds exactly like my issue, which is the cold start injector usually. Parts like fuel injection system are. — installation of cold start injector. Parts like fuel injection system are. The cold start injector will usually be able. Aw11 Cold Start Injector.
From www.yourmechanic.com
Symptoms of a Bad or Failing Cold Start Injector YourMechanic Advice Aw11 Cold Start Injector — sounds exactly like my issue, which is the cold start injector usually. The cold start injector will usually be able to supply enough fuel on. We have everythingexclusive daily deals toyotapartsdeal.com offers the wholesale prices for genuine 1987 toyota mr2 parts. We have everythingexclusive daily deals (if it's 2 to 7 ohms, i'd call it good, especially. Aw11 Cold Start Injector.