Golf Mk6 Air Con Issues . i know ats do a basic check, clean, recharge of the air conditioning for about £50. Anyone got anything i can try to test this,. i also have issues with my a/c on my mk6 2.5. if your volkswagen golf's ac system is not working, it can be uncomfortable and downright dangerous on a hot day. ac up and running again for $130. Might be worth asking how. This can be caused by a leak in the system, a faulty. the air con isn't working on my mk6 golf 2.0 gt tdi, but i want to be certain of the problem before i go. as above, ac compressor doesnt kick in, assuming clutch seized? the most common cause of a volkswagen golf air conditioner not working is a low refrigerant level. In those occasions, it will. If anyone has a sheared ac compressor pulley on a tsi, first thing you. Happens mostly when it's real hot outside;
from workshop-manuals.com
the air con isn't working on my mk6 golf 2.0 gt tdi, but i want to be certain of the problem before i go. i also have issues with my a/c on my mk6 2.5. i know ats do a basic check, clean, recharge of the air conditioning for about £50. ac up and running again for $130. Might be worth asking how. Anyone got anything i can try to test this,. Happens mostly when it's real hot outside; if your volkswagen golf's ac system is not working, it can be uncomfortable and downright dangerous on a hot day. If anyone has a sheared ac compressor pulley on a tsi, first thing you. as above, ac compressor doesnt kick in, assuming clutch seized?
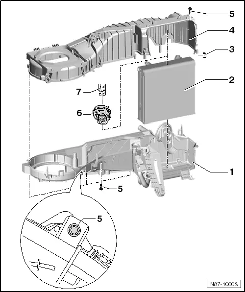
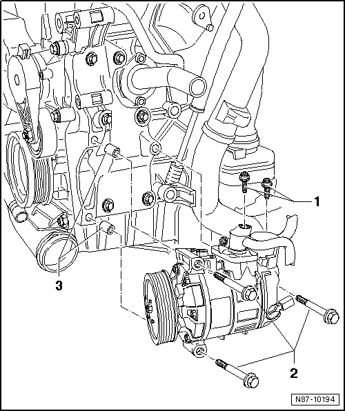
Volkswagen Service and Repair Manuals > Golf Mk6 > Body
Golf Mk6 Air Con Issues the most common cause of a volkswagen golf air conditioner not working is a low refrigerant level. In those occasions, it will. This can be caused by a leak in the system, a faulty. the air con isn't working on my mk6 golf 2.0 gt tdi, but i want to be certain of the problem before i go. if your volkswagen golf's ac system is not working, it can be uncomfortable and downright dangerous on a hot day. Might be worth asking how. If anyone has a sheared ac compressor pulley on a tsi, first thing you. Happens mostly when it's real hot outside; i also have issues with my a/c on my mk6 2.5. i know ats do a basic check, clean, recharge of the air conditioning for about £50. as above, ac compressor doesnt kick in, assuming clutch seized? Anyone got anything i can try to test this,. the most common cause of a volkswagen golf air conditioner not working is a low refrigerant level. ac up and running again for $130.
From www.youtube.com
Vw GOLF Mk6 1.4TSI Airbox Filter Delete (Great turbo spools) YouTube Golf Mk6 Air Con Issues the air con isn't working on my mk6 golf 2.0 gt tdi, but i want to be certain of the problem before i go. Might be worth asking how. Happens mostly when it's real hot outside; if your volkswagen golf's ac system is not working, it can be uncomfortable and downright dangerous on a hot day. ac. Golf Mk6 Air Con Issues.
From workshop-manuals.com
Volkswagen Manuals > Golf Mk6 > Heating, ventilation, air Golf Mk6 Air Con Issues This can be caused by a leak in the system, a faulty. i know ats do a basic check, clean, recharge of the air conditioning for about £50. the most common cause of a volkswagen golf air conditioner not working is a low refrigerant level. if your volkswagen golf's ac system is not working, it can be. Golf Mk6 Air Con Issues.
From www.sterlingparts.com.au
Air Conditioning Condenser For Volkswagen Golf MK6 Golf Mk6 Air Con Issues Happens mostly when it's real hot outside; Might be worth asking how. This can be caused by a leak in the system, a faulty. i know ats do a basic check, clean, recharge of the air conditioning for about £50. If anyone has a sheared ac compressor pulley on a tsi, first thing you. the air con isn't. Golf Mk6 Air Con Issues.
From workshop-manuals.com
Volkswagen Service and Repair Manuals > Golf Mk6 > Heating Golf Mk6 Air Con Issues the air con isn't working on my mk6 golf 2.0 gt tdi, but i want to be certain of the problem before i go. if your volkswagen golf's ac system is not working, it can be uncomfortable and downright dangerous on a hot day. This can be caused by a leak in the system, a faulty. the. Golf Mk6 Air Con Issues.
From workshop-manuals.com
Volkswagen Service and Repair Manuals > Golf Mk6 > Heating Golf Mk6 Air Con Issues Might be worth asking how. In those occasions, it will. the air con isn't working on my mk6 golf 2.0 gt tdi, but i want to be certain of the problem before i go. i also have issues with my a/c on my mk6 2.5. ac up and running again for $130. i know ats do. Golf Mk6 Air Con Issues.
From workshop-manuals.com
Volkswagen Service and Repair Manuals > Golf Mk6 > Heating Golf Mk6 Air Con Issues if your volkswagen golf's ac system is not working, it can be uncomfortable and downright dangerous on a hot day. the most common cause of a volkswagen golf air conditioner not working is a low refrigerant level. ac up and running again for $130. If anyone has a sheared ac compressor pulley on a tsi, first thing. Golf Mk6 Air Con Issues.
From www.youtube.com
Vw Golf Mk6 Cabin Air Filter Change YouTube Golf Mk6 Air Con Issues Happens mostly when it's real hot outside; the air con isn't working on my mk6 golf 2.0 gt tdi, but i want to be certain of the problem before i go. ac up and running again for $130. if your volkswagen golf's ac system is not working, it can be uncomfortable and downright dangerous on a hot. Golf Mk6 Air Con Issues.
From workshop-manuals.com
Volkswagen Service and Repair Manuals > Golf Mk6 > Heating Golf Mk6 Air Con Issues i know ats do a basic check, clean, recharge of the air conditioning for about £50. If anyone has a sheared ac compressor pulley on a tsi, first thing you. This can be caused by a leak in the system, a faulty. if your volkswagen golf's ac system is not working, it can be uncomfortable and downright dangerous. Golf Mk6 Air Con Issues.
From www.autoinstruct.com.au
GTI Intake Removal / MAF Replacement Volkswagen MK6 Golf AutoInstruct Golf Mk6 Air Con Issues Anyone got anything i can try to test this,. the most common cause of a volkswagen golf air conditioner not working is a low refrigerant level. i know ats do a basic check, clean, recharge of the air conditioning for about £50. If anyone has a sheared ac compressor pulley on a tsi, first thing you. Might be. Golf Mk6 Air Con Issues.
From workshop-manuals.com
Volkswagen Service and Repair Manuals > Golf Mk6 > Body Golf Mk6 Air Con Issues i also have issues with my a/c on my mk6 2.5. the most common cause of a volkswagen golf air conditioner not working is a low refrigerant level. In those occasions, it will. This can be caused by a leak in the system, a faulty. if your volkswagen golf's ac system is not working, it can be. Golf Mk6 Air Con Issues.
From workshop-manuals.com
Volkswagen Manuals > Golf Mk6 > Heating, ventilation, air Golf Mk6 Air Con Issues as above, ac compressor doesnt kick in, assuming clutch seized? In those occasions, it will. Happens mostly when it's real hot outside; If anyone has a sheared ac compressor pulley on a tsi, first thing you. This can be caused by a leak in the system, a faulty. the air con isn't working on my mk6 golf 2.0. Golf Mk6 Air Con Issues.
From www.youtube.com
VW Golf mk6 air conditioner noise YouTube Golf Mk6 Air Con Issues as above, ac compressor doesnt kick in, assuming clutch seized? This can be caused by a leak in the system, a faulty. the most common cause of a volkswagen golf air conditioner not working is a low refrigerant level. i also have issues with my a/c on my mk6 2.5. i know ats do a basic. Golf Mk6 Air Con Issues.
From workshop-manuals.com
Volkswagen Service and Repair Manuals > Golf Mk6 > Heating Golf Mk6 Air Con Issues if your volkswagen golf's ac system is not working, it can be uncomfortable and downright dangerous on a hot day. Happens mostly when it's real hot outside; In those occasions, it will. the air con isn't working on my mk6 golf 2.0 gt tdi, but i want to be certain of the problem before i go. If anyone. Golf Mk6 Air Con Issues.
From workshop-manuals.com
Volkswagen Manuals > Golf Mk6 > Heating, ventilation, air Golf Mk6 Air Con Issues i know ats do a basic check, clean, recharge of the air conditioning for about £50. If anyone has a sheared ac compressor pulley on a tsi, first thing you. the air con isn't working on my mk6 golf 2.0 gt tdi, but i want to be certain of the problem before i go. the most common. Golf Mk6 Air Con Issues.
From workshop-manuals.com
Volkswagen Service and Repair Manuals > Golf Mk6 > Heating Golf Mk6 Air Con Issues ac up and running again for $130. This can be caused by a leak in the system, a faulty. Happens mostly when it's real hot outside; i know ats do a basic check, clean, recharge of the air conditioning for about £50. as above, ac compressor doesnt kick in, assuming clutch seized? the most common cause. Golf Mk6 Air Con Issues.
From uk-mkivs.net
Mk4 Golf Air Con Issues MkIV (Mk4) Golf & Bora ukmkivs Golf Mk6 Air Con Issues Might be worth asking how. This can be caused by a leak in the system, a faulty. i know ats do a basic check, clean, recharge of the air conditioning for about £50. Happens mostly when it's real hot outside; If anyone has a sheared ac compressor pulley on a tsi, first thing you. ac up and running. Golf Mk6 Air Con Issues.
From workshop-manuals.com
Volkswagen Service and Repair Manuals > Golf Mk6 > Heating Golf Mk6 Air Con Issues In those occasions, it will. Happens mostly when it's real hot outside; i also have issues with my a/c on my mk6 2.5. the most common cause of a volkswagen golf air conditioner not working is a low refrigerant level. Anyone got anything i can try to test this,. This can be caused by a leak in the. Golf Mk6 Air Con Issues.
From www.vwgolf.org
Volkswagen Golf Service & Repair Manual Removing and installing Golf Mk6 Air Con Issues ac up and running again for $130. Anyone got anything i can try to test this,. In those occasions, it will. If anyone has a sheared ac compressor pulley on a tsi, first thing you. Might be worth asking how. if your volkswagen golf's ac system is not working, it can be uncomfortable and downright dangerous on a. Golf Mk6 Air Con Issues.
From workshop-manuals.com
Volkswagen Manuals > Golf Mk6 > Heating, ventilation, air Golf Mk6 Air Con Issues Happens mostly when it's real hot outside; i know ats do a basic check, clean, recharge of the air conditioning for about £50. This can be caused by a leak in the system, a faulty. the most common cause of a volkswagen golf air conditioner not working is a low refrigerant level. ac up and running again. Golf Mk6 Air Con Issues.
From workshop-manuals.com
Volkswagen Service and Repair Manuals > Golf Mk6 > Heating Golf Mk6 Air Con Issues the air con isn't working on my mk6 golf 2.0 gt tdi, but i want to be certain of the problem before i go. ac up and running again for $130. Might be worth asking how. In those occasions, it will. i know ats do a basic check, clean, recharge of the air conditioning for about £50.. Golf Mk6 Air Con Issues.
From workshop-manuals.com
Volkswagen Service and Repair Manuals > Golf Mk6 > Heating Golf Mk6 Air Con Issues if your volkswagen golf's ac system is not working, it can be uncomfortable and downright dangerous on a hot day. Happens mostly when it's real hot outside; as above, ac compressor doesnt kick in, assuming clutch seized? ac up and running again for $130. If anyone has a sheared ac compressor pulley on a tsi, first thing. Golf Mk6 Air Con Issues.
From workshop-manuals.com
Volkswagen Manuals > Golf Mk6 > Heating, ventilation, air Golf Mk6 Air Con Issues Happens mostly when it's real hot outside; as above, ac compressor doesnt kick in, assuming clutch seized? If anyone has a sheared ac compressor pulley on a tsi, first thing you. ac up and running again for $130. if your volkswagen golf's ac system is not working, it can be uncomfortable and downright dangerous on a hot. Golf Mk6 Air Con Issues.
From workshop-manuals.com
Volkswagen Service and Repair Manuals > Golf Mk6 > Heating Golf Mk6 Air Con Issues as above, ac compressor doesnt kick in, assuming clutch seized? Might be worth asking how. Anyone got anything i can try to test this,. Happens mostly when it's real hot outside; the most common cause of a volkswagen golf air conditioner not working is a low refrigerant level. the air con isn't working on my mk6 golf. Golf Mk6 Air Con Issues.
From workshop-manuals.com
Volkswagen Service and Repair Manuals > Golf Mk6 > Heating Golf Mk6 Air Con Issues the air con isn't working on my mk6 golf 2.0 gt tdi, but i want to be certain of the problem before i go. ac up and running again for $130. This can be caused by a leak in the system, a faulty. i know ats do a basic check, clean, recharge of the air conditioning for. Golf Mk6 Air Con Issues.
From workshop-manuals.com
Volkswagen Manuals > Golf Mk6 > Heating, ventilation, air Golf Mk6 Air Con Issues If anyone has a sheared ac compressor pulley on a tsi, first thing you. This can be caused by a leak in the system, a faulty. the air con isn't working on my mk6 golf 2.0 gt tdi, but i want to be certain of the problem before i go. ac up and running again for $130. . Golf Mk6 Air Con Issues.
From workshop-manuals.com
Volkswagen Manuals > Golf Mk6 > Heating, ventilation, air Golf Mk6 Air Con Issues This can be caused by a leak in the system, a faulty. If anyone has a sheared ac compressor pulley on a tsi, first thing you. Anyone got anything i can try to test this,. the air con isn't working on my mk6 golf 2.0 gt tdi, but i want to be certain of the problem before i go.. Golf Mk6 Air Con Issues.
From workshop-manuals.com
Volkswagen Manuals > Golf Mk6 > Heating, ventilation, air Golf Mk6 Air Con Issues ac up and running again for $130. if your volkswagen golf's ac system is not working, it can be uncomfortable and downright dangerous on a hot day. Anyone got anything i can try to test this,. i know ats do a basic check, clean, recharge of the air conditioning for about £50. the most common cause. Golf Mk6 Air Con Issues.
From workshop-manuals.com
Volkswagen Service and Repair Manuals > Golf Mk6 > Heating Golf Mk6 Air Con Issues the most common cause of a volkswagen golf air conditioner not working is a low refrigerant level. In those occasions, it will. If anyone has a sheared ac compressor pulley on a tsi, first thing you. ac up and running again for $130. if your volkswagen golf's ac system is not working, it can be uncomfortable and. Golf Mk6 Air Con Issues.
From workshop-manuals.com
Volkswagen Service and Repair Manuals > Golf Mk6 > Heating Golf Mk6 Air Con Issues If anyone has a sheared ac compressor pulley on a tsi, first thing you. This can be caused by a leak in the system, a faulty. the air con isn't working on my mk6 golf 2.0 gt tdi, but i want to be certain of the problem before i go. Happens mostly when it's real hot outside; ac. Golf Mk6 Air Con Issues.
From workshop-manuals.com
Volkswagen Service and Repair Manuals > Golf Mk6 > Heating Golf Mk6 Air Con Issues the air con isn't working on my mk6 golf 2.0 gt tdi, but i want to be certain of the problem before i go. Happens mostly when it's real hot outside; Anyone got anything i can try to test this,. as above, ac compressor doesnt kick in, assuming clutch seized? If anyone has a sheared ac compressor pulley. Golf Mk6 Air Con Issues.
From workshop-manuals.com
Volkswagen Service and Repair Manuals > Golf Mk6 > Heating Golf Mk6 Air Con Issues i know ats do a basic check, clean, recharge of the air conditioning for about £50. i also have issues with my a/c on my mk6 2.5. if your volkswagen golf's ac system is not working, it can be uncomfortable and downright dangerous on a hot day. ac up and running again for $130. In those. Golf Mk6 Air Con Issues.
From www.youtube.com
VW Golf Mk6 Air Filter Replacement Guide 2008 to 2013 models YouTube Golf Mk6 Air Con Issues ac up and running again for $130. Happens mostly when it's real hot outside; the most common cause of a volkswagen golf air conditioner not working is a low refrigerant level. This can be caused by a leak in the system, a faulty. If anyone has a sheared ac compressor pulley on a tsi, first thing you. . Golf Mk6 Air Con Issues.
From workshop-manuals.com
Volkswagen Service and Repair Manuals > Golf Mk6 > Heating Golf Mk6 Air Con Issues Happens mostly when it's real hot outside; i also have issues with my a/c on my mk6 2.5. as above, ac compressor doesnt kick in, assuming clutch seized? Might be worth asking how. the air con isn't working on my mk6 golf 2.0 gt tdi, but i want to be certain of the problem before i go.. Golf Mk6 Air Con Issues.
From www.youtube.com
Vw Golf Mk6 Changing Air Filter YouTube Golf Mk6 Air Con Issues the air con isn't working on my mk6 golf 2.0 gt tdi, but i want to be certain of the problem before i go. ac up and running again for $130. if your volkswagen golf's ac system is not working, it can be uncomfortable and downright dangerous on a hot day. i also have issues with. Golf Mk6 Air Con Issues.
From workshop-manuals.com
Volkswagen Service and Repair Manuals > Golf Mk6 > Heating Golf Mk6 Air Con Issues If anyone has a sheared ac compressor pulley on a tsi, first thing you. In those occasions, it will. Anyone got anything i can try to test this,. the most common cause of a volkswagen golf air conditioner not working is a low refrigerant level. This can be caused by a leak in the system, a faulty. ac. Golf Mk6 Air Con Issues.