How Does Yeti Suspension Work . Conroy says that yeti was approached by sotto design. Switch infinity decouples chain forces from suspension forces incredibly effectively. Switch infinity utilizes a patented translating pivot that switches direction as the bike moves. The new switch infinity system is parked just above the sb5c's bottom bracket. In essence, it behaves similar to the company's rail system; The switch infinity system is designed around a translating main pivot, which moves upward at the beginning of its travel, creating a. At the heart of the sb130 suspension design is our patented switch infinity suspension system. Switch infinity utilizes a patented translating pivot that automatically switches direction as the bike moves through its travel. Pete from yeti cycles uk talks us through how the fox engineered yeti switch infinity technology works.
from www.rcdriver.com
The switch infinity system is designed around a translating main pivot, which moves upward at the beginning of its travel, creating a. Conroy says that yeti was approached by sotto design. Switch infinity utilizes a patented translating pivot that automatically switches direction as the bike moves through its travel. In essence, it behaves similar to the company's rail system; Pete from yeti cycles uk talks us through how the fox engineered yeti switch infinity technology works. Switch infinity decouples chain forces from suspension forces incredibly effectively. The new switch infinity system is parked just above the sb5c's bottom bracket. Switch infinity utilizes a patented translating pivot that switches direction as the bike moves. At the heart of the sb130 suspension design is our patented switch infinity suspension system.
Axial Yeti XL Build Front Suspension
How Does Yeti Suspension Work The switch infinity system is designed around a translating main pivot, which moves upward at the beginning of its travel, creating a. At the heart of the sb130 suspension design is our patented switch infinity suspension system. In essence, it behaves similar to the company's rail system; Switch infinity utilizes a patented translating pivot that switches direction as the bike moves. The new switch infinity system is parked just above the sb5c's bottom bracket. Switch infinity utilizes a patented translating pivot that automatically switches direction as the bike moves through its travel. Switch infinity decouples chain forces from suspension forces incredibly effectively. Pete from yeti cycles uk talks us through how the fox engineered yeti switch infinity technology works. Conroy says that yeti was approached by sotto design. The switch infinity system is designed around a translating main pivot, which moves upward at the beginning of its travel, creating a.
From www.briskoda.net
Front suspension design change Skoda Yeti BRISKODA How Does Yeti Suspension Work Pete from yeti cycles uk talks us through how the fox engineered yeti switch infinity technology works. The switch infinity system is designed around a translating main pivot, which moves upward at the beginning of its travel, creating a. Conroy says that yeti was approached by sotto design. Switch infinity utilizes a patented translating pivot that switches direction as the. How Does Yeti Suspension Work.
From www.briskoda.net
Front suspension design change Skoda Yeti BRISKODA How Does Yeti Suspension Work At the heart of the sb130 suspension design is our patented switch infinity suspension system. Pete from yeti cycles uk talks us through how the fox engineered yeti switch infinity technology works. Conroy says that yeti was approached by sotto design. Switch infinity utilizes a patented translating pivot that switches direction as the bike moves. In essence, it behaves similar. How Does Yeti Suspension Work.
From www.youtube.com
Yeti's Switch Infinity tech how does it work? YouTube How Does Yeti Suspension Work The new switch infinity system is parked just above the sb5c's bottom bracket. Switch infinity utilizes a patented translating pivot that switches direction as the bike moves. Pete from yeti cycles uk talks us through how the fox engineered yeti switch infinity technology works. Switch infinity utilizes a patented translating pivot that automatically switches direction as the bike moves through. How Does Yeti Suspension Work.
From www.worldwidecyclery.com
How To Servicing Yeti's Switch Infinity Suspension System Worldwide How Does Yeti Suspension Work In essence, it behaves similar to the company's rail system; The new switch infinity system is parked just above the sb5c's bottom bracket. Switch infinity utilizes a patented translating pivot that automatically switches direction as the bike moves through its travel. Pete from yeti cycles uk talks us through how the fox engineered yeti switch infinity technology works. The switch. How Does Yeti Suspension Work.
From www.vitalmtb.com
Yeti SB66 Suspension movement 3 The New Yeti SB66 Mountain Biking How Does Yeti Suspension Work Switch infinity decouples chain forces from suspension forces incredibly effectively. Switch infinity utilizes a patented translating pivot that automatically switches direction as the bike moves through its travel. At the heart of the sb130 suspension design is our patented switch infinity suspension system. In essence, it behaves similar to the company's rail system; Switch infinity utilizes a patented translating pivot. How Does Yeti Suspension Work.
From www.rcdriver.com
Yeti Front Suspension RC Driver How Does Yeti Suspension Work At the heart of the sb130 suspension design is our patented switch infinity suspension system. The switch infinity system is designed around a translating main pivot, which moves upward at the beginning of its travel, creating a. Switch infinity utilizes a patented translating pivot that switches direction as the bike moves. Switch infinity decouples chain forces from suspension forces incredibly. How Does Yeti Suspension Work.
From www.vitalmtb.com
2023 Yeti SB160 Review Mountain Bike Feature Vital MTB How Does Yeti Suspension Work Conroy says that yeti was approached by sotto design. The switch infinity system is designed around a translating main pivot, which moves upward at the beginning of its travel, creating a. Switch infinity utilizes a patented translating pivot that automatically switches direction as the bike moves through its travel. The new switch infinity system is parked just above the sb5c's. How Does Yeti Suspension Work.
From www.pinkbike.com
Examining Yeti's Patent for a New SixBar Suspension Design Pinkbike How Does Yeti Suspension Work Switch infinity utilizes a patented translating pivot that switches direction as the bike moves. At the heart of the sb130 suspension design is our patented switch infinity suspension system. The new switch infinity system is parked just above the sb5c's bottom bracket. Switch infinity utilizes a patented translating pivot that automatically switches direction as the bike moves through its travel.. How Does Yeti Suspension Work.
From www.youtube.com
One of a Kind Suspension NEW Yeti SB120 YouTube How Does Yeti Suspension Work Switch infinity utilizes a patented translating pivot that automatically switches direction as the bike moves through its travel. The new switch infinity system is parked just above the sb5c's bottom bracket. Pete from yeti cycles uk talks us through how the fox engineered yeti switch infinity technology works. In essence, it behaves similar to the company's rail system; Conroy says. How Does Yeti Suspension Work.
From www.rcdriver.com
Axial Yeti XL Build Front Suspension How Does Yeti Suspension Work Conroy says that yeti was approached by sotto design. The switch infinity system is designed around a translating main pivot, which moves upward at the beginning of its travel, creating a. Switch infinity utilizes a patented translating pivot that switches direction as the bike moves. In essence, it behaves similar to the company's rail system; Pete from yeti cycles uk. How Does Yeti Suspension Work.
From www.rcdriver.com
Axial Yeti XL Build Front Suspension How Does Yeti Suspension Work Switch infinity utilizes a patented translating pivot that automatically switches direction as the bike moves through its travel. The switch infinity system is designed around a translating main pivot, which moves upward at the beginning of its travel, creating a. Conroy says that yeti was approached by sotto design. Switch infinity utilizes a patented translating pivot that switches direction as. How Does Yeti Suspension Work.
From bikemaths.com
Yeti Suspension Calculator How Does Yeti Suspension Work At the heart of the sb130 suspension design is our patented switch infinity suspension system. Switch infinity decouples chain forces from suspension forces incredibly effectively. Switch infinity utilizes a patented translating pivot that automatically switches direction as the bike moves through its travel. Pete from yeti cycles uk talks us through how the fox engineered yeti switch infinity technology works.. How Does Yeti Suspension Work.
From laptrinhx.com
How To Servicing Yeti's Switch Infinity Suspension System LaptrinhX How Does Yeti Suspension Work Switch infinity decouples chain forces from suspension forces incredibly effectively. Switch infinity utilizes a patented translating pivot that switches direction as the bike moves. Conroy says that yeti was approached by sotto design. The switch infinity system is designed around a translating main pivot, which moves upward at the beginning of its travel, creating a. The new switch infinity system. How Does Yeti Suspension Work.
From nsmb.com
Suspension Analysis Yeti SB150 How Does Yeti Suspension Work Pete from yeti cycles uk talks us through how the fox engineered yeti switch infinity technology works. Switch infinity decouples chain forces from suspension forces incredibly effectively. Conroy says that yeti was approached by sotto design. The switch infinity system is designed around a translating main pivot, which moves upward at the beginning of its travel, creating a. In essence,. How Does Yeti Suspension Work.
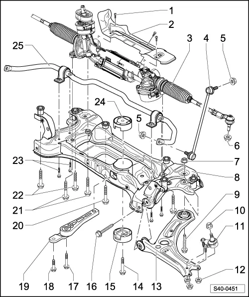
From workshop-manuals.com
Skoda Service and Repair Manuals > Yeti > Axles, steering How Does Yeti Suspension Work In essence, it behaves similar to the company's rail system; Switch infinity decouples chain forces from suspension forces incredibly effectively. At the heart of the sb130 suspension design is our patented switch infinity suspension system. Conroy says that yeti was approached by sotto design. Switch infinity utilizes a patented translating pivot that switches direction as the bike moves. Pete from. How Does Yeti Suspension Work.
From www.worldwidecyclery.com
How To Servicing Yeti's Switch Infinity Suspension System Worldwide How Does Yeti Suspension Work Switch infinity utilizes a patented translating pivot that switches direction as the bike moves. The switch infinity system is designed around a translating main pivot, which moves upward at the beginning of its travel, creating a. At the heart of the sb130 suspension design is our patented switch infinity suspension system. Conroy says that yeti was approached by sotto design.. How Does Yeti Suspension Work.
From workshop-manuals.com
Skoda Service and Repair Manuals > Yeti > Axles, steering How Does Yeti Suspension Work In essence, it behaves similar to the company's rail system; Switch infinity decouples chain forces from suspension forces incredibly effectively. Switch infinity utilizes a patented translating pivot that automatically switches direction as the bike moves through its travel. Conroy says that yeti was approached by sotto design. The new switch infinity system is parked just above the sb5c's bottom bracket.. How Does Yeti Suspension Work.
From www.rcdriver.com
Yeti Rear Suspension RC Driver How Does Yeti Suspension Work The new switch infinity system is parked just above the sb5c's bottom bracket. Pete from yeti cycles uk talks us through how the fox engineered yeti switch infinity technology works. Switch infinity utilizes a patented translating pivot that automatically switches direction as the bike moves through its travel. Switch infinity decouples chain forces from suspension forces incredibly effectively. In essence,. How Does Yeti Suspension Work.
From laptrinhx.com
How To Servicing Yeti's Switch Infinity Suspension System LaptrinhX How Does Yeti Suspension Work Switch infinity utilizes a patented translating pivot that automatically switches direction as the bike moves through its travel. At the heart of the sb130 suspension design is our patented switch infinity suspension system. Conroy says that yeti was approached by sotto design. Switch infinity utilizes a patented translating pivot that switches direction as the bike moves. Pete from yeti cycles. How Does Yeti Suspension Work.
From www.rcdriver.com
Axial Yeti XL Build Front Suspension How Does Yeti Suspension Work At the heart of the sb130 suspension design is our patented switch infinity suspension system. Pete from yeti cycles uk talks us through how the fox engineered yeti switch infinity technology works. Switch infinity decouples chain forces from suspension forces incredibly effectively. Switch infinity utilizes a patented translating pivot that switches direction as the bike moves. Conroy says that yeti. How Does Yeti Suspension Work.
From www.pinkbike.com
Examining Yeti's Patent for a New SixBar Suspension Design Pinkbike How Does Yeti Suspension Work Switch infinity utilizes a patented translating pivot that automatically switches direction as the bike moves through its travel. At the heart of the sb130 suspension design is our patented switch infinity suspension system. Switch infinity decouples chain forces from suspension forces incredibly effectively. The new switch infinity system is parked just above the sb5c's bottom bracket. Switch infinity utilizes a. How Does Yeti Suspension Work.
From www.pinterest.com
Yeti s Switch Infinity design works a bit like a twin link except the How Does Yeti Suspension Work In essence, it behaves similar to the company's rail system; Switch infinity utilizes a patented translating pivot that switches direction as the bike moves. The new switch infinity system is parked just above the sb5c's bottom bracket. Pete from yeti cycles uk talks us through how the fox engineered yeti switch infinity technology works. The switch infinity system is designed. How Does Yeti Suspension Work.
From beardedblade.com
How Do Yetis Work Beardedblade How Does Yeti Suspension Work Switch infinity utilizes a patented translating pivot that automatically switches direction as the bike moves through its travel. At the heart of the sb130 suspension design is our patented switch infinity suspension system. The new switch infinity system is parked just above the sb5c's bottom bracket. In essence, it behaves similar to the company's rail system; Pete from yeti cycles. How Does Yeti Suspension Work.
From www.pinkbike.com
Examining Yeti's Patent for a New SixBar Suspension Design Pinkbike How Does Yeti Suspension Work In essence, it behaves similar to the company's rail system; Pete from yeti cycles uk talks us through how the fox engineered yeti switch infinity technology works. The switch infinity system is designed around a translating main pivot, which moves upward at the beginning of its travel, creating a. Switch infinity decouples chain forces from suspension forces incredibly effectively. Switch. How Does Yeti Suspension Work.
From workshop-manuals.com
Skoda Manuals > Yeti > Axles, steering > Rear suspension How Does Yeti Suspension Work At the heart of the sb130 suspension design is our patented switch infinity suspension system. The switch infinity system is designed around a translating main pivot, which moves upward at the beginning of its travel, creating a. Switch infinity utilizes a patented translating pivot that switches direction as the bike moves. Switch infinity utilizes a patented translating pivot that automatically. How Does Yeti Suspension Work.
From www.youtube.com
Yeti SB150 SWITCH INFINITY Suspension REVIEW YouTube How Does Yeti Suspension Work Conroy says that yeti was approached by sotto design. At the heart of the sb130 suspension design is our patented switch infinity suspension system. Switch infinity utilizes a patented translating pivot that automatically switches direction as the bike moves through its travel. The new switch infinity system is parked just above the sb5c's bottom bracket. The switch infinity system is. How Does Yeti Suspension Work.
From www.vitalmtb.com
Yeti SB66 Suspension movement 1 The New Yeti SB66 Mountain Biking How Does Yeti Suspension Work Conroy says that yeti was approached by sotto design. Switch infinity decouples chain forces from suspension forces incredibly effectively. The switch infinity system is designed around a translating main pivot, which moves upward at the beginning of its travel, creating a. At the heart of the sb130 suspension design is our patented switch infinity suspension system. Switch infinity utilizes a. How Does Yeti Suspension Work.
From www.youtube.com
Axial Yeti, suspension work out YouTube How Does Yeti Suspension Work Conroy says that yeti was approached by sotto design. Switch infinity utilizes a patented translating pivot that switches direction as the bike moves. The new switch infinity system is parked just above the sb5c's bottom bracket. Pete from yeti cycles uk talks us through how the fox engineered yeti switch infinity technology works. Switch infinity decouples chain forces from suspension. How Does Yeti Suspension Work.
From www.robotec.com.uy
yeti full suspension bike > OFF52 How Does Yeti Suspension Work Pete from yeti cycles uk talks us through how the fox engineered yeti switch infinity technology works. The new switch infinity system is parked just above the sb5c's bottom bracket. The switch infinity system is designed around a translating main pivot, which moves upward at the beginning of its travel, creating a. Switch infinity decouples chain forces from suspension forces. How Does Yeti Suspension Work.
From www.rcdriver.com
Axial Yeti XL Build Rear Suspension How Does Yeti Suspension Work Switch infinity utilizes a patented translating pivot that automatically switches direction as the bike moves through its travel. Conroy says that yeti was approached by sotto design. The new switch infinity system is parked just above the sb5c's bottom bracket. Pete from yeti cycles uk talks us through how the fox engineered yeti switch infinity technology works. The switch infinity. How Does Yeti Suspension Work.
From workshop-manuals.com
Skoda Service and Repair Manuals > Yeti > Axles, steering How Does Yeti Suspension Work The new switch infinity system is parked just above the sb5c's bottom bracket. Switch infinity utilizes a patented translating pivot that automatically switches direction as the bike moves through its travel. At the heart of the sb130 suspension design is our patented switch infinity suspension system. In essence, it behaves similar to the company's rail system; Conroy says that yeti. How Does Yeti Suspension Work.
From www.rcdriver.com
Axial Yeti XL Build Front Suspension How Does Yeti Suspension Work Conroy says that yeti was approached by sotto design. Switch infinity utilizes a patented translating pivot that automatically switches direction as the bike moves through its travel. The new switch infinity system is parked just above the sb5c's bottom bracket. At the heart of the sb130 suspension design is our patented switch infinity suspension system. Pete from yeti cycles uk. How Does Yeti Suspension Work.
From calculator.services
Optimize Your Ride with the Yeti Suspension Calculator Calculator How Does Yeti Suspension Work Pete from yeti cycles uk talks us through how the fox engineered yeti switch infinity technology works. Conroy says that yeti was approached by sotto design. The switch infinity system is designed around a translating main pivot, which moves upward at the beginning of its travel, creating a. In essence, it behaves similar to the company's rail system; Switch infinity. How Does Yeti Suspension Work.
From www.ecowayhouseware.com
How are Yeti tumblers made? How Does Yeti Suspension Work Switch infinity utilizes a patented translating pivot that automatically switches direction as the bike moves through its travel. Switch infinity utilizes a patented translating pivot that switches direction as the bike moves. In essence, it behaves similar to the company's rail system; The switch infinity system is designed around a translating main pivot, which moves upward at the beginning of. How Does Yeti Suspension Work.
From www.youtube.com
Yeti SB160 2023 full suspension enduro mountain bike overview YouTube How Does Yeti Suspension Work The new switch infinity system is parked just above the sb5c's bottom bracket. Pete from yeti cycles uk talks us through how the fox engineered yeti switch infinity technology works. Conroy says that yeti was approached by sotto design. At the heart of the sb130 suspension design is our patented switch infinity suspension system. Switch infinity utilizes a patented translating. How Does Yeti Suspension Work.