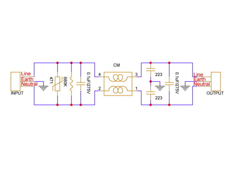
Ac Line Filter Working . They also protect expensive circuitry from potentially damaging. Powerline filters remove impurities and artifacts from the ac line. Essentially, an ac power or mains emi filter is a low pass filter that blocks the flow of “noise” while passing the desired input which can be. Emi filters only extract and remove offending noise components that can cause electromagnetic noise from electric currents that conduct. K1 is the common mode line choke which filters out common mode signals and lets differential signals pass. The ac line filter can help to keep external transients and spikes on the power line from entering the product enclosure.
from www.youtube.com
Emi filters only extract and remove offending noise components that can cause electromagnetic noise from electric currents that conduct. K1 is the common mode line choke which filters out common mode signals and lets differential signals pass. Powerline filters remove impurities and artifacts from the ac line. They also protect expensive circuitry from potentially damaging. The ac line filter can help to keep external transients and spikes on the power line from entering the product enclosure. Essentially, an ac power or mains emi filter is a low pass filter that blocks the flow of “noise” while passing the desired input which can be.
What's Inside A Filter Drier How it works hvac YouTube
Ac Line Filter Working They also protect expensive circuitry from potentially damaging. K1 is the common mode line choke which filters out common mode signals and lets differential signals pass. The ac line filter can help to keep external transients and spikes on the power line from entering the product enclosure. Essentially, an ac power or mains emi filter is a low pass filter that blocks the flow of “noise” while passing the desired input which can be. They also protect expensive circuitry from potentially damaging. Powerline filters remove impurities and artifacts from the ac line. Emi filters only extract and remove offending noise components that can cause electromagnetic noise from electric currents that conduct.
From passive-components.eu
AC Line Filters and Insertion Loss Explained Ac Line Filter Working Emi filters only extract and remove offending noise components that can cause electromagnetic noise from electric currents that conduct. The ac line filter can help to keep external transients and spikes on the power line from entering the product enclosure. K1 is the common mode line choke which filters out common mode signals and lets differential signals pass. Essentially, an. Ac Line Filter Working.
From passive-components.eu
Modular AC line EMI filters explained Ac Line Filter Working K1 is the common mode line choke which filters out common mode signals and lets differential signals pass. They also protect expensive circuitry from potentially damaging. Powerline filters remove impurities and artifacts from the ac line. Emi filters only extract and remove offending noise components that can cause electromagnetic noise from electric currents that conduct. The ac line filter can. Ac Line Filter Working.
From cielowigle.com
AC Air Filter Guide to Boost Your Air Conditioner’s Performance Ac Line Filter Working Powerline filters remove impurities and artifacts from the ac line. The ac line filter can help to keep external transients and spikes on the power line from entering the product enclosure. Essentially, an ac power or mains emi filter is a low pass filter that blocks the flow of “noise” while passing the desired input which can be. They also. Ac Line Filter Working.
From knnit.com
AC Line Filters and Insertion Loss. Which Factors Play a Role? Guides Ac Line Filter Working Emi filters only extract and remove offending noise components that can cause electromagnetic noise from electric currents that conduct. The ac line filter can help to keep external transients and spikes on the power line from entering the product enclosure. K1 is the common mode line choke which filters out common mode signals and lets differential signals pass. Essentially, an. Ac Line Filter Working.
From www.youtube.com
3 Major parameters while selecting 3 Phase AC Line filter YouTube Ac Line Filter Working Powerline filters remove impurities and artifacts from the ac line. K1 is the common mode line choke which filters out common mode signals and lets differential signals pass. Essentially, an ac power or mains emi filter is a low pass filter that blocks the flow of “noise” while passing the desired input which can be. The ac line filter can. Ac Line Filter Working.
From fares-pcb.com
10A AC Line Filter Fares PCB Ac Line Filter Working Powerline filters remove impurities and artifacts from the ac line. The ac line filter can help to keep external transients and spikes on the power line from entering the product enclosure. Emi filters only extract and remove offending noise components that can cause electromagnetic noise from electric currents that conduct. K1 is the common mode line choke which filters out. Ac Line Filter Working.
From www.youtube.com
AC Line Filter Repair Krna AC line Filter ki WorkingAC line filter Ac Line Filter Working K1 is the common mode line choke which filters out common mode signals and lets differential signals pass. Powerline filters remove impurities and artifacts from the ac line. They also protect expensive circuitry from potentially damaging. Emi filters only extract and remove offending noise components that can cause electromagnetic noise from electric currents that conduct. Essentially, an ac power or. Ac Line Filter Working.
From www.plexflo.com
How to design harmonic filters for large power systems Ac Line Filter Working Powerline filters remove impurities and artifacts from the ac line. Emi filters only extract and remove offending noise components that can cause electromagnetic noise from electric currents that conduct. They also protect expensive circuitry from potentially damaging. K1 is the common mode line choke which filters out common mode signals and lets differential signals pass. Essentially, an ac power or. Ac Line Filter Working.
From www.youtube.com
What's Inside A Filter Drier How it works hvac YouTube Ac Line Filter Working Essentially, an ac power or mains emi filter is a low pass filter that blocks the flow of “noise” while passing the desired input which can be. Emi filters only extract and remove offending noise components that can cause electromagnetic noise from electric currents that conduct. The ac line filter can help to keep external transients and spikes on the. Ac Line Filter Working.
From electronics.stackexchange.com
AC power line filter no load current consumption Electrical Ac Line Filter Working K1 is the common mode line choke which filters out common mode signals and lets differential signals pass. Powerline filters remove impurities and artifacts from the ac line. The ac line filter can help to keep external transients and spikes on the power line from entering the product enclosure. They also protect expensive circuitry from potentially damaging. Essentially, an ac. Ac Line Filter Working.
From www.layla-ec.com
1000000091_173568591858 Vicor 20011101 AC Line Filter Board PCB 24 Ac Line Filter Working Emi filters only extract and remove offending noise components that can cause electromagnetic noise from electric currents that conduct. They also protect expensive circuitry from potentially damaging. Essentially, an ac power or mains emi filter is a low pass filter that blocks the flow of “noise” while passing the desired input which can be. K1 is the common mode line. Ac Line Filter Working.
From fixmanualmarie101.z19.web.core.windows.net
Ac Line Filter Circuit Diagram Ac Line Filter Working The ac line filter can help to keep external transients and spikes on the power line from entering the product enclosure. Essentially, an ac power or mains emi filter is a low pass filter that blocks the flow of “noise” while passing the desired input which can be. Emi filters only extract and remove offending noise components that can cause. Ac Line Filter Working.
From alysschav.blogspot.com
☑ Common Mode Choke Coilsline Filters For Ac Power Supply Ac Line Filter Working The ac line filter can help to keep external transients and spikes on the power line from entering the product enclosure. Essentially, an ac power or mains emi filter is a low pass filter that blocks the flow of “noise” while passing the desired input which can be. Emi filters only extract and remove offending noise components that can cause. Ac Line Filter Working.
From www.ednasia.com
Match modular EMI AC line filters to application’s DC supply needs Ac Line Filter Working They also protect expensive circuitry from potentially damaging. Essentially, an ac power or mains emi filter is a low pass filter that blocks the flow of “noise” while passing the desired input which can be. Powerline filters remove impurities and artifacts from the ac line. K1 is the common mode line choke which filters out common mode signals and lets. Ac Line Filter Working.
From www.ultrafinecopperwire.com
500uH Power Line Filter High Frequency Ferrite Core AC Reactor 25A Ac Line Filter Working K1 is the common mode line choke which filters out common mode signals and lets differential signals pass. Powerline filters remove impurities and artifacts from the ac line. Emi filters only extract and remove offending noise components that can cause electromagnetic noise from electric currents that conduct. The ac line filter can help to keep external transients and spikes on. Ac Line Filter Working.
From www.synqor.com
Industrial AC Line Filters SynQor Ac Line Filter Working The ac line filter can help to keep external transients and spikes on the power line from entering the product enclosure. K1 is the common mode line choke which filters out common mode signals and lets differential signals pass. Powerline filters remove impurities and artifacts from the ac line. Essentially, an ac power or mains emi filter is a low. Ac Line Filter Working.
From passive-components.eu
What is a AC line filter Kemet Video Ac Line Filter Working K1 is the common mode line choke which filters out common mode signals and lets differential signals pass. They also protect expensive circuitry from potentially damaging. Powerline filters remove impurities and artifacts from the ac line. Emi filters only extract and remove offending noise components that can cause electromagnetic noise from electric currents that conduct. Essentially, an ac power or. Ac Line Filter Working.
From itecnotes.com
How to simulate an AC line filter in LT Spice Valuable Tech Notes Ac Line Filter Working K1 is the common mode line choke which filters out common mode signals and lets differential signals pass. Emi filters only extract and remove offending noise components that can cause electromagnetic noise from electric currents that conduct. Powerline filters remove impurities and artifacts from the ac line. They also protect expensive circuitry from potentially damaging. The ac line filter can. Ac Line Filter Working.
From www.audiosciencereview.com
Simple AC mains line filters (DIY, Schaffner) and some measurements Ac Line Filter Working They also protect expensive circuitry from potentially damaging. Essentially, an ac power or mains emi filter is a low pass filter that blocks the flow of “noise” while passing the desired input which can be. The ac line filter can help to keep external transients and spikes on the power line from entering the product enclosure. Emi filters only extract. Ac Line Filter Working.
From diagramlibrarysei.z5.web.core.windows.net
Ac Line Filter Circuit Diagram Ac Line Filter Working They also protect expensive circuitry from potentially damaging. Essentially, an ac power or mains emi filter is a low pass filter that blocks the flow of “noise” while passing the desired input which can be. The ac line filter can help to keep external transients and spikes on the power line from entering the product enclosure. Emi filters only extract. Ac Line Filter Working.
From www.audiosciencereview.com
Simple AC mains line filters (DIY, Schaffner) and some measurements Ac Line Filter Working Essentially, an ac power or mains emi filter is a low pass filter that blocks the flow of “noise” while passing the desired input which can be. Powerline filters remove impurities and artifacts from the ac line. Emi filters only extract and remove offending noise components that can cause electromagnetic noise from electric currents that conduct. K1 is the common. Ac Line Filter Working.
From fares-pcb.com
10A AC Line Filter Fares PCB Ac Line Filter Working Powerline filters remove impurities and artifacts from the ac line. K1 is the common mode line choke which filters out common mode signals and lets differential signals pass. Emi filters only extract and remove offending noise components that can cause electromagnetic noise from electric currents that conduct. Essentially, an ac power or mains emi filter is a low pass filter. Ac Line Filter Working.
From www.galmicheandsons.com
How Do HVAC Filters Work? St. Louis HVAC Tips and FAQs Ac Line Filter Working Essentially, an ac power or mains emi filter is a low pass filter that blocks the flow of “noise” while passing the desired input which can be. Powerline filters remove impurities and artifacts from the ac line. The ac line filter can help to keep external transients and spikes on the power line from entering the product enclosure. Emi filters. Ac Line Filter Working.
From manualdiagramausterlitz.z19.web.core.windows.net
Ac Line Filter Circuit Diagram Ac Line Filter Working K1 is the common mode line choke which filters out common mode signals and lets differential signals pass. Essentially, an ac power or mains emi filter is a low pass filter that blocks the flow of “noise” while passing the desired input which can be. The ac line filter can help to keep external transients and spikes on the power. Ac Line Filter Working.
From guidedbcindy.z21.web.core.windows.net
Line Filters For Ac Power Ac Line Filter Working Essentially, an ac power or mains emi filter is a low pass filter that blocks the flow of “noise” while passing the desired input which can be. K1 is the common mode line choke which filters out common mode signals and lets differential signals pass. The ac line filter can help to keep external transients and spikes on the power. Ac Line Filter Working.
From www.youtube.com
AC FILTER CLEANING STEP BY STEP AT HOME VOLTAS SPLIT AC FILTER Ac Line Filter Working Emi filters only extract and remove offending noise components that can cause electromagnetic noise from electric currents that conduct. Essentially, an ac power or mains emi filter is a low pass filter that blocks the flow of “noise” while passing the desired input which can be. K1 is the common mode line choke which filters out common mode signals and. Ac Line Filter Working.
From www.youtube.com
What is an AC Line Filter? YouTube Ac Line Filter Working Essentially, an ac power or mains emi filter is a low pass filter that blocks the flow of “noise” while passing the desired input which can be. They also protect expensive circuitry from potentially damaging. The ac line filter can help to keep external transients and spikes on the power line from entering the product enclosure. Powerline filters remove impurities. Ac Line Filter Working.
From www.circuitdiagram.co
Capacitor Filter Circuit Circuit Diagram Ac Line Filter Working K1 is the common mode line choke which filters out common mode signals and lets differential signals pass. Powerline filters remove impurities and artifacts from the ac line. Emi filters only extract and remove offending noise components that can cause electromagnetic noise from electric currents that conduct. Essentially, an ac power or mains emi filter is a low pass filter. Ac Line Filter Working.
From totalairservice.com
The Different Types of Ac Filters for Your Home or Office Ac Line Filter Working The ac line filter can help to keep external transients and spikes on the power line from entering the product enclosure. Powerline filters remove impurities and artifacts from the ac line. K1 is the common mode line choke which filters out common mode signals and lets differential signals pass. Emi filters only extract and remove offending noise components that can. Ac Line Filter Working.
From hvactrainingshop.com
HVAC Air Filter Direction Which Way Does the Air Filter Go? HVAC Ac Line Filter Working The ac line filter can help to keep external transients and spikes on the power line from entering the product enclosure. They also protect expensive circuitry from potentially damaging. Essentially, an ac power or mains emi filter is a low pass filter that blocks the flow of “noise” while passing the desired input which can be. K1 is the common. Ac Line Filter Working.
From electronics.stackexchange.com
emi filtering How to design an EMI Filter for AC/DC PSU Electrical Ac Line Filter Working Essentially, an ac power or mains emi filter is a low pass filter that blocks the flow of “noise” while passing the desired input which can be. K1 is the common mode line choke which filters out common mode signals and lets differential signals pass. They also protect expensive circuitry from potentially damaging. Powerline filters remove impurities and artifacts from. Ac Line Filter Working.
From itecnotes.com
Electrical How to connect an AC line filter Valuable Tech Notes Ac Line Filter Working K1 is the common mode line choke which filters out common mode signals and lets differential signals pass. Emi filters only extract and remove offending noise components that can cause electromagnetic noise from electric currents that conduct. Essentially, an ac power or mains emi filter is a low pass filter that blocks the flow of “noise” while passing the desired. Ac Line Filter Working.
From www.tcair.com.au
A StepbyStep Guide to Cleaning Your AC Filters TC Air Ac Line Filter Working Essentially, an ac power or mains emi filter is a low pass filter that blocks the flow of “noise” while passing the desired input which can be. They also protect expensive circuitry from potentially damaging. Powerline filters remove impurities and artifacts from the ac line. K1 is the common mode line choke which filters out common mode signals and lets. Ac Line Filter Working.
From inndesigns.github.io
18 Simple Ac line filter design Trend in 2021 Best Design Ideas Ac Line Filter Working Essentially, an ac power or mains emi filter is a low pass filter that blocks the flow of “noise” while passing the desired input which can be. Emi filters only extract and remove offending noise components that can cause electromagnetic noise from electric currents that conduct. The ac line filter can help to keep external transients and spikes on the. Ac Line Filter Working.
From www.mouser.com
AC Line Filters KEMET Mouser Ac Line Filter Working Powerline filters remove impurities and artifacts from the ac line. Essentially, an ac power or mains emi filter is a low pass filter that blocks the flow of “noise” while passing the desired input which can be. The ac line filter can help to keep external transients and spikes on the power line from entering the product enclosure. They also. Ac Line Filter Working.