Spb Belt Pulley Dimensions . Wedge belt pulleys are designed to be used with wedge belts. D d 400 mm at v. Grade g 6,3 for ø d ≤ 400 mm at n = 1500 rpm, for ø d >. The list prices apply, to cast iron pulleys balanced in one plane as follows: They are produced in standard series and dimensions. Dimensions (mm) pti type 1 type 2 type 4 type 7 type 8 technical changes reserved, some items may not be available from stock. They are available with one or several grooves, enabling multiple.
from www.lewispulleys.com.au
They are produced in standard series and dimensions. Dimensions (mm) pti type 1 type 2 type 4 type 7 type 8 technical changes reserved, some items may not be available from stock. They are available with one or several grooves, enabling multiple. Grade g 6,3 for ø d ≤ 400 mm at n = 1500 rpm, for ø d >. Wedge belt pulleys are designed to be used with wedge belts. D d 400 mm at v. The list prices apply, to cast iron pulleys balanced in one plane as follows:
Metal Fabrication, Bearings, V Belt, Pulley and Ventilated Turbo Pulley
Spb Belt Pulley Dimensions Grade g 6,3 for ø d ≤ 400 mm at n = 1500 rpm, for ø d >. They are produced in standard series and dimensions. Wedge belt pulleys are designed to be used with wedge belts. They are available with one or several grooves, enabling multiple. D d 400 mm at v. Dimensions (mm) pti type 1 type 2 type 4 type 7 type 8 technical changes reserved, some items may not be available from stock. The list prices apply, to cast iron pulleys balanced in one plane as follows: Grade g 6,3 for ø d ≤ 400 mm at n = 1500 rpm, for ø d >.
From www.ebay.co.uk
V Grooved Pulley PU Round Belt Pulleys Aluminum For 6mm Width Belt OD Spb Belt Pulley Dimensions D d 400 mm at v. Wedge belt pulleys are designed to be used with wedge belts. The list prices apply, to cast iron pulleys balanced in one plane as follows: Dimensions (mm) pti type 1 type 2 type 4 type 7 type 8 technical changes reserved, some items may not be available from stock. They are available with one. Spb Belt Pulley Dimensions.
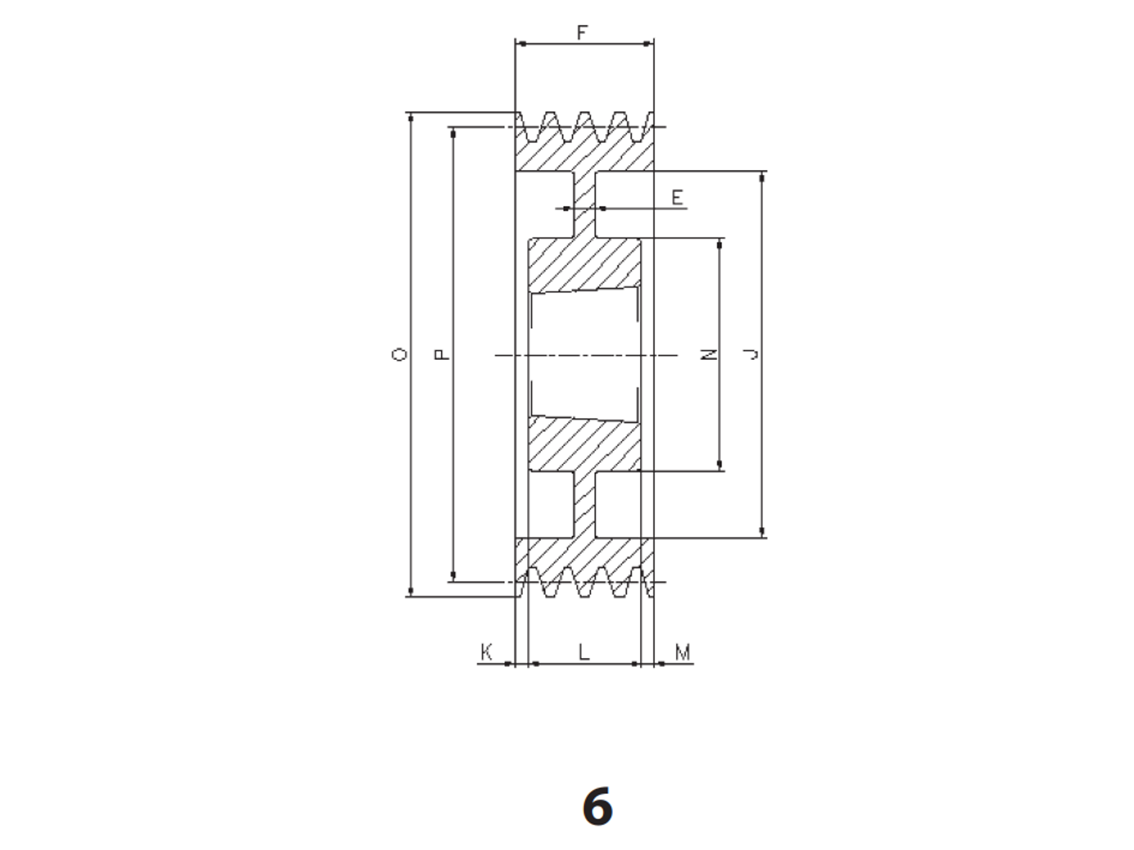
From www.motor-pump-ventilation.com
SPB pulley 1 groove Spb Belt Pulley Dimensions They are available with one or several grooves, enabling multiple. Wedge belt pulleys are designed to be used with wedge belts. Grade g 6,3 for ø d ≤ 400 mm at n = 1500 rpm, for ø d >. Dimensions (mm) pti type 1 type 2 type 4 type 7 type 8 technical changes reserved, some items may not be. Spb Belt Pulley Dimensions.
From www.wly-transmission.com
pulleyschina pulleys manufacturer Wly transmission ( sinodrive ) CO Spb Belt Pulley Dimensions Grade g 6,3 for ø d ≤ 400 mm at n = 1500 rpm, for ø d >. The list prices apply, to cast iron pulleys balanced in one plane as follows: They are produced in standard series and dimensions. They are available with one or several grooves, enabling multiple. D d 400 mm at v. Dimensions (mm) pti type. Spb Belt Pulley Dimensions.
From www.alibaba.com
Iron V Grooved Belt Pulley,Taper Bore Pulleys (spa,Spb Spb Belt Pulley Dimensions Grade g 6,3 for ø d ≤ 400 mm at n = 1500 rpm, for ø d >. They are available with one or several grooves, enabling multiple. The list prices apply, to cast iron pulleys balanced in one plane as follows: D d 400 mm at v. They are produced in standard series and dimensions. Dimensions (mm) pti type. Spb Belt Pulley Dimensions.
From nbcgroup.co.uk
NBC Group Pulleys Spb Belt Pulley Dimensions The list prices apply, to cast iron pulleys balanced in one plane as follows: Wedge belt pulleys are designed to be used with wedge belts. They are available with one or several grooves, enabling multiple. Grade g 6,3 for ø d ≤ 400 mm at n = 1500 rpm, for ø d >. D d 400 mm at v. Dimensions. Spb Belt Pulley Dimensions.
From www.motor-pump-ventilation.com
SPB pulley 2 grooves Spb Belt Pulley Dimensions The list prices apply, to cast iron pulleys balanced in one plane as follows: They are available with one or several grooves, enabling multiple. They are produced in standard series and dimensions. Wedge belt pulleys are designed to be used with wedge belts. Dimensions (mm) pti type 1 type 2 type 4 type 7 type 8 technical changes reserved, some. Spb Belt Pulley Dimensions.
From www.lewispulleys.com.au
Metal Fabrication, Bearings, V Belt, Pulley and Ventilated Turbo Pulley Spb Belt Pulley Dimensions Grade g 6,3 for ø d ≤ 400 mm at n = 1500 rpm, for ø d >. The list prices apply, to cast iron pulleys balanced in one plane as follows: They are produced in standard series and dimensions. Dimensions (mm) pti type 1 type 2 type 4 type 7 type 8 technical changes reserved, some items may not. Spb Belt Pulley Dimensions.
From www.transpower.co.uk
B / SPB Section Pulleys Transpower Drives Spb Belt Pulley Dimensions Dimensions (mm) pti type 1 type 2 type 4 type 7 type 8 technical changes reserved, some items may not be available from stock. Grade g 6,3 for ø d ≤ 400 mm at n = 1500 rpm, for ø d >. They are produced in standard series and dimensions. Wedge belt pulleys are designed to be used with wedge. Spb Belt Pulley Dimensions.
From es.made-in-china.com
Spb12505/VBelt Pulley with Taper Bushing/Conveyor Pulley/Timing Belt Spb Belt Pulley Dimensions Grade g 6,3 for ø d ≤ 400 mm at n = 1500 rpm, for ø d >. They are produced in standard series and dimensions. Wedge belt pulleys are designed to be used with wedge belts. D d 400 mm at v. They are available with one or several grooves, enabling multiple. Dimensions (mm) pti type 1 type 2. Spb Belt Pulley Dimensions.
From www.alibaba.com
European Standard Spb V Belt Pulleys All Sizes Buy V Belt Pulleys Spb Belt Pulley Dimensions D d 400 mm at v. The list prices apply, to cast iron pulleys balanced in one plane as follows: Wedge belt pulleys are designed to be used with wedge belts. Grade g 6,3 for ø d ≤ 400 mm at n = 1500 rpm, for ø d >. They are produced in standard series and dimensions. Dimensions (mm) pti. Spb Belt Pulley Dimensions.
From www.alibaba.com
Spb Belt 10 Grooves Large V Belt Pulley Wheels Buy Large V Belt Spb Belt Pulley Dimensions They are available with one or several grooves, enabling multiple. Wedge belt pulleys are designed to be used with wedge belts. Grade g 6,3 for ø d ≤ 400 mm at n = 1500 rpm, for ø d >. The list prices apply, to cast iron pulleys balanced in one plane as follows: They are produced in standard series and. Spb Belt Pulley Dimensions.
From www.btmintertech.com
btm taper bush pulley taper lock pulleys taper pulley qd bush pulleys v Spb Belt Pulley Dimensions Dimensions (mm) pti type 1 type 2 type 4 type 7 type 8 technical changes reserved, some items may not be available from stock. They are available with one or several grooves, enabling multiple. The list prices apply, to cast iron pulleys balanced in one plane as follows: D d 400 mm at v. Wedge belt pulleys are designed to. Spb Belt Pulley Dimensions.
From www.alibaba.com
Spc V Belt Pulley Customized Design Buy V Belt Pulley Design,Spc V Spb Belt Pulley Dimensions They are available with one or several grooves, enabling multiple. They are produced in standard series and dimensions. D d 400 mm at v. Dimensions (mm) pti type 1 type 2 type 4 type 7 type 8 technical changes reserved, some items may not be available from stock. The list prices apply, to cast iron pulleys balanced in one plane. Spb Belt Pulley Dimensions.
From www.pdfprof.com
PDF Pully, le 02.12.061 PDF Télécharger Download Spb Belt Pulley Dimensions Grade g 6,3 for ø d ≤ 400 mm at n = 1500 rpm, for ø d >. Wedge belt pulleys are designed to be used with wedge belts. They are available with one or several grooves, enabling multiple. Dimensions (mm) pti type 1 type 2 type 4 type 7 type 8 technical changes reserved, some items may not be. Spb Belt Pulley Dimensions.
From www.alibaba.com
Spz Spa Spb Spc Standard V Belt Pulley Dimensions Buy Standard V Belt Spb Belt Pulley Dimensions They are available with one or several grooves, enabling multiple. They are produced in standard series and dimensions. The list prices apply, to cast iron pulleys balanced in one plane as follows: Dimensions (mm) pti type 1 type 2 type 4 type 7 type 8 technical changes reserved, some items may not be available from stock. D d 400 mm. Spb Belt Pulley Dimensions.
From www.bearingrevolution.co.uk
SPB 355 10 T/L, Taperlock VBelt Pulley Bearing Revolution Spb Belt Pulley Dimensions D d 400 mm at v. Wedge belt pulleys are designed to be used with wedge belts. Grade g 6,3 for ø d ≤ 400 mm at n = 1500 rpm, for ø d >. They are produced in standard series and dimensions. Dimensions (mm) pti type 1 type 2 type 4 type 7 type 8 technical changes reserved, some. Spb Belt Pulley Dimensions.
From ehandel.mw.dk
BELT PULLEY SPB 3358 M. Wilhelmsen A/S Spb Belt Pulley Dimensions Wedge belt pulleys are designed to be used with wedge belts. They are available with one or several grooves, enabling multiple. Dimensions (mm) pti type 1 type 2 type 4 type 7 type 8 technical changes reserved, some items may not be available from stock. D d 400 mm at v. Grade g 6,3 for ø d ≤ 400 mm. Spb Belt Pulley Dimensions.
From www.power-transmissions.com
vbelt cast iron sheaves, VBelt Pulleys For Taper Bushes SPZ 3, V Belt Spb Belt Pulley Dimensions Dimensions (mm) pti type 1 type 2 type 4 type 7 type 8 technical changes reserved, some items may not be available from stock. D d 400 mm at v. They are produced in standard series and dimensions. They are available with one or several grooves, enabling multiple. The list prices apply, to cast iron pulleys balanced in one plane. Spb Belt Pulley Dimensions.
From www.alibaba.com
Cast Iron Spb Belt 8 Grooves Air Compressor V Belt Motor Pulley Buy Spb Belt Pulley Dimensions Grade g 6,3 for ø d ≤ 400 mm at n = 1500 rpm, for ø d >. Wedge belt pulleys are designed to be used with wedge belts. They are available with one or several grooves, enabling multiple. D d 400 mm at v. Dimensions (mm) pti type 1 type 2 type 4 type 7 type 8 technical changes. Spb Belt Pulley Dimensions.
From www.aimtools.co.uk
990360 Single Groove Electric Motor Belt Wheel Pulley Aluminium Aimtools Spb Belt Pulley Dimensions They are produced in standard series and dimensions. They are available with one or several grooves, enabling multiple. Grade g 6,3 for ø d ≤ 400 mm at n = 1500 rpm, for ø d >. Wedge belt pulleys are designed to be used with wedge belts. The list prices apply, to cast iron pulleys balanced in one plane as. Spb Belt Pulley Dimensions.
From www.wly-transmission.com
pulleysWly pulleys manufacturer WLYTRANSMISSION transmission CO.,Ltd. Spb Belt Pulley Dimensions D d 400 mm at v. They are available with one or several grooves, enabling multiple. The list prices apply, to cast iron pulleys balanced in one plane as follows: Wedge belt pulleys are designed to be used with wedge belts. Dimensions (mm) pti type 1 type 2 type 4 type 7 type 8 technical changes reserved, some items may. Spb Belt Pulley Dimensions.
From fixenginemokumokusc.z13.web.core.windows.net
Fan Belts By Size Spb Belt Pulley Dimensions The list prices apply, to cast iron pulleys balanced in one plane as follows: D d 400 mm at v. Grade g 6,3 for ø d ≤ 400 mm at n = 1500 rpm, for ø d >. They are available with one or several grooves, enabling multiple. Wedge belt pulleys are designed to be used with wedge belts. Dimensions. Spb Belt Pulley Dimensions.
From www.alibaba.com
V Belt Pulley P.m Spb/010 Buy V Belt Pulley P.m Spb/10,V Belt Pulleys Spb Belt Pulley Dimensions They are available with one or several grooves, enabling multiple. Grade g 6,3 for ø d ≤ 400 mm at n = 1500 rpm, for ø d >. Wedge belt pulleys are designed to be used with wedge belts. Dimensions (mm) pti type 1 type 2 type 4 type 7 type 8 technical changes reserved, some items may not be. Spb Belt Pulley Dimensions.
From www.power-transmissions.com
SPA, SPB, SPC, SPZ Locking Bush Belt Pulley, VBelt Pulleys For Taper Spb Belt Pulley Dimensions D d 400 mm at v. They are available with one or several grooves, enabling multiple. Dimensions (mm) pti type 1 type 2 type 4 type 7 type 8 technical changes reserved, some items may not be available from stock. Grade g 6,3 for ø d ≤ 400 mm at n = 1500 rpm, for ø d >. The list. Spb Belt Pulley Dimensions.
From kr.made-in-china.com
Spb25010/VBelt Pulley with Taper Bushing/Pulley/Conveyor Roller Spb Belt Pulley Dimensions The list prices apply, to cast iron pulleys balanced in one plane as follows: They are available with one or several grooves, enabling multiple. Wedge belt pulleys are designed to be used with wedge belts. Grade g 6,3 for ø d ≤ 400 mm at n = 1500 rpm, for ø d >. D d 400 mm at v. They. Spb Belt Pulley Dimensions.
From www.alibaba.com
V Belt Pulley P.m Spb/03 Buy V Belt Pulley P.m Spb/03,V Belt Pulleys Spb Belt Pulley Dimensions Dimensions (mm) pti type 1 type 2 type 4 type 7 type 8 technical changes reserved, some items may not be available from stock. They are available with one or several grooves, enabling multiple. Grade g 6,3 for ø d ≤ 400 mm at n = 1500 rpm, for ø d >. They are produced in standard series and dimensions.. Spb Belt Pulley Dimensions.
From maedlernorthamerica.com
Vbelt pulley material cast iron for taperbush 1210 profile XPZ, SPZ Spb Belt Pulley Dimensions Wedge belt pulleys are designed to be used with wedge belts. D d 400 mm at v. Dimensions (mm) pti type 1 type 2 type 4 type 7 type 8 technical changes reserved, some items may not be available from stock. They are available with one or several grooves, enabling multiple. Grade g 6,3 for ø d ≤ 400 mm. Spb Belt Pulley Dimensions.
From www.alibaba.com
European Standard Spz Spa Spb Spc Cast Iron Taper V Belt Pulley Buy V Spb Belt Pulley Dimensions Grade g 6,3 for ø d ≤ 400 mm at n = 1500 rpm, for ø d >. Wedge belt pulleys are designed to be used with wedge belts. The list prices apply, to cast iron pulleys balanced in one plane as follows: Dimensions (mm) pti type 1 type 2 type 4 type 7 type 8 technical changes reserved, some. Spb Belt Pulley Dimensions.
From ehandel.mw.dk
BELT PULLEY SPB 9003 M. Wilhelmsen A/S Spb Belt Pulley Dimensions D d 400 mm at v. Dimensions (mm) pti type 1 type 2 type 4 type 7 type 8 technical changes reserved, some items may not be available from stock. They are available with one or several grooves, enabling multiple. The list prices apply, to cast iron pulleys balanced in one plane as follows: They are produced in standard series. Spb Belt Pulley Dimensions.
From radio.egerton.ac.ke
Standard V Belt Pulley 3/4 Inch Bore Groove Cast Iron V, 45 OFF Spb Belt Pulley Dimensions Dimensions (mm) pti type 1 type 2 type 4 type 7 type 8 technical changes reserved, some items may not be available from stock. Grade g 6,3 for ø d ≤ 400 mm at n = 1500 rpm, for ø d >. They are available with one or several grooves, enabling multiple. The list prices apply, to cast iron pulleys. Spb Belt Pulley Dimensions.
From surveys.ipb.pt
碧薔薇屋 新品 SPB 710X5CI Ametric Metric Cast Iron V Belt Pulley, for Spb Belt Pulley Dimensions Dimensions (mm) pti type 1 type 2 type 4 type 7 type 8 technical changes reserved, some items may not be available from stock. They are available with one or several grooves, enabling multiple. The list prices apply, to cast iron pulleys balanced in one plane as follows: They are produced in standard series and dimensions. Grade g 6,3 for. Spb Belt Pulley Dimensions.
From www.alibaba.com
Iron V Grooved Belt Pulley,Taper Bore Pulleys (spa,Spb Spb Belt Pulley Dimensions Grade g 6,3 for ø d ≤ 400 mm at n = 1500 rpm, for ø d >. Dimensions (mm) pti type 1 type 2 type 4 type 7 type 8 technical changes reserved, some items may not be available from stock. Wedge belt pulleys are designed to be used with wedge belts. The list prices apply, to cast iron. Spb Belt Pulley Dimensions.
From www.alibaba.com
Spa Spb Spc Spz V Belt Pulley Wheel Buy Pulley Wheel,V Belt Pulley Spb Belt Pulley Dimensions Grade g 6,3 for ø d ≤ 400 mm at n = 1500 rpm, for ø d >. Dimensions (mm) pti type 1 type 2 type 4 type 7 type 8 technical changes reserved, some items may not be available from stock. They are available with one or several grooves, enabling multiple. D d 400 mm at v. The list. Spb Belt Pulley Dimensions.
From www.tvchain.cn
European Standard VBelt Pulley,10 years manufacturing roller chain Spb Belt Pulley Dimensions D d 400 mm at v. The list prices apply, to cast iron pulleys balanced in one plane as follows: They are available with one or several grooves, enabling multiple. Wedge belt pulleys are designed to be used with wedge belts. They are produced in standard series and dimensions. Grade g 6,3 for ø d ≤ 400 mm at n. Spb Belt Pulley Dimensions.
From www.alibaba.com
Custom Pulleys Standard Size Spa Spb Spz Spc Sheave Wheel Cast Iron Spb Belt Pulley Dimensions Dimensions (mm) pti type 1 type 2 type 4 type 7 type 8 technical changes reserved, some items may not be available from stock. D d 400 mm at v. They are available with one or several grooves, enabling multiple. Wedge belt pulleys are designed to be used with wedge belts. The list prices apply, to cast iron pulleys balanced. Spb Belt Pulley Dimensions.