What Is A Fuel Rail Assembly . It is important that the fuel has the necessary pressure at the start of the injection and that there are. Technical paper describing the components of common rail diesel fuel systems, including the rail, high pressure pump and common rail injectors [dieselnet technology guide]. Fuel supply for gasoline direct injection. What are the components of a diesel fuel system? In this topic we cover an important part of aftermarket fuel safety when changing fuel injectors &. The fuel rail supplies the injectors with fuel. Starting from the fuel tank, moving to the. The fuel rail is a critical component of an internal combustion engine’s fuel delivery system, responsible for supplying fuel to the.
from www.cpperformance.com
It is important that the fuel has the necessary pressure at the start of the injection and that there are. In this topic we cover an important part of aftermarket fuel safety when changing fuel injectors &. Starting from the fuel tank, moving to the. What are the components of a diesel fuel system? Technical paper describing the components of common rail diesel fuel systems, including the rail, high pressure pump and common rail injectors [dieselnet technology guide]. Fuel supply for gasoline direct injection. The fuel rail supplies the injectors with fuel. The fuel rail is a critical component of an internal combustion engine’s fuel delivery system, responsible for supplying fuel to the.
CP Performance Fuel Rail Assembly
What Is A Fuel Rail Assembly Starting from the fuel tank, moving to the. It is important that the fuel has the necessary pressure at the start of the injection and that there are. Starting from the fuel tank, moving to the. In this topic we cover an important part of aftermarket fuel safety when changing fuel injectors &. The fuel rail supplies the injectors with fuel. The fuel rail is a critical component of an internal combustion engine’s fuel delivery system, responsible for supplying fuel to the. Technical paper describing the components of common rail diesel fuel systems, including the rail, high pressure pump and common rail injectors [dieselnet technology guide]. Fuel supply for gasoline direct injection. What are the components of a diesel fuel system?
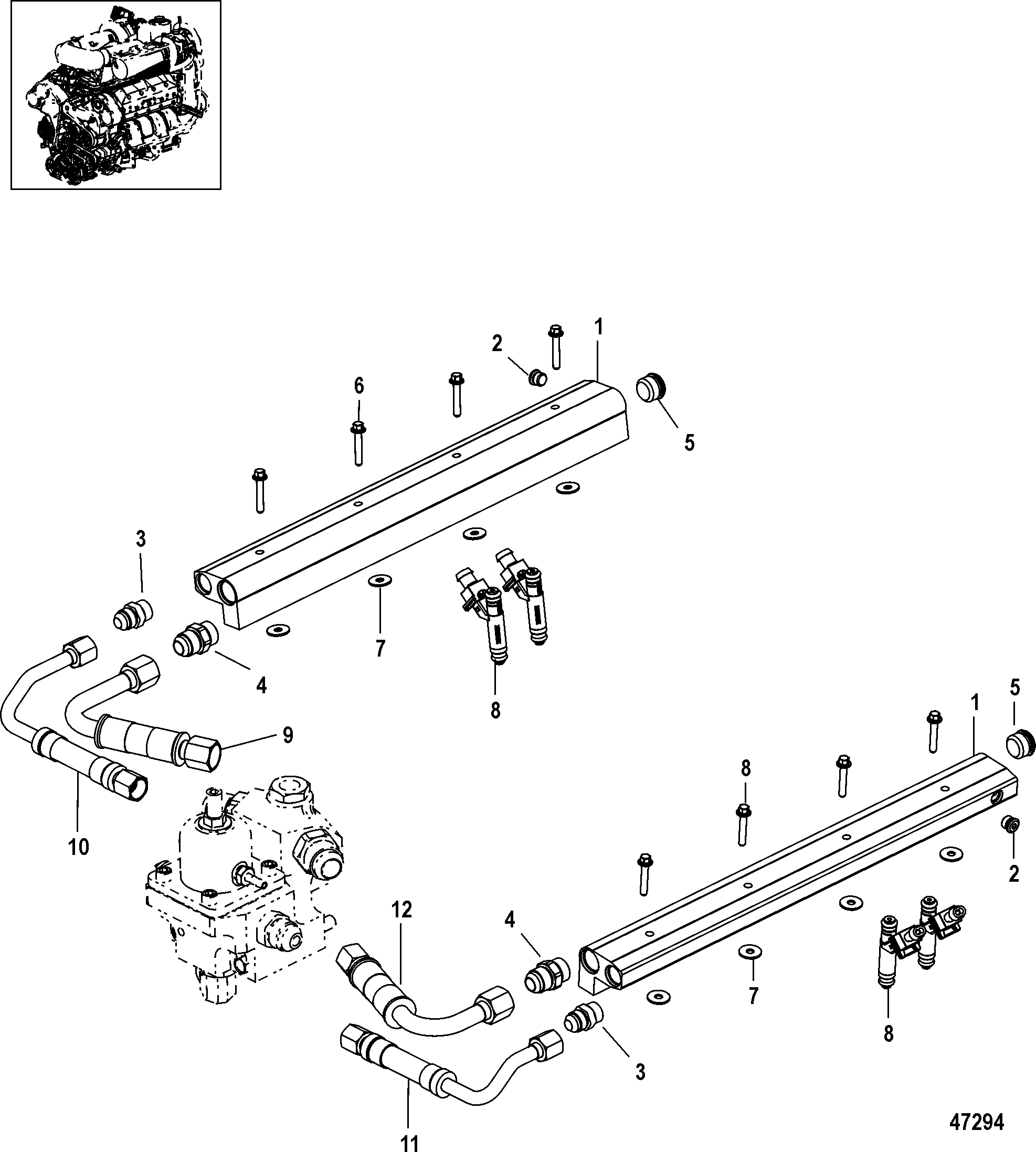
From dieselperformancetexas.com
BD 0445226014 Diesel Fuel Rail Assembly Dodge 20032007 5.9L Diesel What Is A Fuel Rail Assembly The fuel rail is a critical component of an internal combustion engine’s fuel delivery system, responsible for supplying fuel to the. The fuel rail supplies the injectors with fuel. What are the components of a diesel fuel system? Starting from the fuel tank, moving to the. Fuel supply for gasoline direct injection. It is important that the fuel has the. What Is A Fuel Rail Assembly.
From www.autozone.com
Repair Guides Tuned Port Injection (tpi) Fuel Rail Assembly What Is A Fuel Rail Assembly Starting from the fuel tank, moving to the. Technical paper describing the components of common rail diesel fuel systems, including the rail, high pressure pump and common rail injectors [dieselnet technology guide]. The fuel rail is a critical component of an internal combustion engine’s fuel delivery system, responsible for supplying fuel to the. What are the components of a diesel. What Is A Fuel Rail Assembly.
From www.autozone.com
Repair Guides Multiport Fuel Injection Systems Fuel Rail What Is A Fuel Rail Assembly Technical paper describing the components of common rail diesel fuel systems, including the rail, high pressure pump and common rail injectors [dieselnet technology guide]. In this topic we cover an important part of aftermarket fuel safety when changing fuel injectors &. What are the components of a diesel fuel system? Starting from the fuel tank, moving to the. It is. What Is A Fuel Rail Assembly.
From www.autozone.com
Repair Guides Gasoline Fuel Injection System Fuel Rail Assembly What Is A Fuel Rail Assembly Starting from the fuel tank, moving to the. The fuel rail is a critical component of an internal combustion engine’s fuel delivery system, responsible for supplying fuel to the. Technical paper describing the components of common rail diesel fuel systems, including the rail, high pressure pump and common rail injectors [dieselnet technology guide]. What are the components of a diesel. What Is A Fuel Rail Assembly.
From www.autozone.com
Repair Guides Tuned Port Injection (tpi) Fuel Rail Assembly What Is A Fuel Rail Assembly Technical paper describing the components of common rail diesel fuel systems, including the rail, high pressure pump and common rail injectors [dieselnet technology guide]. The fuel rail is a critical component of an internal combustion engine’s fuel delivery system, responsible for supplying fuel to the. Starting from the fuel tank, moving to the. Fuel supply for gasoline direct injection. It. What Is A Fuel Rail Assembly.
From www.autozone.com
Repair Guides Multiport Fuel Injection Systems Fuel Rail What Is A Fuel Rail Assembly Fuel supply for gasoline direct injection. It is important that the fuel has the necessary pressure at the start of the injection and that there are. Starting from the fuel tank, moving to the. The fuel rail supplies the injectors with fuel. Technical paper describing the components of common rail diesel fuel systems, including the rail, high pressure pump and. What Is A Fuel Rail Assembly.
From www.autozone.com
Repair Guides Multiport (mfi) & Sequential (sfi) Fuel Injection What Is A Fuel Rail Assembly The fuel rail is a critical component of an internal combustion engine’s fuel delivery system, responsible for supplying fuel to the. In this topic we cover an important part of aftermarket fuel safety when changing fuel injectors &. Technical paper describing the components of common rail diesel fuel systems, including the rail, high pressure pump and common rail injectors [dieselnet. What Is A Fuel Rail Assembly.
From www.indiamart.com
Fuel Rail Assemblydelivery pipe, Automotive Fuel Pipes, Fuel Line Tube What Is A Fuel Rail Assembly Starting from the fuel tank, moving to the. In this topic we cover an important part of aftermarket fuel safety when changing fuel injectors &. What are the components of a diesel fuel system? The fuel rail supplies the injectors with fuel. It is important that the fuel has the necessary pressure at the start of the injection and that. What Is A Fuel Rail Assembly.
From www.roversnorth.com
Fuel Rail Assembly V8 3.9/4.0L Efi ERR4937 Rovers North Land Rover What Is A Fuel Rail Assembly The fuel rail is a critical component of an internal combustion engine’s fuel delivery system, responsible for supplying fuel to the. The fuel rail supplies the injectors with fuel. It is important that the fuel has the necessary pressure at the start of the injection and that there are. In this topic we cover an important part of aftermarket fuel. What Is A Fuel Rail Assembly.
From www.autozone.com
Repair Guides Multiport Fuel Injection Systems Fuel Rail What Is A Fuel Rail Assembly The fuel rail is a critical component of an internal combustion engine’s fuel delivery system, responsible for supplying fuel to the. Technical paper describing the components of common rail diesel fuel systems, including the rail, high pressure pump and common rail injectors [dieselnet technology guide]. What are the components of a diesel fuel system? It is important that the fuel. What Is A Fuel Rail Assembly.
From www.autozone.com
Repair Guides Tuned Port Injection (tpi) Fuel Rail Assembly What Is A Fuel Rail Assembly In this topic we cover an important part of aftermarket fuel safety when changing fuel injectors &. What are the components of a diesel fuel system? The fuel rail is a critical component of an internal combustion engine’s fuel delivery system, responsible for supplying fuel to the. Fuel supply for gasoline direct injection. The fuel rail supplies the injectors with. What Is A Fuel Rail Assembly.
From www.bishopenginereplacementparts.com
Genuine Ford 3.5L Turbo EcoBoost Fuel Injector Rail Assembly & Injector What Is A Fuel Rail Assembly Technical paper describing the components of common rail diesel fuel systems, including the rail, high pressure pump and common rail injectors [dieselnet technology guide]. What are the components of a diesel fuel system? The fuel rail is a critical component of an internal combustion engine’s fuel delivery system, responsible for supplying fuel to the. The fuel rail supplies the injectors. What Is A Fuel Rail Assembly.
From noblehouseclassics.nl
Fuel Rail Assembly RH, New Old Stock (0820306) Noble House Classics What Is A Fuel Rail Assembly It is important that the fuel has the necessary pressure at the start of the injection and that there are. The fuel rail is a critical component of an internal combustion engine’s fuel delivery system, responsible for supplying fuel to the. Technical paper describing the components of common rail diesel fuel systems, including the rail, high pressure pump and common. What Is A Fuel Rail Assembly.
From www.cpperformance.com
CP Performance Fuel Rail Assembly What Is A Fuel Rail Assembly In this topic we cover an important part of aftermarket fuel safety when changing fuel injectors &. The fuel rail is a critical component of an internal combustion engine’s fuel delivery system, responsible for supplying fuel to the. Technical paper describing the components of common rail diesel fuel systems, including the rail, high pressure pump and common rail injectors [dieselnet. What Is A Fuel Rail Assembly.
From www.glennsautoperformance.com
New OE GM Fuel Rail Assembly For TBSS/NNBS Style Intakes Glenn's Auto What Is A Fuel Rail Assembly Technical paper describing the components of common rail diesel fuel systems, including the rail, high pressure pump and common rail injectors [dieselnet technology guide]. Fuel supply for gasoline direct injection. The fuel rail is a critical component of an internal combustion engine’s fuel delivery system, responsible for supplying fuel to the. The fuel rail supplies the injectors with fuel. It. What Is A Fuel Rail Assembly.
From www.autozone.com
Repair Guides Gasoline Fuel Injection System Fuel Rail Assembly What Is A Fuel Rail Assembly Fuel supply for gasoline direct injection. What are the components of a diesel fuel system? Technical paper describing the components of common rail diesel fuel systems, including the rail, high pressure pump and common rail injectors [dieselnet technology guide]. In this topic we cover an important part of aftermarket fuel safety when changing fuel injectors &. The fuel rail supplies. What Is A Fuel Rail Assembly.
From www.autozone.com
Repair Guides Tuned Port Injection (tpi) Fuel Rail Assembly What Is A Fuel Rail Assembly What are the components of a diesel fuel system? Technical paper describing the components of common rail diesel fuel systems, including the rail, high pressure pump and common rail injectors [dieselnet technology guide]. Starting from the fuel tank, moving to the. It is important that the fuel has the necessary pressure at the start of the injection and that there. What Is A Fuel Rail Assembly.
From www.autozone.com
Repair Guides Multiport (mfi) & Sequential (sfi) Fuel Injection What Is A Fuel Rail Assembly It is important that the fuel has the necessary pressure at the start of the injection and that there are. In this topic we cover an important part of aftermarket fuel safety when changing fuel injectors &. What are the components of a diesel fuel system? Technical paper describing the components of common rail diesel fuel systems, including the rail,. What Is A Fuel Rail Assembly.
From www.autozone.com
Repair Guides Tuned Port Injection (tpi) Fuel Rail Assembly What Is A Fuel Rail Assembly The fuel rail supplies the injectors with fuel. Technical paper describing the components of common rail diesel fuel systems, including the rail, high pressure pump and common rail injectors [dieselnet technology guide]. What are the components of a diesel fuel system? The fuel rail is a critical component of an internal combustion engine’s fuel delivery system, responsible for supplying fuel. What Is A Fuel Rail Assembly.
From www.autozone.com
Repair Guides Sequential Fuel Injection (sfi) System Fuel Rail What Is A Fuel Rail Assembly Starting from the fuel tank, moving to the. Technical paper describing the components of common rail diesel fuel systems, including the rail, high pressure pump and common rail injectors [dieselnet technology guide]. What are the components of a diesel fuel system? Fuel supply for gasoline direct injection. In this topic we cover an important part of aftermarket fuel safety when. What Is A Fuel Rail Assembly.
From www.csmans.com
Chevrolet Sonic Repair Manual Fuel Injection Fuel Rail Assembly What Is A Fuel Rail Assembly It is important that the fuel has the necessary pressure at the start of the injection and that there are. Starting from the fuel tank, moving to the. In this topic we cover an important part of aftermarket fuel safety when changing fuel injectors &. The fuel rail is a critical component of an internal combustion engine’s fuel delivery system,. What Is A Fuel Rail Assembly.
From www.autozone.com
Repair Guides Sequential Or Multiport Fuel Injection Fuel Rail What Is A Fuel Rail Assembly It is important that the fuel has the necessary pressure at the start of the injection and that there are. In this topic we cover an important part of aftermarket fuel safety when changing fuel injectors &. The fuel rail is a critical component of an internal combustion engine’s fuel delivery system, responsible for supplying fuel to the. What are. What Is A Fuel Rail Assembly.
From www.autozone.com
Repair Guides What Is A Fuel Rail Assembly Starting from the fuel tank, moving to the. It is important that the fuel has the necessary pressure at the start of the injection and that there are. The fuel rail supplies the injectors with fuel. What are the components of a diesel fuel system? The fuel rail is a critical component of an internal combustion engine’s fuel delivery system,. What Is A Fuel Rail Assembly.
From www.indiamart.com
Fuel Rail Assembly at best price in Chennai by Ucal Group ID 7935584062 What Is A Fuel Rail Assembly The fuel rail is a critical component of an internal combustion engine’s fuel delivery system, responsible for supplying fuel to the. Technical paper describing the components of common rail diesel fuel systems, including the rail, high pressure pump and common rail injectors [dieselnet technology guide]. What are the components of a diesel fuel system? The fuel rail supplies the injectors. What Is A Fuel Rail Assembly.
From www.autozone.com
Repair Guides What Is A Fuel Rail Assembly Fuel supply for gasoline direct injection. It is important that the fuel has the necessary pressure at the start of the injection and that there are. What are the components of a diesel fuel system? Starting from the fuel tank, moving to the. In this topic we cover an important part of aftermarket fuel safety when changing fuel injectors &.. What Is A Fuel Rail Assembly.
From www.carid.com
Replacement Fuel Injectors, Fuel Rails & Components What Is A Fuel Rail Assembly Fuel supply for gasoline direct injection. Technical paper describing the components of common rail diesel fuel systems, including the rail, high pressure pump and common rail injectors [dieselnet technology guide]. The fuel rail is a critical component of an internal combustion engine’s fuel delivery system, responsible for supplying fuel to the. The fuel rail supplies the injectors with fuel. What. What Is A Fuel Rail Assembly.
From www.autozone.com
Repair Guides What Is A Fuel Rail Assembly In this topic we cover an important part of aftermarket fuel safety when changing fuel injectors &. What are the components of a diesel fuel system? Starting from the fuel tank, moving to the. The fuel rail supplies the injectors with fuel. It is important that the fuel has the necessary pressure at the start of the injection and that. What Is A Fuel Rail Assembly.
From www.autozone.com
Repair Guides Sequential Fuel Injection System Fuel Rail Assembly What Is A Fuel Rail Assembly Fuel supply for gasoline direct injection. Technical paper describing the components of common rail diesel fuel systems, including the rail, high pressure pump and common rail injectors [dieselnet technology guide]. What are the components of a diesel fuel system? The fuel rail is a critical component of an internal combustion engine’s fuel delivery system, responsible for supplying fuel to the.. What Is A Fuel Rail Assembly.
From www.autozone.com
Repair Guides Multiport (mfi) & Sequential (sfi) Fuel Injection What Is A Fuel Rail Assembly The fuel rail is a critical component of an internal combustion engine’s fuel delivery system, responsible for supplying fuel to the. What are the components of a diesel fuel system? Technical paper describing the components of common rail diesel fuel systems, including the rail, high pressure pump and common rail injectors [dieselnet technology guide]. It is important that the fuel. What Is A Fuel Rail Assembly.
From www.raceonly.com.au
Full Function Engineering Cosmo 13BRE Fuel Rail Set RACEONLY What Is A Fuel Rail Assembly What are the components of a diesel fuel system? Fuel supply for gasoline direct injection. Starting from the fuel tank, moving to the. The fuel rail supplies the injectors with fuel. In this topic we cover an important part of aftermarket fuel safety when changing fuel injectors &. It is important that the fuel has the necessary pressure at the. What Is A Fuel Rail Assembly.
From www.commonrailparts.net
Why Choosing Common Rail for a Gasoline Direct Injection (GDI What Is A Fuel Rail Assembly In this topic we cover an important part of aftermarket fuel safety when changing fuel injectors &. What are the components of a diesel fuel system? Technical paper describing the components of common rail diesel fuel systems, including the rail, high pressure pump and common rail injectors [dieselnet technology guide]. Starting from the fuel tank, moving to the. The fuel. What Is A Fuel Rail Assembly.
From www.autozone.com
Repair Guides Multiport Fuel Injection System Fuel Rail Assembly What Is A Fuel Rail Assembly It is important that the fuel has the necessary pressure at the start of the injection and that there are. What are the components of a diesel fuel system? In this topic we cover an important part of aftermarket fuel safety when changing fuel injectors &. Fuel supply for gasoline direct injection. Starting from the fuel tank, moving to the.. What Is A Fuel Rail Assembly.
From www.winsparts.com
0445224016 ME222912 ME228917 0 445 224 016 BOSCH FUEL RAIL ASSEMBLY What Is A Fuel Rail Assembly Fuel supply for gasoline direct injection. In this topic we cover an important part of aftermarket fuel safety when changing fuel injectors &. Starting from the fuel tank, moving to the. Technical paper describing the components of common rail diesel fuel systems, including the rail, high pressure pump and common rail injectors [dieselnet technology guide]. The fuel rail is a. What Is A Fuel Rail Assembly.
From www.autozone.com
Repair Guides What Is A Fuel Rail Assembly The fuel rail is a critical component of an internal combustion engine’s fuel delivery system, responsible for supplying fuel to the. Technical paper describing the components of common rail diesel fuel systems, including the rail, high pressure pump and common rail injectors [dieselnet technology guide]. What are the components of a diesel fuel system? It is important that the fuel. What Is A Fuel Rail Assembly.
From www.autozone.com
Repair Guides Sequential Multiport Fuel Injection System Fuel What Is A Fuel Rail Assembly Technical paper describing the components of common rail diesel fuel systems, including the rail, high pressure pump and common rail injectors [dieselnet technology guide]. It is important that the fuel has the necessary pressure at the start of the injection and that there are. In this topic we cover an important part of aftermarket fuel safety when changing fuel injectors. What Is A Fuel Rail Assembly.