Labview Data Storage . Within labview 2010 you find everything you need to work with dataplugins on the storage/dataplugin palette: This example uses a functional global variable to store the last value of a data point in memory. To store large data sets without memory problems, you need a storage mechanism that allows you to save one copy of the data and access the. Learn more about the tdm data model and see how labview tdm streaming vis reduce your programming time while increasing the value of the data you are collecting. It uses a name string.
from www.slideserve.com
Learn more about the tdm data model and see how labview tdm streaming vis reduce your programming time while increasing the value of the data you are collecting. This example uses a functional global variable to store the last value of a data point in memory. Within labview 2010 you find everything you need to work with dataplugins on the storage/dataplugin palette: It uses a name string. To store large data sets without memory problems, you need a storage mechanism that allows you to save one copy of the data and access the.
PPT Documenting LabVIEW Data & Data Mining with LabVIEW and DIAdem
Labview Data Storage This example uses a functional global variable to store the last value of a data point in memory. This example uses a functional global variable to store the last value of a data point in memory. To store large data sets without memory problems, you need a storage mechanism that allows you to save one copy of the data and access the. It uses a name string. Within labview 2010 you find everything you need to work with dataplugins on the storage/dataplugin palette: Learn more about the tdm data model and see how labview tdm streaming vis reduce your programming time while increasing the value of the data you are collecting.
From www.dmcinfo.com
TDMS File Viewer DMC, Inc. Labview Data Storage It uses a name string. Learn more about the tdm data model and see how labview tdm streaming vis reduce your programming time while increasing the value of the data you are collecting. To store large data sets without memory problems, you need a storage mechanism that allows you to save one copy of the data and access the. This. Labview Data Storage.
From www.ni.com
Data Storage and Reporting with LabVIEW NI Labview Data Storage It uses a name string. Learn more about the tdm data model and see how labview tdm streaming vis reduce your programming time while increasing the value of the data you are collecting. Within labview 2010 you find everything you need to work with dataplugins on the storage/dataplugin palette: This example uses a functional global variable to store the last. Labview Data Storage.
From tunersread.com
LabVIEW Labview Data Storage This example uses a functional global variable to store the last value of a data point in memory. To store large data sets without memory problems, you need a storage mechanism that allows you to save one copy of the data and access the. Learn more about the tdm data model and see how labview tdm streaming vis reduce your. Labview Data Storage.
From www.slideserve.com
PPT Documenting LabVIEW Data & Data Mining with LabVIEW and DIAdem Labview Data Storage Learn more about the tdm data model and see how labview tdm streaming vis reduce your programming time while increasing the value of the data you are collecting. Within labview 2010 you find everything you need to work with dataplugins on the storage/dataplugin palette: It uses a name string. To store large data sets without memory problems, you need a. Labview Data Storage.
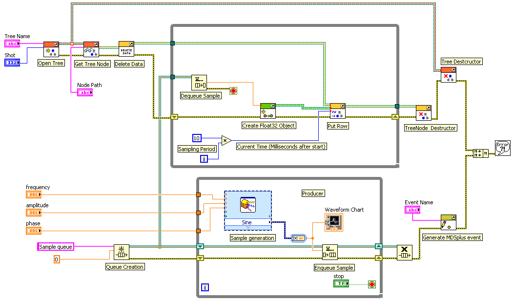
From www.mdsplus.org
ImageLabVIEW_Fig11.gif Labview Data Storage Learn more about the tdm data model and see how labview tdm streaming vis reduce your programming time while increasing the value of the data you are collecting. It uses a name string. Within labview 2010 you find everything you need to work with dataplugins on the storage/dataplugin palette: To store large data sets without memory problems, you need a. Labview Data Storage.
From unites-systems.com
LabView Products UNITES Systems a.s. Labview Data Storage Learn more about the tdm data model and see how labview tdm streaming vis reduce your programming time while increasing the value of the data you are collecting. To store large data sets without memory problems, you need a storage mechanism that allows you to save one copy of the data and access the. It uses a name string. This. Labview Data Storage.
From xsava.xyz
Data Acquisition with LabVIEW / AvaxHome Labview Data Storage It uses a name string. This example uses a functional global variable to store the last value of a data point in memory. Learn more about the tdm data model and see how labview tdm streaming vis reduce your programming time while increasing the value of the data you are collecting. Within labview 2010 you find everything you need to. Labview Data Storage.
From www.slideserve.com
PPT Documenting LabVIEW Data & Data Mining with LabVIEW and DIAdem Labview Data Storage Within labview 2010 you find everything you need to work with dataplugins on the storage/dataplugin palette: To store large data sets without memory problems, you need a storage mechanism that allows you to save one copy of the data and access the. Learn more about the tdm data model and see how labview tdm streaming vis reduce your programming time. Labview Data Storage.
From www.vipm.io
SQLite Library Toolkit for LabVIEW Download VIPM by JKI Labview Data Storage To store large data sets without memory problems, you need a storage mechanism that allows you to save one copy of the data and access the. Within labview 2010 you find everything you need to work with dataplugins on the storage/dataplugin palette: Learn more about the tdm data model and see how labview tdm streaming vis reduce your programming time. Labview Data Storage.
From www.youtube.com
LabVIEW (Data files) EP5 Storing data in a text file (Fundamental file Labview Data Storage Learn more about the tdm data model and see how labview tdm streaming vis reduce your programming time while increasing the value of the data you are collecting. It uses a name string. This example uses a functional global variable to store the last value of a data point in memory. To store large data sets without memory problems, you. Labview Data Storage.
From pdfslide.net
(PDF) Documenting LabVIEW Data Data Mining with LabVIEW and …download Labview Data Storage Learn more about the tdm data model and see how labview tdm streaming vis reduce your programming time while increasing the value of the data you are collecting. To store large data sets without memory problems, you need a storage mechanism that allows you to save one copy of the data and access the. Within labview 2010 you find everything. Labview Data Storage.
From antrg.com
Storing time series data with Labview and Graphite Labview Data Storage This example uses a functional global variable to store the last value of a data point in memory. Learn more about the tdm data model and see how labview tdm streaming vis reduce your programming time while increasing the value of the data you are collecting. Within labview 2010 you find everything you need to work with dataplugins on the. Labview Data Storage.
From knowledge.ni.com
LabVIEW를 데이터베이스에 연결하는 방법 NI Labview Data Storage Within labview 2010 you find everything you need to work with dataplugins on the storage/dataplugin palette: To store large data sets without memory problems, you need a storage mechanism that allows you to save one copy of the data and access the. This example uses a functional global variable to store the last value of a data point in memory.. Labview Data Storage.
From www.halvorsen.blog
Datalogging and Monitoring Labview Data Storage This example uses a functional global variable to store the last value of a data point in memory. Learn more about the tdm data model and see how labview tdm streaming vis reduce your programming time while increasing the value of the data you are collecting. Within labview 2010 you find everything you need to work with dataplugins on the. Labview Data Storage.
From labview.softonic.com
LabVIEW Descargar Labview Data Storage To store large data sets without memory problems, you need a storage mechanism that allows you to save one copy of the data and access the. This example uses a functional global variable to store the last value of a data point in memory. Within labview 2010 you find everything you need to work with dataplugins on the storage/dataplugin palette:. Labview Data Storage.
From www.vrogue.co
Data Acquisition System Using Labview Proteus And Ard vrogue.co Labview Data Storage To store large data sets without memory problems, you need a storage mechanism that allows you to save one copy of the data and access the. Within labview 2010 you find everything you need to work with dataplugins on the storage/dataplugin palette: This example uses a functional global variable to store the last value of a data point in memory.. Labview Data Storage.
From www.youtube.com
save data into text file using labview YouTube Labview Data Storage To store large data sets without memory problems, you need a storage mechanism that allows you to save one copy of the data and access the. It uses a name string. Within labview 2010 you find everything you need to work with dataplugins on the storage/dataplugin palette: Learn more about the tdm data model and see how labview tdm streaming. Labview Data Storage.
From forums.ni.com
LabVIEW Comtrade Cannot open the data storage file. NI Community Labview Data Storage To store large data sets without memory problems, you need a storage mechanism that allows you to save one copy of the data and access the. Learn more about the tdm data model and see how labview tdm streaming vis reduce your programming time while increasing the value of the data you are collecting. This example uses a functional global. Labview Data Storage.
From unites-systems.com
LabView Produkty UNITES Systems a.s. Labview Data Storage Learn more about the tdm data model and see how labview tdm streaming vis reduce your programming time while increasing the value of the data you are collecting. Within labview 2010 you find everything you need to work with dataplugins on the storage/dataplugin palette: To store large data sets without memory problems, you need a storage mechanism that allows you. Labview Data Storage.
From plc4me.com
[PDF] Data Acquisition using LabVIEW Labview Data Storage Learn more about the tdm data model and see how labview tdm streaming vis reduce your programming time while increasing the value of the data you are collecting. To store large data sets without memory problems, you need a storage mechanism that allows you to save one copy of the data and access the. It uses a name string. Within. Labview Data Storage.
From knowledge.ni.com
How to Download and Install LabVIEW Plug and Play Instrument Drivers in Labview Data Storage To store large data sets without memory problems, you need a storage mechanism that allows you to save one copy of the data and access the. Learn more about the tdm data model and see how labview tdm streaming vis reduce your programming time while increasing the value of the data you are collecting. It uses a name string. This. Labview Data Storage.
From www.ni.com
Data Storage and Reporting with LabVIEW NI Labview Data Storage Within labview 2010 you find everything you need to work with dataplugins on the storage/dataplugin palette: To store large data sets without memory problems, you need a storage mechanism that allows you to save one copy of the data and access the. This example uses a functional global variable to store the last value of a data point in memory.. Labview Data Storage.
From www.youtube.com
15. NI LabVIEW link MySQL by Database Connectivity Toolkit YouTube Labview Data Storage To store large data sets without memory problems, you need a storage mechanism that allows you to save one copy of the data and access the. Within labview 2010 you find everything you need to work with dataplugins on the storage/dataplugin palette: This example uses a functional global variable to store the last value of a data point in memory.. Labview Data Storage.
From www.dqindia.com
LabVIEW Next Generation Engineering Software Unveiled by NI Labview Data Storage Within labview 2010 you find everything you need to work with dataplugins on the storage/dataplugin palette: This example uses a functional global variable to store the last value of a data point in memory. To store large data sets without memory problems, you need a storage mechanism that allows you to save one copy of the data and access the.. Labview Data Storage.
From tech-guru-tips.blogspot.com
LabView Data Acquisition Project techgurutips Labview Data Storage Within labview 2010 you find everything you need to work with dataplugins on the storage/dataplugin palette: This example uses a functional global variable to store the last value of a data point in memory. To store large data sets without memory problems, you need a storage mechanism that allows you to save one copy of the data and access the.. Labview Data Storage.
From unites-systems.com
LabView Products UNITES Systems a.s. Labview Data Storage To store large data sets without memory problems, you need a storage mechanism that allows you to save one copy of the data and access the. Within labview 2010 you find everything you need to work with dataplugins on the storage/dataplugin palette: It uses a name string. Learn more about the tdm data model and see how labview tdm streaming. Labview Data Storage.
From www.youtube.com
LabVIEW Tutorial Data Acquisition YouTube Labview Data Storage Within labview 2010 you find everything you need to work with dataplugins on the storage/dataplugin palette: It uses a name string. Learn more about the tdm data model and see how labview tdm streaming vis reduce your programming time while increasing the value of the data you are collecting. To store large data sets without memory problems, you need a. Labview Data Storage.
From www.scribd.com
Labview Data Storing PDF Data Type String Science) Labview Data Storage Learn more about the tdm data model and see how labview tdm streaming vis reduce your programming time while increasing the value of the data you are collecting. It uses a name string. Within labview 2010 you find everything you need to work with dataplugins on the storage/dataplugin palette: This example uses a functional global variable to store the last. Labview Data Storage.
From www.youtube.com
LabVIEW database connection toolkit YouTube Labview Data Storage Learn more about the tdm data model and see how labview tdm streaming vis reduce your programming time while increasing the value of the data you are collecting. This example uses a functional global variable to store the last value of a data point in memory. It uses a name string. To store large data sets without memory problems, you. Labview Data Storage.
From labview.de.softonic.com
LabVIEW Download Labview Data Storage This example uses a functional global variable to store the last value of a data point in memory. Learn more about the tdm data model and see how labview tdm streaming vis reduce your programming time while increasing the value of the data you are collecting. Within labview 2010 you find everything you need to work with dataplugins on the. Labview Data Storage.
From timothycarlier.com
LabVIEW Channel Sorting Cluster Arrays ITM Labview Data Storage This example uses a functional global variable to store the last value of a data point in memory. Learn more about the tdm data model and see how labview tdm streaming vis reduce your programming time while increasing the value of the data you are collecting. Within labview 2010 you find everything you need to work with dataplugins on the. Labview Data Storage.
From www.slideserve.com
PPT LV2IDL, a software package for automatic data transfer between Labview Data Storage To store large data sets without memory problems, you need a storage mechanism that allows you to save one copy of the data and access the. Learn more about the tdm data model and see how labview tdm streaming vis reduce your programming time while increasing the value of the data you are collecting. It uses a name string. This. Labview Data Storage.
From spiritualpag.weebly.com
Labview database connectivity toolkit 2013 spiritualpag Labview Data Storage It uses a name string. Within labview 2010 you find everything you need to work with dataplugins on the storage/dataplugin palette: Learn more about the tdm data model and see how labview tdm streaming vis reduce your programming time while increasing the value of the data you are collecting. To store large data sets without memory problems, you need a. Labview Data Storage.
From microcontrollerslab.com
Remote Monitoring System with Labview and XBee Labview Data Storage To store large data sets without memory problems, you need a storage mechanism that allows you to save one copy of the data and access the. This example uses a functional global variable to store the last value of a data point in memory. It uses a name string. Learn more about the tdm data model and see how labview. Labview Data Storage.
From www.intechopen.com
Analyzing and Presenting Data with LabVIEW IntechOpen Labview Data Storage This example uses a functional global variable to store the last value of a data point in memory. Learn more about the tdm data model and see how labview tdm streaming vis reduce your programming time while increasing the value of the data you are collecting. It uses a name string. Within labview 2010 you find everything you need to. Labview Data Storage.