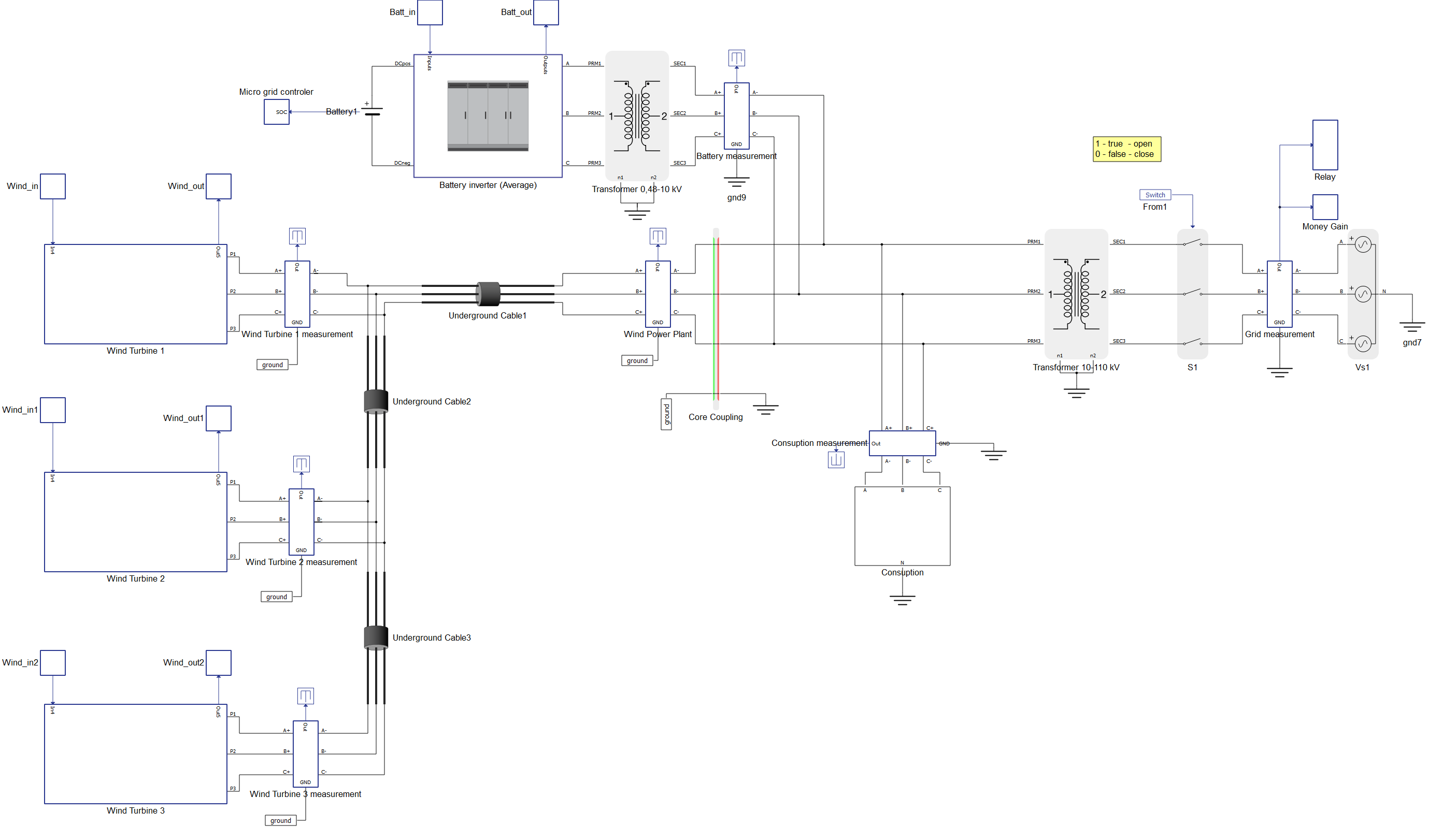
Microgrid Wind Turbine . A hybrid microgrid composed of a 6 kwp photovoltaic system and two wind turbines of 3 kw each was implemented and has proven. A wind mg is an electrical distribution system with a set of interconnected load and wind turbines that. In the second scenario, the microgrid operates with a wind turbine at rated power. The microgrid model ( figure 1) features a wind farm consisting of three wind turbines, with each turbine block consisting of a generator,. Microgrid is an important and necessary component of smart grid development. The focus lies on a comprehensive examination of the microgrid configuration linked to a wind turbine, encompassing aspects such. In order to efficiently and reliably manage wind energy microgrids via the detection and diagnosis of faults in real time, dhar et al.
from www.youtube.com
The microgrid model ( figure 1) features a wind farm consisting of three wind turbines, with each turbine block consisting of a generator,. The focus lies on a comprehensive examination of the microgrid configuration linked to a wind turbine, encompassing aspects such. A wind mg is an electrical distribution system with a set of interconnected load and wind turbines that. In the second scenario, the microgrid operates with a wind turbine at rated power. In order to efficiently and reliably manage wind energy microgrids via the detection and diagnosis of faults in real time, dhar et al. Microgrid is an important and necessary component of smart grid development. A hybrid microgrid composed of a 6 kwp photovoltaic system and two wind turbines of 3 kw each was implemented and has proven.
PV Wind Battery Based DC Microgrid PO MPPT in MATLAB PV Wind Battery
Microgrid Wind Turbine A wind mg is an electrical distribution system with a set of interconnected load and wind turbines that. Microgrid is an important and necessary component of smart grid development. The microgrid model ( figure 1) features a wind farm consisting of three wind turbines, with each turbine block consisting of a generator,. A wind mg is an electrical distribution system with a set of interconnected load and wind turbines that. In the second scenario, the microgrid operates with a wind turbine at rated power. In order to efficiently and reliably manage wind energy microgrids via the detection and diagnosis of faults in real time, dhar et al. A hybrid microgrid composed of a 6 kwp photovoltaic system and two wind turbines of 3 kw each was implemented and has proven. The focus lies on a comprehensive examination of the microgrid configuration linked to a wind turbine, encompassing aspects such.
From www.forbes.com
Dell TechnologiesVoice Behind The Microgrid Tech Allowing Companies To Microgrid Wind Turbine In order to efficiently and reliably manage wind energy microgrids via the detection and diagnosis of faults in real time, dhar et al. A hybrid microgrid composed of a 6 kwp photovoltaic system and two wind turbines of 3 kw each was implemented and has proven. A wind mg is an electrical distribution system with a set of interconnected load. Microgrid Wind Turbine.
From www.vrogue.co
What S A Community Microgrid A Quick Guide vrogue.co Microgrid Wind Turbine A hybrid microgrid composed of a 6 kwp photovoltaic system and two wind turbines of 3 kw each was implemented and has proven. The microgrid model ( figure 1) features a wind farm consisting of three wind turbines, with each turbine block consisting of a generator,. In order to efficiently and reliably manage wind energy microgrids via the detection and. Microgrid Wind Turbine.
From www.typhoon-hil.com
Microgrid powered by a wind farm Microgrid Wind Turbine The focus lies on a comprehensive examination of the microgrid configuration linked to a wind turbine, encompassing aspects such. A wind mg is an electrical distribution system with a set of interconnected load and wind turbines that. In the second scenario, the microgrid operates with a wind turbine at rated power. The microgrid model ( figure 1) features a wind. Microgrid Wind Turbine.
From www.typhoon-hil.com
Microgrid powered by a wind farm Microgrid Wind Turbine A wind mg is an electrical distribution system with a set of interconnected load and wind turbines that. In order to efficiently and reliably manage wind energy microgrids via the detection and diagnosis of faults in real time, dhar et al. In the second scenario, the microgrid operates with a wind turbine at rated power. The microgrid model ( figure. Microgrid Wind Turbine.
From windenergysolutions.nl
Operating a diesel microgrid? Add a wind turbine! WES, Wind Energy Microgrid Wind Turbine The microgrid model ( figure 1) features a wind farm consisting of three wind turbines, with each turbine block consisting of a generator,. In order to efficiently and reliably manage wind energy microgrids via the detection and diagnosis of faults in real time, dhar et al. The focus lies on a comprehensive examination of the microgrid configuration linked to a. Microgrid Wind Turbine.
From www.electricallicenserenewal.com
Article 712 Direct Current Microgrids. Microgrid Wind Turbine In order to efficiently and reliably manage wind energy microgrids via the detection and diagnosis of faults in real time, dhar et al. The microgrid model ( figure 1) features a wind farm consisting of three wind turbines, with each turbine block consisting of a generator,. In the second scenario, the microgrid operates with a wind turbine at rated power.. Microgrid Wind Turbine.
From www.researchgate.net
System configuration of microgrid network Wind power and photovoltaic Microgrid Wind Turbine Microgrid is an important and necessary component of smart grid development. In the second scenario, the microgrid operates with a wind turbine at rated power. The microgrid model ( figure 1) features a wind farm consisting of three wind turbines, with each turbine block consisting of a generator,. A hybrid microgrid composed of a 6 kwp photovoltaic system and two. Microgrid Wind Turbine.
From electrek.co
This rooftop windpowered microgrid withstood 105 mph gusts Microgrid Wind Turbine Microgrid is an important and necessary component of smart grid development. In the second scenario, the microgrid operates with a wind turbine at rated power. The microgrid model ( figure 1) features a wind farm consisting of three wind turbines, with each turbine block consisting of a generator,. A hybrid microgrid composed of a 6 kwp photovoltaic system and two. Microgrid Wind Turbine.
From www.et.aau.dk
Microgrid Technology Research and Demonstration Microgrid Wind Turbine In the second scenario, the microgrid operates with a wind turbine at rated power. Microgrid is an important and necessary component of smart grid development. The focus lies on a comprehensive examination of the microgrid configuration linked to a wind turbine, encompassing aspects such. A hybrid microgrid composed of a 6 kwp photovoltaic system and two wind turbines of 3. Microgrid Wind Turbine.
From www.theb1m.com
What are microgrids Microgrid Wind Turbine Microgrid is an important and necessary component of smart grid development. The focus lies on a comprehensive examination of the microgrid configuration linked to a wind turbine, encompassing aspects such. A hybrid microgrid composed of a 6 kwp photovoltaic system and two wind turbines of 3 kw each was implemented and has proven. The microgrid model ( figure 1) features. Microgrid Wind Turbine.
From www.researchgate.net
Microgrid Concept. A microgrid is a group of interconnected loads and Microgrid Wind Turbine The microgrid model ( figure 1) features a wind farm consisting of three wind turbines, with each turbine block consisting of a generator,. In order to efficiently and reliably manage wind energy microgrids via the detection and diagnosis of faults in real time, dhar et al. A hybrid microgrid composed of a 6 kwp photovoltaic system and two wind turbines. Microgrid Wind Turbine.
From www.mdpi.com
Energies Free FullText TwoStage Energy Management Strategies of Microgrid Wind Turbine In order to efficiently and reliably manage wind energy microgrids via the detection and diagnosis of faults in real time, dhar et al. A hybrid microgrid composed of a 6 kwp photovoltaic system and two wind turbines of 3 kw each was implemented and has proven. A wind mg is an electrical distribution system with a set of interconnected load. Microgrid Wind Turbine.
From onlinelibrary.wiley.com
A brief review on microgrids Operation, applications, modeling, and Microgrid Wind Turbine A hybrid microgrid composed of a 6 kwp photovoltaic system and two wind turbines of 3 kw each was implemented and has proven. The focus lies on a comprehensive examination of the microgrid configuration linked to a wind turbine, encompassing aspects such. In order to efficiently and reliably manage wind energy microgrids via the detection and diagnosis of faults in. Microgrid Wind Turbine.
From energizeeh.org
Microgrids Energize East Hampton Microgrid Wind Turbine In order to efficiently and reliably manage wind energy microgrids via the detection and diagnosis of faults in real time, dhar et al. In the second scenario, the microgrid operates with a wind turbine at rated power. Microgrid is an important and necessary component of smart grid development. The focus lies on a comprehensive examination of the microgrid configuration linked. Microgrid Wind Turbine.
From www.airvoltaics.com
Wind Turbine, the Missing Piece of the Puzzle for Microgrids Microgrid Wind Turbine The focus lies on a comprehensive examination of the microgrid configuration linked to a wind turbine, encompassing aspects such. The microgrid model ( figure 1) features a wind farm consisting of three wind turbines, with each turbine block consisting of a generator,. A hybrid microgrid composed of a 6 kwp photovoltaic system and two wind turbines of 3 kw each. Microgrid Wind Turbine.
From agreate.com
Microgrid BESS, Complete Renewable Energy Solutions AGreatE Microgrid Wind Turbine In order to efficiently and reliably manage wind energy microgrids via the detection and diagnosis of faults in real time, dhar et al. A wind mg is an electrical distribution system with a set of interconnected load and wind turbines that. A hybrid microgrid composed of a 6 kwp photovoltaic system and two wind turbines of 3 kw each was. Microgrid Wind Turbine.
From phys.org
Smart microgrids to help data centers, farm communities use locally Microgrid Wind Turbine Microgrid is an important and necessary component of smart grid development. The microgrid model ( figure 1) features a wind farm consisting of three wind turbines, with each turbine block consisting of a generator,. The focus lies on a comprehensive examination of the microgrid configuration linked to a wind turbine, encompassing aspects such. A hybrid microgrid composed of a 6. Microgrid Wind Turbine.
From www.airvoltaics.com
Small to Midsized wind turbines for Microgrid Projects Air Voltaics LLC Microgrid Wind Turbine In order to efficiently and reliably manage wind energy microgrids via the detection and diagnosis of faults in real time, dhar et al. A wind mg is an electrical distribution system with a set of interconnected load and wind turbines that. The microgrid model ( figure 1) features a wind farm consisting of three wind turbines, with each turbine block. Microgrid Wind Turbine.
From veckta.com
VECKTA Discusses Small Wind Turbines For Microgrids Microgrid Wind Turbine In order to efficiently and reliably manage wind energy microgrids via the detection and diagnosis of faults in real time, dhar et al. Microgrid is an important and necessary component of smart grid development. A wind mg is an electrical distribution system with a set of interconnected load and wind turbines that. A hybrid microgrid composed of a 6 kwp. Microgrid Wind Turbine.
From www.et.aau.dk
Microgrid Technology Research and Demonstration Microgrid Wind Turbine In order to efficiently and reliably manage wind energy microgrids via the detection and diagnosis of faults in real time, dhar et al. The focus lies on a comprehensive examination of the microgrid configuration linked to a wind turbine, encompassing aspects such. A hybrid microgrid composed of a 6 kwp photovoltaic system and two wind turbines of 3 kw each. Microgrid Wind Turbine.
From pv-magazine-usa.com
Hover Energy’s 36 kW rooftopmounted microgrid combines wind, solar and Microgrid Wind Turbine The microgrid model ( figure 1) features a wind farm consisting of three wind turbines, with each turbine block consisting of a generator,. A hybrid microgrid composed of a 6 kwp photovoltaic system and two wind turbines of 3 kw each was implemented and has proven. A wind mg is an electrical distribution system with a set of interconnected load. Microgrid Wind Turbine.
From windenergysolutions.nl
Smart Integrated Decentralised Energy Systems WES, Wind Energy Solutions Microgrid Wind Turbine In order to efficiently and reliably manage wind energy microgrids via the detection and diagnosis of faults in real time, dhar et al. Microgrid is an important and necessary component of smart grid development. In the second scenario, the microgrid operates with a wind turbine at rated power. The microgrid model ( figure 1) features a wind farm consisting of. Microgrid Wind Turbine.
From sabrerigs.co.uk
Microgrid With Small Wind Turbine Sabre Rigs Microgrid Wind Turbine In order to efficiently and reliably manage wind energy microgrids via the detection and diagnosis of faults in real time, dhar et al. A wind mg is an electrical distribution system with a set of interconnected load and wind turbines that. A hybrid microgrid composed of a 6 kwp photovoltaic system and two wind turbines of 3 kw each was. Microgrid Wind Turbine.
From www.mdpi.com
Energies Free FullText A Review on HydrogenBased Hybrid Microgrid Microgrid Wind Turbine In order to efficiently and reliably manage wind energy microgrids via the detection and diagnosis of faults in real time, dhar et al. Microgrid is an important and necessary component of smart grid development. In the second scenario, the microgrid operates with a wind turbine at rated power. A wind mg is an electrical distribution system with a set of. Microgrid Wind Turbine.
From control.mathworks.com
Island Microgrid Wind Turbine 150 kW File Exchange MATLAB Central Microgrid Wind Turbine The focus lies on a comprehensive examination of the microgrid configuration linked to a wind turbine, encompassing aspects such. In the second scenario, the microgrid operates with a wind turbine at rated power. The microgrid model ( figure 1) features a wind farm consisting of three wind turbines, with each turbine block consisting of a generator,. Microgrid is an important. Microgrid Wind Turbine.
From grid.pitt.edu
District Energy The Grid of Microgrids Energy GRID Institute Microgrid Wind Turbine The microgrid model ( figure 1) features a wind farm consisting of three wind turbines, with each turbine block consisting of a generator,. In order to efficiently and reliably manage wind energy microgrids via the detection and diagnosis of faults in real time, dhar et al. Microgrid is an important and necessary component of smart grid development. A hybrid microgrid. Microgrid Wind Turbine.
From veckta.com
VECKTA Discusses Small Wind Turbines For Microgrids Microgrid Wind Turbine The focus lies on a comprehensive examination of the microgrid configuration linked to a wind turbine, encompassing aspects such. Microgrid is an important and necessary component of smart grid development. A hybrid microgrid composed of a 6 kwp photovoltaic system and two wind turbines of 3 kw each was implemented and has proven. A wind mg is an electrical distribution. Microgrid Wind Turbine.
From compareelectricity.com
This New Microgrid Combines Solar, Wind, Gas, Batteries, and a Microgrid Wind Turbine In the second scenario, the microgrid operates with a wind turbine at rated power. Microgrid is an important and necessary component of smart grid development. The focus lies on a comprehensive examination of the microgrid configuration linked to a wind turbine, encompassing aspects such. A wind mg is an electrical distribution system with a set of interconnected load and wind. Microgrid Wind Turbine.
From arstechnica.com
Inside (literally) wind turbines meant to work at the South Pole—and Microgrid Wind Turbine The microgrid model ( figure 1) features a wind farm consisting of three wind turbines, with each turbine block consisting of a generator,. In order to efficiently and reliably manage wind energy microgrids via the detection and diagnosis of faults in real time, dhar et al. A hybrid microgrid composed of a 6 kwp photovoltaic system and two wind turbines. Microgrid Wind Turbine.
From www.youtube.com
PV Wind Battery Based DC Microgrid PO MPPT in MATLAB PV Wind Battery Microgrid Wind Turbine The microgrid model ( figure 1) features a wind farm consisting of three wind turbines, with each turbine block consisting of a generator,. In order to efficiently and reliably manage wind energy microgrids via the detection and diagnosis of faults in real time, dhar et al. A wind mg is an electrical distribution system with a set of interconnected load. Microgrid Wind Turbine.
From www.microgridknowledge.com
What is a microgrid? Watch this video Microgrid Knowledge Microgrid Wind Turbine In order to efficiently and reliably manage wind energy microgrids via the detection and diagnosis of faults in real time, dhar et al. The focus lies on a comprehensive examination of the microgrid configuration linked to a wind turbine, encompassing aspects such. In the second scenario, the microgrid operates with a wind turbine at rated power. Microgrid is an important. Microgrid Wind Turbine.
From www.dreamstime.com
Micro grid wind turbines editorial stock photo. Image of battery 91781138 Microgrid Wind Turbine In order to efficiently and reliably manage wind energy microgrids via the detection and diagnosis of faults in real time, dhar et al. A hybrid microgrid composed of a 6 kwp photovoltaic system and two wind turbines of 3 kw each was implemented and has proven. In the second scenario, the microgrid operates with a wind turbine at rated power.. Microgrid Wind Turbine.
From www.airvoltaics.com
Wind Turbine, the Missing Piece of the Puzzle for Microgrids Microgrid Wind Turbine In order to efficiently and reliably manage wind energy microgrids via the detection and diagnosis of faults in real time, dhar et al. A wind mg is an electrical distribution system with a set of interconnected load and wind turbines that. Microgrid is an important and necessary component of smart grid development. In the second scenario, the microgrid operates with. Microgrid Wind Turbine.
From www.opiumpower.com
Microgrids Opium Power Microgrid Wind Turbine A wind mg is an electrical distribution system with a set of interconnected load and wind turbines that. The focus lies on a comprehensive examination of the microgrid configuration linked to a wind turbine, encompassing aspects such. In the second scenario, the microgrid operates with a wind turbine at rated power. Microgrid is an important and necessary component of smart. Microgrid Wind Turbine.
From phys.org
Alaskan microgrids offer energy resilience and independence Microgrid Wind Turbine In the second scenario, the microgrid operates with a wind turbine at rated power. The microgrid model ( figure 1) features a wind farm consisting of three wind turbines, with each turbine block consisting of a generator,. A hybrid microgrid composed of a 6 kwp photovoltaic system and two wind turbines of 3 kw each was implemented and has proven.. Microgrid Wind Turbine.