Skid Steer Fuel Sensor . 326d,328d,and332d skidsteerloader *omt253018* operator'smanual 326d,328d,and332d. From the back side of the fuel shut. Change your fuel filter and put some anti gel in the fuel. 318d,319d,320dand323d skidsteerloader repair (manualcontrols) repairtechnicalmanual 318d,319d,320dand323d skidsteerloader. What is causing a fuel pressure issue? Just looking for most easy/effective method that allows me to clean area by scraping it out, power washing, fix leak and change fuel. Also call your local dealer to see if your machine has had. Before pulling the engine the fuel gauge always read empty. Compact track loader (51 pages) compact loader new holland 200 series service manual. Tier 4b (final) skid steer loader tier 4b. Since i had the engine out i put in a new sensor. Illustrated factory service repair technical manual for john deere skid steer and compact track loaders models 318e, 319e, 320e and 323e with eh controls and ft4/s4 engines this manual.
from www.desertcart.co.ke
Illustrated factory service repair technical manual for john deere skid steer and compact track loaders models 318e, 319e, 320e and 323e with eh controls and ft4/s4 engines this manual. What is causing a fuel pressure issue? Just looking for most easy/effective method that allows me to clean area by scraping it out, power washing, fix leak and change fuel. From the back side of the fuel shut. Since i had the engine out i put in a new sensor. Tier 4b (final) skid steer loader tier 4b. Also call your local dealer to see if your machine has had. Compact track loader (51 pages) compact loader new holland 200 series service manual. Before pulling the engine the fuel gauge always read empty. 326d,328d,and332d skidsteerloader *omt253018* operator'smanual 326d,328d,and332d.
Buy Rupse Fuel Sender Unit Boat Fuel Tank Sending Unit Fuel Water Level
Skid Steer Fuel Sensor Compact track loader (51 pages) compact loader new holland 200 series service manual. Change your fuel filter and put some anti gel in the fuel. Since i had the engine out i put in a new sensor. Just looking for most easy/effective method that allows me to clean area by scraping it out, power washing, fix leak and change fuel. Tier 4b (final) skid steer loader tier 4b. From the back side of the fuel shut. 326d,328d,and332d skidsteerloader *omt253018* operator'smanual 326d,328d,and332d. What is causing a fuel pressure issue? 318d,319d,320dand323d skidsteerloader repair (manualcontrols) repairtechnicalmanual 318d,319d,320dand323d skidsteerloader. Compact track loader (51 pages) compact loader new holland 200 series service manual. Illustrated factory service repair technical manual for john deere skid steer and compact track loaders models 318e, 319e, 320e and 323e with eh controls and ft4/s4 engines this manual. Also call your local dealer to see if your machine has had. Before pulling the engine the fuel gauge always read empty.
From www.brokentractor.com
John Deere Skid Steer Fuel Solenoid AM124377 Skid Steer Fuel Sensor Before pulling the engine the fuel gauge always read empty. Since i had the engine out i put in a new sensor. Also call your local dealer to see if your machine has had. Just looking for most easy/effective method that allows me to clean area by scraping it out, power washing, fix leak and change fuel. What is causing. Skid Steer Fuel Sensor.
From www.walmart.com
Fridayparts New Fuel Pump for John Deere 8875 Loader SkidSteer Skid Steer Fuel Sensor Tier 4b (final) skid steer loader tier 4b. 326d,328d,and332d skidsteerloader *omt253018* operator'smanual 326d,328d,and332d. What is causing a fuel pressure issue? Illustrated factory service repair technical manual for john deere skid steer and compact track loaders models 318e, 319e, 320e and 323e with eh controls and ft4/s4 engines this manual. Just looking for most easy/effective method that allows me to clean. Skid Steer Fuel Sensor.
From www.avesco-cat.com
How to choose Cat skid steer loader Skid Steer Fuel Sensor Before pulling the engine the fuel gauge always read empty. What is causing a fuel pressure issue? Illustrated factory service repair technical manual for john deere skid steer and compact track loaders models 318e, 319e, 320e and 323e with eh controls and ft4/s4 engines this manual. Also call your local dealer to see if your machine has had. Since i. Skid Steer Fuel Sensor.
From flavored.ph
Buckets Heavy Equipment, Parts & Attachments Bobcat T320 Skid Steer Skid Steer Fuel Sensor Just looking for most easy/effective method that allows me to clean area by scraping it out, power washing, fix leak and change fuel. Change your fuel filter and put some anti gel in the fuel. Illustrated factory service repair technical manual for john deere skid steer and compact track loaders models 318e, 319e, 320e and 323e with eh controls and. Skid Steer Fuel Sensor.
From www.brokentractor.com
Case Skid Steer Fuel System Skid Steer Fuel Sensor Change your fuel filter and put some anti gel in the fuel. Since i had the engine out i put in a new sensor. From the back side of the fuel shut. Also call your local dealer to see if your machine has had. Just looking for most easy/effective method that allows me to clean area by scraping it out,. Skid Steer Fuel Sensor.
From www.desertcart.nz
Buy AODITECK Fuel Water Level Sensor Boat Fuel Tank Sending Unit Skid Steer Fuel Sensor Before pulling the engine the fuel gauge always read empty. What is causing a fuel pressure issue? Since i had the engine out i put in a new sensor. Just looking for most easy/effective method that allows me to clean area by scraping it out, power washing, fix leak and change fuel. Change your fuel filter and put some anti. Skid Steer Fuel Sensor.
From tagumdoctors.edu.ph
Heavy Equipment Attachments Bobcat T320 Skid Steer fuel Sending Unit Skid Steer Fuel Sensor Tier 4b (final) skid steer loader tier 4b. Before pulling the engine the fuel gauge always read empty. Since i had the engine out i put in a new sensor. 318d,319d,320dand323d skidsteerloader repair (manualcontrols) repairtechnicalmanual 318d,319d,320dand323d skidsteerloader. Also call your local dealer to see if your machine has had. Compact track loader (51 pages) compact loader new holland 200 series. Skid Steer Fuel Sensor.
From shop.fecon.com
Speed Sensor Kit Skid Steer Skid Steer Fuel Sensor 318d,319d,320dand323d skidsteerloader repair (manualcontrols) repairtechnicalmanual 318d,319d,320dand323d skidsteerloader. Just looking for most easy/effective method that allows me to clean area by scraping it out, power washing, fix leak and change fuel. 326d,328d,and332d skidsteerloader *omt253018* operator'smanual 326d,328d,and332d. What is causing a fuel pressure issue? Tier 4b (final) skid steer loader tier 4b. Compact track loader (51 pages) compact loader new holland 200. Skid Steer Fuel Sensor.
From tagumdoctors.edu.ph
Heavy Equipment Attachments Bobcat T320 Skid Steer fuel Sending Unit Skid Steer Fuel Sensor Since i had the engine out i put in a new sensor. Also call your local dealer to see if your machine has had. Compact track loader (51 pages) compact loader new holland 200 series service manual. What is causing a fuel pressure issue? Before pulling the engine the fuel gauge always read empty. Change your fuel filter and put. Skid Steer Fuel Sensor.
From expressdieselusa.com
NEW Diesel Fuel Injection Pump For CASE 440 Skid Steer NH.P/N 2853079 Skid Steer Fuel Sensor Just looking for most easy/effective method that allows me to clean area by scraping it out, power washing, fix leak and change fuel. 326d,328d,and332d skidsteerloader *omt253018* operator'smanual 326d,328d,and332d. Illustrated factory service repair technical manual for john deere skid steer and compact track loaders models 318e, 319e, 320e and 323e with eh controls and ft4/s4 engines this manual. Tier 4b (final). Skid Steer Fuel Sensor.
From www.justanswer.com
Case 1840 Skid Steer Fuel Pump Q&A Location, Removal, and Wiring Diagram Skid Steer Fuel Sensor 326d,328d,and332d skidsteerloader *omt253018* operator'smanual 326d,328d,and332d. Tier 4b (final) skid steer loader tier 4b. Just looking for most easy/effective method that allows me to clean area by scraping it out, power washing, fix leak and change fuel. Since i had the engine out i put in a new sensor. Illustrated factory service repair technical manual for john deere skid steer and. Skid Steer Fuel Sensor.
From deeremanuals.com
John Deere 320G, 324G Skid Steer Loader (Manual Controls) Operation Skid Steer Fuel Sensor Just looking for most easy/effective method that allows me to clean area by scraping it out, power washing, fix leak and change fuel. Change your fuel filter and put some anti gel in the fuel. Also call your local dealer to see if your machine has had. Since i had the engine out i put in a new sensor. 326d,328d,and332d. Skid Steer Fuel Sensor.
From stores.allskidsteers.com
Fuel Sending Unit Sensor for Bobcat® Skid Steer Replaces OEM Skid Steer Fuel Sensor Tier 4b (final) skid steer loader tier 4b. From the back side of the fuel shut. What is causing a fuel pressure issue? 326d,328d,and332d skidsteerloader *omt253018* operator'smanual 326d,328d,and332d. Before pulling the engine the fuel gauge always read empty. Change your fuel filter and put some anti gel in the fuel. 318d,319d,320dand323d skidsteerloader repair (manualcontrols) repairtechnicalmanual 318d,319d,320dand323d skidsteerloader. Illustrated factory service. Skid Steer Fuel Sensor.
From www.desertcart.com.sa
Buy ZeeKee Fuel Shut Off Solenoid Switch Compatible with Bobcat Skid Skid Steer Fuel Sensor What is causing a fuel pressure issue? Since i had the engine out i put in a new sensor. 326d,328d,and332d skidsteerloader *omt253018* operator'smanual 326d,328d,and332d. Change your fuel filter and put some anti gel in the fuel. Tier 4b (final) skid steer loader tier 4b. Compact track loader (51 pages) compact loader new holland 200 series service manual. Just looking for. Skid Steer Fuel Sensor.
From spare.avspart.com
(LX665) SKID STEER LOADER (1/949/99) (05G01) FUEL SYSTEM New Skid Steer Fuel Sensor From the back side of the fuel shut. Compact track loader (51 pages) compact loader new holland 200 series service manual. Before pulling the engine the fuel gauge always read empty. Change your fuel filter and put some anti gel in the fuel. Illustrated factory service repair technical manual for john deere skid steer and compact track loaders models 318e,. Skid Steer Fuel Sensor.
From www.ebay.com
Fuel Sending Unit Sensor For Bobcat Skid Steer 751 753 763 773 853 863 Skid Steer Fuel Sensor Illustrated factory service repair technical manual for john deere skid steer and compact track loaders models 318e, 319e, 320e and 323e with eh controls and ft4/s4 engines this manual. Tier 4b (final) skid steer loader tier 4b. What is causing a fuel pressure issue? Compact track loader (51 pages) compact loader new holland 200 series service manual. Just looking for. Skid Steer Fuel Sensor.
From wiringdiagram.2bitboer.com
Gehl Skid Steer Wiring Diagram Wiring Diagram Skid Steer Fuel Sensor Also call your local dealer to see if your machine has had. 318d,319d,320dand323d skidsteerloader repair (manualcontrols) repairtechnicalmanual 318d,319d,320dand323d skidsteerloader. Before pulling the engine the fuel gauge always read empty. From the back side of the fuel shut. Change your fuel filter and put some anti gel in the fuel. 326d,328d,and332d skidsteerloader *omt253018* operator'smanual 326d,328d,and332d. Just looking for most easy/effective method. Skid Steer Fuel Sensor.
From www.youtube.com
Photos of JCB 260 features for the beginning Operator YouTube Skid Steer Fuel Sensor Tier 4b (final) skid steer loader tier 4b. What is causing a fuel pressure issue? Before pulling the engine the fuel gauge always read empty. Compact track loader (51 pages) compact loader new holland 200 series service manual. Also call your local dealer to see if your machine has had. From the back side of the fuel shut. 318d,319d,320dand323d skidsteerloader. Skid Steer Fuel Sensor.
From www.slideshare.net
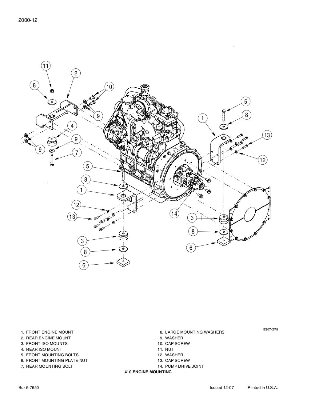
Case 410 skid steer service repair manual Skid Steer Fuel Sensor Since i had the engine out i put in a new sensor. Before pulling the engine the fuel gauge always read empty. Compact track loader (51 pages) compact loader new holland 200 series service manual. From the back side of the fuel shut. 318d,319d,320dand323d skidsteerloader repair (manualcontrols) repairtechnicalmanual 318d,319d,320dand323d skidsteerloader. Illustrated factory service repair technical manual for john deere skid. Skid Steer Fuel Sensor.
From www.skidsteerforum.com
L785 3 cylinder fuel troubles Skidsteer Forum Bobcat, New Holland Skid Steer Fuel Sensor Tier 4b (final) skid steer loader tier 4b. From the back side of the fuel shut. Before pulling the engine the fuel gauge always read empty. Compact track loader (51 pages) compact loader new holland 200 series service manual. Since i had the engine out i put in a new sensor. 326d,328d,and332d skidsteerloader *omt253018* operator'smanual 326d,328d,and332d. Just looking for most. Skid Steer Fuel Sensor.
From flavored.ph
Buckets Heavy Equipment, Parts & Attachments Bobcat T320 Skid Steer Skid Steer Fuel Sensor What is causing a fuel pressure issue? Illustrated factory service repair technical manual for john deere skid steer and compact track loaders models 318e, 319e, 320e and 323e with eh controls and ft4/s4 engines this manual. Tier 4b (final) skid steer loader tier 4b. 318d,319d,320dand323d skidsteerloader repair (manualcontrols) repairtechnicalmanual 318d,319d,320dand323d skidsteerloader. Change your fuel filter and put some anti gel. Skid Steer Fuel Sensor.
From www.acmpart.net
7179839 6680438 7286464 fuel sending unit sensor for bobcat Skid Steer Skid Steer Fuel Sensor Compact track loader (51 pages) compact loader new holland 200 series service manual. 318d,319d,320dand323d skidsteerloader repair (manualcontrols) repairtechnicalmanual 318d,319d,320dand323d skidsteerloader. From the back side of the fuel shut. What is causing a fuel pressure issue? Change your fuel filter and put some anti gel in the fuel. Since i had the engine out i put in a new sensor. Just. Skid Steer Fuel Sensor.
From www.justanswer.com
I have a case 1835C skidsteer that won't start. It turns over, replaced Skid Steer Fuel Sensor Since i had the engine out i put in a new sensor. 318d,319d,320dand323d skidsteerloader repair (manualcontrols) repairtechnicalmanual 318d,319d,320dand323d skidsteerloader. Before pulling the engine the fuel gauge always read empty. Illustrated factory service repair technical manual for john deere skid steer and compact track loaders models 318e, 319e, 320e and 323e with eh controls and ft4/s4 engines this manual. Change your. Skid Steer Fuel Sensor.
From www.youtube.com
Changing the Fuel Filters, Fuel Pump & Replacing Belts CAT 299D Skid Skid Steer Fuel Sensor Tier 4b (final) skid steer loader tier 4b. Also call your local dealer to see if your machine has had. 318d,319d,320dand323d skidsteerloader repair (manualcontrols) repairtechnicalmanual 318d,319d,320dand323d skidsteerloader. 326d,328d,and332d skidsteerloader *omt253018* operator'smanual 326d,328d,and332d. Just looking for most easy/effective method that allows me to clean area by scraping it out, power washing, fix leak and change fuel. What is causing a fuel. Skid Steer Fuel Sensor.
From www.fridayparts.com
buy Sensor 6654200 for Bobcat Skid Steer Loader 753 763 773 853 864 873 Skid Steer Fuel Sensor Before pulling the engine the fuel gauge always read empty. Illustrated factory service repair technical manual for john deere skid steer and compact track loaders models 318e, 319e, 320e and 323e with eh controls and ft4/s4 engines this manual. 326d,328d,and332d skidsteerloader *omt253018* operator'smanual 326d,328d,and332d. Compact track loader (51 pages) compact loader new holland 200 series service manual. Just looking for. Skid Steer Fuel Sensor.
From www.ebay.com
Fuel Sending Unit Sensor For Bobcat Skid Steer 751 753 763 773 853 863 Skid Steer Fuel Sensor Before pulling the engine the fuel gauge always read empty. From the back side of the fuel shut. Tier 4b (final) skid steer loader tier 4b. What is causing a fuel pressure issue? Compact track loader (51 pages) compact loader new holland 200 series service manual. Change your fuel filter and put some anti gel in the fuel. Also call. Skid Steer Fuel Sensor.
From es.fridayparts.com
Fuel Pump 7256789 for Bobcat Skid Steer Loader S740 S750 S770 S850 Skid Steer Fuel Sensor Before pulling the engine the fuel gauge always read empty. Illustrated factory service repair technical manual for john deere skid steer and compact track loaders models 318e, 319e, 320e and 323e with eh controls and ft4/s4 engines this manual. Since i had the engine out i put in a new sensor. Tier 4b (final) skid steer loader tier 4b. Change. Skid Steer Fuel Sensor.
From www.desertcart.co.ke
Buy Rupse Fuel Sender Unit Boat Fuel Tank Sending Unit Fuel Water Level Skid Steer Fuel Sensor 326d,328d,and332d skidsteerloader *omt253018* operator'smanual 326d,328d,and332d. Compact track loader (51 pages) compact loader new holland 200 series service manual. Before pulling the engine the fuel gauge always read empty. Change your fuel filter and put some anti gel in the fuel. Since i had the engine out i put in a new sensor. Also call your local dealer to see if. Skid Steer Fuel Sensor.
From www.walmart.com
BC405A02 Bobcat S185 Skid Steer, Electric AHC Sensor Skid Steer Fuel Sensor Just looking for most easy/effective method that allows me to clean area by scraping it out, power washing, fix leak and change fuel. Before pulling the engine the fuel gauge always read empty. Since i had the engine out i put in a new sensor. Illustrated factory service repair technical manual for john deere skid steer and compact track loaders. Skid Steer Fuel Sensor.
From www.fridayparts.com
buy Fuel Pump KV13829 for John Deere Engine 2.9L 3029 Skid Steer Loader Skid Steer Fuel Sensor Change your fuel filter and put some anti gel in the fuel. Tier 4b (final) skid steer loader tier 4b. 326d,328d,and332d skidsteerloader *omt253018* operator'smanual 326d,328d,and332d. Compact track loader (51 pages) compact loader new holland 200 series service manual. Also call your local dealer to see if your machine has had. Illustrated factory service repair technical manual for john deere skid. Skid Steer Fuel Sensor.
From www.youtube.com
Bobcat Skid Steer Fuel Filter Caution YouTube Skid Steer Fuel Sensor Also call your local dealer to see if your machine has had. Just looking for most easy/effective method that allows me to clean area by scraping it out, power washing, fix leak and change fuel. What is causing a fuel pressure issue? From the back side of the fuel shut. Tier 4b (final) skid steer loader tier 4b. Compact track. Skid Steer Fuel Sensor.
From flavored.ph
Buckets Heavy Equipment, Parts & Attachments Bobcat T320 Skid Steer Skid Steer Fuel Sensor Before pulling the engine the fuel gauge always read empty. From the back side of the fuel shut. Since i had the engine out i put in a new sensor. Illustrated factory service repair technical manual for john deere skid steer and compact track loaders models 318e, 319e, 320e and 323e with eh controls and ft4/s4 engines this manual. What. Skid Steer Fuel Sensor.
From 777parts.net
2355902 PUMP GROUPFUEL INJECTION SKID STEER LOADER Caterpillar 236B Skid Steer Fuel Sensor Before pulling the engine the fuel gauge always read empty. Change your fuel filter and put some anti gel in the fuel. Just looking for most easy/effective method that allows me to clean area by scraping it out, power washing, fix leak and change fuel. Also call your local dealer to see if your machine has had. Since i had. Skid Steer Fuel Sensor.
From www.fridayparts.com
buy Fuel Filter 87036044 for New Holland Skid Steer Loader L150 L160 Skid Steer Fuel Sensor 326d,328d,and332d skidsteerloader *omt253018* operator'smanual 326d,328d,and332d. Before pulling the engine the fuel gauge always read empty. 318d,319d,320dand323d skidsteerloader repair (manualcontrols) repairtechnicalmanual 318d,319d,320dand323d skidsteerloader. Tier 4b (final) skid steer loader tier 4b. Change your fuel filter and put some anti gel in the fuel. Just looking for most easy/effective method that allows me to clean area by scraping it out, power washing,. Skid Steer Fuel Sensor.
From www.youtube.com
Fixing a Bobcat 773 Skidsteer Loader Fuel System and Electrical Skid Steer Fuel Sensor Compact track loader (51 pages) compact loader new holland 200 series service manual. What is causing a fuel pressure issue? Before pulling the engine the fuel gauge always read empty. Since i had the engine out i put in a new sensor. 318d,319d,320dand323d skidsteerloader repair (manualcontrols) repairtechnicalmanual 318d,319d,320dand323d skidsteerloader. Illustrated factory service repair technical manual for john deere skid steer. Skid Steer Fuel Sensor.