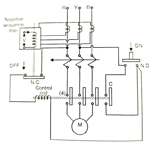
Single Phase Preventer Connection . Single phasing preventer is used for protection and burnouts of pumps and motors against phase unbalance missing and negative. Single phasing is a very dangerous fault to the electrical Single phase preventer installation with motor starterin this video we explain jepro single phase. 2 feb 2022 by electrical workbook. Single phase preventer is used to protect the induction motor from single phasing fault. The circuit diagram of a single phase preventer includes various components such as relays, resistors, diodes, and capacitors.
from forumelectrical.com
Single phase preventer is used to protect the induction motor from single phasing fault. Single phase preventer installation with motor starterin this video we explain jepro single phase. Single phasing preventer is used for protection and burnouts of pumps and motors against phase unbalance missing and negative. The circuit diagram of a single phase preventer includes various components such as relays, resistors, diodes, and capacitors. 2 feb 2022 by electrical workbook. Single phasing is a very dangerous fault to the electrical
What is meant by Single Phasing Preventer Relay?
Single Phase Preventer Connection Single phasing is a very dangerous fault to the electrical Single phasing preventer is used for protection and burnouts of pumps and motors against phase unbalance missing and negative. Single phasing is a very dangerous fault to the electrical Single phase preventer installation with motor starterin this video we explain jepro single phase. The circuit diagram of a single phase preventer includes various components such as relays, resistors, diodes, and capacitors. Single phase preventer is used to protect the induction motor from single phasing fault. 2 feb 2022 by electrical workbook.
From www.youtube.com
Single phase preventer connection/SPP connectio/Single phase preventer Single Phase Preventer Connection Single phase preventer installation with motor starterin this video we explain jepro single phase. 2 feb 2022 by electrical workbook. Single phasing is a very dangerous fault to the electrical The circuit diagram of a single phase preventer includes various components such as relays, resistors, diodes, and capacitors. Single phase preventer is used to protect the induction motor from single. Single Phase Preventer Connection.
From www.youtube.com
Single Phasing Preventer wiring connection in Tamil Electrical Single Phase Preventer Connection Single phase preventer is used to protect the induction motor from single phasing fault. 2 feb 2022 by electrical workbook. Single phasing preventer is used for protection and burnouts of pumps and motors against phase unbalance missing and negative. The circuit diagram of a single phase preventer includes various components such as relays, resistors, diodes, and capacitors. Single phase preventer. Single Phase Preventer Connection.
From userlistkoenig.z19.web.core.windows.net
Automatic Single Phase Preventer Circuit Diagram Single Phase Preventer Connection Single phase preventer installation with motor starterin this video we explain jepro single phase. Single phase preventer is used to protect the induction motor from single phasing fault. The circuit diagram of a single phase preventer includes various components such as relays, resistors, diodes, and capacitors. 2 feb 2022 by electrical workbook. Single phasing is a very dangerous fault to. Single Phase Preventer Connection.
From schematiclistgaur55.z22.web.core.windows.net
Single Phase Preventer Circuit Diagram Single Phase Preventer Connection The circuit diagram of a single phase preventer includes various components such as relays, resistors, diodes, and capacitors. Single phasing is a very dangerous fault to the electrical Single phasing preventer is used for protection and burnouts of pumps and motors against phase unbalance missing and negative. 2 feb 2022 by electrical workbook. Single phase preventer installation with motor starterin. Single Phase Preventer Connection.
From www.youtube.com
how to work single phase preventer wiring diagram what is SPPR phase Single Phase Preventer Connection Single phase preventer is used to protect the induction motor from single phasing fault. The circuit diagram of a single phase preventer includes various components such as relays, resistors, diodes, and capacitors. Single phasing is a very dangerous fault to the electrical 2 feb 2022 by electrical workbook. Single phase preventer installation with motor starterin this video we explain jepro. Single Phase Preventer Connection.
From www.etechnog.com
Working and connection diagram of Single Phasing Preventer ETechnoG Single Phase Preventer Connection Single phasing preventer is used for protection and burnouts of pumps and motors against phase unbalance missing and negative. Single phasing is a very dangerous fault to the electrical Single phase preventer is used to protect the induction motor from single phasing fault. 2 feb 2022 by electrical workbook. Single phase preventer installation with motor starterin this video we explain. Single Phase Preventer Connection.
From www.youtube.com
single phasing preventor connection diagram phase failure relay Single Phase Preventer Connection Single phase preventer installation with motor starterin this video we explain jepro single phase. Single phasing is a very dangerous fault to the electrical 2 feb 2022 by electrical workbook. Single phasing preventer is used for protection and burnouts of pumps and motors against phase unbalance missing and negative. The circuit diagram of a single phase preventer includes various components. Single Phase Preventer Connection.
From www.youtube.com
Single phase preventor connection with dol starter VSP D1 phase Single Phase Preventer Connection Single phase preventer installation with motor starterin this video we explain jepro single phase. Single phasing preventer is used for protection and burnouts of pumps and motors against phase unbalance missing and negative. 2 feb 2022 by electrical workbook. Single phase preventer is used to protect the induction motor from single phasing fault. Single phasing is a very dangerous fault. Single Phase Preventer Connection.
From www.youtube.com
How to Connect Assembled Auto Start Single Phasing Preventer to a Three Single Phase Preventer Connection Single phasing preventer is used for protection and burnouts of pumps and motors against phase unbalance missing and negative. Single phasing is a very dangerous fault to the electrical Single phase preventer installation with motor starterin this video we explain jepro single phase. Single phase preventer is used to protect the induction motor from single phasing fault. The circuit diagram. Single Phase Preventer Connection.
From www.dvsurdhi.net
Single Phasing Preventer Manufacturer, Supplier from Delhi Single Phase Preventer Connection Single phase preventer installation with motor starterin this video we explain jepro single phase. 2 feb 2022 by electrical workbook. Single phase preventer is used to protect the induction motor from single phasing fault. Single phasing preventer is used for protection and burnouts of pumps and motors against phase unbalance missing and negative. The circuit diagram of a single phase. Single Phase Preventer Connection.
From www.youtube.com
Connecting Naren Single Phase Preventor SP2 to LTLK DOL Starter Single Phase Preventer Connection Single phase preventer is used to protect the induction motor from single phasing fault. Single phasing is a very dangerous fault to the electrical 2 feb 2022 by electrical workbook. Single phase preventer installation with motor starterin this video we explain jepro single phase. Single phasing preventer is used for protection and burnouts of pumps and motors against phase unbalance. Single Phase Preventer Connection.
From www.circuitdiagram.co
Gic Single Phase Preventer Wiring Diagram Single Phase Preventer Connection The circuit diagram of a single phase preventer includes various components such as relays, resistors, diodes, and capacitors. Single phase preventer is used to protect the induction motor from single phasing fault. Single phasing is a very dangerous fault to the electrical Single phase preventer installation with motor starterin this video we explain jepro single phase. Single phasing preventer is. Single Phase Preventer Connection.
From electricalnotebook.com
Practical Operation of Single Phasing Preventer Experiment Single Phase Preventer Connection Single phase preventer is used to protect the induction motor from single phasing fault. The circuit diagram of a single phase preventer includes various components such as relays, resistors, diodes, and capacitors. Single phasing preventer is used for protection and burnouts of pumps and motors against phase unbalance missing and negative. Single phase preventer installation with motor starterin this video. Single Phase Preventer Connection.
From electricalnotebook.com
Practical Operation of Single Phasing Preventer Experiment Single Phase Preventer Connection Single phasing preventer is used for protection and burnouts of pumps and motors against phase unbalance missing and negative. Single phase preventer is used to protect the induction motor from single phasing fault. Single phase preventer installation with motor starterin this video we explain jepro single phase. Single phasing is a very dangerous fault to the electrical 2 feb 2022. Single Phase Preventer Connection.
From www.youtube.com
Single phase preventer connection Engineers CommonRoom ą„¤Electrical Single Phase Preventer Connection Single phasing preventer is used for protection and burnouts of pumps and motors against phase unbalance missing and negative. Single phase preventer installation with motor starterin this video we explain jepro single phase. Single phase preventer is used to protect the induction motor from single phasing fault. Single phasing is a very dangerous fault to the electrical The circuit diagram. Single Phase Preventer Connection.
From www.etechnog.com
Working and connection diagram of Single Phasing Preventer ETechnoG Single Phase Preventer Connection Single phase preventer installation with motor starterin this video we explain jepro single phase. 2 feb 2022 by electrical workbook. Single phasing is a very dangerous fault to the electrical Single phase preventer is used to protect the induction motor from single phasing fault. The circuit diagram of a single phase preventer includes various components such as relays, resistors, diodes,. Single Phase Preventer Connection.
From www.youtube.com
Single Phase Preventer Wiring Connection Diagram Phase Failure Relay Single Phase Preventer Connection The circuit diagram of a single phase preventer includes various components such as relays, resistors, diodes, and capacitors. Single phasing is a very dangerous fault to the electrical 2 feb 2022 by electrical workbook. Single phase preventer installation with motor starterin this video we explain jepro single phase. Single phase preventer is used to protect the induction motor from single. Single Phase Preventer Connection.
From www.youtube.com
Single phase preventer connection way YouTube Single Phase Preventer Connection Single phase preventer is used to protect the induction motor from single phasing fault. Single phasing is a very dangerous fault to the electrical Single phasing preventer is used for protection and burnouts of pumps and motors against phase unbalance missing and negative. The circuit diagram of a single phase preventer includes various components such as relays, resistors, diodes, and. Single Phase Preventer Connection.
From guidediagramjargonises.z14.web.core.windows.net
Single Phase Preventer Circuit Diagram Single Phase Preventer Connection 2 feb 2022 by electrical workbook. Single phase preventer is used to protect the induction motor from single phasing fault. Single phasing is a very dangerous fault to the electrical The circuit diagram of a single phase preventer includes various components such as relays, resistors, diodes, and capacitors. Single phasing preventer is used for protection and burnouts of pumps and. Single Phase Preventer Connection.
From www.youtube.com
Single phase preventer connection in Starter (VMR) Voltage monitoring Single Phase Preventer Connection Single phase preventer installation with motor starterin this video we explain jepro single phase. Single phase preventer is used to protect the induction motor from single phasing fault. 2 feb 2022 by electrical workbook. The circuit diagram of a single phase preventer includes various components such as relays, resistors, diodes, and capacitors. Single phasing preventer is used for protection and. Single Phase Preventer Connection.
From www.youtube.com
PHASE FAILURE RELAY CONNECTION! SINGLE PHASE PREVENTER CONNECTION Single Phase Preventer Connection Single phase preventer is used to protect the induction motor from single phasing fault. The circuit diagram of a single phase preventer includes various components such as relays, resistors, diodes, and capacitors. Single phasing preventer is used for protection and burnouts of pumps and motors against phase unbalance missing and negative. 2 feb 2022 by electrical workbook. Single phase preventer. Single Phase Preventer Connection.
From www.youtube.com
single phase preventer connection diagram YouTube Single Phase Preventer Connection Single phasing preventer is used for protection and burnouts of pumps and motors against phase unbalance missing and negative. Single phase preventer is used to protect the induction motor from single phasing fault. Single phasing is a very dangerous fault to the electrical Single phase preventer installation with motor starterin this video we explain jepro single phase. The circuit diagram. Single Phase Preventer Connection.
From electrical-wiring-work.web.app
Dol Starter With Single Phase Preventer Connection Diagram Electrical Single Phase Preventer Connection Single phase preventer is used to protect the induction motor from single phasing fault. Single phasing preventer is used for protection and burnouts of pumps and motors against phase unbalance missing and negative. 2 feb 2022 by electrical workbook. Single phasing is a very dangerous fault to the electrical Single phase preventer installation with motor starterin this video we explain. Single Phase Preventer Connection.
From www.youtube.com
DOL Starter Single Phase Preventer Connection DOL Starter me single Single Phase Preventer Connection Single phase preventer installation with motor starterin this video we explain jepro single phase. Single phasing is a very dangerous fault to the electrical 2 feb 2022 by electrical workbook. The circuit diagram of a single phase preventer includes various components such as relays, resistors, diodes, and capacitors. Single phasing preventer is used for protection and burnouts of pumps and. Single Phase Preventer Connection.
From www.youtube.com
Single Phase Preventer Full Wiring Diagram SPPR Ki Wiring Kese karen Single Phase Preventer Connection Single phasing preventer is used for protection and burnouts of pumps and motors against phase unbalance missing and negative. Single phase preventer installation with motor starterin this video we explain jepro single phase. Single phase preventer is used to protect the induction motor from single phasing fault. Single phasing is a very dangerous fault to the electrical 2 feb 2022. Single Phase Preventer Connection.
From earthbondhon.com
Single Phase preventer working & installation Earth Bondhon Single Phase Preventer Connection The circuit diagram of a single phase preventer includes various components such as relays, resistors, diodes, and capacitors. Single phase preventer installation with motor starterin this video we explain jepro single phase. Single phasing is a very dangerous fault to the electrical 2 feb 2022 by electrical workbook. Single phasing preventer is used for protection and burnouts of pumps and. Single Phase Preventer Connection.
From instrumentationtools.com
Working Principle of Single Phase Preventer Relay Single Phase Preventer Connection Single phase preventer is used to protect the induction motor from single phasing fault. Single phase preventer installation with motor starterin this video we explain jepro single phase. The circuit diagram of a single phase preventer includes various components such as relays, resistors, diodes, and capacitors. Single phasing is a very dangerous fault to the electrical Single phasing preventer is. Single Phase Preventer Connection.
From diagramdatasoftball.z14.web.core.windows.net
Single Phasing Preventer Circuit Diagram Single Phase Preventer Connection 2 feb 2022 by electrical workbook. Single phasing is a very dangerous fault to the electrical Single phase preventer is used to protect the induction motor from single phasing fault. The circuit diagram of a single phase preventer includes various components such as relays, resistors, diodes, and capacitors. Single phasing preventer is used for protection and burnouts of pumps and. Single Phase Preventer Connection.
From diagramdatasoftball.z14.web.core.windows.net
Single Phase Preventer Circuit Diagram Pdf Single Phase Preventer Connection Single phasing preventer is used for protection and burnouts of pumps and motors against phase unbalance missing and negative. Single phase preventer is used to protect the induction motor from single phasing fault. The circuit diagram of a single phase preventer includes various components such as relays, resistors, diodes, and capacitors. 2 feb 2022 by electrical workbook. Single phasing is. Single Phase Preventer Connection.
From schematiclechfaniq.z4.web.core.windows.net
Single Phase Preventer Circuit Diagram Single Phase Preventer Connection 2 feb 2022 by electrical workbook. Single phase preventer is used to protect the induction motor from single phasing fault. Single phasing is a very dangerous fault to the electrical The circuit diagram of a single phase preventer includes various components such as relays, resistors, diodes, and capacitors. Single phase preventer installation with motor starterin this video we explain jepro. Single Phase Preventer Connection.
From forumelectrical.com
What is meant by Single Phasing Preventer Relay? Single Phase Preventer Connection 2 feb 2022 by electrical workbook. Single phasing preventer is used for protection and burnouts of pumps and motors against phase unbalance missing and negative. Single phase preventer is used to protect the induction motor from single phasing fault. Single phase preventer installation with motor starterin this video we explain jepro single phase. The circuit diagram of a single phase. Single Phase Preventer Connection.
From electricaldesk.blogspot.com
Single Phasing Preventer Electrical Desk Single Phase Preventer Connection Single phase preventer installation with motor starterin this video we explain jepro single phase. Single phasing preventer is used for protection and burnouts of pumps and motors against phase unbalance missing and negative. Single phase preventer is used to protect the induction motor from single phasing fault. The circuit diagram of a single phase preventer includes various components such as. Single Phase Preventer Connection.
From www.youtube.com
Single Phasing Preventor Connection DOL Starter Connection Phase Single Phase Preventer Connection Single phase preventer installation with motor starterin this video we explain jepro single phase. Single phasing is a very dangerous fault to the electrical Single phasing preventer is used for protection and burnouts of pumps and motors against phase unbalance missing and negative. Single phase preventer is used to protect the induction motor from single phasing fault. 2 feb 2022. Single Phase Preventer Connection.
From guidemanualfehmic.z21.web.core.windows.net
Automatic Single Phase Preventer Circuit Diagram Single Phase Preventer Connection Single phasing is a very dangerous fault to the electrical 2 feb 2022 by electrical workbook. Single phase preventer installation with motor starterin this video we explain jepro single phase. Single phase preventer is used to protect the induction motor from single phasing fault. The circuit diagram of a single phase preventer includes various components such as relays, resistors, diodes,. Single Phase Preventer Connection.
From www.youtube.com
Single phase preventersingle phase preventer connectionSingle phase Single Phase Preventer Connection Single phasing is a very dangerous fault to the electrical 2 feb 2022 by electrical workbook. Single phase preventer is used to protect the induction motor from single phasing fault. The circuit diagram of a single phase preventer includes various components such as relays, resistors, diodes, and capacitors. Single phasing preventer is used for protection and burnouts of pumps and. Single Phase Preventer Connection.