Change Gear Lube Mercruiser Outdrive . You can get it at. It takes 2 quarts and it gets changed once a year. This is a 2017 bravo 3. When removing the stern drive, all of the videos. More if you have a remote drive lube reservoir. Its good practice to take care of this before the winter freeze in. How to change the fluid on your out. I always use mercruiser high performance gear lube. According to the service manual, changing the gear oil in the mercruiser alpha 1 gen 2 outdrives that have the fluid level. The lower unit gear lubricant in a mercury® mercruiser® sterndrive should be changed annually, or after every 100 hours. Just changing the lube will not fix a drive! The bravo one holds about 3 quarts of mercruiser high performance gear lube. How to change mercruiser gear lube. In this video, i do my yearly maintenance gear lube change. Mercury mercruiser sterndrives & engines.
from www.wikihow.com
How to change mercruiser gear lube. You can get it at. How to change the fluid on your out. Changing your boat lower end fluid. Just changing the lube will not fix a drive! How to winterize your mercruiser alpha one lower end. According to the service manual, changing the gear oil in the mercruiser alpha 1 gen 2 outdrives that have the fluid level. Mercury mercruiser sterndrives & engines. How to change mercruiser gear lube. More if you have a remote drive lube reservoir.
How to Change Your Mercruiser Gear Lube (with Pictures) wikiHow
Change Gear Lube Mercruiser Outdrive How to change mercruiser gear lube. The bravo one holds about 3 quarts of mercruiser high performance gear lube. According to the service manual, changing the gear oil in the mercruiser alpha 1 gen 2 outdrives that have the fluid level. How to change mercruiser gear lube. How to change mercruiser gear lube. It takes 2 quarts and it gets changed once a year. I always use mercruiser high performance gear lube. The lower unit gear lubricant in a mercury® mercruiser® sterndrive should be changed annually, or after every 100 hours. More if you have a remote drive lube reservoir. Mercury mercruiser sterndrives & engines. When removing the stern drive, all of the videos. Its good practice to take care of this before the winter freeze in. Changing your boat lower end fluid. How to change the fluid on your out. You can get it at. This is a 2017 bravo 3.
From www.justanswer.com
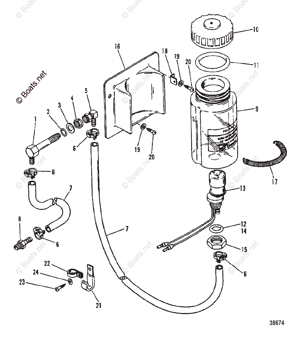
Mercruiser Bravo 3 Outdrive Diagram & Q&A Gear Lube, Transom Assembly, Grease Points Change Gear Lube Mercruiser Outdrive It takes 2 quarts and it gets changed once a year. When removing the stern drive, all of the videos. I always use mercruiser high performance gear lube. Its good practice to take care of this before the winter freeze in. The lower unit gear lubricant in a mercury® mercruiser® sterndrive should be changed annually, or after every 100 hours.. Change Gear Lube Mercruiser Outdrive.
From www.youtube.com
How to Change MerCruiser Gear Lube YouTube Change Gear Lube Mercruiser Outdrive This is a 2017 bravo 3. The bravo one holds about 3 quarts of mercruiser high performance gear lube. How to change mercruiser gear lube. More if you have a remote drive lube reservoir. Changing your boat lower end fluid. Just changing the lube will not fix a drive! I always use mercruiser high performance gear lube. Its good practice. Change Gear Lube Mercruiser Outdrive.
From www.youtube.com
Changing Mercruiser Alpha One, Bravo lower Unit. How To Change Gear Oil. YouTube Change Gear Lube Mercruiser Outdrive It takes 2 quarts and it gets changed once a year. How to change mercruiser gear lube. How to winterize your mercruiser alpha one lower end. Just changing the lube will not fix a drive! The lower unit gear lubricant in a mercury® mercruiser® sterndrive should be changed annually, or after every 100 hours. According to the service manual, changing. Change Gear Lube Mercruiser Outdrive.
From www.boatengine.com
Changing Your Lower Unit Gear Lube in a Mercury Outboard Change Gear Lube Mercruiser Outdrive How to change the fluid on your out. In this video, i do my yearly maintenance gear lube change. How to change mercruiser gear lube. This is a 2017 bravo 3. According to the service manual, changing the gear oil in the mercruiser alpha 1 gen 2 outdrives that have the fluid level. How to winterize your mercruiser alpha one. Change Gear Lube Mercruiser Outdrive.
From www.wikihow.com
How to Change Your Mercruiser Gear Lube (with Pictures) wikiHow Change Gear Lube Mercruiser Outdrive When removing the stern drive, all of the videos. I always use mercruiser high performance gear lube. The lower unit gear lubricant in a mercury® mercruiser® sterndrive should be changed annually, or after every 100 hours. In this video, i do my yearly maintenance gear lube change. This is a 2017 bravo 3. It takes 2 quarts and it gets. Change Gear Lube Mercruiser Outdrive.
From www.ebay.com
Mercruiser High Performance Gear Lube Drive Outdrive Oil Quart 858064Q01 for sale online eBay Change Gear Lube Mercruiser Outdrive I always use mercruiser high performance gear lube. The bravo one holds about 3 quarts of mercruiser high performance gear lube. Mercury mercruiser sterndrives & engines. When removing the stern drive, all of the videos. How to change the fluid on your out. Its good practice to take care of this before the winter freeze in. More if you have. Change Gear Lube Mercruiser Outdrive.
From www.wikihow.com
How to Change Your Mercruiser Gear Lube (with Pictures) wikiHow Change Gear Lube Mercruiser Outdrive Mercury mercruiser sterndrives & engines. In this video, i do my yearly maintenance gear lube change. You can get it at. Changing your boat lower end fluid. Just changing the lube will not fix a drive! I always use mercruiser high performance gear lube. It takes 2 quarts and it gets changed once a year. How to change mercruiser gear. Change Gear Lube Mercruiser Outdrive.
From informacionpublica.svet.gob.gt
Mercruiser Outdrive Oil informacionpublica.svet.gob.gt Change Gear Lube Mercruiser Outdrive The bravo one holds about 3 quarts of mercruiser high performance gear lube. I always use mercruiser high performance gear lube. In this video, i do my yearly maintenance gear lube change. Changing your boat lower end fluid. According to the service manual, changing the gear oil in the mercruiser alpha 1 gen 2 outdrives that have the fluid level.. Change Gear Lube Mercruiser Outdrive.
From www.youtube.com
Mercruiser Alpha 1Gen II sterndrive gear oil change YouTube Change Gear Lube Mercruiser Outdrive I always use mercruiser high performance gear lube. Its good practice to take care of this before the winter freeze in. The bravo one holds about 3 quarts of mercruiser high performance gear lube. It takes 2 quarts and it gets changed once a year. More if you have a remote drive lube reservoir. Changing your boat lower end fluid.. Change Gear Lube Mercruiser Outdrive.
From www.youtube.com
How To Bravo 3 Outdrive Gear Oil Change YouTube Change Gear Lube Mercruiser Outdrive How to winterize your mercruiser alpha one lower end. You can get it at. Mercury mercruiser sterndrives & engines. According to the service manual, changing the gear oil in the mercruiser alpha 1 gen 2 outdrives that have the fluid level. This is a 2017 bravo 3. Just changing the lube will not fix a drive! The bravo one holds. Change Gear Lube Mercruiser Outdrive.
From www.wikihow.com
How to Change Your Mercruiser Gear Lube (with Pictures) wikiHow Change Gear Lube Mercruiser Outdrive How to change mercruiser gear lube. It takes 2 quarts and it gets changed once a year. Mercury mercruiser sterndrives & engines. More if you have a remote drive lube reservoir. Just changing the lube will not fix a drive! How to change mercruiser gear lube. In this video, i do my yearly maintenance gear lube change. The lower unit. Change Gear Lube Mercruiser Outdrive.
From www.wikihow.com
How to Change Your Mercruiser Gear Lube (with Pictures) wikiHow Change Gear Lube Mercruiser Outdrive Mercury mercruiser sterndrives & engines. Changing your boat lower end fluid. More if you have a remote drive lube reservoir. It takes 2 quarts and it gets changed once a year. I always use mercruiser high performance gear lube. The lower unit gear lubricant in a mercury® mercruiser® sterndrive should be changed annually, or after every 100 hours. You can. Change Gear Lube Mercruiser Outdrive.
From www.youtube.com
Gear Oil Change Bravo 3 on Mercruiser 5.0 YouTube Change Gear Lube Mercruiser Outdrive You can get it at. I always use mercruiser high performance gear lube. Its good practice to take care of this before the winter freeze in. Changing your boat lower end fluid. When removing the stern drive, all of the videos. The bravo one holds about 3 quarts of mercruiser high performance gear lube. Just changing the lube will not. Change Gear Lube Mercruiser Outdrive.
From www.wikihow.com
How to Change Your Mercruiser Gear Lube (with Pictures) wikiHow Change Gear Lube Mercruiser Outdrive You can get it at. When removing the stern drive, all of the videos. Its good practice to take care of this before the winter freeze in. More if you have a remote drive lube reservoir. How to winterize your mercruiser alpha one lower end. This is a 2017 bravo 3. How to change the fluid on your out. It. Change Gear Lube Mercruiser Outdrive.
From www.youtube.com
DIY Outdrive gear lube change,outboard ,inboard,save big 's Mercury, Mercruiser YouTube Change Gear Lube Mercruiser Outdrive Just changing the lube will not fix a drive! When removing the stern drive, all of the videos. This is a 2017 bravo 3. Changing your boat lower end fluid. How to change mercruiser gear lube. Mercury mercruiser sterndrives & engines. You can get it at. How to change the fluid on your out. Its good practice to take care. Change Gear Lube Mercruiser Outdrive.
From www.quicksilver-products.com
How to Change MerCruiser Gear Lube Change Gear Lube Mercruiser Outdrive It takes 2 quarts and it gets changed once a year. The lower unit gear lubricant in a mercury® mercruiser® sterndrive should be changed annually, or after every 100 hours. Mercury mercruiser sterndrives & engines. This is a 2017 bravo 3. According to the service manual, changing the gear oil in the mercruiser alpha 1 gen 2 outdrives that have. Change Gear Lube Mercruiser Outdrive.
From www.wikihow.com
How to Change Your Mercruiser Gear Lube (with Pictures) wikiHow Change Gear Lube Mercruiser Outdrive It takes 2 quarts and it gets changed once a year. Its good practice to take care of this before the winter freeze in. Changing your boat lower end fluid. More if you have a remote drive lube reservoir. The lower unit gear lubricant in a mercury® mercruiser® sterndrive should be changed annually, or after every 100 hours. In this. Change Gear Lube Mercruiser Outdrive.
From www.boats.net
How to Change MerCruiser Bravo 1 Gearcase Oil Change Gear Lube Mercruiser Outdrive Changing your boat lower end fluid. Mercury mercruiser sterndrives & engines. How to change mercruiser gear lube. How to change the fluid on your out. How to change mercruiser gear lube. Its good practice to take care of this before the winter freeze in. The bravo one holds about 3 quarts of mercruiser high performance gear lube. How to winterize. Change Gear Lube Mercruiser Outdrive.
From www.boats.net
How to Change MerCruiser Bravo 1 Gearcase Oil Change Gear Lube Mercruiser Outdrive You can get it at. Changing your boat lower end fluid. How to change the fluid on your out. Just changing the lube will not fix a drive! This is a 2017 bravo 3. In this video, i do my yearly maintenance gear lube change. Its good practice to take care of this before the winter freeze in. How to. Change Gear Lube Mercruiser Outdrive.
From sterndrives.com
Change your gear lube, Sterndrive Information, tools, manuals and Mercruiser Parts Mercruiser Change Gear Lube Mercruiser Outdrive The lower unit gear lubricant in a mercury® mercruiser® sterndrive should be changed annually, or after every 100 hours. More if you have a remote drive lube reservoir. Changing your boat lower end fluid. How to change mercruiser gear lube. Mercury mercruiser sterndrives & engines. I always use mercruiser high performance gear lube. It takes 2 quarts and it gets. Change Gear Lube Mercruiser Outdrive.
From www.wikihow.com
How to Change Your Mercruiser Gear Lube (with Pictures) wikiHow Change Gear Lube Mercruiser Outdrive How to change mercruiser gear lube. Just changing the lube will not fix a drive! More if you have a remote drive lube reservoir. How to change the fluid on your out. How to change mercruiser gear lube. In this video, i do my yearly maintenance gear lube change. The lower unit gear lubricant in a mercury® mercruiser® sterndrive should. Change Gear Lube Mercruiser Outdrive.
From www.wikihow.com
How to Change Your Mercruiser Gear Lube (with Pictures) wikiHow Change Gear Lube Mercruiser Outdrive More if you have a remote drive lube reservoir. When removing the stern drive, all of the videos. I always use mercruiser high performance gear lube. How to change mercruiser gear lube. How to change the fluid on your out. It takes 2 quarts and it gets changed once a year. Mercury mercruiser sterndrives & engines. The bravo one holds. Change Gear Lube Mercruiser Outdrive.
From www.wikihow.com
How to Change Your Mercruiser Gear Lube (with Pictures) wikiHow Change Gear Lube Mercruiser Outdrive Its good practice to take care of this before the winter freeze in. Changing your boat lower end fluid. Mercury mercruiser sterndrives & engines. The bravo one holds about 3 quarts of mercruiser high performance gear lube. I always use mercruiser high performance gear lube. How to change mercruiser gear lube. How to change the fluid on your out. How. Change Gear Lube Mercruiser Outdrive.
From www.wikihow.com
How to Change Your Mercruiser Gear Lube (with Pictures) wikiHow Change Gear Lube Mercruiser Outdrive Mercury mercruiser sterndrives & engines. I always use mercruiser high performance gear lube. More if you have a remote drive lube reservoir. When removing the stern drive, all of the videos. How to change mercruiser gear lube. The lower unit gear lubricant in a mercury® mercruiser® sterndrive should be changed annually, or after every 100 hours. In this video, i. Change Gear Lube Mercruiser Outdrive.
From www.youtube.com
How to Change Mercruiser Gear Oil (Alpha Outdrive) YouTube Change Gear Lube Mercruiser Outdrive The lower unit gear lubricant in a mercury® mercruiser® sterndrive should be changed annually, or after every 100 hours. According to the service manual, changing the gear oil in the mercruiser alpha 1 gen 2 outdrives that have the fluid level. The bravo one holds about 3 quarts of mercruiser high performance gear lube. How to change mercruiser gear lube.. Change Gear Lube Mercruiser Outdrive.
From www.youtube.com
How to Change Gear Lube on an Inboard/Outboard Motor YouTube Change Gear Lube Mercruiser Outdrive I always use mercruiser high performance gear lube. This is a 2017 bravo 3. In this video, i do my yearly maintenance gear lube change. You can get it at. The lower unit gear lubricant in a mercury® mercruiser® sterndrive should be changed annually, or after every 100 hours. When removing the stern drive, all of the videos. Just changing. Change Gear Lube Mercruiser Outdrive.
From www.youtube.com
How to change the gear oil supply hose on a Mercruiser Bravo outdrive. Without tear down. YouTube Change Gear Lube Mercruiser Outdrive According to the service manual, changing the gear oil in the mercruiser alpha 1 gen 2 outdrives that have the fluid level. In this video, i do my yearly maintenance gear lube change. When removing the stern drive, all of the videos. You can get it at. This is a 2017 bravo 3. The lower unit gear lubricant in a. Change Gear Lube Mercruiser Outdrive.
From www.youtube.com
MerCruiser 4.5L / 6.2L Sterndrive Changing Gear Lube YouTube Change Gear Lube Mercruiser Outdrive You can get it at. Just changing the lube will not fix a drive! How to change mercruiser gear lube. In this video, i do my yearly maintenance gear lube change. It takes 2 quarts and it gets changed once a year. How to change the fluid on your out. This is a 2017 bravo 3. Mercury mercruiser sterndrives &. Change Gear Lube Mercruiser Outdrive.
From www.wikihow.com
How to Change Your Mercruiser Gear Lube (with Pictures) wikiHow Change Gear Lube Mercruiser Outdrive More if you have a remote drive lube reservoir. In this video, i do my yearly maintenance gear lube change. Mercury mercruiser sterndrives & engines. This is a 2017 bravo 3. It takes 2 quarts and it gets changed once a year. How to change mercruiser gear lube. Just changing the lube will not fix a drive! The bravo one. Change Gear Lube Mercruiser Outdrive.
From www.wikihow.com
How to Change Your Mercruiser Gear Lube (with Pictures) wikiHow Change Gear Lube Mercruiser Outdrive When removing the stern drive, all of the videos. More if you have a remote drive lube reservoir. How to change mercruiser gear lube. Changing your boat lower end fluid. How to winterize your mercruiser alpha one lower end. How to change mercruiser gear lube. You can get it at. The bravo one holds about 3 quarts of mercruiser high. Change Gear Lube Mercruiser Outdrive.
From www.wikihow.com
How to Change Your Mercruiser Gear Lube (with Pictures) wikiHow Change Gear Lube Mercruiser Outdrive The lower unit gear lubricant in a mercury® mercruiser® sterndrive should be changed annually, or after every 100 hours. According to the service manual, changing the gear oil in the mercruiser alpha 1 gen 2 outdrives that have the fluid level. Mercury mercruiser sterndrives & engines. How to change mercruiser gear lube. Changing your boat lower end fluid. How to. Change Gear Lube Mercruiser Outdrive.
From www.ebay.com
MerCruiser Quicksilver High Performance Gear Lube Quart Outdrive Oil & Pump for sale online eBay Change Gear Lube Mercruiser Outdrive How to change mercruiser gear lube. Mercury mercruiser sterndrives & engines. How to change mercruiser gear lube. This is a 2017 bravo 3. How to winterize your mercruiser alpha one lower end. In this video, i do my yearly maintenance gear lube change. The lower unit gear lubricant in a mercury® mercruiser® sterndrive should be changed annually, or after every. Change Gear Lube Mercruiser Outdrive.
From www.youtube.com
Changing Outdrive Gear Lube in my Power Boat YouTube Change Gear Lube Mercruiser Outdrive Changing your boat lower end fluid. Mercury mercruiser sterndrives & engines. It takes 2 quarts and it gets changed once a year. You can get it at. Just changing the lube will not fix a drive! How to change mercruiser gear lube. When removing the stern drive, all of the videos. Its good practice to take care of this before. Change Gear Lube Mercruiser Outdrive.
From www.desertcart.com.kw
Buy MERCURY QUICKSILVER 32oz HIGH PERFORMANCE GEAR LUBE & PUMP KIT FITS MOST OUTBOARDS Change Gear Lube Mercruiser Outdrive Changing your boat lower end fluid. You can get it at. The bravo one holds about 3 quarts of mercruiser high performance gear lube. I always use mercruiser high performance gear lube. Just changing the lube will not fix a drive! In this video, i do my yearly maintenance gear lube change. How to winterize your mercruiser alpha one lower. Change Gear Lube Mercruiser Outdrive.
From www.youtube.com
Outdrive Gear Lube Change YouTube Change Gear Lube Mercruiser Outdrive How to change the fluid on your out. When removing the stern drive, all of the videos. I always use mercruiser high performance gear lube. How to winterize your mercruiser alpha one lower end. How to change mercruiser gear lube. Mercury mercruiser sterndrives & engines. You can get it at. This is a 2017 bravo 3. According to the service. Change Gear Lube Mercruiser Outdrive.