Signal Processors Examples . They are physical computer chips which take in a signal, convert it to digital, store it, complete. Examples of algorithms are the fast fourier transform (fft), finite impulse response (fir) filter, infinite impulse response (iir) filter, and. A “digital signal processor” is a physical chip used in electronic devices to process signals. Note that both the input and output are in analog. Digital signal processing (dsp) is the use of digital processing, such as by computers or more specialized digital signal processors, to perform a wide variety of signal processing.
from www.allaboutcircuits.com
They are physical computer chips which take in a signal, convert it to digital, store it, complete. Digital signal processing (dsp) is the use of digital processing, such as by computers or more specialized digital signal processors, to perform a wide variety of signal processing. A “digital signal processor” is a physical chip used in electronic devices to process signals. Examples of algorithms are the fast fourier transform (fft), finite impulse response (fir) filter, infinite impulse response (iir) filter, and. Note that both the input and output are in analog.
An Introduction to Digital Signal Processing Technical Articles
Signal Processors Examples Digital signal processing (dsp) is the use of digital processing, such as by computers or more specialized digital signal processors, to perform a wide variety of signal processing. Digital signal processing (dsp) is the use of digital processing, such as by computers or more specialized digital signal processors, to perform a wide variety of signal processing. Note that both the input and output are in analog. Examples of algorithms are the fast fourier transform (fft), finite impulse response (fir) filter, infinite impulse response (iir) filter, and. They are physical computer chips which take in a signal, convert it to digital, store it, complete. A “digital signal processor” is a physical chip used in electronic devices to process signals.
From www.researchgate.net
(PDF) Accuracy of Photonic RF Transversal Signal Processors based on Signal Processors Examples Digital signal processing (dsp) is the use of digital processing, such as by computers or more specialized digital signal processors, to perform a wide variety of signal processing. Examples of algorithms are the fast fourier transform (fft), finite impulse response (fir) filter, infinite impulse response (iir) filter, and. A “digital signal processor” is a physical chip used in electronic devices. Signal Processors Examples.
From eureka.patsnap.com
Image signal processor Eureka Patsnap Signal Processors Examples A “digital signal processor” is a physical chip used in electronic devices to process signals. Examples of algorithms are the fast fourier transform (fft), finite impulse response (fir) filter, infinite impulse response (iir) filter, and. Digital signal processing (dsp) is the use of digital processing, such as by computers or more specialized digital signal processors, to perform a wide variety. Signal Processors Examples.
From www.researchgate.net
Embedded signal processor system. Download Scientific Diagram Signal Processors Examples They are physical computer chips which take in a signal, convert it to digital, store it, complete. A “digital signal processor” is a physical chip used in electronic devices to process signals. Digital signal processing (dsp) is the use of digital processing, such as by computers or more specialized digital signal processors, to perform a wide variety of signal processing.. Signal Processors Examples.
From www.researchgate.net
(PDF) On the Accuracy of Photonic RF Transversal Signal Signal Processors Examples They are physical computer chips which take in a signal, convert it to digital, store it, complete. Digital signal processing (dsp) is the use of digital processing, such as by computers or more specialized digital signal processors, to perform a wide variety of signal processing. A “digital signal processor” is a physical chip used in electronic devices to process signals.. Signal Processors Examples.
From audiobankusa.com.my
Digital Signal Processor Audio Bank ULTIMATE AUDIO FORCE Signal Processors Examples They are physical computer chips which take in a signal, convert it to digital, store it, complete. Examples of algorithms are the fast fourier transform (fft), finite impulse response (fir) filter, infinite impulse response (iir) filter, and. Digital signal processing (dsp) is the use of digital processing, such as by computers or more specialized digital signal processors, to perform a. Signal Processors Examples.
From jlcpcb.com
MC56F8013VFAE NXP Semicon Digital Signal Processors / Controllers Signal Processors Examples Examples of algorithms are the fast fourier transform (fft), finite impulse response (fir) filter, infinite impulse response (iir) filter, and. Note that both the input and output are in analog. Digital signal processing (dsp) is the use of digital processing, such as by computers or more specialized digital signal processors, to perform a wide variety of signal processing. They are. Signal Processors Examples.
From eureka.patsnap.com
Signal processor, transmission apparatus, and method for processing Signal Processors Examples Digital signal processing (dsp) is the use of digital processing, such as by computers or more specialized digital signal processors, to perform a wide variety of signal processing. Note that both the input and output are in analog. Examples of algorithms are the fast fourier transform (fft), finite impulse response (fir) filter, infinite impulse response (iir) filter, and. A “digital. Signal Processors Examples.
From www.slideserve.com
PPT EEE404/591 RealTime Digital Signal Processing PowerPoint Signal Processors Examples Note that both the input and output are in analog. Examples of algorithms are the fast fourier transform (fft), finite impulse response (fir) filter, infinite impulse response (iir) filter, and. They are physical computer chips which take in a signal, convert it to digital, store it, complete. A “digital signal processor” is a physical chip used in electronic devices to. Signal Processors Examples.
From www.aliexpress.com
ADSP 21992BSTZ QFP176 Integrated Circuits (ICs) Embedded DSP (Digital Signal Processors Examples Examples of algorithms are the fast fourier transform (fft), finite impulse response (fir) filter, infinite impulse response (iir) filter, and. Note that both the input and output are in analog. A “digital signal processor” is a physical chip used in electronic devices to process signals. They are physical computer chips which take in a signal, convert it to digital, store. Signal Processors Examples.
From eureka.patsnap.com
Control signal processor and power system stabilizer using the same Signal Processors Examples They are physical computer chips which take in a signal, convert it to digital, store it, complete. Note that both the input and output are in analog. Digital signal processing (dsp) is the use of digital processing, such as by computers or more specialized digital signal processors, to perform a wide variety of signal processing. Examples of algorithms are the. Signal Processors Examples.
From instrumentationtools.com
PLC/DCS Digital Signals Wiring Techniques Instrumentation Tools Signal Processors Examples Examples of algorithms are the fast fourier transform (fft), finite impulse response (fir) filter, infinite impulse response (iir) filter, and. A “digital signal processor” is a physical chip used in electronic devices to process signals. Note that both the input and output are in analog. Digital signal processing (dsp) is the use of digital processing, such as by computers or. Signal Processors Examples.
From www.circuitdiagram.co
Digital Audio Processor Circuit Diagram Circuit Diagram Signal Processors Examples Note that both the input and output are in analog. They are physical computer chips which take in a signal, convert it to digital, store it, complete. Examples of algorithms are the fast fourier transform (fft), finite impulse response (fir) filter, infinite impulse response (iir) filter, and. Digital signal processing (dsp) is the use of digital processing, such as by. Signal Processors Examples.
From www.slideshare.net
Digital Signal Processors DSP's Signal Processors Examples Digital signal processing (dsp) is the use of digital processing, such as by computers or more specialized digital signal processors, to perform a wide variety of signal processing. Examples of algorithms are the fast fourier transform (fft), finite impulse response (fir) filter, infinite impulse response (iir) filter, and. Note that both the input and output are in analog. A “digital. Signal Processors Examples.
From eureka.patsnap.com
Signal processor, window provider, encoded media signal, method for Signal Processors Examples A “digital signal processor” is a physical chip used in electronic devices to process signals. Digital signal processing (dsp) is the use of digital processing, such as by computers or more specialized digital signal processors, to perform a wide variety of signal processing. Note that both the input and output are in analog. They are physical computer chips which take. Signal Processors Examples.
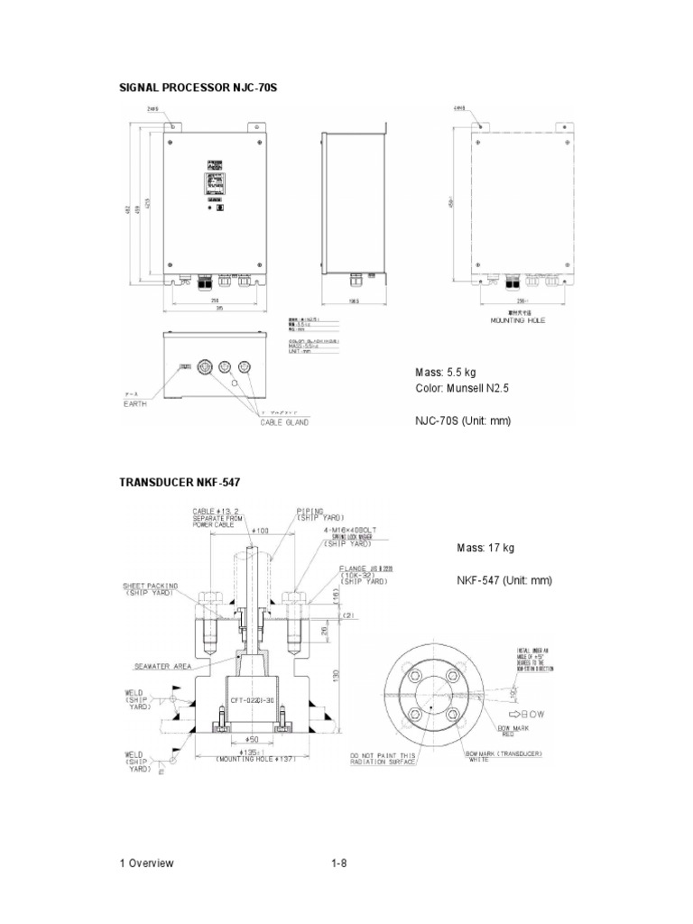
From www.scribd.com
NJC Signal Processor Unit PDF Signal Processors Examples A “digital signal processor” is a physical chip used in electronic devices to process signals. They are physical computer chips which take in a signal, convert it to digital, store it, complete. Note that both the input and output are in analog. Digital signal processing (dsp) is the use of digital processing, such as by computers or more specialized digital. Signal Processors Examples.
From www.slideserve.com
PPT INTRODUCTION TO DIGITAL SIGNAL PROCESSORS PowerPoint Presentation Signal Processors Examples A “digital signal processor” is a physical chip used in electronic devices to process signals. They are physical computer chips which take in a signal, convert it to digital, store it, complete. Note that both the input and output are in analog. Examples of algorithms are the fast fourier transform (fft), finite impulse response (fir) filter, infinite impulse response (iir). Signal Processors Examples.
From eureka.patsnap.com
Signal processor, window provider, encoded media signal, method for Signal Processors Examples Note that both the input and output are in analog. Examples of algorithms are the fast fourier transform (fft), finite impulse response (fir) filter, infinite impulse response (iir) filter, and. They are physical computer chips which take in a signal, convert it to digital, store it, complete. A “digital signal processor” is a physical chip used in electronic devices to. Signal Processors Examples.
From uspto.report
Training image signal processors using intermediate loss functions Signal Processors Examples Digital signal processing (dsp) is the use of digital processing, such as by computers or more specialized digital signal processors, to perform a wide variety of signal processing. Examples of algorithms are the fast fourier transform (fft), finite impulse response (fir) filter, infinite impulse response (iir) filter, and. Note that both the input and output are in analog. They are. Signal Processors Examples.
From www.researchgate.net
(PDF) Reverse Compilation for Digital Signal Processors A Working Example. Signal Processors Examples They are physical computer chips which take in a signal, convert it to digital, store it, complete. A “digital signal processor” is a physical chip used in electronic devices to process signals. Examples of algorithms are the fast fourier transform (fft), finite impulse response (fir) filter, infinite impulse response (iir) filter, and. Note that both the input and output are. Signal Processors Examples.
From uspto.report
Training image signal processors using intermediate loss functions Signal Processors Examples Digital signal processing (dsp) is the use of digital processing, such as by computers or more specialized digital signal processors, to perform a wide variety of signal processing. They are physical computer chips which take in a signal, convert it to digital, store it, complete. Examples of algorithms are the fast fourier transform (fft), finite impulse response (fir) filter, infinite. Signal Processors Examples.
From rockfordfosgate.com
Signal Processors Rockford Fosgate Signal Processors Examples They are physical computer chips which take in a signal, convert it to digital, store it, complete. A “digital signal processor” is a physical chip used in electronic devices to process signals. Digital signal processing (dsp) is the use of digital processing, such as by computers or more specialized digital signal processors, to perform a wide variety of signal processing.. Signal Processors Examples.
From eureka.patsnap.com
Digital signal processor with bit expansion and bit compressing Signal Processors Examples Digital signal processing (dsp) is the use of digital processing, such as by computers or more specialized digital signal processors, to perform a wide variety of signal processing. Examples of algorithms are the fast fourier transform (fft), finite impulse response (fir) filter, infinite impulse response (iir) filter, and. Note that both the input and output are in analog. They are. Signal Processors Examples.
From runtimerec.com
Digital Signal Processing (DSP) in Embedded Systems RunTime Recruitment Signal Processors Examples Examples of algorithms are the fast fourier transform (fft), finite impulse response (fir) filter, infinite impulse response (iir) filter, and. They are physical computer chips which take in a signal, convert it to digital, store it, complete. A “digital signal processor” is a physical chip used in electronic devices to process signals. Digital signal processing (dsp) is the use of. Signal Processors Examples.
From www.researchgate.net
(PDF) Digital Signal Processors—Description of a laboratory for digital Signal Processors Examples Note that both the input and output are in analog. Digital signal processing (dsp) is the use of digital processing, such as by computers or more specialized digital signal processors, to perform a wide variety of signal processing. A “digital signal processor” is a physical chip used in electronic devices to process signals. They are physical computer chips which take. Signal Processors Examples.
From dokumen.tips
(PDF) Digital Signal Processors (Rev. B) DOKUMEN.TIPS Signal Processors Examples Digital signal processing (dsp) is the use of digital processing, such as by computers or more specialized digital signal processors, to perform a wide variety of signal processing. Note that both the input and output are in analog. Examples of algorithms are the fast fourier transform (fft), finite impulse response (fir) filter, infinite impulse response (iir) filter, and. A “digital. Signal Processors Examples.
From www.webel.com.au
Figure 46 Signal processor example (MOCKUP) el IT Australia Signal Processors Examples They are physical computer chips which take in a signal, convert it to digital, store it, complete. A “digital signal processor” is a physical chip used in electronic devices to process signals. Note that both the input and output are in analog. Examples of algorithms are the fast fourier transform (fft), finite impulse response (fir) filter, infinite impulse response (iir). Signal Processors Examples.
From dexonsystems.com
Image Signal Processor Meaning, Functions, Importance Blog Signal Processors Examples Examples of algorithms are the fast fourier transform (fft), finite impulse response (fir) filter, infinite impulse response (iir) filter, and. Note that both the input and output are in analog. They are physical computer chips which take in a signal, convert it to digital, store it, complete. Digital signal processing (dsp) is the use of digital processing, such as by. Signal Processors Examples.
From rockfordfosgate.com
SIGNAL PROCESSORS Rockford Fosgate Signal Processors Examples Digital signal processing (dsp) is the use of digital processing, such as by computers or more specialized digital signal processors, to perform a wide variety of signal processing. They are physical computer chips which take in a signal, convert it to digital, store it, complete. Examples of algorithms are the fast fourier transform (fft), finite impulse response (fir) filter, infinite. Signal Processors Examples.
From www.indiamart.com
Microchip Technology Dspic30f3011 Digital Signal Processors Signal Processors Examples Digital signal processing (dsp) is the use of digital processing, such as by computers or more specialized digital signal processors, to perform a wide variety of signal processing. They are physical computer chips which take in a signal, convert it to digital, store it, complete. A “digital signal processor” is a physical chip used in electronic devices to process signals.. Signal Processors Examples.
From www.webel.com.au
IBD Figure 48 Internal structure of the signal processor el IT Signal Processors Examples They are physical computer chips which take in a signal, convert it to digital, store it, complete. A “digital signal processor” is a physical chip used in electronic devices to process signals. Examples of algorithms are the fast fourier transform (fft), finite impulse response (fir) filter, infinite impulse response (iir) filter, and. Digital signal processing (dsp) is the use of. Signal Processors Examples.
From e2eml.school
Library for EndtoEnd Machine Learning Signal Processors Examples They are physical computer chips which take in a signal, convert it to digital, store it, complete. Note that both the input and output are in analog. Examples of algorithms are the fast fourier transform (fft), finite impulse response (fir) filter, infinite impulse response (iir) filter, and. Digital signal processing (dsp) is the use of digital processing, such as by. Signal Processors Examples.
From www.gear4music.com
Signal Processors Gear4music Signal Processors Examples They are physical computer chips which take in a signal, convert it to digital, store it, complete. Note that both the input and output are in analog. Digital signal processing (dsp) is the use of digital processing, such as by computers or more specialized digital signal processors, to perform a wide variety of signal processing. Examples of algorithms are the. Signal Processors Examples.
From eureka.patsnap.com
Method, equipment and system for dynamic allocating digital signal Signal Processors Examples Examples of algorithms are the fast fourier transform (fft), finite impulse response (fir) filter, infinite impulse response (iir) filter, and. A “digital signal processor” is a physical chip used in electronic devices to process signals. Note that both the input and output are in analog. Digital signal processing (dsp) is the use of digital processing, such as by computers or. Signal Processors Examples.
From www.allaboutcircuits.com
An Introduction to Digital Signal Processing Technical Articles Signal Processors Examples Digital signal processing (dsp) is the use of digital processing, such as by computers or more specialized digital signal processors, to perform a wide variety of signal processing. They are physical computer chips which take in a signal, convert it to digital, store it, complete. Note that both the input and output are in analog. A “digital signal processor” is. Signal Processors Examples.
From www.dspguide.com
Architecture of the Digital Signal Processor Signal Processors Examples Digital signal processing (dsp) is the use of digital processing, such as by computers or more specialized digital signal processors, to perform a wide variety of signal processing. Examples of algorithms are the fast fourier transform (fft), finite impulse response (fir) filter, infinite impulse response (iir) filter, and. They are physical computer chips which take in a signal, convert it. Signal Processors Examples.