Relay Fog Light Not Working . Before beginning the wiring process, gather the necessary tools and materials, including a fog light relay, a fog light switch, a fuse holder, wire connectors, and electrical tape. Check your local area regs, here the rear fogs must be wired in series with the clearance or side lights as they can't be on. Common symptoms of a faulty fog light relay include the fog light relay making loud clicking sounds, fog lights refusing to turn on, and fog lights staying. Since the relay and fuse are in the engine bay fuse box, fairly close to the lights themselves, your problem is most likely a cut or pulled wire. My fog lights quit functionning after i had replace my hid's. The fog light relay is an electrical relay that regulates the current flow to the fog lights. If your fog lights are not turning on at all, the first thing to check is the fog light relay. I really don't get it, they works the minute before but then they don't light up anymore. Make sure it is securely connected and receiving power. You can typically find the fog light relay in the engine bay near the battery. Fog lights not turning on:
from www.carparts.com
My fog lights quit functionning after i had replace my hid's. Since the relay and fuse are in the engine bay fuse box, fairly close to the lights themselves, your problem is most likely a cut or pulled wire. Check your local area regs, here the rear fogs must be wired in series with the clearance or side lights as they can't be on. Fog lights not turning on: If your fog lights are not turning on at all, the first thing to check is the fog light relay. Common symptoms of a faulty fog light relay include the fog light relay making loud clicking sounds, fog lights refusing to turn on, and fog lights staying. Make sure it is securely connected and receiving power. You can typically find the fog light relay in the engine bay near the battery. The fog light relay is an electrical relay that regulates the current flow to the fog lights. I really don't get it, they works the minute before but then they don't light up anymore.
Bad Headlight Relay Symptoms and FAQ In The Garage with
Relay Fog Light Not Working If your fog lights are not turning on at all, the first thing to check is the fog light relay. The fog light relay is an electrical relay that regulates the current flow to the fog lights. You can typically find the fog light relay in the engine bay near the battery. Fog lights not turning on: If your fog lights are not turning on at all, the first thing to check is the fog light relay. My fog lights quit functionning after i had replace my hid's. Common symptoms of a faulty fog light relay include the fog light relay making loud clicking sounds, fog lights refusing to turn on, and fog lights staying. Before beginning the wiring process, gather the necessary tools and materials, including a fog light relay, a fog light switch, a fuse holder, wire connectors, and electrical tape. Check your local area regs, here the rear fogs must be wired in series with the clearance or side lights as they can't be on. I really don't get it, they works the minute before but then they don't light up anymore. Since the relay and fuse are in the engine bay fuse box, fairly close to the lights themselves, your problem is most likely a cut or pulled wire. Make sure it is securely connected and receiving power.
From www.hyundai-forums.com
Fog lights not working after bulb replacement Hyundai Forums Relay Fog Light Not Working You can typically find the fog light relay in the engine bay near the battery. Common symptoms of a faulty fog light relay include the fog light relay making loud clicking sounds, fog lights refusing to turn on, and fog lights staying. The fog light relay is an electrical relay that regulates the current flow to the fog lights. Check. Relay Fog Light Not Working.
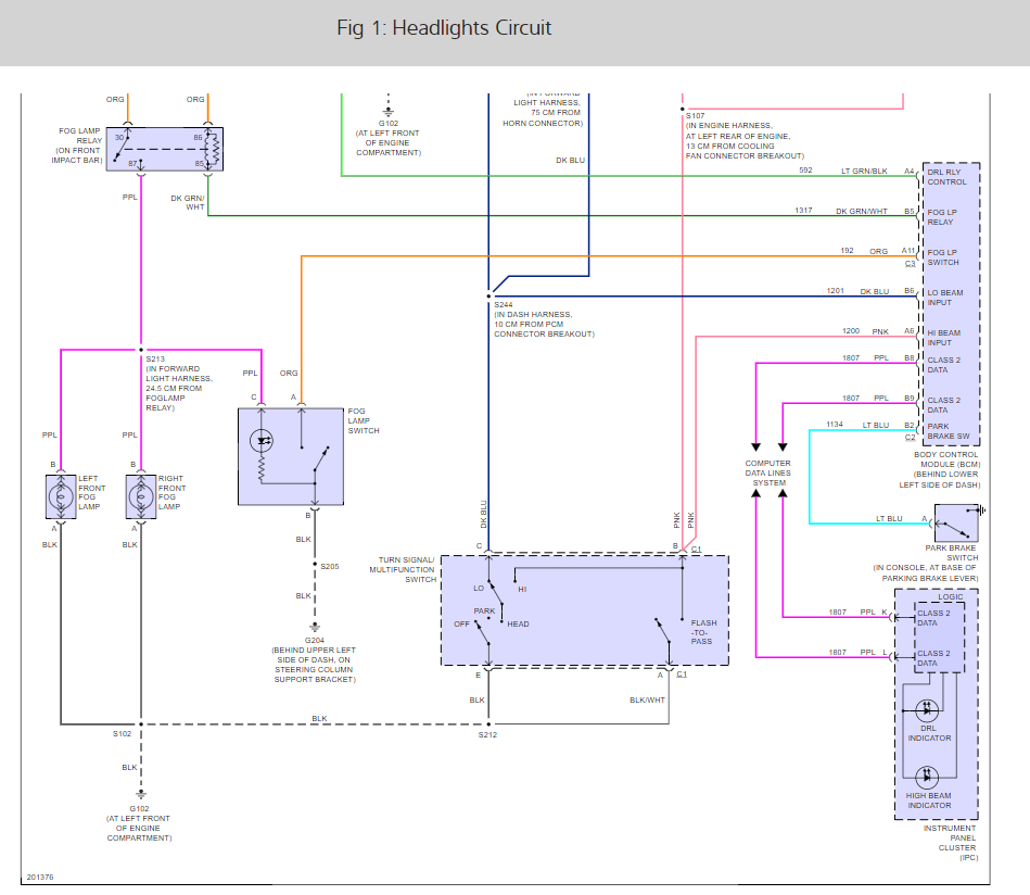
From diagraminfo.com
Fog Light Wiring Diagram Without Relay DiagramInfo Relay Fog Light Not Working If your fog lights are not turning on at all, the first thing to check is the fog light relay. My fog lights quit functionning after i had replace my hid's. Since the relay and fuse are in the engine bay fuse box, fairly close to the lights themselves, your problem is most likely a cut or pulled wire. I. Relay Fog Light Not Working.
From www.x-trail-uk.co.uk
Front Fog Lights not working... Nissan XTrail Forum Relay Fog Light Not Working The fog light relay is an electrical relay that regulates the current flow to the fog lights. Make sure it is securely connected and receiving power. Fog lights not turning on: If your fog lights are not turning on at all, the first thing to check is the fog light relay. Before beginning the wiring process, gather the necessary tools. Relay Fog Light Not Working.
From leachnowbout.blogspot.com
Relay Wiring Diagram For Fog Lights Fog Lights Installation Relay Fog Light Not Working If your fog lights are not turning on at all, the first thing to check is the fog light relay. My fog lights quit functionning after i had replace my hid's. Before beginning the wiring process, gather the necessary tools and materials, including a fog light relay, a fog light switch, a fuse holder, wire connectors, and electrical tape. Make. Relay Fog Light Not Working.
From annawiringdiagram.com
Fog Light Wiring Diagram With Relay Wiring Diagram Relay Fog Light Not Working If your fog lights are not turning on at all, the first thing to check is the fog light relay. The fog light relay is an electrical relay that regulates the current flow to the fog lights. Before beginning the wiring process, gather the necessary tools and materials, including a fog light relay, a fog light switch, a fuse holder,. Relay Fog Light Not Working.
From www.tacomaworld.com
Fog light switch from 2007 in my 2013? World Relay Fog Light Not Working Make sure it is securely connected and receiving power. The fog light relay is an electrical relay that regulates the current flow to the fog lights. If your fog lights are not turning on at all, the first thing to check is the fog light relay. Common symptoms of a faulty fog light relay include the fog light relay making. Relay Fog Light Not Working.
From www.wiringdraw.com
Wiring Diagram For Fog Lights Relay Fog Light Not Working If your fog lights are not turning on at all, the first thing to check is the fog light relay. I really don't get it, they works the minute before but then they don't light up anymore. Fog lights not turning on: My fog lights quit functionning after i had replace my hid's. Check your local area regs, here the. Relay Fog Light Not Working.
From www.wiringwork.com
Wiring Diagram Relay Fog Lights Wiring Work Relay Fog Light Not Working Common symptoms of a faulty fog light relay include the fog light relay making loud clicking sounds, fog lights refusing to turn on, and fog lights staying. You can typically find the fog light relay in the engine bay near the battery. I really don't get it, they works the minute before but then they don't light up anymore. Make. Relay Fog Light Not Working.
From diagraminfo.com
Fog Lights Wiring Diagram DiagramInfo Relay Fog Light Not Working The fog light relay is an electrical relay that regulates the current flow to the fog lights. Check your local area regs, here the rear fogs must be wired in series with the clearance or side lights as they can't be on. If your fog lights are not turning on at all, the first thing to check is the fog. Relay Fog Light Not Working.
From www.wiringboards.com
Fog Light Wiring Diagram With Relay Wiring Boards Relay Fog Light Not Working I really don't get it, they works the minute before but then they don't light up anymore. If your fog lights are not turning on at all, the first thing to check is the fog light relay. My fog lights quit functionning after i had replace my hid's. The fog light relay is an electrical relay that regulates the current. Relay Fog Light Not Working.
From www.carparts.com
Bad Headlight Relay Symptoms and FAQ In The Garage with Relay Fog Light Not Working You can typically find the fog light relay in the engine bay near the battery. I really don't get it, they works the minute before but then they don't light up anymore. The fog light relay is an electrical relay that regulates the current flow to the fog lights. Since the relay and fuse are in the engine bay fuse. Relay Fog Light Not Working.
From 2020cadillac.com
Fog Light Relay Wiring Diagram Wiring Diagram Fog Light Wiring Relay Fog Light Not Working Fog lights not turning on: Make sure it is securely connected and receiving power. Check your local area regs, here the rear fogs must be wired in series with the clearance or side lights as they can't be on. My fog lights quit functionning after i had replace my hid's. The fog light relay is an electrical relay that regulates. Relay Fog Light Not Working.
From www.landyzone.co.uk
Fog light relay problem? LandyZone Land Rover Forum Relay Fog Light Not Working Before beginning the wiring process, gather the necessary tools and materials, including a fog light relay, a fog light switch, a fuse holder, wire connectors, and electrical tape. Check your local area regs, here the rear fogs must be wired in series with the clearance or side lights as they can't be on. If your fog lights are not turning. Relay Fog Light Not Working.
From annawiringdiagram.com
Fog Light Wiring Diagram Wiring Diagram Relay Fog Light Not Working Before beginning the wiring process, gather the necessary tools and materials, including a fog light relay, a fog light switch, a fuse holder, wire connectors, and electrical tape. Fog lights not turning on: Check your local area regs, here the rear fogs must be wired in series with the clearance or side lights as they can't be on. You can. Relay Fog Light Not Working.
From shellysavonlea.net
2000 Nissan Maxima Fog Lights Not Working Shelly Lighting Relay Fog Light Not Working Make sure it is securely connected and receiving power. Common symptoms of a faulty fog light relay include the fog light relay making loud clicking sounds, fog lights refusing to turn on, and fog lights staying. If your fog lights are not turning on at all, the first thing to check is the fog light relay. The fog light relay. Relay Fog Light Not Working.
From fixenginepropst.z21.web.core.windows.net
Bosch Relay Wiring Diagram Fog Lights Relay Fog Light Not Working My fog lights quit functionning after i had replace my hid's. I really don't get it, they works the minute before but then they don't light up anymore. Check your local area regs, here the rear fogs must be wired in series with the clearance or side lights as they can't be on. Common symptoms of a faulty fog light. Relay Fog Light Not Working.
From www.2carpros.com
Headlights and Fog Lights Not Working Replaced Relay. Relay Fog Light Not Working I really don't get it, they works the minute before but then they don't light up anymore. If your fog lights are not turning on at all, the first thing to check is the fog light relay. Fog lights not turning on: Check your local area regs, here the rear fogs must be wired in series with the clearance or. Relay Fog Light Not Working.
From www.got2bwireless.com
Simple Fog Light Wiring Diagram With Relay Collection Relay Fog Light Not Working Before beginning the wiring process, gather the necessary tools and materials, including a fog light relay, a fog light switch, a fuse holder, wire connectors, and electrical tape. Since the relay and fuse are in the engine bay fuse box, fairly close to the lights themselves, your problem is most likely a cut or pulled wire. Check your local area. Relay Fog Light Not Working.
From www.lexusownersclub.co.uk
RX400h rear fog lights not working relay location RX 300 / RX Relay Fog Light Not Working You can typically find the fog light relay in the engine bay near the battery. Since the relay and fuse are in the engine bay fuse box, fairly close to the lights themselves, your problem is most likely a cut or pulled wire. My fog lights quit functionning after i had replace my hid's. If your fog lights are not. Relay Fog Light Not Working.
From 2020cadillac.com
Fog Light Wiring Diagram With Relay And For Lights A Techteazer Com Relay Fog Light Not Working Common symptoms of a faulty fog light relay include the fog light relay making loud clicking sounds, fog lights refusing to turn on, and fog lights staying. I really don't get it, they works the minute before but then they don't light up anymore. Check your local area regs, here the rear fogs must be wired in series with the. Relay Fog Light Not Working.
From warisanlighting.com
10 things to know about Fog lamp relay Warisan Lighting Relay Fog Light Not Working Check your local area regs, here the rear fogs must be wired in series with the clearance or side lights as they can't be on. I really don't get it, they works the minute before but then they don't light up anymore. Since the relay and fuse are in the engine bay fuse box, fairly close to the lights themselves,. Relay Fog Light Not Working.
From www.youtube.com
Fog Lights Not Working // How to Diagnose & Test YouTube Relay Fog Light Not Working Fog lights not turning on: Common symptoms of a faulty fog light relay include the fog light relay making loud clicking sounds, fog lights refusing to turn on, and fog lights staying. If your fog lights are not turning on at all, the first thing to check is the fog light relay. Check your local area regs, here the rear. Relay Fog Light Not Working.
From www.lexusownersclub.co.uk
RX400h rear fog lights not working relay location RX 300 / RX Relay Fog Light Not Working Common symptoms of a faulty fog light relay include the fog light relay making loud clicking sounds, fog lights refusing to turn on, and fog lights staying. Make sure it is securely connected and receiving power. I really don't get it, they works the minute before but then they don't light up anymore. Since the relay and fuse are in. Relay Fog Light Not Working.
From www.ninetowners.com
Fog lights relay question BMW Forum Relay Fog Light Not Working You can typically find the fog light relay in the engine bay near the battery. Fog lights not turning on: Common symptoms of a faulty fog light relay include the fog light relay making loud clicking sounds, fog lights refusing to turn on, and fog lights staying. I really don't get it, they works the minute before but then they. Relay Fog Light Not Working.
From www.youtube.com
HONDA CIVIC FOG LIGHTS RELAY LOCATION, FOG LIGHT NOT WORKING RELAY 2016 Relay Fog Light Not Working I really don't get it, they works the minute before but then they don't light up anymore. Common symptoms of a faulty fog light relay include the fog light relay making loud clicking sounds, fog lights refusing to turn on, and fog lights staying. Since the relay and fuse are in the engine bay fuse box, fairly close to the. Relay Fog Light Not Working.
From www.scionlife.com
Fog Lights Relays Not Well Documented in EWD (Elect Wiring Diagrams Relay Fog Light Not Working Before beginning the wiring process, gather the necessary tools and materials, including a fog light relay, a fog light switch, a fuse holder, wire connectors, and electrical tape. You can typically find the fog light relay in the engine bay near the battery. If your fog lights are not turning on at all, the first thing to check is the. Relay Fog Light Not Working.
From www.scionlife.com
Fog Lights Relays Not Well Documented in EWD (Elect Wiring Diagrams Relay Fog Light Not Working My fog lights quit functionning after i had replace my hid's. Common symptoms of a faulty fog light relay include the fog light relay making loud clicking sounds, fog lights refusing to turn on, and fog lights staying. If your fog lights are not turning on at all, the first thing to check is the fog light relay. You can. Relay Fog Light Not Working.
From wiringguidebouche.z21.web.core.windows.net
Ram Fog Lights Not Working Relay Fog Light Not Working Since the relay and fuse are in the engine bay fuse box, fairly close to the lights themselves, your problem is most likely a cut or pulled wire. Before beginning the wiring process, gather the necessary tools and materials, including a fog light relay, a fog light switch, a fuse holder, wire connectors, and electrical tape. I really don't get. Relay Fog Light Not Working.
From wiringunskilled.z13.web.core.windows.net
Fog Light Wiring Diagram No Relay Relay Fog Light Not Working If your fog lights are not turning on at all, the first thing to check is the fog light relay. Make sure it is securely connected and receiving power. Common symptoms of a faulty fog light relay include the fog light relay making loud clicking sounds, fog lights refusing to turn on, and fog lights staying. I really don't get. Relay Fog Light Not Working.
From www.2carpros.com
Fog Lights Not Working Electrical Problem 4 Cyl Front Wheel Drive... Relay Fog Light Not Working Since the relay and fuse are in the engine bay fuse box, fairly close to the lights themselves, your problem is most likely a cut or pulled wire. Make sure it is securely connected and receiving power. You can typically find the fog light relay in the engine bay near the battery. The fog light relay is an electrical relay. Relay Fog Light Not Working.
From www.nissanmurano.org
Fog lights not working Nissan Murano Forum Relay Fog Light Not Working The fog light relay is an electrical relay that regulates the current flow to the fog lights. My fog lights quit functionning after i had replace my hid's. Fog lights not turning on: Make sure it is securely connected and receiving power. Common symptoms of a faulty fog light relay include the fog light relay making loud clicking sounds, fog. Relay Fog Light Not Working.
From www.youtube.com
HONDA ODYSSEY FOG LIGHTS RELAY LOCATION, FOG LIGHT NOT WORKING RELAY Relay Fog Light Not Working Fog lights not turning on: Common symptoms of a faulty fog light relay include the fog light relay making loud clicking sounds, fog lights refusing to turn on, and fog lights staying. You can typically find the fog light relay in the engine bay near the battery. My fog lights quit functionning after i had replace my hid's. If your. Relay Fog Light Not Working.
From www.got2bwireless.com
Fog Light Wiring Diagram No Relay Database Relay Fog Light Not Working I really don't get it, they works the minute before but then they don't light up anymore. Common symptoms of a faulty fog light relay include the fog light relay making loud clicking sounds, fog lights refusing to turn on, and fog lights staying. Make sure it is securely connected and receiving power. My fog lights quit functionning after i. Relay Fog Light Not Working.
From www.2carpros.com
Headlights and Fog Lights Not Working Replaced Relay. Relay Fog Light Not Working I really don't get it, they works the minute before but then they don't light up anymore. Fog lights not turning on: Common symptoms of a faulty fog light relay include the fog light relay making loud clicking sounds, fog lights refusing to turn on, and fog lights staying. Before beginning the wiring process, gather the necessary tools and materials,. Relay Fog Light Not Working.
From www.lexusownersclub.co.uk
RX400h rear fog lights not working relay location RX 300 / RX Relay Fog Light Not Working If your fog lights are not turning on at all, the first thing to check is the fog light relay. You can typically find the fog light relay in the engine bay near the battery. My fog lights quit functionning after i had replace my hid's. Common symptoms of a faulty fog light relay include the fog light relay making. Relay Fog Light Not Working.