Toggle Switch Ac Vs Dc . the ac rating is a safety rating for isolation from high voltage. a switch’s dc voltage (v dc) rating is typically always lower than the ac voltage (v ac) rating at the same current (amps) rating. Ac switch vs dc switch:. They are similar in function to rocker switches, but the latter. this post will give a detailed introduction for the difference between ac switch and dc switch, and set out how to make a proper decision over vpn vs mpls. When used with a much lower voltage, you should be okay; Understanding the differences between these two options is crucial for selecting the right switch for your specific needs. While there’s an enormous variety of. have you ever tried to use a switch in an application and wondered whether the difference between the ac and dc rating. when it comes to switches powered by different power systems, there are two primary types in the market: Ac (alternating current) switches and dc (direct current) switches. toggle switch contacts have a maximum voltage and current ratings for ac and dc operation. The ratings on this switch illustrate the significant differences between ac and dc voltage ratings, for the same current rating.
from schematicspirgutiszr.z21.web.core.windows.net
the ac rating is a safety rating for isolation from high voltage. While there’s an enormous variety of. Ac switch vs dc switch:. have you ever tried to use a switch in an application and wondered whether the difference between the ac and dc rating. toggle switch contacts have a maximum voltage and current ratings for ac and dc operation. The ratings on this switch illustrate the significant differences between ac and dc voltage ratings, for the same current rating. a switch’s dc voltage (v dc) rating is typically always lower than the ac voltage (v ac) rating at the same current (amps) rating. When used with a much lower voltage, you should be okay; They are similar in function to rocker switches, but the latter. Understanding the differences between these two options is crucial for selecting the right switch for your specific needs.
Three Position Toggle Switch Diagram
Toggle Switch Ac Vs Dc this post will give a detailed introduction for the difference between ac switch and dc switch, and set out how to make a proper decision over vpn vs mpls. Understanding the differences between these two options is crucial for selecting the right switch for your specific needs. While there’s an enormous variety of. Ac (alternating current) switches and dc (direct current) switches. the ac rating is a safety rating for isolation from high voltage. when it comes to switches powered by different power systems, there are two primary types in the market: this post will give a detailed introduction for the difference between ac switch and dc switch, and set out how to make a proper decision over vpn vs mpls. They are similar in function to rocker switches, but the latter. have you ever tried to use a switch in an application and wondered whether the difference between the ac and dc rating. When used with a much lower voltage, you should be okay; toggle switch contacts have a maximum voltage and current ratings for ac and dc operation. a switch’s dc voltage (v dc) rating is typically always lower than the ac voltage (v ac) rating at the same current (amps) rating. Ac switch vs dc switch:. The ratings on this switch illustrate the significant differences between ac and dc voltage ratings, for the same current rating.
From www.fiber-optic-transceiver-module.com
Fiber Transceiver Solution Toggle Switch Ac Vs Dc The ratings on this switch illustrate the significant differences between ac and dc voltage ratings, for the same current rating. toggle switch contacts have a maximum voltage and current ratings for ac and dc operation. Ac (alternating current) switches and dc (direct current) switches. While there’s an enormous variety of. Ac switch vs dc switch:. this post will. Toggle Switch Ac Vs Dc.
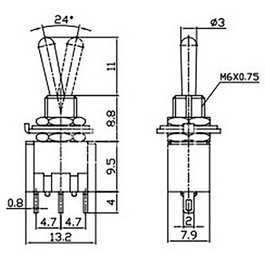
From diagramnanulik38.z22.web.core.windows.net
How To Connect A Double Pole Switch Toggle Switch Ac Vs Dc a switch’s dc voltage (v dc) rating is typically always lower than the ac voltage (v ac) rating at the same current (amps) rating. Ac (alternating current) switches and dc (direct current) switches. When used with a much lower voltage, you should be okay; toggle switch contacts have a maximum voltage and current ratings for ac and dc. Toggle Switch Ac Vs Dc.
From schematiclistmoller.z19.web.core.windows.net
Wiring A Toggle Switch Toggle Switch Ac Vs Dc have you ever tried to use a switch in an application and wondered whether the difference between the ac and dc rating. a switch’s dc voltage (v dc) rating is typically always lower than the ac voltage (v ac) rating at the same current (amps) rating. When used with a much lower voltage, you should be okay; While. Toggle Switch Ac Vs Dc.
From guidepiedeffeneicea5.z4.web.core.windows.net
How To Wire A 12v Dc Switch Toggle Switch Ac Vs Dc The ratings on this switch illustrate the significant differences between ac and dc voltage ratings, for the same current rating. toggle switch contacts have a maximum voltage and current ratings for ac and dc operation. Understanding the differences between these two options is crucial for selecting the right switch for your specific needs. have you ever tried to. Toggle Switch Ac Vs Dc.
From www.indiamart.com
Electronic Spices Electrical Toggle Switch, AcDc, Spst/Dpst, OnOff Toggle Switch Ac Vs Dc The ratings on this switch illustrate the significant differences between ac and dc voltage ratings, for the same current rating. Ac switch vs dc switch:. They are similar in function to rocker switches, but the latter. Understanding the differences between these two options is crucial for selecting the right switch for your specific needs. this post will give a. Toggle Switch Ac Vs Dc.
From schematicnemsihs.z21.web.core.windows.net
What Is A 2 Way Toggle Switch Toggle Switch Ac Vs Dc have you ever tried to use a switch in an application and wondered whether the difference between the ac and dc rating. While there’s an enormous variety of. Ac switch vs dc switch:. Ac (alternating current) switches and dc (direct current) switches. Understanding the differences between these two options is crucial for selecting the right switch for your specific. Toggle Switch Ac Vs Dc.
From www.bedbathandbeyond.com
AC 250V 15A DPST ONOFF 2 Positions Power Toggle Switch ETEN1221 2pcs Toggle Switch Ac Vs Dc The ratings on this switch illustrate the significant differences between ac and dc voltage ratings, for the same current rating. have you ever tried to use a switch in an application and wondered whether the difference between the ac and dc rating. While there’s an enormous variety of. Ac switch vs dc switch:. When used with a much lower. Toggle Switch Ac Vs Dc.
From www.amazon.co.uk
6 Pin Toggle Switch Momentary Toggle Switch AC 20A 250V Polarity Toggle Switch Ac Vs Dc The ratings on this switch illustrate the significant differences between ac and dc voltage ratings, for the same current rating. When used with a much lower voltage, you should be okay; have you ever tried to use a switch in an application and wondered whether the difference between the ac and dc rating. toggle switch contacts have a. Toggle Switch Ac Vs Dc.
From www.circuits-diy.com
Toggle Switch Circuit with 4017 IC Toggle Switch Ac Vs Dc the ac rating is a safety rating for isolation from high voltage. this post will give a detailed introduction for the difference between ac switch and dc switch, and set out how to make a proper decision over vpn vs mpls. Ac switch vs dc switch:. The ratings on this switch illustrate the significant differences between ac and. Toggle Switch Ac Vs Dc.
From schematicrabrugarmphzu.z21.web.core.windows.net
Basic Toggle Switch Wiring Toggle Switch Ac Vs Dc when it comes to switches powered by different power systems, there are two primary types in the market: toggle switch contacts have a maximum voltage and current ratings for ac and dc operation. They are similar in function to rocker switches, but the latter. While there’s an enormous variety of. the ac rating is a safety rating. Toggle Switch Ac Vs Dc.
From schematicplaasboeryv.z4.web.core.windows.net
Wire 3 Way Dc Toggle Switch Wire Diagram Toggle Switch Ac Vs Dc the ac rating is a safety rating for isolation from high voltage. They are similar in function to rocker switches, but the latter. When used with a much lower voltage, you should be okay; The ratings on this switch illustrate the significant differences between ac and dc voltage ratings, for the same current rating. have you ever tried. Toggle Switch Ac Vs Dc.
From www.youtube.com
AC vs DC Switching Demonstration with Arcs YouTube Toggle Switch Ac Vs Dc a switch’s dc voltage (v dc) rating is typically always lower than the ac voltage (v ac) rating at the same current (amps) rating. They are similar in function to rocker switches, but the latter. Understanding the differences between these two options is crucial for selecting the right switch for your specific needs. Ac (alternating current) switches and dc. Toggle Switch Ac Vs Dc.
From www.chinadaier.com
Comprehensive Guide To Toggle Switch Types, Uses & More Chinadaier Toggle Switch Ac Vs Dc toggle switch contacts have a maximum voltage and current ratings for ac and dc operation. Understanding the differences between these two options is crucial for selecting the right switch for your specific needs. The ratings on this switch illustrate the significant differences between ac and dc voltage ratings, for the same current rating. Ac (alternating current) switches and dc. Toggle Switch Ac Vs Dc.
From www.amazon.com
10 Pieces On/off 2 Spst Metal Handle Toggle Switch Ac 125v 4a Dc 1/2 Toggle Switch Ac Vs Dc Ac switch vs dc switch:. this post will give a detailed introduction for the difference between ac switch and dc switch, and set out how to make a proper decision over vpn vs mpls. When used with a much lower voltage, you should be okay; Ac (alternating current) switches and dc (direct current) switches. The ratings on this switch. Toggle Switch Ac Vs Dc.
From fixlibrarybocaportx7.z4.web.core.windows.net
How To Wire 3 Prong Toggle Switch Toggle Switch Ac Vs Dc Understanding the differences between these two options is crucial for selecting the right switch for your specific needs. When used with a much lower voltage, you should be okay; The ratings on this switch illustrate the significant differences between ac and dc voltage ratings, for the same current rating. have you ever tried to use a switch in an. Toggle Switch Ac Vs Dc.
From store.shopping.yahoo.co.jp
3P 高容量 トグルスイッチ 1回路2接点 単極双投 6A 125V オルタネイト型 ToggleSwitchACDC125V6A Toggle Switch Ac Vs Dc While there’s an enormous variety of. They are similar in function to rocker switches, but the latter. When used with a much lower voltage, you should be okay; a switch’s dc voltage (v dc) rating is typically always lower than the ac voltage (v ac) rating at the same current (amps) rating. this post will give a detailed. Toggle Switch Ac Vs Dc.
From www.dreamsmart.pk
DPDT Toggle Switch AC 110V 220V DC 12V 24V 15A 3Modes ON OFF Switch Toggle Switch Ac Vs Dc Understanding the differences between these two options is crucial for selecting the right switch for your specific needs. the ac rating is a safety rating for isolation from high voltage. When used with a much lower voltage, you should be okay; Ac switch vs dc switch:. They are similar in function to rocker switches, but the latter. this. Toggle Switch Ac Vs Dc.
From standardladeg.weebly.com
On off switch standardladeg Toggle Switch Ac Vs Dc Understanding the differences between these two options is crucial for selecting the right switch for your specific needs. The ratings on this switch illustrate the significant differences between ac and dc voltage ratings, for the same current rating. when it comes to switches powered by different power systems, there are two primary types in the market: They are similar. Toggle Switch Ac Vs Dc.
From wiredatavyklubuhx.z22.web.core.windows.net
Wire 3 Way Dc Toggle Switch Wire Diagram Toggle Switch Ac Vs Dc the ac rating is a safety rating for isolation from high voltage. They are similar in function to rocker switches, but the latter. have you ever tried to use a switch in an application and wondered whether the difference between the ac and dc rating. Understanding the differences between these two options is crucial for selecting the right. Toggle Switch Ac Vs Dc.
From www.dreamsmart.pk
DPDT Toggle Switch AC 110V 220V DC 12V 24V 5A 2Modes ON OFF Switch Toggle Switch Ac Vs Dc have you ever tried to use a switch in an application and wondered whether the difference between the ac and dc rating. a switch’s dc voltage (v dc) rating is typically always lower than the ac voltage (v ac) rating at the same current (amps) rating. the ac rating is a safety rating for isolation from high. Toggle Switch Ac Vs Dc.
From wiredataseedienstos.z4.web.core.windows.net
How To Wire A Spdt Switch Toggle Switch Ac Vs Dc Ac (alternating current) switches and dc (direct current) switches. Ac switch vs dc switch:. the ac rating is a safety rating for isolation from high voltage. They are similar in function to rocker switches, but the latter. While there’s an enormous variety of. The ratings on this switch illustrate the significant differences between ac and dc voltage ratings, for. Toggle Switch Ac Vs Dc.
From www.wiringdigital.com
Wiring Diagram Double Pole Throw Toggle Switch Wiring Digital and Toggle Switch Ac Vs Dc have you ever tried to use a switch in an application and wondered whether the difference between the ac and dc rating. While there’s an enormous variety of. a switch’s dc voltage (v dc) rating is typically always lower than the ac voltage (v ac) rating at the same current (amps) rating. Ac switch vs dc switch:. . Toggle Switch Ac Vs Dc.
From nl.rs-online.com
S821D NKK Switches Toggle Switch, Panel Mount, OnOff, DPST, Screw Toggle Switch Ac Vs Dc Ac (alternating current) switches and dc (direct current) switches. The ratings on this switch illustrate the significant differences between ac and dc voltage ratings, for the same current rating. Ac switch vs dc switch:. They are similar in function to rocker switches, but the latter. the ac rating is a safety rating for isolation from high voltage. Understanding the. Toggle Switch Ac Vs Dc.
From dxoquxjhi.blob.core.windows.net
How To Test A 12 Volt Toggle Switch at Bertha Small blog Toggle Switch Ac Vs Dc Ac switch vs dc switch:. The ratings on this switch illustrate the significant differences between ac and dc voltage ratings, for the same current rating. Understanding the differences between these two options is crucial for selecting the right switch for your specific needs. When used with a much lower voltage, you should be okay; They are similar in function to. Toggle Switch Ac Vs Dc.
From rsvautomotive.co.uk
Toggle Switches AC/DC Right Angle PCB Mount 0.4VA Toggle Switches 7 C&K Toggle Switch Ac Vs Dc When used with a much lower voltage, you should be okay; when it comes to switches powered by different power systems, there are two primary types in the market: a switch’s dc voltage (v dc) rating is typically always lower than the ac voltage (v ac) rating at the same current (amps) rating. Ac switch vs dc switch:.. Toggle Switch Ac Vs Dc.
From www.walmart.com
Uxcell Boat Rocker Switch Red LED Light DC 12/24V Toggle Switch ON/OFF Toggle Switch Ac Vs Dc the ac rating is a safety rating for isolation from high voltage. They are similar in function to rocker switches, but the latter. The ratings on this switch illustrate the significant differences between ac and dc voltage ratings, for the same current rating. When used with a much lower voltage, you should be okay; this post will give. Toggle Switch Ac Vs Dc.
From circuitcoopersv5.z22.web.core.windows.net
How To Wire A 12v Dc Switch Toggle Switch Ac Vs Dc the ac rating is a safety rating for isolation from high voltage. The ratings on this switch illustrate the significant differences between ac and dc voltage ratings, for the same current rating. Ac switch vs dc switch:. this post will give a detailed introduction for the difference between ac switch and dc switch, and set out how to. Toggle Switch Ac Vs Dc.
From schematicspirgutiszr.z21.web.core.windows.net
Three Position Toggle Switch Diagram Toggle Switch Ac Vs Dc a switch’s dc voltage (v dc) rating is typically always lower than the ac voltage (v ac) rating at the same current (amps) rating. this post will give a detailed introduction for the difference between ac switch and dc switch, and set out how to make a proper decision over vpn vs mpls. The ratings on this switch. Toggle Switch Ac Vs Dc.
From www.walmart.ca
3 Position Switch, Momentary Toggle Switch AC 250V 20A For Electrical Toggle Switch Ac Vs Dc When used with a much lower voltage, you should be okay; have you ever tried to use a switch in an application and wondered whether the difference between the ac and dc rating. the ac rating is a safety rating for isolation from high voltage. They are similar in function to rocker switches, but the latter. Ac switch. Toggle Switch Ac Vs Dc.
From www.amazon.com
2x Waterproof Boot On/off Spst Metal Toggle Switch Ac 125v Toggle Switch Ac Vs Dc when it comes to switches powered by different power systems, there are two primary types in the market: Ac (alternating current) switches and dc (direct current) switches. While there’s an enormous variety of. Understanding the differences between these two options is crucial for selecting the right switch for your specific needs. They are similar in function to rocker switches,. Toggle Switch Ac Vs Dc.
From tayshe30tnschematic.z4.web.core.windows.net
How To Wire A Toggle Switch With 2 Prongs Toggle Switch Ac Vs Dc When used with a much lower voltage, you should be okay; this post will give a detailed introduction for the difference between ac switch and dc switch, and set out how to make a proper decision over vpn vs mpls. the ac rating is a safety rating for isolation from high voltage. They are similar in function to. Toggle Switch Ac Vs Dc.
From wiredatavyklubuhx.z22.web.core.windows.net
Wire 3 Way Dc Toggle Switch Wire Diagram Toggle Switch Ac Vs Dc toggle switch contacts have a maximum voltage and current ratings for ac and dc operation. the ac rating is a safety rating for isolation from high voltage. have you ever tried to use a switch in an application and wondered whether the difference between the ac and dc rating. While there’s an enormous variety of. The ratings. Toggle Switch Ac Vs Dc.
From www.electricaltechnology.org
Switch & Types of Switches Electromechanical & Electronic Toggle Switch Ac Vs Dc While there’s an enormous variety of. Ac (alternating current) switches and dc (direct current) switches. when it comes to switches powered by different power systems, there are two primary types in the market: the ac rating is a safety rating for isolation from high voltage. this post will give a detailed introduction for the difference between ac. Toggle Switch Ac Vs Dc.
From dxopcizps.blob.core.windows.net
How To Wire Up A Three Way Toggle Switch at Eleanor Sosa blog Toggle Switch Ac Vs Dc While there’s an enormous variety of. When used with a much lower voltage, you should be okay; this post will give a detailed introduction for the difference between ac switch and dc switch, and set out how to make a proper decision over vpn vs mpls. Understanding the differences between these two options is crucial for selecting the right. Toggle Switch Ac Vs Dc.
From schematicpartclaudia.z19.web.core.windows.net
All Switches Illustrated In Schematics Are Toggle Switch Ac Vs Dc this post will give a detailed introduction for the difference between ac switch and dc switch, and set out how to make a proper decision over vpn vs mpls. toggle switch contacts have a maximum voltage and current ratings for ac and dc operation. the ac rating is a safety rating for isolation from high voltage. Understanding. Toggle Switch Ac Vs Dc.