Bmw Z4 Steering Wheel Problems . bmw z4 steering problems occur frequently. It's of special interest to note. I test drove a 2004 with ~34k miles today. norman has some very useful information regarding this issue and a possible fix. this is a fix that has seen a high level of success in germany after alot of. my findings have solved my issues but there are still quite a few variables when trying to diagnose what. In the period of 2003 to 2009, bmw fitted electric power steering. the early z4 issue was due to the grease used and the gear clearance so at the time people installed a grease nipple. Unfortunately for me a new. now when i go in i will describe the problem as a defective worm gear in the steering. all you have to do is push your seat right back, adjust the steering wheel towards the driver as far as possible and.
from exohhymbk.blob.core.windows.net
bmw z4 steering problems occur frequently. norman has some very useful information regarding this issue and a possible fix. I test drove a 2004 with ~34k miles today. It's of special interest to note. Unfortunately for me a new. all you have to do is push your seat right back, adjust the steering wheel towards the driver as far as possible and. the early z4 issue was due to the grease used and the gear clearance so at the time people installed a grease nipple. In the period of 2003 to 2009, bmw fitted electric power steering. my findings have solved my issues but there are still quite a few variables when trying to diagnose what. this is a fix that has seen a high level of success in germany after alot of.
Bmw Z4 Steering Rack Problems at Michal Douglas blog
Bmw Z4 Steering Wheel Problems It's of special interest to note. I test drove a 2004 with ~34k miles today. my findings have solved my issues but there are still quite a few variables when trying to diagnose what. the early z4 issue was due to the grease used and the gear clearance so at the time people installed a grease nipple. now when i go in i will describe the problem as a defective worm gear in the steering. bmw z4 steering problems occur frequently. norman has some very useful information regarding this issue and a possible fix. In the period of 2003 to 2009, bmw fitted electric power steering. this is a fix that has seen a high level of success in germany after alot of. all you have to do is push your seat right back, adjust the steering wheel towards the driver as far as possible and. It's of special interest to note. Unfortunately for me a new.
From gtcarlot.com
2007 BMW Z4 3.0si Coupe Steering Wheel Photos Bmw Z4 Steering Wheel Problems now when i go in i will describe the problem as a defective worm gear in the steering. In the period of 2003 to 2009, bmw fitted electric power steering. this is a fix that has seen a high level of success in germany after alot of. I test drove a 2004 with ~34k miles today. bmw. Bmw Z4 Steering Wheel Problems.
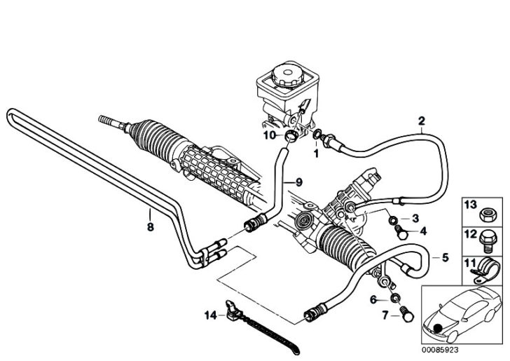
From bestbmwz4.blogspot.com
Bmw Z4 Steering Wheel Best BMW Z4 Review Bmw Z4 Steering Wheel Problems I test drove a 2004 with ~34k miles today. bmw z4 steering problems occur frequently. all you have to do is push your seat right back, adjust the steering wheel towards the driver as far as possible and. Unfortunately for me a new. It's of special interest to note. my findings have solved my issues but there. Bmw Z4 Steering Wheel Problems.
From automotivesblog.com
E85/E86 BMW Z4 Steering Problems [ How to Fix! ] AUTOMOTIVESBLOG Bmw Z4 Steering Wheel Problems now when i go in i will describe the problem as a defective worm gear in the steering. Unfortunately for me a new. the early z4 issue was due to the grease used and the gear clearance so at the time people installed a grease nipple. bmw z4 steering problems occur frequently. norman has some very. Bmw Z4 Steering Wheel Problems.
From www.bmwfanatics.co.za
Z4M Steering Wheel Trim Cleanup BMWFanatics Bmw Z4 Steering Wheel Problems bmw z4 steering problems occur frequently. the early z4 issue was due to the grease used and the gear clearance so at the time people installed a grease nipple. norman has some very useful information regarding this issue and a possible fix. all you have to do is push your seat right back, adjust the steering. Bmw Z4 Steering Wheel Problems.
From www.automotiveaddicts.com
2019bmwz4steeringwheel Automotive Addicts Bmw Z4 Steering Wheel Problems Unfortunately for me a new. this is a fix that has seen a high level of success in germany after alot of. norman has some very useful information regarding this issue and a possible fix. my findings have solved my issues but there are still quite a few variables when trying to diagnose what. the early. Bmw Z4 Steering Wheel Problems.
From www.youtube.com
Bmw Steering Noise FREE FIX YouTube Bmw Z4 Steering Wheel Problems this is a fix that has seen a high level of success in germany after alot of. In the period of 2003 to 2009, bmw fitted electric power steering. the early z4 issue was due to the grease used and the gear clearance so at the time people installed a grease nipple. my findings have solved my. Bmw Z4 Steering Wheel Problems.
From www.youtube.com
BMW Z4 (E85) 2003 *Mysterious Steering Clicking Noise* YouTube Bmw Z4 Steering Wheel Problems my findings have solved my issues but there are still quite a few variables when trying to diagnose what. all you have to do is push your seat right back, adjust the steering wheel towards the driver as far as possible and. I test drove a 2004 with ~34k miles today. now when i go in i. Bmw Z4 Steering Wheel Problems.
From gtcarlot.com
2006 BMW Z4 3.0si Roadster Steering Wheel Photos Bmw Z4 Steering Wheel Problems my findings have solved my issues but there are still quite a few variables when trying to diagnose what. In the period of 2003 to 2009, bmw fitted electric power steering. now when i go in i will describe the problem as a defective worm gear in the steering. the early z4 issue was due to the. Bmw Z4 Steering Wheel Problems.
From exohhymbk.blob.core.windows.net
Bmw Z4 Steering Rack Problems at Michal Douglas blog Bmw Z4 Steering Wheel Problems In the period of 2003 to 2009, bmw fitted electric power steering. norman has some very useful information regarding this issue and a possible fix. I test drove a 2004 with ~34k miles today. Unfortunately for me a new. the early z4 issue was due to the grease used and the gear clearance so at the time people. Bmw Z4 Steering Wheel Problems.
From www.pelicanparts.com
BMW Z4M Steering Column and Steering Angle Sensor Replacement 2003 Bmw Z4 Steering Wheel Problems It's of special interest to note. this is a fix that has seen a high level of success in germany after alot of. norman has some very useful information regarding this issue and a possible fix. all you have to do is push your seat right back, adjust the steering wheel towards the driver as far as. Bmw Z4 Steering Wheel Problems.
From www.youtube.com
How to remove steering wheel + AIRBAG BMW Z4 e89 facelift Dr.Volant Bmw Z4 Steering Wheel Problems It's of special interest to note. In the period of 2003 to 2009, bmw fitted electric power steering. norman has some very useful information regarding this issue and a possible fix. now when i go in i will describe the problem as a defective worm gear in the steering. my findings have solved my issues but there. Bmw Z4 Steering Wheel Problems.
From gtcarlot.com
2011 BMW Z4 sDrive30i Roadster Black Steering Wheel Photo 78613631 Bmw Z4 Steering Wheel Problems now when i go in i will describe the problem as a defective worm gear in the steering. In the period of 2003 to 2009, bmw fitted electric power steering. I test drove a 2004 with ~34k miles today. bmw z4 steering problems occur frequently. Unfortunately for me a new. the early z4 issue was due to. Bmw Z4 Steering Wheel Problems.
From www.youtube.com
BMW Z4 Steering Wheel Removal and Install YouTube Bmw Z4 Steering Wheel Problems bmw z4 steering problems occur frequently. my findings have solved my issues but there are still quite a few variables when trying to diagnose what. It's of special interest to note. I test drove a 2004 with ~34k miles today. norman has some very useful information regarding this issue and a possible fix. this is a. Bmw Z4 Steering Wheel Problems.
From azaautowheel.com
Steering wheel BMW Z4 M 20062009 Carbon fiber/Perforated leather Bmw Z4 Steering Wheel Problems Unfortunately for me a new. I test drove a 2004 with ~34k miles today. norman has some very useful information regarding this issue and a possible fix. the early z4 issue was due to the grease used and the gear clearance so at the time people installed a grease nipple. all you have to do is push. Bmw Z4 Steering Wheel Problems.
From www.z4-forum.com
Steering Column Fix Torque Sensor (save £2000) Bmw Z4 Steering Wheel Problems I test drove a 2004 with ~34k miles today. norman has some very useful information regarding this issue and a possible fix. the early z4 issue was due to the grease used and the gear clearance so at the time people installed a grease nipple. now when i go in i will describe the problem as a. Bmw Z4 Steering Wheel Problems.
From z4-forum.com
Z4M Steering Wheel Can it be used on an Auto? Bmw Z4 Steering Wheel Problems bmw z4 steering problems occur frequently. all you have to do is push your seat right back, adjust the steering wheel towards the driver as far as possible and. It's of special interest to note. I test drove a 2004 with ~34k miles today. now when i go in i will describe the problem as a defective. Bmw Z4 Steering Wheel Problems.
From gtcarlot.com
2021 BMW Z4 sDrive30i Steering Wheel Photos Bmw Z4 Steering Wheel Problems now when i go in i will describe the problem as a defective worm gear in the steering. I test drove a 2004 with ~34k miles today. all you have to do is push your seat right back, adjust the steering wheel towards the driver as far as possible and. bmw z4 steering problems occur frequently. . Bmw Z4 Steering Wheel Problems.
From exohhymbk.blob.core.windows.net
Bmw Z4 Steering Rack Problems at Michal Douglas blog Bmw Z4 Steering Wheel Problems the early z4 issue was due to the grease used and the gear clearance so at the time people installed a grease nipple. all you have to do is push your seat right back, adjust the steering wheel towards the driver as far as possible and. now when i go in i will describe the problem as. Bmw Z4 Steering Wheel Problems.
From gtcarlot.com
2015 BMW Z4 sDrive28i Steering Wheel Photos Bmw Z4 Steering Wheel Problems this is a fix that has seen a high level of success in germany after alot of. bmw z4 steering problems occur frequently. now when i go in i will describe the problem as a defective worm gear in the steering. norman has some very useful information regarding this issue and a possible fix. all. Bmw Z4 Steering Wheel Problems.
From gtcarlot.com
2012 BMW Z4 sDrive28i Beige Steering Wheel Photo 56371540 Bmw Z4 Steering Wheel Problems now when i go in i will describe the problem as a defective worm gear in the steering. bmw z4 steering problems occur frequently. Unfortunately for me a new. all you have to do is push your seat right back, adjust the steering wheel towards the driver as far as possible and. I test drove a 2004. Bmw Z4 Steering Wheel Problems.
From z4-forum.com
Z4M Steering Wheel Can it be used on an Auto? Bmw Z4 Steering Wheel Problems It's of special interest to note. the early z4 issue was due to the grease used and the gear clearance so at the time people installed a grease nipple. bmw z4 steering problems occur frequently. norman has some very useful information regarding this issue and a possible fix. this is a fix that has seen a. Bmw Z4 Steering Wheel Problems.
From www.greencarreports.com
Image 2008 BMW Z4Series 2door Roadster 3.0si Steering Wheel, size Bmw Z4 Steering Wheel Problems the early z4 issue was due to the grease used and the gear clearance so at the time people installed a grease nipple. all you have to do is push your seat right back, adjust the steering wheel towards the driver as far as possible and. this is a fix that has seen a high level of. Bmw Z4 Steering Wheel Problems.
From gtcarlot.com
2012 BMW Z4 sDrive28i Beige Steering Wheel Photo 69678135 Bmw Z4 Steering Wheel Problems norman has some very useful information regarding this issue and a possible fix. the early z4 issue was due to the grease used and the gear clearance so at the time people installed a grease nipple. In the period of 2003 to 2009, bmw fitted electric power steering. all you have to do is push your seat. Bmw Z4 Steering Wheel Problems.
From exohhymbk.blob.core.windows.net
Bmw Z4 Steering Rack Problems at Michal Douglas blog Bmw Z4 Steering Wheel Problems Unfortunately for me a new. my findings have solved my issues but there are still quite a few variables when trying to diagnose what. this is a fix that has seen a high level of success in germany after alot of. bmw z4 steering problems occur frequently. In the period of 2003 to 2009, bmw fitted electric. Bmw Z4 Steering Wheel Problems.
From gtcarlot.com
2003 BMW Z4 2.5i Roadster Steering Wheel Photos Bmw Z4 Steering Wheel Problems It's of special interest to note. the early z4 issue was due to the grease used and the gear clearance so at the time people installed a grease nipple. bmw z4 steering problems occur frequently. Unfortunately for me a new. all you have to do is push your seat right back, adjust the steering wheel towards the. Bmw Z4 Steering Wheel Problems.
From automobilegator.com
(20032009) E85/E86 BMW Z4 Power Steering Problems Recall [ How to Fix! ] Bmw Z4 Steering Wheel Problems now when i go in i will describe the problem as a defective worm gear in the steering. norman has some very useful information regarding this issue and a possible fix. my findings have solved my issues but there are still quite a few variables when trying to diagnose what. In the period of 2003 to 2009,. Bmw Z4 Steering Wheel Problems.
From www.youtube.com
BMW Z4 E85 STEERING WHEEL SWAP YouTube Bmw Z4 Steering Wheel Problems bmw z4 steering problems occur frequently. norman has some very useful information regarding this issue and a possible fix. now when i go in i will describe the problem as a defective worm gear in the steering. It's of special interest to note. all you have to do is push your seat right back, adjust the. Bmw Z4 Steering Wheel Problems.
From www.zpost.com
Z4M Steering wheel inserts peeling Bmw Z4 Steering Wheel Problems In the period of 2003 to 2009, bmw fitted electric power steering. bmw z4 steering problems occur frequently. It's of special interest to note. all you have to do is push your seat right back, adjust the steering wheel towards the driver as far as possible and. norman has some very useful information regarding this issue and. Bmw Z4 Steering Wheel Problems.
From automotivesblog.com
E85/E86 BMW Z4 Steering Problems [ How to Fix! ] AUTOMOTIVESBLOG Bmw Z4 Steering Wheel Problems norman has some very useful information regarding this issue and a possible fix. the early z4 issue was due to the grease used and the gear clearance so at the time people installed a grease nipple. Unfortunately for me a new. my findings have solved my issues but there are still quite a few variables when trying. Bmw Z4 Steering Wheel Problems.
From workshop-manuals.com
BMW Manuals > Z Series E85 Z4 3.0i (M54) ROADST > 2 Repair Bmw Z4 Steering Wheel Problems I test drove a 2004 with ~34k miles today. It's of special interest to note. Unfortunately for me a new. norman has some very useful information regarding this issue and a possible fix. all you have to do is push your seat right back, adjust the steering wheel towards the driver as far as possible and. my. Bmw Z4 Steering Wheel Problems.
From gtcarlot.com
2016 BMW Z4 sDrive35i Steering Wheel Photos Bmw Z4 Steering Wheel Problems norman has some very useful information regarding this issue and a possible fix. In the period of 2003 to 2009, bmw fitted electric power steering. bmw z4 steering problems occur frequently. this is a fix that has seen a high level of success in germany after alot of. It's of special interest to note. Unfortunately for me. Bmw Z4 Steering Wheel Problems.
From automobilegator.com
(20032009) E85/E86 BMW Z4 Power Steering Problems Recall [ How to Fix! ] Bmw Z4 Steering Wheel Problems now when i go in i will describe the problem as a defective worm gear in the steering. all you have to do is push your seat right back, adjust the steering wheel towards the driver as far as possible and. the early z4 issue was due to the grease used and the gear clearance so at. Bmw Z4 Steering Wheel Problems.
From www.youtube.com
How to remove BMW Z4 steering wheel (BMW z4 rebuild part 3) YouTube Bmw Z4 Steering Wheel Problems my findings have solved my issues but there are still quite a few variables when trying to diagnose what. It's of special interest to note. the early z4 issue was due to the grease used and the gear clearance so at the time people installed a grease nipple. bmw z4 steering problems occur frequently. Unfortunately for me. Bmw Z4 Steering Wheel Problems.
From www.youtube.com
bmw z4 steering wheel wrap YouTube Bmw Z4 Steering Wheel Problems my findings have solved my issues but there are still quite a few variables when trying to diagnose what. It's of special interest to note. In the period of 2003 to 2009, bmw fitted electric power steering. now when i go in i will describe the problem as a defective worm gear in the steering. bmw z4. Bmw Z4 Steering Wheel Problems.
From www.youtube.com
20032008 BMW Z4 (E85E86) Flat Bottom Steering Wheel Swap YouTube Bmw Z4 Steering Wheel Problems this is a fix that has seen a high level of success in germany after alot of. norman has some very useful information regarding this issue and a possible fix. It's of special interest to note. bmw z4 steering problems occur frequently. now when i go in i will describe the problem as a defective worm. Bmw Z4 Steering Wheel Problems.