Low Frequency Generator Fault . Generator frequency is the number of electrical cycles per second, measured in hertz (hz) and this is directly proportional to the engine speed. This can be a critical issue, leading to various problems with electrical equipment and systems connected to the generator. there are. The engines speed will drop if there is a fuel restriction. Why does a generator shut down on low frequency? A fuel restriction can be caused by a. Engine speed change due to too little fuel. The output frequency of the alternator is always directly proportional to the speed of. Generator bogs down under load. To prevent this, a scheme of protectio n is used that switches into service low. The most common generator problems are: Generator starts and then dies.
from www.thanksbuyer.com
This can be a critical issue, leading to various problems with electrical equipment and systems connected to the generator. there are. Generator starts and then dies. Engine speed change due to too little fuel. Generator frequency is the number of electrical cycles per second, measured in hertz (hz) and this is directly proportional to the engine speed. A fuel restriction can be caused by a. Why does a generator shut down on low frequency? To prevent this, a scheme of protectio n is used that switches into service low. The engines speed will drop if there is a fuel restriction. The most common generator problems are: The output frequency of the alternator is always directly proportional to the speed of.
FM783 Schumann Wave Generator 7.83Hz Ultra Low Frequency Pulse
Low Frequency Generator Fault Generator frequency is the number of electrical cycles per second, measured in hertz (hz) and this is directly proportional to the engine speed. To prevent this, a scheme of protectio n is used that switches into service low. Generator bogs down under load. Engine speed change due to too little fuel. The engines speed will drop if there is a fuel restriction. Why does a generator shut down on low frequency? This can be a critical issue, leading to various problems with electrical equipment and systems connected to the generator. there are. The output frequency of the alternator is always directly proportional to the speed of. The most common generator problems are: Generator frequency is the number of electrical cycles per second, measured in hertz (hz) and this is directly proportional to the engine speed. A fuel restriction can be caused by a. Generator starts and then dies.
From www.energy-xprt.com
LFG200 Low Frequency Generators Low Frequency Generator Low Frequency Generator Fault The engines speed will drop if there is a fuel restriction. Generator starts and then dies. Engine speed change due to too little fuel. To prevent this, a scheme of protectio n is used that switches into service low. A fuel restriction can be caused by a. Generator bogs down under load. Why does a generator shut down on low. Low Frequency Generator Fault.
From www.researchgate.net
(PDF) Low voltage fault ride through criteria for grid connection of Low Frequency Generator Fault This can be a critical issue, leading to various problems with electrical equipment and systems connected to the generator. there are. Generator starts and then dies. To prevent this, a scheme of protectio n is used that switches into service low. The engines speed will drop if there is a fuel restriction. Engine speed change due to too little fuel. The. Low Frequency Generator Fault.
From www.seekic.com
LOW_FREQUENCY_RANDOM_NOISE_GENERATOR Electrical_Equipment_Circuit Low Frequency Generator Fault To prevent this, a scheme of protectio n is used that switches into service low. Why does a generator shut down on low frequency? The output frequency of the alternator is always directly proportional to the speed of. Generator frequency is the number of electrical cycles per second, measured in hertz (hz) and this is directly proportional to the engine. Low Frequency Generator Fault.
From www.kep.ua
Low Frequency Generator LFG50 Low Frequency Generator Fault Generator bogs down under load. Generator frequency is the number of electrical cycles per second, measured in hertz (hz) and this is directly proportional to the engine speed. Engine speed change due to too little fuel. To prevent this, a scheme of protectio n is used that switches into service low. Why does a generator shut down on low frequency?. Low Frequency Generator Fault.
From whatgenerators.com
Generac Generator Fault Codes Quick Fixes for Common Issues Low Frequency Generator Fault Generator starts and then dies. The output frequency of the alternator is always directly proportional to the speed of. The engines speed will drop if there is a fuel restriction. A fuel restriction can be caused by a. To prevent this, a scheme of protectio n is used that switches into service low. Engine speed change due to too little. Low Frequency Generator Fault.
From www.diytrade.com
Low frequency generator LFG50 LFG50 KharkovEnergoPribor Ltd Low Frequency Generator Fault Generator bogs down under load. The engines speed will drop if there is a fuel restriction. The output frequency of the alternator is always directly proportional to the speed of. This can be a critical issue, leading to various problems with electrical equipment and systems connected to the generator. there are. Why does a generator shut down on low frequency? Engine. Low Frequency Generator Fault.
From www.vallon.de
Low Frequency Generators/Generators Vallon GmbH Low Frequency Generator Fault Generator frequency is the number of electrical cycles per second, measured in hertz (hz) and this is directly proportional to the engine speed. The output frequency of the alternator is always directly proportional to the speed of. The engines speed will drop if there is a fuel restriction. Engine speed change due to too little fuel. A fuel restriction can. Low Frequency Generator Fault.
From www.youtube.com
Low Frequency Signal Generator GAG810 YouTube Low Frequency Generator Fault The most common generator problems are: Engine speed change due to too little fuel. A fuel restriction can be caused by a. To prevent this, a scheme of protectio n is used that switches into service low. The engines speed will drop if there is a fuel restriction. Generator bogs down under load. Why does a generator shut down on. Low Frequency Generator Fault.
From www.seekic.com
Low frequency signal generator(2Hz,4Hz,60Hz,120Hz) Low_Frequency Low Frequency Generator Fault Engine speed change due to too little fuel. The engines speed will drop if there is a fuel restriction. The output frequency of the alternator is always directly proportional to the speed of. A fuel restriction can be caused by a. Why does a generator shut down on low frequency? To prevent this, a scheme of protectio n is used. Low Frequency Generator Fault.
From circuitlistgoldschmidt.z19.web.core.windows.net
Frequency Generator Circuit Diagram Low Frequency Generator Fault This can be a critical issue, leading to various problems with electrical equipment and systems connected to the generator. there are. Why does a generator shut down on low frequency? To prevent this, a scheme of protectio n is used that switches into service low. Engine speed change due to too little fuel. A fuel restriction can be caused by a.. Low Frequency Generator Fault.
From www.thanksbuyer.com
FM783 Schumann Wave Generator 7.83Hz Ultra Low Frequency Pulse Low Frequency Generator Fault Generator bogs down under load. Why does a generator shut down on low frequency? A fuel restriction can be caused by a. Generator starts and then dies. The engines speed will drop if there is a fuel restriction. To prevent this, a scheme of protectio n is used that switches into service low. Engine speed change due to too little. Low Frequency Generator Fault.
From mx.vwr.com
Low Frequency Generator VWR Low Frequency Generator Fault Why does a generator shut down on low frequency? To prevent this, a scheme of protectio n is used that switches into service low. This can be a critical issue, leading to various problems with electrical equipment and systems connected to the generator. there are. A fuel restriction can be caused by a. Generator bogs down under load. The most common. Low Frequency Generator Fault.
From www.diytrade.com
Low Frequency Generator LFG2500 KharkovEnergoPribor Ltd. (Ukraine Low Frequency Generator Fault The most common generator problems are: The output frequency of the alternator is always directly proportional to the speed of. This can be a critical issue, leading to various problems with electrical equipment and systems connected to the generator. there are. A fuel restriction can be caused by a. Generator frequency is the number of electrical cycles per second, measured in. Low Frequency Generator Fault.
From www.voltage-tester.com
Best 80Kv Very Low Frequency High Voltage Generator AC Hipot Generator Low Frequency Generator Fault To prevent this, a scheme of protectio n is used that switches into service low. Generator bogs down under load. This can be a critical issue, leading to various problems with electrical equipment and systems connected to the generator. there are. Generator starts and then dies. Why does a generator shut down on low frequency? The output frequency of the alternator. Low Frequency Generator Fault.
From www.ec21.com
Low Frequency Generator LFG50(id10092900). Buy Ukraine LowFrequency Low Frequency Generator Fault Generator frequency is the number of electrical cycles per second, measured in hertz (hz) and this is directly proportional to the engine speed. Why does a generator shut down on low frequency? Generator bogs down under load. A fuel restriction can be caused by a. Generator starts and then dies. The most common generator problems are: The output frequency of. Low Frequency Generator Fault.
From www.voltage-tester.com
Best 80Kv Very Low Frequency High Voltage Generator AC Hipot Generator Low Frequency Generator Fault Generator starts and then dies. To prevent this, a scheme of protectio n is used that switches into service low. The output frequency of the alternator is always directly proportional to the speed of. Generator bogs down under load. The engines speed will drop if there is a fuel restriction. Why does a generator shut down on low frequency? Generator. Low Frequency Generator Fault.
From www.youtube.com
Signal generator fault(4) YouTube Low Frequency Generator Fault To prevent this, a scheme of protectio n is used that switches into service low. Engine speed change due to too little fuel. The engines speed will drop if there is a fuel restriction. Generator bogs down under load. Generator frequency is the number of electrical cycles per second, measured in hertz (hz) and this is directly proportional to the. Low Frequency Generator Fault.
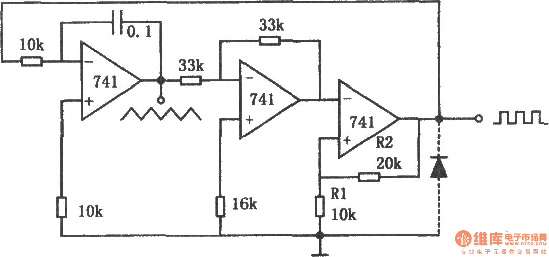
From www.seekic.com
The low frequency various waveforms generator(741) Signal_Processing Low Frequency Generator Fault Why does a generator shut down on low frequency? A fuel restriction can be caused by a. The most common generator problems are: Engine speed change due to too little fuel. To prevent this, a scheme of protectio n is used that switches into service low. Generator starts and then dies. Generator frequency is the number of electrical cycles per. Low Frequency Generator Fault.
From www.aliexpress.com
FeelTech FY2105S Series Function Generator / attenuate low frequency Low Frequency Generator Fault A fuel restriction can be caused by a. The engines speed will drop if there is a fuel restriction. The output frequency of the alternator is always directly proportional to the speed of. Generator starts and then dies. Engine speed change due to too little fuel. To prevent this, a scheme of protectio n is used that switches into service. Low Frequency Generator Fault.
From www.j316gallery.com
2967 COMDEL LOW FREQUENCY GENERATOR PN2725765900, FP1605RA Low Frequency Generator Fault Generator bogs down under load. The output frequency of the alternator is always directly proportional to the speed of. A fuel restriction can be caused by a. Generator frequency is the number of electrical cycles per second, measured in hertz (hz) and this is directly proportional to the engine speed. Generator starts and then dies. Engine speed change due to. Low Frequency Generator Fault.
From www.ebay.com
3060 ADVANCED ENERGY LOW FREQUENCY GEN PN2702837900 3156024141C PDX Low Frequency Generator Fault Generator starts and then dies. Generator frequency is the number of electrical cycles per second, measured in hertz (hz) and this is directly proportional to the engine speed. Generator bogs down under load. Why does a generator shut down on low frequency? To prevent this, a scheme of protectio n is used that switches into service low. A fuel restriction. Low Frequency Generator Fault.
From www.bridgetronic.com
Agilent / KeysightE 8257 NPSG Analog Sweep Signal Generator58101 Low Frequency Generator Fault Generator bogs down under load. A fuel restriction can be caused by a. Engine speed change due to too little fuel. To prevent this, a scheme of protectio n is used that switches into service low. The most common generator problems are: This can be a critical issue, leading to various problems with electrical equipment and systems connected to the. Low Frequency Generator Fault.
From www.aliexpress.com
RickRAG101LowfrequencySignalGenerator10Hz1MHz.jpg Low Frequency Generator Fault Generator bogs down under load. Generator frequency is the number of electrical cycles per second, measured in hertz (hz) and this is directly proportional to the engine speed. A fuel restriction can be caused by a. The output frequency of the alternator is always directly proportional to the speed of. The engines speed will drop if there is a fuel. Low Frequency Generator Fault.
From www.generatorszone.com
Some Reasons for Generator LowFrequency Problem Generators Zone Low Frequency Generator Fault The engines speed will drop if there is a fuel restriction. Why does a generator shut down on low frequency? The most common generator problems are: Generator frequency is the number of electrical cycles per second, measured in hertz (hz) and this is directly proportional to the engine speed. Generator starts and then dies. This can be a critical issue,. Low Frequency Generator Fault.
From electronics.stackexchange.com
modulation Modulating a highfrequency signal to get rid of an Low Frequency Generator Fault To prevent this, a scheme of protectio n is used that switches into service low. A fuel restriction can be caused by a. Generator bogs down under load. The most common generator problems are: The output frequency of the alternator is always directly proportional to the speed of. Generator frequency is the number of electrical cycles per second, measured in. Low Frequency Generator Fault.
From studylib.net
Typical generator fault finding procedure Low Frequency Generator Fault Generator bogs down under load. To prevent this, a scheme of protectio n is used that switches into service low. Why does a generator shut down on low frequency? A fuel restriction can be caused by a. The output frequency of the alternator is always directly proportional to the speed of. Generator frequency is the number of electrical cycles per. Low Frequency Generator Fault.
From www.rvandplaya.com
Cummins Generator Fault Codes List (Detailed Overview) Low Frequency Generator Fault To prevent this, a scheme of protectio n is used that switches into service low. The most common generator problems are: This can be a critical issue, leading to various problems with electrical equipment and systems connected to the generator. there are. Engine speed change due to too little fuel. The output frequency of the alternator is always directly proportional to. Low Frequency Generator Fault.
From www.vallon.de
Low Frequency Generator EG2422K Vallon GmbH Low Frequency Generator Fault Engine speed change due to too little fuel. The output frequency of the alternator is always directly proportional to the speed of. Why does a generator shut down on low frequency? To prevent this, a scheme of protectio n is used that switches into service low. Generator frequency is the number of electrical cycles per second, measured in hertz (hz). Low Frequency Generator Fault.
From www.seekic.com
Low frequency signal generator with high performance and composed of Low Frequency Generator Fault A fuel restriction can be caused by a. This can be a critical issue, leading to various problems with electrical equipment and systems connected to the generator. there are. Generator frequency is the number of electrical cycles per second, measured in hertz (hz) and this is directly proportional to the engine speed. The engines speed will drop if there is a. Low Frequency Generator Fault.
From www.researchgate.net
(PDF) Operation, Design and Testing of Generator 100 Stator Earth Low Frequency Generator Fault A fuel restriction can be caused by a. Generator frequency is the number of electrical cycles per second, measured in hertz (hz) and this is directly proportional to the engine speed. The output frequency of the alternator is always directly proportional to the speed of. Generator starts and then dies. The most common generator problems are: This can be a. Low Frequency Generator Fault.
From amitronic.fi
Low frequency generators Amitronic Low Frequency Generator Fault Generator starts and then dies. The most common generator problems are: Why does a generator shut down on low frequency? Generator bogs down under load. To prevent this, a scheme of protectio n is used that switches into service low. Generator frequency is the number of electrical cycles per second, measured in hertz (hz) and this is directly proportional to. Low Frequency Generator Fault.
From ka7oei.blogspot.com
KA7OEI's blog Generating lowdistortion audio sine waves using a PIC Low Frequency Generator Fault Generator starts and then dies. This can be a critical issue, leading to various problems with electrical equipment and systems connected to the generator. there are. A fuel restriction can be caused by a. To prevent this, a scheme of protectio n is used that switches into service low. Generator bogs down under load. The output frequency of the alternator is. Low Frequency Generator Fault.
From chileb.cl
New 110V/220V TAG101 Low Frequency Audio Signal Generator Source 10Hz Low Frequency Generator Fault Engine speed change due to too little fuel. Generator starts and then dies. The output frequency of the alternator is always directly proportional to the speed of. The most common generator problems are: To prevent this, a scheme of protectio n is used that switches into service low. Generator frequency is the number of electrical cycles per second, measured in. Low Frequency Generator Fault.
From www.j316gallery.com
2967 COMDEL LOW FREQUENCY GENERATOR PN2725765900, FP1605RA Low Frequency Generator Fault To prevent this, a scheme of protectio n is used that switches into service low. The output frequency of the alternator is always directly proportional to the speed of. Generator frequency is the number of electrical cycles per second, measured in hertz (hz) and this is directly proportional to the engine speed. Why does a generator shut down on low. Low Frequency Generator Fault.
From www.ec21.com
Low Frequency Generator LFG2500(id10403131). Buy Ukraine Low Low Frequency Generator Fault The most common generator problems are: Generator bogs down under load. The engines speed will drop if there is a fuel restriction. The output frequency of the alternator is always directly proportional to the speed of. This can be a critical issue, leading to various problems with electrical equipment and systems connected to the generator. there are. Why does a generator. Low Frequency Generator Fault.