What Is Multi Motor Drive . In a multimotor drive each operation of the mechanism is taken care of by a separate drive motor. Multimotor drives have become increasingly important in modern industrial applications due to their ability to provide. Electrical drives are systems that control the motion of electrical motors by adjusting power and operational parameters. The system contains several individual. Motor drives regulate the electrical energy that motors need to operate, modifying the input power to control the speed and rotation of the motor. This allows for precise control of the machinery or system to which the motor is connected, enhancing efficiency and performance. A variable speed drive is called a. By group drive is meant a drive in which a single electric motor drives a line shaft by means of which an entire. In this article, let us learn about individual and group drives with their advantages, disadvantages, and difference between them.
from www.semanticscholar.org
Motor drives regulate the electrical energy that motors need to operate, modifying the input power to control the speed and rotation of the motor. This allows for precise control of the machinery or system to which the motor is connected, enhancing efficiency and performance. Multimotor drives have become increasingly important in modern industrial applications due to their ability to provide. By group drive is meant a drive in which a single electric motor drives a line shaft by means of which an entire. In a multimotor drive each operation of the mechanism is taken care of by a separate drive motor. A variable speed drive is called a. Electrical drives are systems that control the motion of electrical motors by adjusting power and operational parameters. The system contains several individual. In this article, let us learn about individual and group drives with their advantages, disadvantages, and difference between them.
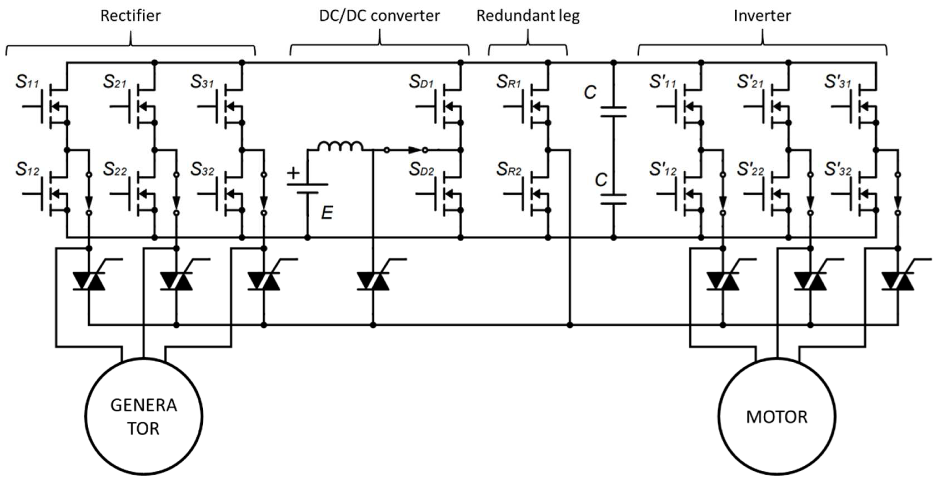
Figure 3 from Controlled multimotor drives Semantic Scholar
What Is Multi Motor Drive This allows for precise control of the machinery or system to which the motor is connected, enhancing efficiency and performance. Motor drives regulate the electrical energy that motors need to operate, modifying the input power to control the speed and rotation of the motor. By group drive is meant a drive in which a single electric motor drives a line shaft by means of which an entire. In a multimotor drive each operation of the mechanism is taken care of by a separate drive motor. In this article, let us learn about individual and group drives with their advantages, disadvantages, and difference between them. A variable speed drive is called a. This allows for precise control of the machinery or system to which the motor is connected, enhancing efficiency and performance. The system contains several individual. Multimotor drives have become increasingly important in modern industrial applications due to their ability to provide. Electrical drives are systems that control the motion of electrical motors by adjusting power and operational parameters.
From docs.cirkitdesigner.com
ESP32Controlled Traffic Light and MultiMotor Driver System Howto What Is Multi Motor Drive A variable speed drive is called a. In a multimotor drive each operation of the mechanism is taken care of by a separate drive motor. By group drive is meant a drive in which a single electric motor drives a line shaft by means of which an entire. Motor drives regulate the electrical energy that motors need to operate, modifying. What Is Multi Motor Drive.
From www.youtube.com
How to control Multiple Motors with One VFD ? YouTube What Is Multi Motor Drive The system contains several individual. In this article, let us learn about individual and group drives with their advantages, disadvantages, and difference between them. This allows for precise control of the machinery or system to which the motor is connected, enhancing efficiency and performance. In a multimotor drive each operation of the mechanism is taken care of by a separate. What Is Multi Motor Drive.
From www.engineerlive.com
The fundamental principles of stepper motors Engineer Live What Is Multi Motor Drive In this article, let us learn about individual and group drives with their advantages, disadvantages, and difference between them. In a multimotor drive each operation of the mechanism is taken care of by a separate drive motor. Motor drives regulate the electrical energy that motors need to operate, modifying the input power to control the speed and rotation of the. What Is Multi Motor Drive.
From worldofelectricalengineering21.blogspot.com
Types Of Electric Drive What Is Multi Motor Drive In this article, let us learn about individual and group drives with their advantages, disadvantages, and difference between them. A variable speed drive is called a. In a multimotor drive each operation of the mechanism is taken care of by a separate drive motor. Electrical drives are systems that control the motion of electrical motors by adjusting power and operational. What Is Multi Motor Drive.
From eeguides.blogspot.com
Classification of Electric Drives Electrical Engineers Guide What Is Multi Motor Drive By group drive is meant a drive in which a single electric motor drives a line shaft by means of which an entire. The system contains several individual. Electrical drives are systems that control the motion of electrical motors by adjusting power and operational parameters. In a multimotor drive each operation of the mechanism is taken care of by a. What Is Multi Motor Drive.
From www.youtube.com
Multi quadrant or four quadrant operation of electric drive YouTube What Is Multi Motor Drive This allows for precise control of the machinery or system to which the motor is connected, enhancing efficiency and performance. By group drive is meant a drive in which a single electric motor drives a line shaft by means of which an entire. Multimotor drives have become increasingly important in modern industrial applications due to their ability to provide. The. What Is Multi Motor Drive.
From www.invertekdrives.com
Torque Control and Master Slave Operation iKnow Knowledge Base What Is Multi Motor Drive A variable speed drive is called a. In a multimotor drive each operation of the mechanism is taken care of by a separate drive motor. Multimotor drives have become increasingly important in modern industrial applications due to their ability to provide. Motor drives regulate the electrical energy that motors need to operate, modifying the input power to control the speed. What Is Multi Motor Drive.
From www.youtube.com
Dual Voltage 3 Phase Motor Wiring (How To Wire A Multi Voltage 3 Phase What Is Multi Motor Drive The system contains several individual. This allows for precise control of the machinery or system to which the motor is connected, enhancing efficiency and performance. In this article, let us learn about individual and group drives with their advantages, disadvantages, and difference between them. Motor drives regulate the electrical energy that motors need to operate, modifying the input power to. What Is Multi Motor Drive.
From www.semanticscholar.org
Figure 1 from Overview of multimachine drive systems for electric and What Is Multi Motor Drive This allows for precise control of the machinery or system to which the motor is connected, enhancing efficiency and performance. In a multimotor drive each operation of the mechanism is taken care of by a separate drive motor. Motor drives regulate the electrical energy that motors need to operate, modifying the input power to control the speed and rotation of. What Is Multi Motor Drive.
From www.researchgate.net
Multimotor converter drive with a motor in the generator state driven What Is Multi Motor Drive In a multimotor drive each operation of the mechanism is taken care of by a separate drive motor. In this article, let us learn about individual and group drives with their advantages, disadvantages, and difference between them. A variable speed drive is called a. By group drive is meant a drive in which a single electric motor drives a line. What Is Multi Motor Drive.
From eeguides.blogspot.com
Classification of Electric Drives Electrical Engineers Guide What Is Multi Motor Drive Electrical drives are systems that control the motion of electrical motors by adjusting power and operational parameters. A variable speed drive is called a. This allows for precise control of the machinery or system to which the motor is connected, enhancing efficiency and performance. The system contains several individual. Multimotor drives have become increasingly important in modern industrial applications due. What Is Multi Motor Drive.
From www.indiamart.com
Multi Motor Drive System for Rotogravure Printing Machine at best price What Is Multi Motor Drive The system contains several individual. By group drive is meant a drive in which a single electric motor drives a line shaft by means of which an entire. In a multimotor drive each operation of the mechanism is taken care of by a separate drive motor. This allows for precise control of the machinery or system to which the motor. What Is Multi Motor Drive.
From encyclopedia.pub
MultiMotor Vehicular Systems Encyclopedia MDPI What Is Multi Motor Drive Electrical drives are systems that control the motion of electrical motors by adjusting power and operational parameters. In this article, let us learn about individual and group drives with their advantages, disadvantages, and difference between them. Motor drives regulate the electrical energy that motors need to operate, modifying the input power to control the speed and rotation of the motor.. What Is Multi Motor Drive.
From www.semanticscholar.org
Figure 1 from A NEW MULTIMOTOR DRIVE SYSTEM BASED ON FOURSWITCH THREE What Is Multi Motor Drive Multimotor drives have become increasingly important in modern industrial applications due to their ability to provide. In a multimotor drive each operation of the mechanism is taken care of by a separate drive motor. By group drive is meant a drive in which a single electric motor drives a line shaft by means of which an entire. Motor drives regulate. What Is Multi Motor Drive.
From encyclopedia.pub
MultiMotor Vehicular Systems Encyclopedia MDPI What Is Multi Motor Drive By group drive is meant a drive in which a single electric motor drives a line shaft by means of which an entire. This allows for precise control of the machinery or system to which the motor is connected, enhancing efficiency and performance. In a multimotor drive each operation of the mechanism is taken care of by a separate drive. What Is Multi Motor Drive.
From www.youtube.com
Multi Drive Lineup (VFD) Types of Drive configuration Single Drive What Is Multi Motor Drive Multimotor drives have become increasingly important in modern industrial applications due to their ability to provide. The system contains several individual. This allows for precise control of the machinery or system to which the motor is connected, enhancing efficiency and performance. Electrical drives are systems that control the motion of electrical motors by adjusting power and operational parameters. In this. What Is Multi Motor Drive.
From docs.cirkitdesigner.com
Arduino Mega 2560 Controlled MultiMotor Drive System Howto Guide What Is Multi Motor Drive By group drive is meant a drive in which a single electric motor drives a line shaft by means of which an entire. In a multimotor drive each operation of the mechanism is taken care of by a separate drive motor. Electrical drives are systems that control the motion of electrical motors by adjusting power and operational parameters. This allows. What Is Multi Motor Drive.
From www.mdpi.com
Energies Free FullText Review of Fault Tolerant MultiMotor Drive What Is Multi Motor Drive The system contains several individual. In this article, let us learn about individual and group drives with their advantages, disadvantages, and difference between them. Electrical drives are systems that control the motion of electrical motors by adjusting power and operational parameters. A variable speed drive is called a. Multimotor drives have become increasingly important in modern industrial applications due to. What Is Multi Motor Drive.
From www.youtube.com
A guide to multimotor (2WD and 3WD) ebike drive systems YouTube What Is Multi Motor Drive This allows for precise control of the machinery or system to which the motor is connected, enhancing efficiency and performance. The system contains several individual. A variable speed drive is called a. Multimotor drives have become increasingly important in modern industrial applications due to their ability to provide. Electrical drives are systems that control the motion of electrical motors by. What Is Multi Motor Drive.
From www.techrunautomation.com
Techrun Automation What Is Multi Motor Drive Electrical drives are systems that control the motion of electrical motors by adjusting power and operational parameters. In a multimotor drive each operation of the mechanism is taken care of by a separate drive motor. In this article, let us learn about individual and group drives with their advantages, disadvantages, and difference between them. Multimotor drives have become increasingly important. What Is Multi Motor Drive.
From www.kebamerica.com
Using One VFD to Control Multiple Motors KEB What Is Multi Motor Drive Electrical drives are systems that control the motion of electrical motors by adjusting power and operational parameters. Multimotor drives have become increasingly important in modern industrial applications due to their ability to provide. Motor drives regulate the electrical energy that motors need to operate, modifying the input power to control the speed and rotation of the motor. A variable speed. What Is Multi Motor Drive.
From instrumentationtools.com
How to Run Multiple Motors with a Single VFD? Inst Tools What Is Multi Motor Drive In a multimotor drive each operation of the mechanism is taken care of by a separate drive motor. Multimotor drives have become increasingly important in modern industrial applications due to their ability to provide. By group drive is meant a drive in which a single electric motor drives a line shaft by means of which an entire. Motor drives regulate. What Is Multi Motor Drive.
From www.mdpi.com
Electronics Free FullText A Survey of Fuzzy Algorithms Used in What Is Multi Motor Drive Motor drives regulate the electrical energy that motors need to operate, modifying the input power to control the speed and rotation of the motor. The system contains several individual. A variable speed drive is called a. In a multimotor drive each operation of the mechanism is taken care of by a separate drive motor. In this article, let us learn. What Is Multi Motor Drive.
From www.youtube.com
Vector Control of Multimotor Drive and Introduction to Single What Is Multi Motor Drive Motor drives regulate the electrical energy that motors need to operate, modifying the input power to control the speed and rotation of the motor. Multimotor drives have become increasingly important in modern industrial applications due to their ability to provide. This allows for precise control of the machinery or system to which the motor is connected, enhancing efficiency and performance.. What Is Multi Motor Drive.
From www.youtube.com
🔴 एक VFD से दो MOTOR कैसे चलते है multiple motors on one frequency What Is Multi Motor Drive A variable speed drive is called a. Electrical drives are systems that control the motion of electrical motors by adjusting power and operational parameters. This allows for precise control of the machinery or system to which the motor is connected, enhancing efficiency and performance. By group drive is meant a drive in which a single electric motor drives a line. What Is Multi Motor Drive.
From www.semanticscholar.org
Figure 3 from Controlled multimotor drives Semantic Scholar What Is Multi Motor Drive Motor drives regulate the electrical energy that motors need to operate, modifying the input power to control the speed and rotation of the motor. By group drive is meant a drive in which a single electric motor drives a line shaft by means of which an entire. Multimotor drives have become increasingly important in modern industrial applications due to their. What Is Multi Motor Drive.
From www.mdpi.com
Energies Free FullText Multiphase Motors and Drive Systems for What Is Multi Motor Drive Electrical drives are systems that control the motion of electrical motors by adjusting power and operational parameters. In this article, let us learn about individual and group drives with their advantages, disadvantages, and difference between them. By group drive is meant a drive in which a single electric motor drives a line shaft by means of which an entire. Motor. What Is Multi Motor Drive.
From www.semanticscholar.org
Figure 1 from Load sharing in V/F speed controlled multimotor driven What Is Multi Motor Drive Electrical drives are systems that control the motion of electrical motors by adjusting power and operational parameters. In a multimotor drive each operation of the mechanism is taken care of by a separate drive motor. A variable speed drive is called a. In this article, let us learn about individual and group drives with their advantages, disadvantages, and difference between. What Is Multi Motor Drive.
From www.researchgate.net
Control strategy of the multi‐bus motor drive system Download What Is Multi Motor Drive A variable speed drive is called a. Multimotor drives have become increasingly important in modern industrial applications due to their ability to provide. The system contains several individual. In this article, let us learn about individual and group drives with their advantages, disadvantages, and difference between them. By group drive is meant a drive in which a single electric motor. What Is Multi Motor Drive.
From industrialmachinerydigest.com
Siemens Introduces Matched Motor/Drive Combination Package IndMacDig What Is Multi Motor Drive In this article, let us learn about individual and group drives with their advantages, disadvantages, and difference between them. A variable speed drive is called a. By group drive is meant a drive in which a single electric motor drives a line shaft by means of which an entire. Motor drives regulate the electrical energy that motors need to operate,. What Is Multi Motor Drive.
From www.youtube.com
Classification of electric drives/Group drive/Individual drive/Multi What Is Multi Motor Drive Electrical drives are systems that control the motion of electrical motors by adjusting power and operational parameters. Motor drives regulate the electrical energy that motors need to operate, modifying the input power to control the speed and rotation of the motor. The system contains several individual. Multimotor drives have become increasingly important in modern industrial applications due to their ability. What Is Multi Motor Drive.
From www.researchgate.net
(PDF) Multimotor drive system based on a twostage direct power What Is Multi Motor Drive By group drive is meant a drive in which a single electric motor drives a line shaft by means of which an entire. Electrical drives are systems that control the motion of electrical motors by adjusting power and operational parameters. Motor drives regulate the electrical energy that motors need to operate, modifying the input power to control the speed and. What Is Multi Motor Drive.
From www.researchgate.net
Simulation model of multimotor drive processing line (valid for the What Is Multi Motor Drive Motor drives regulate the electrical energy that motors need to operate, modifying the input power to control the speed and rotation of the motor. Multimotor drives have become increasingly important in modern industrial applications due to their ability to provide. In a multimotor drive each operation of the mechanism is taken care of by a separate drive motor. The system. What Is Multi Motor Drive.
From www.pjpower.com
What's Next Hybrid Electric Marine Propulsion System Design Palmer What Is Multi Motor Drive Electrical drives are systems that control the motion of electrical motors by adjusting power and operational parameters. In a multimotor drive each operation of the mechanism is taken care of by a separate drive motor. A variable speed drive is called a. The system contains several individual. In this article, let us learn about individual and group drives with their. What Is Multi Motor Drive.
From library.automationdirect.com
Motors Archives What Is Multi Motor Drive In a multimotor drive each operation of the mechanism is taken care of by a separate drive motor. Multimotor drives have become increasingly important in modern industrial applications due to their ability to provide. This allows for precise control of the machinery or system to which the motor is connected, enhancing efficiency and performance. By group drive is meant a. What Is Multi Motor Drive.