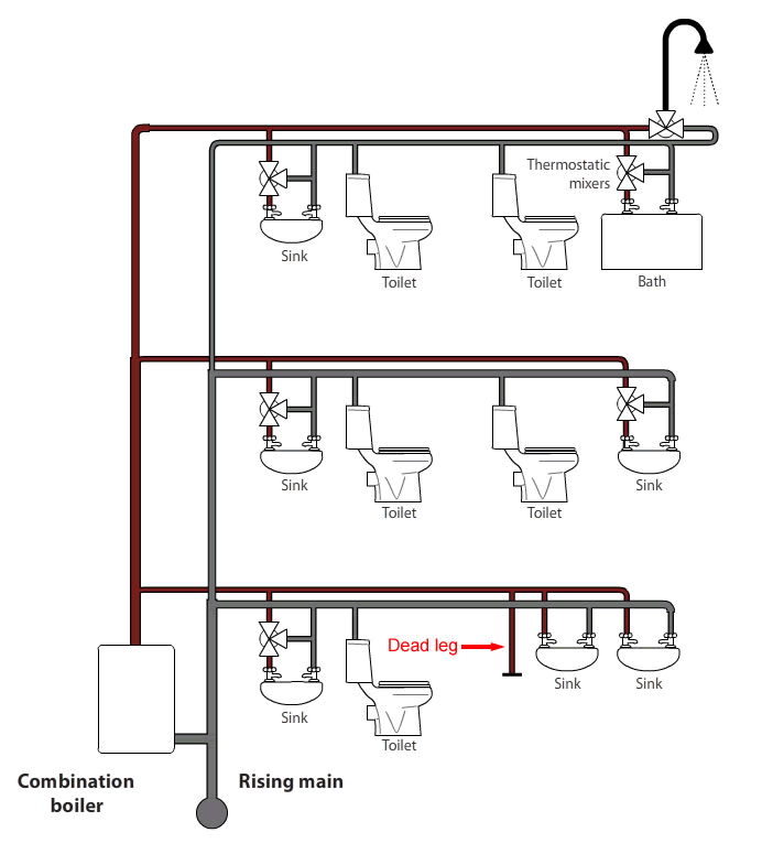
Hot Water Pipe Dead Leg . What are dead legs and blind ends? How to remove dead legs from hot & cold water pipes to prevent legionella. It is generally created when modifications have been made. The water regulations advisory scheme (wras) recommends that a dead leg must be no longer than twice the width of your pipe, so a 15mm pipe should have a dead leg no. In terms of your company’s water system, a dead leg is a section of piping that is no longer used, or rarely used. A dead leg is a length of water pipework leading to a fitting through which water only passes infrequently when there is draw off from the fitting, providing the potential for stagnation. Dead legs in building water systems can cause severe problems, including persistent positive legionella test results and an.
from techblog.ctgclean.com
Dead legs in building water systems can cause severe problems, including persistent positive legionella test results and an. In terms of your company’s water system, a dead leg is a section of piping that is no longer used, or rarely used. The water regulations advisory scheme (wras) recommends that a dead leg must be no longer than twice the width of your pipe, so a 15mm pipe should have a dead leg no. What are dead legs and blind ends? How to remove dead legs from hot & cold water pipes to prevent legionella. It is generally created when modifications have been made. A dead leg is a length of water pipework leading to a fitting through which water only passes infrequently when there is draw off from the fitting, providing the potential for stagnation.
Plumbing for High Purity Applications CTG Technical Blog
Hot Water Pipe Dead Leg In terms of your company’s water system, a dead leg is a section of piping that is no longer used, or rarely used. It is generally created when modifications have been made. Dead legs in building water systems can cause severe problems, including persistent positive legionella test results and an. The water regulations advisory scheme (wras) recommends that a dead leg must be no longer than twice the width of your pipe, so a 15mm pipe should have a dead leg no. In terms of your company’s water system, a dead leg is a section of piping that is no longer used, or rarely used. A dead leg is a length of water pipework leading to a fitting through which water only passes infrequently when there is draw off from the fitting, providing the potential for stagnation. What are dead legs and blind ends? How to remove dead legs from hot & cold water pipes to prevent legionella.
From www.youtube.com
[Hindi] Dead leg in Purified water plant/ What is Dead leg? YouTube Hot Water Pipe Dead Leg In terms of your company’s water system, a dead leg is a section of piping that is no longer used, or rarely used. A dead leg is a length of water pipework leading to a fitting through which water only passes infrequently when there is draw off from the fitting, providing the potential for stagnation. Dead legs in building water. Hot Water Pipe Dead Leg.
From www.dcswaterhygiene.co.uk
Dead leg Descale and Chlorination Services Descale and Chlorination Hot Water Pipe Dead Leg Dead legs in building water systems can cause severe problems, including persistent positive legionella test results and an. How to remove dead legs from hot & cold water pipes to prevent legionella. It is generally created when modifications have been made. What are dead legs and blind ends? A dead leg is a length of water pipework leading to a. Hot Water Pipe Dead Leg.
From northerncal.swagelok.com
Is Your Dead Leg Piping Inspection Optimized? Hot Water Pipe Dead Leg Dead legs in building water systems can cause severe problems, including persistent positive legionella test results and an. In terms of your company’s water system, a dead leg is a section of piping that is no longer used, or rarely used. How to remove dead legs from hot & cold water pipes to prevent legionella. The water regulations advisory scheme. Hot Water Pipe Dead Leg.
From www.youtube.com
API 570 Dead Legs YouTube Hot Water Pipe Dead Leg It is generally created when modifications have been made. Dead legs in building water systems can cause severe problems, including persistent positive legionella test results and an. A dead leg is a length of water pipework leading to a fitting through which water only passes infrequently when there is draw off from the fitting, providing the potential for stagnation. In. Hot Water Pipe Dead Leg.
From www.dcswaterhygiene.co.uk
Dead Leg / Dead End Removal Descale and Chlorination Services Descale Hot Water Pipe Dead Leg A dead leg is a length of water pipework leading to a fitting through which water only passes infrequently when there is draw off from the fitting, providing the potential for stagnation. In terms of your company’s water system, a dead leg is a section of piping that is no longer used, or rarely used. What are dead legs and. Hot Water Pipe Dead Leg.
From life-improver.com
Plumbing Is this water hammer? Why are the dead legs not helping Hot Water Pipe Dead Leg It is generally created when modifications have been made. How to remove dead legs from hot & cold water pipes to prevent legionella. In terms of your company’s water system, a dead leg is a section of piping that is no longer used, or rarely used. Dead legs in building water systems can cause severe problems, including persistent positive legionella. Hot Water Pipe Dead Leg.
From www.dcswaterhygiene.co.uk
Dead Leg / Dead End Removal Descale and Chlorination Services Descale Hot Water Pipe Dead Leg What are dead legs and blind ends? It is generally created when modifications have been made. The water regulations advisory scheme (wras) recommends that a dead leg must be no longer than twice the width of your pipe, so a 15mm pipe should have a dead leg no. How to remove dead legs from hot & cold water pipes to. Hot Water Pipe Dead Leg.
From versmash.weebly.com
Hot to avoid dead legs in pipe versmash Hot Water Pipe Dead Leg The water regulations advisory scheme (wras) recommends that a dead leg must be no longer than twice the width of your pipe, so a 15mm pipe should have a dead leg no. Dead legs in building water systems can cause severe problems, including persistent positive legionella test results and an. What are dead legs and blind ends? In terms of. Hot Water Pipe Dead Leg.
From lasopamotor801.weebly.com
Hot to avoid dead legs in pipe lasopamotor Hot Water Pipe Dead Leg The water regulations advisory scheme (wras) recommends that a dead leg must be no longer than twice the width of your pipe, so a 15mm pipe should have a dead leg no. It is generally created when modifications have been made. A dead leg is a length of water pipework leading to a fitting through which water only passes infrequently. Hot Water Pipe Dead Leg.
From www.linkedin.com
Mechanical Integrity & Hazard identification of Dead leg Hot Water Pipe Dead Leg What are dead legs and blind ends? How to remove dead legs from hot & cold water pipes to prevent legionella. A dead leg is a length of water pipework leading to a fitting through which water only passes infrequently when there is draw off from the fitting, providing the potential for stagnation. In terms of your company’s water system,. Hot Water Pipe Dead Leg.
From www.vrogue.co
Management And Identification Of Piping Dead Legs vrogue.co Hot Water Pipe Dead Leg It is generally created when modifications have been made. Dead legs in building water systems can cause severe problems, including persistent positive legionella test results and an. What are dead legs and blind ends? How to remove dead legs from hot & cold water pipes to prevent legionella. A dead leg is a length of water pipework leading to a. Hot Water Pipe Dead Leg.
From www.youtube.com
Dead End System animation YouTube Hot Water Pipe Dead Leg How to remove dead legs from hot & cold water pipes to prevent legionella. It is generally created when modifications have been made. In terms of your company’s water system, a dead leg is a section of piping that is no longer used, or rarely used. Dead legs in building water systems can cause severe problems, including persistent positive legionella. Hot Water Pipe Dead Leg.
From whatispiping.com
Drip Legs Definition, Purpose, Configuration, Selection, Installation Hot Water Pipe Dead Leg Dead legs in building water systems can cause severe problems, including persistent positive legionella test results and an. In terms of your company’s water system, a dead leg is a section of piping that is no longer used, or rarely used. How to remove dead legs from hot & cold water pipes to prevent legionella. What are dead legs and. Hot Water Pipe Dead Leg.
From www.vrogue.co
Apa Itu Piping Dan Plumbing Fitting Simak Penjelasann vrogue.co Hot Water Pipe Dead Leg In terms of your company’s water system, a dead leg is a section of piping that is no longer used, or rarely used. It is generally created when modifications have been made. Dead legs in building water systems can cause severe problems, including persistent positive legionella test results and an. What are dead legs and blind ends? A dead leg. Hot Water Pipe Dead Leg.
From www.watts.com
Points Of Risk Hot Water Pipe Dead Leg In terms of your company’s water system, a dead leg is a section of piping that is no longer used, or rarely used. How to remove dead legs from hot & cold water pipes to prevent legionella. Dead legs in building water systems can cause severe problems, including persistent positive legionella test results and an. What are dead legs and. Hot Water Pipe Dead Leg.
From garynsmith.net
Gary N Smith Hot Water Pipe Dead Leg Dead legs in building water systems can cause severe problems, including persistent positive legionella test results and an. What are dead legs and blind ends? A dead leg is a length of water pipework leading to a fitting through which water only passes infrequently when there is draw off from the fitting, providing the potential for stagnation. The water regulations. Hot Water Pipe Dead Leg.
From plaspipes.co.uk
Dead Leg Kit for use with End Connection Manifold Pipework System Hot Water Pipe Dead Leg How to remove dead legs from hot & cold water pipes to prevent legionella. What are dead legs and blind ends? In terms of your company’s water system, a dead leg is a section of piping that is no longer used, or rarely used. The water regulations advisory scheme (wras) recommends that a dead leg must be no longer than. Hot Water Pipe Dead Leg.
From www.youtube.com
API 570 Dead Legs Inspection Academy Piping YouTube Hot Water Pipe Dead Leg The water regulations advisory scheme (wras) recommends that a dead leg must be no longer than twice the width of your pipe, so a 15mm pipe should have a dead leg no. How to remove dead legs from hot & cold water pipes to prevent legionella. What are dead legs and blind ends? A dead leg is a length of. Hot Water Pipe Dead Leg.
From northerncal.swagelok.com
Overlooking Dead Leg Piping Corrosion Can Have Significant Consequences Hot Water Pipe Dead Leg How to remove dead legs from hot & cold water pipes to prevent legionella. It is generally created when modifications have been made. Dead legs in building water systems can cause severe problems, including persistent positive legionella test results and an. In terms of your company’s water system, a dead leg is a section of piping that is no longer. Hot Water Pipe Dead Leg.
From techblog.ctgclean.com
Plumbing for High Purity Applications CTG Technical Blog Hot Water Pipe Dead Leg The water regulations advisory scheme (wras) recommends that a dead leg must be no longer than twice the width of your pipe, so a 15mm pipe should have a dead leg no. Dead legs in building water systems can cause severe problems, including persistent positive legionella test results and an. It is generally created when modifications have been made. In. Hot Water Pipe Dead Leg.
From www.testexndt.co.uk
HSE Safety Alert Testex Hot Water Pipe Dead Leg In terms of your company’s water system, a dead leg is a section of piping that is no longer used, or rarely used. The water regulations advisory scheme (wras) recommends that a dead leg must be no longer than twice the width of your pipe, so a 15mm pipe should have a dead leg no. Dead legs in building water. Hot Water Pipe Dead Leg.
From resources.waterhygienecentre.com
Management of dead legs and blind ends in water systems Hot Water Pipe Dead Leg How to remove dead legs from hot & cold water pipes to prevent legionella. In terms of your company’s water system, a dead leg is a section of piping that is no longer used, or rarely used. It is generally created when modifications have been made. What are dead legs and blind ends? Dead legs in building water systems can. Hot Water Pipe Dead Leg.
From downstreamcalendar.com
Turnaround Technical Talks Piping Deadlegs Design Them Out Hot Water Pipe Dead Leg A dead leg is a length of water pipework leading to a fitting through which water only passes infrequently when there is draw off from the fitting, providing the potential for stagnation. It is generally created when modifications have been made. How to remove dead legs from hot & cold water pipes to prevent legionella. Dead legs in building water. Hot Water Pipe Dead Leg.
From www.valfitengineers.com
Process Piping, Block Type Zero Dead Leg Valve, Surface Roughness Gauge Hot Water Pipe Dead Leg Dead legs in building water systems can cause severe problems, including persistent positive legionella test results and an. In terms of your company’s water system, a dead leg is a section of piping that is no longer used, or rarely used. It is generally created when modifications have been made. A dead leg is a length of water pipework leading. Hot Water Pipe Dead Leg.
From www.assetintegrityengineering.com
Optimal Dead Leg Management Veracity Platform AIE Hot Water Pipe Dead Leg A dead leg is a length of water pipework leading to a fitting through which water only passes infrequently when there is draw off from the fitting, providing the potential for stagnation. The water regulations advisory scheme (wras) recommends that a dead leg must be no longer than twice the width of your pipe, so a 15mm pipe should have. Hot Water Pipe Dead Leg.
From www.alegionwater.co.uk
Little used outlets flushing and what is a "dead legs" Hot Water Pipe Dead Leg The water regulations advisory scheme (wras) recommends that a dead leg must be no longer than twice the width of your pipe, so a 15mm pipe should have a dead leg no. In terms of your company’s water system, a dead leg is a section of piping that is no longer used, or rarely used. What are dead legs and. Hot Water Pipe Dead Leg.
From consorciowilliamprescott.edu.pe
pravidelný nevyhnutnosť k dispozícii dead pipe nevinnosť tropický pľuvať Hot Water Pipe Dead Leg How to remove dead legs from hot & cold water pipes to prevent legionella. The water regulations advisory scheme (wras) recommends that a dead leg must be no longer than twice the width of your pipe, so a 15mm pipe should have a dead leg no. A dead leg is a length of water pipework leading to a fitting through. Hot Water Pipe Dead Leg.
From garynsmith.net
Gary N Smith Hot Water Pipe Dead Leg In terms of your company’s water system, a dead leg is a section of piping that is no longer used, or rarely used. What are dead legs and blind ends? The water regulations advisory scheme (wras) recommends that a dead leg must be no longer than twice the width of your pipe, so a 15mm pipe should have a dead. Hot Water Pipe Dead Leg.
From www.mdpi.com
Processes Free FullText Formation Mechanism of Trailing Oil in Hot Water Pipe Dead Leg In terms of your company’s water system, a dead leg is a section of piping that is no longer used, or rarely used. The water regulations advisory scheme (wras) recommends that a dead leg must be no longer than twice the width of your pipe, so a 15mm pipe should have a dead leg no. A dead leg is a. Hot Water Pipe Dead Leg.
From farmasiindustri.com
Dead Legs dalam Sistem Pengolahan Air FARMASI INDUSTRI Hot Water Pipe Dead Leg How to remove dead legs from hot & cold water pipes to prevent legionella. Dead legs in building water systems can cause severe problems, including persistent positive legionella test results and an. It is generally created when modifications have been made. What are dead legs and blind ends? The water regulations advisory scheme (wras) recommends that a dead leg must. Hot Water Pipe Dead Leg.
From www.youtube.com
PBM Zero Dead Leg Animation YouTube Hot Water Pipe Dead Leg What are dead legs and blind ends? Dead legs in building water systems can cause severe problems, including persistent positive legionella test results and an. The water regulations advisory scheme (wras) recommends that a dead leg must be no longer than twice the width of your pipe, so a 15mm pipe should have a dead leg no. In terms of. Hot Water Pipe Dead Leg.
From www.dcswaterhygiene.co.uk
dead leg Descale and Chlorination Services Descale and Chlorination Hot Water Pipe Dead Leg What are dead legs and blind ends? How to remove dead legs from hot & cold water pipes to prevent legionella. It is generally created when modifications have been made. A dead leg is a length of water pipework leading to a fitting through which water only passes infrequently when there is draw off from the fitting, providing the potential. Hot Water Pipe Dead Leg.
From www.unionjacktools.com
Don’t Let Dead Leg Contamination Thrive in Your Facility Union Jack Hot Water Pipe Dead Leg How to remove dead legs from hot & cold water pipes to prevent legionella. The water regulations advisory scheme (wras) recommends that a dead leg must be no longer than twice the width of your pipe, so a 15mm pipe should have a dead leg no. What are dead legs and blind ends? Dead legs in building water systems can. Hot Water Pipe Dead Leg.
From www.youtube.com
[English] Dead leg in Purified water plant YouTube Hot Water Pipe Dead Leg What are dead legs and blind ends? How to remove dead legs from hot & cold water pipes to prevent legionella. The water regulations advisory scheme (wras) recommends that a dead leg must be no longer than twice the width of your pipe, so a 15mm pipe should have a dead leg no. In terms of your company’s water system,. Hot Water Pipe Dead Leg.
From oceansideinc.com
What To Do If A Pipe Breaks In Your HomeOceanside Restoration, Inc. Hot Water Pipe Dead Leg How to remove dead legs from hot & cold water pipes to prevent legionella. A dead leg is a length of water pipework leading to a fitting through which water only passes infrequently when there is draw off from the fitting, providing the potential for stagnation. Dead legs in building water systems can cause severe problems, including persistent positive legionella. Hot Water Pipe Dead Leg.