Labview Remove Empty Lines From String . You can delete spaces in between strings by using search and replace string function. There is a function called trim whitespaces programming>>string>>trim whitespaces. Using conditional indexing, i build. Carriage return, line feed, and end of line. Then test each element of the array. This article explains some of the methods available in labview to remove the line breaks from strings such as the example shown below in order to display the string as a single line to make. I converted the string to an array of strings. It should work with the regular expression you are trying to use. You could read the file line by line, and write it back out only if the length of the string <>0. Labview provides three termination character string constants: I have tried repeatably to delete the last few letters from a specific array. One for the empty lines and another for the lines starting with ##. Check if it is working for you. Without seeing that code, it. Make sure you set the regular expression in the search and replace string right click menu.
from digilent.com
You could read the file line by line, and write it back out only if the length of the string <>0. I converted the string to an array of strings. This article explains some of the methods available in labview to remove the line breaks from strings such as the example shown below in order to display the string as a single line to make. Labview provides three termination character string constants: Then test each element of the array. One for the empty lines and another for the lines starting with ##. Using conditional indexing, i build. I can not get it to work with the subset function nor the delete portion of array function. There is a function called trim whitespaces programming>>string>>trim whitespaces. Carriage return, line feed, and end of line.
Getting Started with LabVIEW and a Test and Measurement Device
Labview Remove Empty Lines From String I converted the string to an array of strings. It should work with the regular expression you are trying to use. Labview provides three termination character string constants: There is a function called trim whitespaces programming>>string>>trim whitespaces. Carriage return, line feed, and end of line. Make sure you set the regular expression in the search and replace string right click menu. Check if it is working for you. I converted the string to an array of strings. This article explains some of the methods available in labview to remove the line breaks from strings such as the example shown below in order to display the string as a single line to make. Then test each element of the array. I can not get it to work with the subset function nor the delete portion of array function. I have tried repeatably to delete the last few letters from a specific array. You could read the file line by line, and write it back out only if the length of the string <>0. One for the empty lines and another for the lines starting with ##. (or perhaps <>1 in case the line feed character shows up in the string for an empty line.) however, there is probably a way to modify whatever code you have now so that it doesn't write out the empty lines. You can delete spaces in between strings by using search and replace string function.
From forum.uipath.com
Help me remove empty lines from string array Help UiPath Community Labview Remove Empty Lines From String I have tried repeatably to delete the last few letters from a specific array. Check if it is working for you. I can not get it to work with the subset function nor the delete portion of array function. This article explains some of the methods available in labview to remove the line breaks from strings such as the example. Labview Remove Empty Lines From String.
From www.youtube.com
Remove repeated row or column from a 2D array in LabVIEW YouTube Labview Remove Empty Lines From String You could read the file line by line, and write it back out only if the length of the string <>0. It should work with the regular expression you are trying to use. Labview provides three termination character string constants: Make sure you set the regular expression in the search and replace string right click menu. I converted the string. Labview Remove Empty Lines From String.
From microcontrollerslab.com
arrays in labview with examples tutorial 5 Labview Remove Empty Lines From String One for the empty lines and another for the lines starting with ##. You can delete spaces in between strings by using search and replace string function. Make sure you set the regular expression in the search and replace string right click menu. There is a function called trim whitespaces programming>>string>>trim whitespaces. Carriage return, line feed, and end of line.. Labview Remove Empty Lines From String.
From www.yoctopuce.com
How to retrieve Yoctopuce API logs in LabVIEW Labview Remove Empty Lines From String One for the empty lines and another for the lines starting with ##. Without seeing that code, it. I converted the string to an array of strings. (or perhaps <>1 in case the line feed character shows up in the string for an empty line.) however, there is probably a way to modify whatever code you have now so that. Labview Remove Empty Lines From String.
From www.youtube.com
LabVIEW String Palette 02 Concatenate Strings YouTube Labview Remove Empty Lines From String Then test each element of the array. You could read the file line by line, and write it back out only if the length of the string <>0. Labview provides three termination character string constants: Using conditional indexing, i build. Make sure you set the regular expression in the search and replace string right click menu. This article explains some. Labview Remove Empty Lines From String.
From www.youtube.com
Online Identification of a Real System from LabVIEW using Arduino Labview Remove Empty Lines From String Carriage return, line feed, and end of line. Check if it is working for you. Using conditional indexing, i build. You could read the file line by line, and write it back out only if the length of the string <>0. Make sure you set the regular expression in the search and replace string right click menu. Labview provides three. Labview Remove Empty Lines From String.
From ezarafardows.blogspot.com
EzaraFardows Labview Remove Empty Lines From String You could read the file line by line, and write it back out only if the length of the string <>0. Make sure you set the regular expression in the search and replace string right click menu. Labview provides three termination character string constants: I have tried repeatably to delete the last few letters from a specific array. Using conditional. Labview Remove Empty Lines From String.
From www.slingacademy.com
Python 3 ways to remove empty lines from a string Sling Academy Labview Remove Empty Lines From String Using conditional indexing, i build. This article explains some of the methods available in labview to remove the line breaks from strings such as the example shown below in order to display the string as a single line to make. You could read the file line by line, and write it back out only if the length of the string. Labview Remove Empty Lines From String.
From bobbyhadz.com
Remove the empty lines from a String in Python bobbyhadz Labview Remove Empty Lines From String I have tried repeatably to delete the last few letters from a specific array. (or perhaps <>1 in case the line feed character shows up in the string for an empty line.) however, there is probably a way to modify whatever code you have now so that it doesn't write out the empty lines. One for the empty lines and. Labview Remove Empty Lines From String.
From learn.ni.com
NI Learning Center NI Labview Remove Empty Lines From String Labview provides three termination character string constants: (or perhaps <>1 in case the line feed character shows up in the string for an empty line.) however, there is probably a way to modify whatever code you have now so that it doesn't write out the empty lines. You could read the file line by line, and write it back out. Labview Remove Empty Lines From String.
From stackoverflow.com
LabVIEW delete array subset with bool array Stack Overflow Labview Remove Empty Lines From String Labview provides three termination character string constants: I can not get it to work with the subset function nor the delete portion of array function. This article explains some of the methods available in labview to remove the line breaks from strings such as the example shown below in order to display the string as a single line to make.. Labview Remove Empty Lines From String.
From www.youtube.com
Labview Basic Array and String [Part1] YouTube Labview Remove Empty Lines From String You can delete spaces in between strings by using search and replace string function. It should work with the regular expression you are trying to use. Carriage return, line feed, and end of line. Labview provides three termination character string constants: (or perhaps <>1 in case the line feed character shows up in the string for an empty line.) however,. Labview Remove Empty Lines From String.
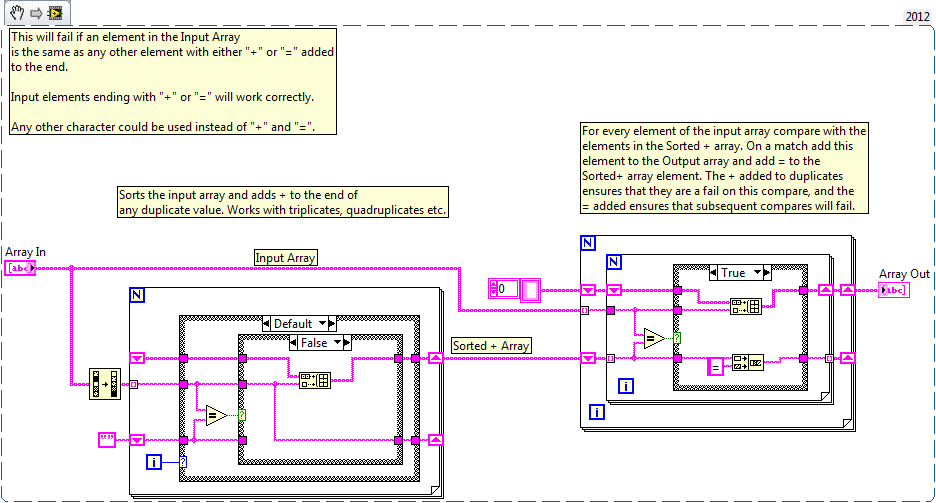
From forums.ni.com
Remove duplicate entries in string array using LabVIEW NI Community Labview Remove Empty Lines From String Labview provides three termination character string constants: I can not get it to work with the subset function nor the delete portion of array function. (or perhaps <>1 in case the line feed character shows up in the string for an empty line.) however, there is probably a way to modify whatever code you have now so that it doesn't. Labview Remove Empty Lines From String.
From forums.ni.com
Simple string input dialog box with character checking Using LabVIEW Labview Remove Empty Lines From String Carriage return, line feed, and end of line. There is a function called trim whitespaces programming>>string>>trim whitespaces. This article explains some of the methods available in labview to remove the line breaks from strings such as the example shown below in order to display the string as a single line to make. It should work with the regular expression you. Labview Remove Empty Lines From String.
From lavag.org
splitting string sentence. LabVIEW General LAVA Labview Remove Empty Lines From String Without seeing that code, it. Labview provides three termination character string constants: I can not get it to work with the subset function nor the delete portion of array function. (or perhaps <>1 in case the line feed character shows up in the string for an empty line.) however, there is probably a way to modify whatever code you have. Labview Remove Empty Lines From String.
From labviewwiki.org
Functions Palette/Programming/String LabVIEW Wiki Labview Remove Empty Lines From String You could read the file line by line, and write it back out only if the length of the string <>0. Without seeing that code, it. Then test each element of the array. I can not get it to work with the subset function nor the delete portion of array function. I converted the string to an array of strings.. Labview Remove Empty Lines From String.
From www.youtube.com
Remove repeated element from a array in LabVIEW YouTube Labview Remove Empty Lines From String Then test each element of the array. Check if it is working for you. This article explains some of the methods available in labview to remove the line breaks from strings such as the example shown below in order to display the string as a single line to make. Without seeing that code, it. Carriage return, line feed, and end. Labview Remove Empty Lines From String.
From www.youtube.com
Manejo de Strings en LabVIEW YouTube Labview Remove Empty Lines From String (or perhaps <>1 in case the line feed character shows up in the string for an empty line.) however, there is probably a way to modify whatever code you have now so that it doesn't write out the empty lines. I can not get it to work with the subset function nor the delete portion of array function. Make sure. Labview Remove Empty Lines From String.
From www.youtube.com
Arrays in LabVIEW Spreadsheets YouTube Labview Remove Empty Lines From String You can delete spaces in between strings by using search and replace string function. Check if it is working for you. There is a function called trim whitespaces programming>>string>>trim whitespaces. Make sure you set the regular expression in the search and replace string right click menu. I converted the string to an array of strings. Labview provides three termination character. Labview Remove Empty Lines From String.
From pdfslide.net
LabVIEW String Example Labview Remove Empty Lines From String I converted the string to an array of strings. Make sure you set the regular expression in the search and replace string right click menu. Without seeing that code, it. I have tried repeatably to delete the last few letters from a specific array. Labview provides three termination character string constants: Using conditional indexing, i build. You could read the. Labview Remove Empty Lines From String.
From forums.ni.com
Remove the stacked sequence structure from LabVIEW. NI Community Labview Remove Empty Lines From String Labview provides three termination character string constants: Make sure you set the regular expression in the search and replace string right click menu. Check if it is working for you. (or perhaps <>1 in case the line feed character shows up in the string for an empty line.) however, there is probably a way to modify whatever code you have. Labview Remove Empty Lines From String.
From www.youtube.com
Delete element from array LabVIEW YouTube Labview Remove Empty Lines From String Without seeing that code, it. Check if it is working for you. There is a function called trim whitespaces programming>>string>>trim whitespaces. It should work with the regular expression you are trying to use. Labview provides three termination character string constants: One for the empty lines and another for the lines starting with ##. You could read the file line by. Labview Remove Empty Lines From String.
From www.youtube.com
Arrays in LabVIEW Manipulating arrays YouTube Labview Remove Empty Lines From String I have tried repeatably to delete the last few letters from a specific array. Make sure you set the regular expression in the search and replace string right click menu. Using conditional indexing, i build. There is a function called trim whitespaces programming>>string>>trim whitespaces. One for the empty lines and another for the lines starting with ##. This article explains. Labview Remove Empty Lines From String.
From digilent.com
Getting Started with LabVIEW and a Test and Measurement Device Labview Remove Empty Lines From String (or perhaps <>1 in case the line feed character shows up in the string for an empty line.) however, there is probably a way to modify whatever code you have now so that it doesn't write out the empty lines. Using conditional indexing, i build. I converted the string to an array of strings. There is a function called trim. Labview Remove Empty Lines From String.
From powershellfaqs.com
How to Remove Blank Lines from an Array in PowerShell? PowerShell FAQs Labview Remove Empty Lines From String There is a function called trim whitespaces programming>>string>>trim whitespaces. I converted the string to an array of strings. You can delete spaces in between strings by using search and replace string function. You could read the file line by line, and write it back out only if the length of the string <>0. This article explains some of the methods. Labview Remove Empty Lines From String.
From forums.ni.com
Remove the stacked sequence structure from LabVIEW. NI Community Labview Remove Empty Lines From String I can not get it to work with the subset function nor the delete portion of array function. Make sure you set the regular expression in the search and replace string right click menu. I have tried repeatably to delete the last few letters from a specific array. It should work with the regular expression you are trying to use.. Labview Remove Empty Lines From String.
From www.youtube.com
Labview Basic Array and String Part3 YouTube Labview Remove Empty Lines From String I converted the string to an array of strings. I can not get it to work with the subset function nor the delete portion of array function. Using conditional indexing, i build. Labview provides three termination character string constants: Check if it is working for you. One for the empty lines and another for the lines starting with ##. There. Labview Remove Empty Lines From String.
From www.youtube.com
P30 Line Count of File in LabVIEW Select Single Line from File Labview Remove Empty Lines From String I can not get it to work with the subset function nor the delete portion of array function. There is a function called trim whitespaces programming>>string>>trim whitespaces. This article explains some of the methods available in labview to remove the line breaks from strings such as the example shown below in order to display the string as a single line. Labview Remove Empty Lines From String.
From lavag.org
Delete multiple items from array? LabVIEW General LAVA Labview Remove Empty Lines From String Check if it is working for you. Carriage return, line feed, and end of line. You could read the file line by line, and write it back out only if the length of the string <>0. I can not get it to work with the subset function nor the delete portion of array function. You can delete spaces in between. Labview Remove Empty Lines From String.
From www.youtube.com
LabVIEW Tutorial 3 How to Remove Duplicate String Array Elements Labview Remove Empty Lines From String Make sure you set the regular expression in the search and replace string right click menu. This article explains some of the methods available in labview to remove the line breaks from strings such as the example shown below in order to display the string as a single line to make. I converted the string to an array of strings.. Labview Remove Empty Lines From String.
From www.youtube.com
Manejo de Strings en Labview YouTube Labview Remove Empty Lines From String There is a function called trim whitespaces programming>>string>>trim whitespaces. One for the empty lines and another for the lines starting with ##. Labview provides three termination character string constants: (or perhaps <>1 in case the line feed character shows up in the string for an empty line.) however, there is probably a way to modify whatever code you have now. Labview Remove Empty Lines From String.
From marcelkaelan.blogspot.com
43+ Labview Remove Special Characters From String MarcelKaelan Labview Remove Empty Lines From String Carriage return, line feed, and end of line. Make sure you set the regular expression in the search and replace string right click menu. There is a function called trim whitespaces programming>>string>>trim whitespaces. One for the empty lines and another for the lines starting with ##. You can delete spaces in between strings by using search and replace string function.. Labview Remove Empty Lines From String.
From forums.ni.com
Remove the stacked sequence structure from LabVIEW. NI Community Labview Remove Empty Lines From String I have tried repeatably to delete the last few letters from a specific array. Without seeing that code, it. Labview provides three termination character string constants: Carriage return, line feed, and end of line. It should work with the regular expression you are trying to use. I converted the string to an array of strings. There is a function called. Labview Remove Empty Lines From String.
From stacktuts.com
How to remove empty lines from a formatted string in C? StackTuts Labview Remove Empty Lines From String One for the empty lines and another for the lines starting with ##. Then test each element of the array. You can delete spaces in between strings by using search and replace string function. Labview provides three termination character string constants: I have tried repeatably to delete the last few letters from a specific array. You could read the file. Labview Remove Empty Lines From String.
From linuxsimply.com
How to Remove Empty Lines in Bash? [5 Methods] LinuxSimply Labview Remove Empty Lines From String It should work with the regular expression you are trying to use. Make sure you set the regular expression in the search and replace string right click menu. Check if it is working for you. There is a function called trim whitespaces programming>>string>>trim whitespaces. Without seeing that code, it. Labview provides three termination character string constants: One for the empty. Labview Remove Empty Lines From String.