Preamp Dbx 1086 . Digital coma networkhome of creative mindfacebook: From the sound quality to record vocals and. Thought it was a no brainer. Home > products > microphone preamps > 1086. Estimated value for dbx 1086 mic pre processor on reverb. View and download dbx 1086 operation manual online. What do you think of this unit? Wondering if anyone has or used a dbx 1086 micpre and could share their experience. 1086 amplifier pdf manual download. I just bought a dbx 1086 on ebay. Got it for 160 €.
from www.blibli.com
What do you think of this unit? Home > products > microphone preamps > 1086. 1086 amplifier pdf manual download. I just bought a dbx 1086 on ebay. Wondering if anyone has or used a dbx 1086 micpre and could share their experience. Digital coma networkhome of creative mindfacebook: View and download dbx 1086 operation manual online. Estimated value for dbx 1086 mic pre processor on reverb. From the sound quality to record vocals and. Thought it was a no brainer.
Jual Dbx 1086 Made In Canada Mic Pre Preamp Microphone Guitar Bass Drum
Preamp Dbx 1086 View and download dbx 1086 operation manual online. 1086 amplifier pdf manual download. View and download dbx 1086 operation manual online. What do you think of this unit? Thought it was a no brainer. Estimated value for dbx 1086 mic pre processor on reverb. I just bought a dbx 1086 on ebay. Home > products > microphone preamps > 1086. From the sound quality to record vocals and. Wondering if anyone has or used a dbx 1086 micpre and could share their experience. Digital coma networkhome of creative mindfacebook: Got it for 160 €.
From page.auctions.yahoo.co.jp
Yahoo!オークション dbx 1086 Preamp Dbx 1086 I just bought a dbx 1086 on ebay. Home > products > microphone preamps > 1086. Digital coma networkhome of creative mindfacebook: Got it for 160 €. View and download dbx 1086 operation manual online. Thought it was a no brainer. Wondering if anyone has or used a dbx 1086 micpre and could share their experience. 1086 amplifier pdf manual. Preamp Dbx 1086.
From www.olx.pt
PREAMP DBX DUAL VACCUM Tube Preamp w/ Digital Out São Domingos de Preamp Dbx 1086 Wondering if anyone has or used a dbx 1086 micpre and could share their experience. Home > products > microphone preamps > 1086. From the sound quality to record vocals and. Digital coma networkhome of creative mindfacebook: Got it for 160 €. View and download dbx 1086 operation manual online. 1086 amplifier pdf manual download. Thought it was a no. Preamp Dbx 1086.
From www.musiciansfriend.com
Randall MTS Series 1086 Guitar Preamp Module Musician's Friend Preamp Dbx 1086 Thought it was a no brainer. Estimated value for dbx 1086 mic pre processor on reverb. Got it for 160 €. From the sound quality to record vocals and. What do you think of this unit? Wondering if anyone has or used a dbx 1086 micpre and could share their experience. 1086 amplifier pdf manual download. Digital coma networkhome of. Preamp Dbx 1086.
From electronicservicemanuals.com
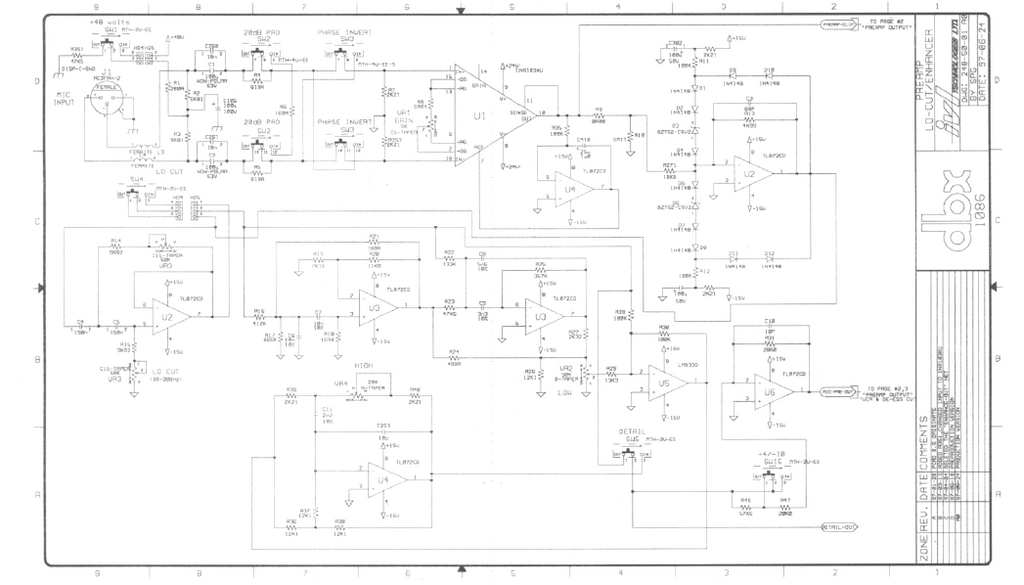
DBX 1086 Preamp Schematics Electronic Service Manuals Preamp Dbx 1086 Thought it was a no brainer. Digital coma networkhome of creative mindfacebook: Got it for 160 €. 1086 amplifier pdf manual download. Wondering if anyone has or used a dbx 1086 micpre and could share their experience. What do you think of this unit? Estimated value for dbx 1086 mic pre processor on reverb. View and download dbx 1086 operation. Preamp Dbx 1086.
From www.bedienungsanleitu.ng
Bedienungsanleitung DBX 1086 (18 Seiten) Preamp Dbx 1086 1086 amplifier pdf manual download. Estimated value for dbx 1086 mic pre processor on reverb. View and download dbx 1086 operation manual online. Got it for 160 €. Wondering if anyone has or used a dbx 1086 micpre and could share their experience. From the sound quality to record vocals and. Home > products > microphone preamps > 1086. I. Preamp Dbx 1086.
From www.olx.pt
PREAMP DBX DUAL VACCUM Tube Preamp w/ Digital Out São Domingos de Preamp Dbx 1086 I just bought a dbx 1086 on ebay. What do you think of this unit? Wondering if anyone has or used a dbx 1086 micpre and could share their experience. Home > products > microphone preamps > 1086. Estimated value for dbx 1086 mic pre processor on reverb. View and download dbx 1086 operation manual online. Digital coma networkhome of. Preamp Dbx 1086.
From stillkickinmusic.com
dbx 586 DUAL VACUUM TUBE PREAMP Stereo PreAmp & Parametric EQ VU Mete Preamp Dbx 1086 Got it for 160 €. From the sound quality to record vocals and. Estimated value for dbx 1086 mic pre processor on reverb. Wondering if anyone has or used a dbx 1086 micpre and could share their experience. Digital coma networkhome of creative mindfacebook: Thought it was a no brainer. 1086 amplifier pdf manual download. What do you think of. Preamp Dbx 1086.
From own4less.co.uk
DBX Compressor / Preamp / Driverack stack Own4Less Preamp Dbx 1086 Got it for 160 €. Digital coma networkhome of creative mindfacebook: View and download dbx 1086 operation manual online. Home > products > microphone preamps > 1086. Thought it was a no brainer. I just bought a dbx 1086 on ebay. Wondering if anyone has or used a dbx 1086 micpre and could share their experience. 1086 amplifier pdf manual. Preamp Dbx 1086.
From page.auctions.yahoo.co.jp
Yahoo!オークション 【やや難あり】 dbx 1086 〜 Mic Pre Processor Preamp Dbx 1086 View and download dbx 1086 operation manual online. 1086 amplifier pdf manual download. I just bought a dbx 1086 on ebay. Thought it was a no brainer. Wondering if anyone has or used a dbx 1086 micpre and could share their experience. From the sound quality to record vocals and. What do you think of this unit? Home > products. Preamp Dbx 1086.
From www.bedienungsanleitu.ng
Bedienungsanleitung DBX 1086 (18 Seiten) Preamp Dbx 1086 From the sound quality to record vocals and. 1086 amplifier pdf manual download. I just bought a dbx 1086 on ebay. What do you think of this unit? Wondering if anyone has or used a dbx 1086 micpre and could share their experience. Estimated value for dbx 1086 mic pre processor on reverb. View and download dbx 1086 operation manual. Preamp Dbx 1086.
From page.auctions.yahoo.co.jp
Yahoo!オークション 【やや難あり】 dbx 1086 〜 Mic Pre Processor Preamp Dbx 1086 What do you think of this unit? Home > products > microphone preamps > 1086. View and download dbx 1086 operation manual online. I just bought a dbx 1086 on ebay. Thought it was a no brainer. Got it for 160 €. Estimated value for dbx 1086 mic pre processor on reverb. Wondering if anyone has or used a dbx. Preamp Dbx 1086.
From page.auctions.yahoo.co.jp
ヤフオク! dbx 1086 マイク プリプロセッサー ラック プリ... Preamp Dbx 1086 Got it for 160 €. Estimated value for dbx 1086 mic pre processor on reverb. What do you think of this unit? From the sound quality to record vocals and. Digital coma networkhome of creative mindfacebook: 1086 amplifier pdf manual download. I just bought a dbx 1086 on ebay. Home > products > microphone preamps > 1086. Wondering if anyone. Preamp Dbx 1086.
From www.worthpoint.com
dbx 1086 Mic Preamp / Processing Module for Vocals 1878805131 Preamp Dbx 1086 Estimated value for dbx 1086 mic pre processor on reverb. Got it for 160 €. Digital coma networkhome of creative mindfacebook: View and download dbx 1086 operation manual online. Home > products > microphone preamps > 1086. Thought it was a no brainer. From the sound quality to record vocals and. I just bought a dbx 1086 on ebay. Wondering. Preamp Dbx 1086.
From www.youtube.com
dbx 1086 Mic Pre Processor Review and my personal compressor trick Preamp Dbx 1086 Wondering if anyone has or used a dbx 1086 micpre and could share their experience. What do you think of this unit? I just bought a dbx 1086 on ebay. Thought it was a no brainer. View and download dbx 1086 operation manual online. Home > products > microphone preamps > 1086. Digital coma networkhome of creative mindfacebook: Estimated value. Preamp Dbx 1086.
From page.auctions.yahoo.co.jp
Yahoo!オークション dbx 1086 Preamp Dbx 1086 What do you think of this unit? Digital coma networkhome of creative mindfacebook: Wondering if anyone has or used a dbx 1086 micpre and could share their experience. I just bought a dbx 1086 on ebay. Got it for 160 €. Thought it was a no brainer. Estimated value for dbx 1086 mic pre processor on reverb. 1086 amplifier pdf. Preamp Dbx 1086.
From page.auctions.yahoo.co.jp
Yahoo!オークション dbx 1086 Preamp Dbx 1086 Wondering if anyone has or used a dbx 1086 micpre and could share their experience. 1086 amplifier pdf manual download. What do you think of this unit? From the sound quality to record vocals and. Thought it was a no brainer. View and download dbx 1086 operation manual online. Got it for 160 €. I just bought a dbx 1086. Preamp Dbx 1086.
From page.auctions.yahoo.co.jp
Yahoo!オークション 【やや難あり】 dbx 1086 〜 Mic Pre Processor Preamp Dbx 1086 View and download dbx 1086 operation manual online. 1086 amplifier pdf manual download. Wondering if anyone has or used a dbx 1086 micpre and could share their experience. Estimated value for dbx 1086 mic pre processor on reverb. From the sound quality to record vocals and. Got it for 160 €. Home > products > microphone preamps > 1086. I. Preamp Dbx 1086.
From www.youtube.com
DBX 1086 YouTube Preamp Dbx 1086 From the sound quality to record vocals and. Estimated value for dbx 1086 mic pre processor on reverb. Thought it was a no brainer. Digital coma networkhome of creative mindfacebook: 1086 amplifier pdf manual download. Home > products > microphone preamps > 1086. Wondering if anyone has or used a dbx 1086 micpre and could share their experience. What do. Preamp Dbx 1086.
From page.auctions.yahoo.co.jp
Yahoo!オークション 【やや難あり】 dbx 1086 〜 Mic Pre Processor Preamp Dbx 1086 Wondering if anyone has or used a dbx 1086 micpre and could share their experience. I just bought a dbx 1086 on ebay. From the sound quality to record vocals and. What do you think of this unit? Got it for 160 €. Thought it was a no brainer. 1086 amplifier pdf manual download. Home > products > microphone preamps. Preamp Dbx 1086.
From reverb.com
dbx 1086 Mic Pre Processor Reverb Preamp Dbx 1086 From the sound quality to record vocals and. I just bought a dbx 1086 on ebay. Thought it was a no brainer. Home > products > microphone preamps > 1086. Estimated value for dbx 1086 mic pre processor on reverb. What do you think of this unit? Wondering if anyone has or used a dbx 1086 micpre and could share. Preamp Dbx 1086.
From page.auctions.yahoo.co.jp
Yahoo!オークション 【やや難あり】 dbx 1086 〜 Mic Pre Processor Preamp Dbx 1086 I just bought a dbx 1086 on ebay. Estimated value for dbx 1086 mic pre processor on reverb. Home > products > microphone preamps > 1086. 1086 amplifier pdf manual download. What do you think of this unit? Wondering if anyone has or used a dbx 1086 micpre and could share their experience. Thought it was a no brainer. Digital. Preamp Dbx 1086.
From www.gear4music.it
DBX 386 Dual Vacuum Preamplificatore Tubolare Gear4music Preamp Dbx 1086 Wondering if anyone has or used a dbx 1086 micpre and could share their experience. Thought it was a no brainer. What do you think of this unit? I just bought a dbx 1086 on ebay. From the sound quality to record vocals and. Home > products > microphone preamps > 1086. View and download dbx 1086 operation manual online.. Preamp Dbx 1086.
From www.blibli.com
Jual Dbx 1086 Made In Canada Mic Pre Preamp Microphone Guitar Bass Drum Preamp Dbx 1086 Home > products > microphone preamps > 1086. View and download dbx 1086 operation manual online. What do you think of this unit? Digital coma networkhome of creative mindfacebook: 1086 amplifier pdf manual download. Wondering if anyone has or used a dbx 1086 micpre and could share their experience. Thought it was a no brainer. Estimated value for dbx 1086. Preamp Dbx 1086.
From aucview.aucfan.com
dbx 1086 Mic Pre Processor マイク プリ プロセッサー(マイクプリアンプ)|売買されたオークション情報、yahooの Preamp Dbx 1086 What do you think of this unit? Estimated value for dbx 1086 mic pre processor on reverb. I just bought a dbx 1086 on ebay. From the sound quality to record vocals and. Got it for 160 €. Digital coma networkhome of creative mindfacebook: Thought it was a no brainer. Home > products > microphone preamps > 1086. Wondering if. Preamp Dbx 1086.
From page.auctions.yahoo.co.jp
Yahoo!オークション dbx 1086 マイク プリプロセッサー ラック プリ... Preamp Dbx 1086 Got it for 160 €. 1086 amplifier pdf manual download. I just bought a dbx 1086 on ebay. Digital coma networkhome of creative mindfacebook: Home > products > microphone preamps > 1086. What do you think of this unit? Estimated value for dbx 1086 mic pre processor on reverb. From the sound quality to record vocals and. View and download. Preamp Dbx 1086.
From page.auctions.yahoo.co.jp
Yahoo!オークション 【やや難あり】 dbx 1086 〜 Mic Pre Processor Preamp Dbx 1086 View and download dbx 1086 operation manual online. Digital coma networkhome of creative mindfacebook: What do you think of this unit? Wondering if anyone has or used a dbx 1086 micpre and could share their experience. 1086 amplifier pdf manual download. Estimated value for dbx 1086 mic pre processor on reverb. Thought it was a no brainer. Home > products. Preamp Dbx 1086.
From www.ricardo.ch
DBX 1086 Micpre Kaufen auf Ricardo Preamp Dbx 1086 View and download dbx 1086 operation manual online. What do you think of this unit? 1086 amplifier pdf manual download. Estimated value for dbx 1086 mic pre processor on reverb. Digital coma networkhome of creative mindfacebook: Thought it was a no brainer. From the sound quality to record vocals and. Home > products > microphone preamps > 1086. Got it. Preamp Dbx 1086.
From www.gear4music.fr
dbx MiniPre Vacuum Tube Mic Preamp Gear4music Preamp Dbx 1086 From the sound quality to record vocals and. Home > products > microphone preamps > 1086. Wondering if anyone has or used a dbx 1086 micpre and could share their experience. 1086 amplifier pdf manual download. Thought it was a no brainer. What do you think of this unit? I just bought a dbx 1086 on ebay. View and download. Preamp Dbx 1086.
From page.auctions.yahoo.co.jp
Yahoo!オークション dbx 1086 Mic Pre Processor マイク プリ プロ... Preamp Dbx 1086 Got it for 160 €. 1086 amplifier pdf manual download. View and download dbx 1086 operation manual online. What do you think of this unit? Digital coma networkhome of creative mindfacebook: Estimated value for dbx 1086 mic pre processor on reverb. Wondering if anyone has or used a dbx 1086 micpre and could share their experience. I just bought a. Preamp Dbx 1086.
From page.auctions.yahoo.co.jp
Yahoo!オークション 【やや難あり】 dbx 1086 〜 Mic Pre Processor Preamp Dbx 1086 Wondering if anyone has or used a dbx 1086 micpre and could share their experience. Home > products > microphone preamps > 1086. 1086 amplifier pdf manual download. Thought it was a no brainer. Got it for 160 €. View and download dbx 1086 operation manual online. From the sound quality to record vocals and. Estimated value for dbx 1086. Preamp Dbx 1086.
From www.worthpoint.com
DBX 1086 Mic Pre amp Preamp / Channel Strip Vocal Processor A Real Preamp Dbx 1086 From the sound quality to record vocals and. I just bought a dbx 1086 on ebay. Got it for 160 €. 1086 amplifier pdf manual download. Home > products > microphone preamps > 1086. Estimated value for dbx 1086 mic pre processor on reverb. What do you think of this unit? Thought it was a no brainer. Digital coma networkhome. Preamp Dbx 1086.
From page.auctions.yahoo.co.jp
Yahoo!オークション dbx 1086 Preamp Dbx 1086 View and download dbx 1086 operation manual online. From the sound quality to record vocals and. What do you think of this unit? I just bought a dbx 1086 on ebay. Thought it was a no brainer. Home > products > microphone preamps > 1086. Got it for 160 €. Digital coma networkhome of creative mindfacebook: Estimated value for dbx. Preamp Dbx 1086.
From page.auctions.yahoo.co.jp
Yahoo!オークション dbx 1086 Preamp Dbx 1086 Home > products > microphone preamps > 1086. I just bought a dbx 1086 on ebay. 1086 amplifier pdf manual download. View and download dbx 1086 operation manual online. Digital coma networkhome of creative mindfacebook: Thought it was a no brainer. From the sound quality to record vocals and. Wondering if anyone has or used a dbx 1086 micpre and. Preamp Dbx 1086.
From page.auctions.yahoo.co.jp
Yahoo!オークション dbx 1086 Preamp Dbx 1086 Digital coma networkhome of creative mindfacebook: 1086 amplifier pdf manual download. Thought it was a no brainer. I just bought a dbx 1086 on ebay. Wondering if anyone has or used a dbx 1086 micpre and could share their experience. From the sound quality to record vocals and. View and download dbx 1086 operation manual online. What do you think. Preamp Dbx 1086.
From www.gearwise.se
dbx 286A Mic Preamp Processor Gearwise AV & Stage Equipment Preamp Dbx 1086 Got it for 160 €. 1086 amplifier pdf manual download. Estimated value for dbx 1086 mic pre processor on reverb. Home > products > microphone preamps > 1086. I just bought a dbx 1086 on ebay. From the sound quality to record vocals and. Digital coma networkhome of creative mindfacebook: What do you think of this unit? Wondering if anyone. Preamp Dbx 1086.