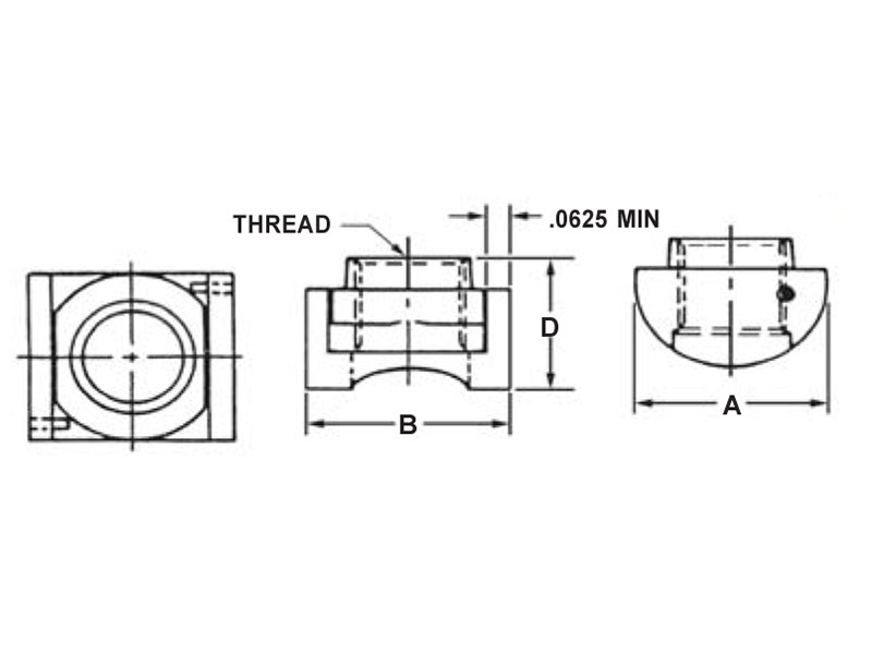
Aircraft Barrel Nut . Aero fastener stocks a wide variety of aircraft and aviation nuts. Barrel nuts are used in locations where wrenching space is not available. Wrenchable nuts • anchor nuts gang channel nuts • barrel nuts • shank nuts. Browse our selection of aerospace nuts today! Aerospace manufactures a wide range of close tolerance, high temperature, and high strength aerospace bolts, studs, pins, nuts,. The major components of a barrel nut are the barrel, a nut and a retaining cage. A barrel nut is a specialized nut for high tension applications on thick structures and when a wrench cannot be applied to the nut.
from www.anzor.com.au
Aerospace manufactures a wide range of close tolerance, high temperature, and high strength aerospace bolts, studs, pins, nuts,. Barrel nuts are used in locations where wrenching space is not available. The major components of a barrel nut are the barrel, a nut and a retaining cage. A barrel nut is a specialized nut for high tension applications on thick structures and when a wrench cannot be applied to the nut. Browse our selection of aerospace nuts today! Aero fastener stocks a wide variety of aircraft and aviation nuts. Wrenchable nuts • anchor nuts gang channel nuts • barrel nuts • shank nuts.
Barrel Nuts Anzor Australia
Aircraft Barrel Nut A barrel nut is a specialized nut for high tension applications on thick structures and when a wrench cannot be applied to the nut. A barrel nut is a specialized nut for high tension applications on thick structures and when a wrench cannot be applied to the nut. Aerospace manufactures a wide range of close tolerance, high temperature, and high strength aerospace bolts, studs, pins, nuts,. Barrel nuts are used in locations where wrenching space is not available. The major components of a barrel nut are the barrel, a nut and a retaining cage. Aero fastener stocks a wide variety of aircraft and aviation nuts. Browse our selection of aerospace nuts today! Wrenchable nuts • anchor nuts gang channel nuts • barrel nuts • shank nuts.
From aerospacearms.com
Aero Precision AR15 BAR Barrel Nut Aerospace Arms Aircraft Barrel Nut Barrel nuts are used in locations where wrenching space is not available. The major components of a barrel nut are the barrel, a nut and a retaining cage. A barrel nut is a specialized nut for high tension applications on thick structures and when a wrench cannot be applied to the nut. Wrenchable nuts • anchor nuts gang channel nuts. Aircraft Barrel Nut.
From www.anzor.com.au
Barrel Nuts Anzor Australia Aircraft Barrel Nut Aerospace manufactures a wide range of close tolerance, high temperature, and high strength aerospace bolts, studs, pins, nuts,. Barrel nuts are used in locations where wrenching space is not available. Aero fastener stocks a wide variety of aircraft and aviation nuts. Wrenchable nuts • anchor nuts gang channel nuts • barrel nuts • shank nuts. A barrel nut is a. Aircraft Barrel Nut.
From engineeringlearn.com
13 Different Types of Nuts (Mechanical) and Their Uses [With Pictures Aircraft Barrel Nut A barrel nut is a specialized nut for high tension applications on thick structures and when a wrench cannot be applied to the nut. Barrel nuts are used in locations where wrenching space is not available. Aero fastener stocks a wide variety of aircraft and aviation nuts. Aerospace manufactures a wide range of close tolerance, high temperature, and high strength. Aircraft Barrel Nut.
From aerospacearms.com
Aero Precision AR15 Barrel Nut Aerospace Arms Aircraft Barrel Nut Barrel nuts are used in locations where wrenching space is not available. Wrenchable nuts • anchor nuts gang channel nuts • barrel nuts • shank nuts. Aerospace manufactures a wide range of close tolerance, high temperature, and high strength aerospace bolts, studs, pins, nuts,. The major components of a barrel nut are the barrel, a nut and a retaining cage.. Aircraft Barrel Nut.
From www.shutterstock.com
Aircraft Nuts Bolts Stock Photo 948628 Shutterstock Aircraft Barrel Nut The major components of a barrel nut are the barrel, a nut and a retaining cage. Aerospace manufactures a wide range of close tolerance, high temperature, and high strength aerospace bolts, studs, pins, nuts,. Browse our selection of aerospace nuts today! Aero fastener stocks a wide variety of aircraft and aviation nuts. Barrel nuts are used in locations where wrenching. Aircraft Barrel Nut.
From 3rsales.com
Aerospace Hardware 3R Sales Aircraft Barrel Nut Browse our selection of aerospace nuts today! A barrel nut is a specialized nut for high tension applications on thick structures and when a wrench cannot be applied to the nut. Aerospace manufactures a wide range of close tolerance, high temperature, and high strength aerospace bolts, studs, pins, nuts,. Wrenchable nuts • anchor nuts gang channel nuts • barrel nuts. Aircraft Barrel Nut.
From gunmagwarehouse.com
LBE Unlimited AR10 Barrel Nut Aircraft Barrel Nut Aero fastener stocks a wide variety of aircraft and aviation nuts. The major components of a barrel nut are the barrel, a nut and a retaining cage. Browse our selection of aerospace nuts today! Wrenchable nuts • anchor nuts gang channel nuts • barrel nuts • shank nuts. Barrel nuts are used in locations where wrenching space is not available.. Aircraft Barrel Nut.
From skogensgunsupply.com
Standard AR15 Barrel Nut Skogen's Gun Supply Aircraft Barrel Nut Wrenchable nuts • anchor nuts gang channel nuts • barrel nuts • shank nuts. Aerospace manufactures a wide range of close tolerance, high temperature, and high strength aerospace bolts, studs, pins, nuts,. A barrel nut is a specialized nut for high tension applications on thick structures and when a wrench cannot be applied to the nut. Aero fastener stocks a. Aircraft Barrel Nut.
From internationalbarrels.com
Deadline/Deuce Barrel Nut International Barrels Aircraft Barrel Nut Aerospace manufactures a wide range of close tolerance, high temperature, and high strength aerospace bolts, studs, pins, nuts,. Browse our selection of aerospace nuts today! Barrel nuts are used in locations where wrenching space is not available. Aero fastener stocks a wide variety of aircraft and aviation nuts. A barrel nut is a specialized nut for high tension applications on. Aircraft Barrel Nut.
From www.brownells.co.uk
Barrel Nuts Brownells UK Aircraft Barrel Nut A barrel nut is a specialized nut for high tension applications on thick structures and when a wrench cannot be applied to the nut. Barrel nuts are used in locations where wrenching space is not available. The major components of a barrel nut are the barrel, a nut and a retaining cage. Aerospace manufactures a wide range of close tolerance,. Aircraft Barrel Nut.
From aerospacearms.com
Aero Precision M4E1 / COP Barrel Nut Aerospace Arms Aircraft Barrel Nut A barrel nut is a specialized nut for high tension applications on thick structures and when a wrench cannot be applied to the nut. Barrel nuts are used in locations where wrenching space is not available. Browse our selection of aerospace nuts today! Wrenchable nuts • anchor nuts gang channel nuts • barrel nuts • shank nuts. Aero fastener stocks. Aircraft Barrel Nut.
From www.ohhunt.com
ohhunt® AR10 & LR308 Barrel Nut 7075T6 Aluminum Aircraft Barrel Nut Barrel nuts are used in locations where wrenching space is not available. Aero fastener stocks a wide variety of aircraft and aviation nuts. Browse our selection of aerospace nuts today! A barrel nut is a specialized nut for high tension applications on thick structures and when a wrench cannot be applied to the nut. The major components of a barrel. Aircraft Barrel Nut.
From ar15discounts.com
Aero Precision .308 BAR Barrel Nut Assembly Aero / DPMS Threads Aircraft Barrel Nut Wrenchable nuts • anchor nuts gang channel nuts • barrel nuts • shank nuts. Barrel nuts are used in locations where wrenching space is not available. Aero fastener stocks a wide variety of aircraft and aviation nuts. A barrel nut is a specialized nut for high tension applications on thick structures and when a wrench cannot be applied to the. Aircraft Barrel Nut.
From ar15discounts.com
Aero Precision AR15 BAR Barrel Nut Aircraft Barrel Nut Barrel nuts are used in locations where wrenching space is not available. A barrel nut is a specialized nut for high tension applications on thick structures and when a wrench cannot be applied to the nut. Wrenchable nuts • anchor nuts gang channel nuts • barrel nuts • shank nuts. The major components of a barrel nut are the barrel,. Aircraft Barrel Nut.
From www.gunbroker.com
Lewis Gun Aircraft barrel locking nut. Used. Class 3 Parts Aircraft Barrel Nut The major components of a barrel nut are the barrel, a nut and a retaining cage. Aero fastener stocks a wide variety of aircraft and aviation nuts. Aerospace manufactures a wide range of close tolerance, high temperature, and high strength aerospace bolts, studs, pins, nuts,. Barrel nuts are used in locations where wrenching space is not available. A barrel nut. Aircraft Barrel Nut.
From www.ohhunt.com
AR15 Steel Barrel Nut for Free Float Handguard ohhunt Aircraft Barrel Nut Barrel nuts are used in locations where wrenching space is not available. Browse our selection of aerospace nuts today! The major components of a barrel nut are the barrel, a nut and a retaining cage. Aerospace manufactures a wide range of close tolerance, high temperature, and high strength aerospace bolts, studs, pins, nuts,. A barrel nut is a specialized nut. Aircraft Barrel Nut.
From midwestindustriesinc.com
Shop Our Night Fighter Replacement Barrel Nut Aircraft Barrel Nut Browse our selection of aerospace nuts today! The major components of a barrel nut are the barrel, a nut and a retaining cage. Barrel nuts are used in locations where wrenching space is not available. Aero fastener stocks a wide variety of aircraft and aviation nuts. A barrel nut is a specialized nut for high tension applications on thick structures. Aircraft Barrel Nut.
From www.camaerospace.com
CAM Consolidated Aerospace Manufacturing Aircraft Barrel Nut A barrel nut is a specialized nut for high tension applications on thick structures and when a wrench cannot be applied to the nut. Aerospace manufactures a wide range of close tolerance, high temperature, and high strength aerospace bolts, studs, pins, nuts,. The major components of a barrel nut are the barrel, a nut and a retaining cage. Aero fastener. Aircraft Barrel Nut.
From wyomingarms.com
Barrel and Barrel Nut Package Wyoming Arms Aircraft Barrel Nut The major components of a barrel nut are the barrel, a nut and a retaining cage. Barrel nuts are used in locations where wrenching space is not available. Browse our selection of aerospace nuts today! A barrel nut is a specialized nut for high tension applications on thick structures and when a wrench cannot be applied to the nut. Wrenchable. Aircraft Barrel Nut.
From www.deltamike.co.nz
AimSport Predator Barrel Nut — Delta Mike Ltd Aircraft Barrel Nut Wrenchable nuts • anchor nuts gang channel nuts • barrel nuts • shank nuts. Barrel nuts are used in locations where wrenching space is not available. The major components of a barrel nut are the barrel, a nut and a retaining cage. Browse our selection of aerospace nuts today! A barrel nut is a specialized nut for high tension applications. Aircraft Barrel Nut.
From www.prorig.com.au
SBN Barrel Nut 316 Grade Stainless Steel Aircraft Barrel Nut Wrenchable nuts • anchor nuts gang channel nuts • barrel nuts • shank nuts. Aero fastener stocks a wide variety of aircraft and aviation nuts. Aerospace manufactures a wide range of close tolerance, high temperature, and high strength aerospace bolts, studs, pins, nuts,. A barrel nut is a specialized nut for high tension applications on thick structures and when a. Aircraft Barrel Nut.
From ar15discounts.com
Aero Precision AR15 BAR Barrel Nut Aircraft Barrel Nut Browse our selection of aerospace nuts today! Aero fastener stocks a wide variety of aircraft and aviation nuts. Aerospace manufactures a wide range of close tolerance, high temperature, and high strength aerospace bolts, studs, pins, nuts,. A barrel nut is a specialized nut for high tension applications on thick structures and when a wrench cannot be applied to the nut.. Aircraft Barrel Nut.
From emperionstore.com
VFC Gbb Mk4 Barrel Nut ZPARTS Aircraft Barrel Nut A barrel nut is a specialized nut for high tension applications on thick structures and when a wrench cannot be applied to the nut. Barrel nuts are used in locations where wrenching space is not available. Aerospace manufactures a wide range of close tolerance, high temperature, and high strength aerospace bolts, studs, pins, nuts,. Wrenchable nuts • anchor nuts gang. Aircraft Barrel Nut.
From www.ohhunt.com
AR15 Barrel Nut ohhunt Aircraft Barrel Nut Wrenchable nuts • anchor nuts gang channel nuts • barrel nuts • shank nuts. Browse our selection of aerospace nuts today! Aerospace manufactures a wide range of close tolerance, high temperature, and high strength aerospace bolts, studs, pins, nuts,. Aero fastener stocks a wide variety of aircraft and aviation nuts. Barrel nuts are used in locations where wrenching space is. Aircraft Barrel Nut.
From aerospacearms.com
Aero Precision AR15/EPC ATLAS Barrel Nut Aerospace Arms Aircraft Barrel Nut Aero fastener stocks a wide variety of aircraft and aviation nuts. Aerospace manufactures a wide range of close tolerance, high temperature, and high strength aerospace bolts, studs, pins, nuts,. Browse our selection of aerospace nuts today! The major components of a barrel nut are the barrel, a nut and a retaining cage. Wrenchable nuts • anchor nuts gang channel nuts. Aircraft Barrel Nut.
From www.ohhunt.com
ohhunt® AR10 & LR308 Barrel Nut 7075T6 Aluminum Aircraft Barrel Nut A barrel nut is a specialized nut for high tension applications on thick structures and when a wrench cannot be applied to the nut. Barrel nuts are used in locations where wrenching space is not available. Aero fastener stocks a wide variety of aircraft and aviation nuts. The major components of a barrel nut are the barrel, a nut and. Aircraft Barrel Nut.
From www.wicksaircraft.com
Aircraft Nuts Wicks Aircraft Supply Company Aircraft Barrel Nut The major components of a barrel nut are the barrel, a nut and a retaining cage. Browse our selection of aerospace nuts today! Aerospace manufactures a wide range of close tolerance, high temperature, and high strength aerospace bolts, studs, pins, nuts,. Barrel nuts are used in locations where wrenching space is not available. A barrel nut is a specialized nut. Aircraft Barrel Nut.
From www.ohhunt.com
AR15 Replacement Steel Barrel Nut for Javelin Handguard ohhunt Aircraft Barrel Nut Browse our selection of aerospace nuts today! Barrel nuts are used in locations where wrenching space is not available. The major components of a barrel nut are the barrel, a nut and a retaining cage. Aero fastener stocks a wide variety of aircraft and aviation nuts. Aerospace manufactures a wide range of close tolerance, high temperature, and high strength aerospace. Aircraft Barrel Nut.
From www.lowes.com
Hillman 1Count 1/4in x 3/4in Plain Steel Barrel Nut at Aircraft Barrel Nut Aerospace manufactures a wide range of close tolerance, high temperature, and high strength aerospace bolts, studs, pins, nuts,. Aero fastener stocks a wide variety of aircraft and aviation nuts. Browse our selection of aerospace nuts today! Barrel nuts are used in locations where wrenching space is not available. The major components of a barrel nut are the barrel, a nut. Aircraft Barrel Nut.
From 4shooters.com
2A AR15 Aluminum Barrel Nut 4Shooters Aircraft Barrel Nut Wrenchable nuts • anchor nuts gang channel nuts • barrel nuts • shank nuts. Aerospace manufactures a wide range of close tolerance, high temperature, and high strength aerospace bolts, studs, pins, nuts,. A barrel nut is a specialized nut for high tension applications on thick structures and when a wrench cannot be applied to the nut. The major components of. Aircraft Barrel Nut.
From catalog.monroeaerospace.com
Buy NAS577B7A Monroe Aerospace Aircraft Barrel Nut The major components of a barrel nut are the barrel, a nut and a retaining cage. Aerospace manufactures a wide range of close tolerance, high temperature, and high strength aerospace bolts, studs, pins, nuts,. A barrel nut is a specialized nut for high tension applications on thick structures and when a wrench cannot be applied to the nut. Wrenchable nuts. Aircraft Barrel Nut.
From www.aircraftspruce.com
AN310 Castle Nuts Aircraft Spruce Aircraft Barrel Nut Browse our selection of aerospace nuts today! The major components of a barrel nut are the barrel, a nut and a retaining cage. Wrenchable nuts • anchor nuts gang channel nuts • barrel nuts • shank nuts. Aerospace manufactures a wide range of close tolerance, high temperature, and high strength aerospace bolts, studs, pins, nuts,. Aero fastener stocks a wide. Aircraft Barrel Nut.
From www.miamistainless.com.au
Stainless Barrel Nut 28mm M6 Thread AISI 316 Aircraft Barrel Nut Barrel nuts are used in locations where wrenching space is not available. A barrel nut is a specialized nut for high tension applications on thick structures and when a wrench cannot be applied to the nut. Wrenchable nuts • anchor nuts gang channel nuts • barrel nuts • shank nuts. Aerospace manufactures a wide range of close tolerance, high temperature,. Aircraft Barrel Nut.
From 3d22cc92f7d7703c.en.made-in-china.com
Custom Nut Plate Self Locking Nutplate Aircraft Fxed Floating Anchor Aircraft Barrel Nut Wrenchable nuts • anchor nuts gang channel nuts • barrel nuts • shank nuts. A barrel nut is a specialized nut for high tension applications on thick structures and when a wrench cannot be applied to the nut. Aerospace manufactures a wide range of close tolerance, high temperature, and high strength aerospace bolts, studs, pins, nuts,. Browse our selection of. Aircraft Barrel Nut.
From aerospacearms.com
AR308 Parts and Accessories Barrel Nuts Aerospace Arms Aircraft Barrel Nut Aerospace manufactures a wide range of close tolerance, high temperature, and high strength aerospace bolts, studs, pins, nuts,. The major components of a barrel nut are the barrel, a nut and a retaining cage. Aero fastener stocks a wide variety of aircraft and aviation nuts. Browse our selection of aerospace nuts today! Wrenchable nuts • anchor nuts gang channel nuts. Aircraft Barrel Nut.