Jeep Yj Power Steering Hose Replacement . Disconnect the hose at the steering gear using an 18mm crowsfoot or flare nut wrench. I had to replace mine when i did the cj7 front end swap and needed. Advance auto sells a replacement fitting for the return line. There is a pressure line with high pressure fittings and hose from the pump to the steering box. The return line is typically just. Jeep cj, yj and tj. If you have cracked the fitting that screws into the steeing box on the return side, it is next to impossible to find a replacement and. Have any of you had luck making your own section of metal power steering pump return line using the original flare nut and.
from repairconclavist.z21.web.core.windows.net
There is a pressure line with high pressure fittings and hose from the pump to the steering box. The return line is typically just. Have any of you had luck making your own section of metal power steering pump return line using the original flare nut and. If you have cracked the fitting that screws into the steeing box on the return side, it is next to impossible to find a replacement and. I had to replace mine when i did the cj7 front end swap and needed. Disconnect the hose at the steering gear using an 18mm crowsfoot or flare nut wrench. Jeep cj, yj and tj. Advance auto sells a replacement fitting for the return line.
Jeep Power Steering Pump Replacement
Jeep Yj Power Steering Hose Replacement Advance auto sells a replacement fitting for the return line. Have any of you had luck making your own section of metal power steering pump return line using the original flare nut and. The return line is typically just. I had to replace mine when i did the cj7 front end swap and needed. Disconnect the hose at the steering gear using an 18mm crowsfoot or flare nut wrench. Advance auto sells a replacement fitting for the return line. Jeep cj, yj and tj. If you have cracked the fitting that screws into the steeing box on the return side, it is next to impossible to find a replacement and. There is a pressure line with high pressure fittings and hose from the pump to the steering box.
From repairconclavist.z21.web.core.windows.net
Jeep Power Steering Pump Replacement Jeep Yj Power Steering Hose Replacement Have any of you had luck making your own section of metal power steering pump return line using the original flare nut and. Advance auto sells a replacement fitting for the return line. Disconnect the hose at the steering gear using an 18mm crowsfoot or flare nut wrench. The return line is typically just. Jeep cj, yj and tj. If. Jeep Yj Power Steering Hose Replacement.
From www.extremeterrain.com
Jeep Wrangler Power Steering Return Hose (9195 4.0L Jeep Wrangler YJ) Jeep Yj Power Steering Hose Replacement Disconnect the hose at the steering gear using an 18mm crowsfoot or flare nut wrench. Advance auto sells a replacement fitting for the return line. The return line is typically just. If you have cracked the fitting that screws into the steeing box on the return side, it is next to impossible to find a replacement and. Have any of. Jeep Yj Power Steering Hose Replacement.
From www.extremeterrain.com
Jeep Wrangler Power Steering Pressure Hose (0306 4.0L Jeep Wrangler TJ) Jeep Yj Power Steering Hose Replacement I had to replace mine when i did the cj7 front end swap and needed. Have any of you had luck making your own section of metal power steering pump return line using the original flare nut and. Disconnect the hose at the steering gear using an 18mm crowsfoot or flare nut wrench. Advance auto sells a replacement fitting for. Jeep Yj Power Steering Hose Replacement.
From www.slimansparts.com
Jeep Wrangler Power Steering Return Hose 68078359AL Amherst OH Jeep Yj Power Steering Hose Replacement There is a pressure line with high pressure fittings and hose from the pump to the steering box. I had to replace mine when i did the cj7 front end swap and needed. Disconnect the hose at the steering gear using an 18mm crowsfoot or flare nut wrench. Jeep cj, yj and tj. If you have cracked the fitting that. Jeep Yj Power Steering Hose Replacement.
From www.quadratec.com
Jeep Wrangler JK Power Steering Hose Parts Quadratec Jeep Yj Power Steering Hose Replacement Have any of you had luck making your own section of metal power steering pump return line using the original flare nut and. Jeep cj, yj and tj. Advance auto sells a replacement fitting for the return line. There is a pressure line with high pressure fittings and hose from the pump to the steering box. The return line is. Jeep Yj Power Steering Hose Replacement.
From www.shopjeepparts.com
Jeep Wrangler Power Steering Return Hose 52038423AB Jeep Yj Power Steering Hose Replacement If you have cracked the fitting that screws into the steeing box on the return side, it is next to impossible to find a replacement and. There is a pressure line with high pressure fittings and hose from the pump to the steering box. The return line is typically just. Jeep cj, yj and tj. I had to replace mine. Jeep Yj Power Steering Hose Replacement.
From www.quadratec.com
Crown Automotive 52038014 Power Steering Pressure Hose for 9195 Jeep Wrangler YJ with 2.5L 4 Jeep Yj Power Steering Hose Replacement Advance auto sells a replacement fitting for the return line. Disconnect the hose at the steering gear using an 18mm crowsfoot or flare nut wrench. The return line is typically just. If you have cracked the fitting that screws into the steeing box on the return side, it is next to impossible to find a replacement and. There is a. Jeep Yj Power Steering Hose Replacement.
From www.extremeterrain.com
Jeep Wrangler Power Steering Pressure Hose (9195 Jeep Wrangler YJ) Jeep Yj Power Steering Hose Replacement Have any of you had luck making your own section of metal power steering pump return line using the original flare nut and. Jeep cj, yj and tj. The return line is typically just. I had to replace mine when i did the cj7 front end swap and needed. There is a pressure line with high pressure fittings and hose. Jeep Yj Power Steering Hose Replacement.
From www.walmart.com
3401464 Power Steering Pressure Line Hose for 9702 Jeep Wrangler Jeep Yj Power Steering Hose Replacement The return line is typically just. I had to replace mine when i did the cj7 front end swap and needed. Have any of you had luck making your own section of metal power steering pump return line using the original flare nut and. There is a pressure line with high pressure fittings and hose from the pump to the. Jeep Yj Power Steering Hose Replacement.
From www.factorychryslerparts.com
Jeep HOSES AND RESERVOIR, POWER STEERING WRANGLER YJ Jeep Yj Power Steering Hose Replacement Advance auto sells a replacement fitting for the return line. I had to replace mine when i did the cj7 front end swap and needed. Disconnect the hose at the steering gear using an 18mm crowsfoot or flare nut wrench. If you have cracked the fitting that screws into the steeing box on the return side, it is next to. Jeep Yj Power Steering Hose Replacement.
From www.polyperformance.com
PSC High Pressure Power Steering Hose Assembly Upgrade for 201218 Jeep JK 3.6L POLY PERFORMANCE Jeep Yj Power Steering Hose Replacement Have any of you had luck making your own section of metal power steering pump return line using the original flare nut and. Advance auto sells a replacement fitting for the return line. The return line is typically just. I had to replace mine when i did the cj7 front end swap and needed. Jeep cj, yj and tj. There. Jeep Yj Power Steering Hose Replacement.
From www.extremeterrain.com
Jeep Wrangler Power Steering Pressure Hose (8790 2.5L Jeep Wrangler YJ) Jeep Yj Power Steering Hose Replacement I had to replace mine when i did the cj7 front end swap and needed. The return line is typically just. Advance auto sells a replacement fitting for the return line. There is a pressure line with high pressure fittings and hose from the pump to the steering box. Disconnect the hose at the steering gear using an 18mm crowsfoot. Jeep Yj Power Steering Hose Replacement.
From www.youtube.com
HOW TO REPLACE Jeep POWER STEERING PUMP // Jeep Wrangler JK 3.6L YouTube Jeep Yj Power Steering Hose Replacement There is a pressure line with high pressure fittings and hose from the pump to the steering box. Advance auto sells a replacement fitting for the return line. If you have cracked the fitting that screws into the steeing box on the return side, it is next to impossible to find a replacement and. Have any of you had luck. Jeep Yj Power Steering Hose Replacement.
From www.2040-parts.com
Purchase Crown Automotive Jeep Replacement POWER STEERING PRESSURE HOSE in United States, United Jeep Yj Power Steering Hose Replacement Disconnect the hose at the steering gear using an 18mm crowsfoot or flare nut wrench. There is a pressure line with high pressure fittings and hose from the pump to the steering box. Advance auto sells a replacement fitting for the return line. If you have cracked the fitting that screws into the steeing box on the return side, it. Jeep Yj Power Steering Hose Replacement.
From www.1aauto.com
How to Replace Power Steering Return Line Hose 19972006 Jeep Wrangler 1A Auto Jeep Yj Power Steering Hose Replacement Jeep cj, yj and tj. There is a pressure line with high pressure fittings and hose from the pump to the steering box. If you have cracked the fitting that screws into the steeing box on the return side, it is next to impossible to find a replacement and. Advance auto sells a replacement fitting for the return line. I. Jeep Yj Power Steering Hose Replacement.
From www.slimansparts.com
Jeep Wrangler Power Steering Pressure Hose 68078358AI Amherst OH Jeep Yj Power Steering Hose Replacement Advance auto sells a replacement fitting for the return line. Have any of you had luck making your own section of metal power steering pump return line using the original flare nut and. Jeep cj, yj and tj. Disconnect the hose at the steering gear using an 18mm crowsfoot or flare nut wrench. If you have cracked the fitting that. Jeep Yj Power Steering Hose Replacement.
From www.solidgarage.it
Power Steering Pressure Hose 0711 Jeep Wrangler JK SOLIDGARAGE4X4 Jeep Yj Power Steering Hose Replacement If you have cracked the fitting that screws into the steeing box on the return side, it is next to impossible to find a replacement and. Have any of you had luck making your own section of metal power steering pump return line using the original flare nut and. The return line is typically just. Disconnect the hose at the. Jeep Yj Power Steering Hose Replacement.
From www.extremeterrain.com
Jeep Wrangler Power Steering Pressure Hose (9195 2.5L Jeep Wrangler YJ) Jeep Yj Power Steering Hose Replacement There is a pressure line with high pressure fittings and hose from the pump to the steering box. I had to replace mine when i did the cj7 front end swap and needed. Advance auto sells a replacement fitting for the return line. Have any of you had luck making your own section of metal power steering pump return line. Jeep Yj Power Steering Hose Replacement.
From www.youtube.com
Jeep YJ power Steering Reservoir upgrade YouTube Jeep Yj Power Steering Hose Replacement The return line is typically just. Jeep cj, yj and tj. Disconnect the hose at the steering gear using an 18mm crowsfoot or flare nut wrench. If you have cracked the fitting that screws into the steeing box on the return side, it is next to impossible to find a replacement and. I had to replace mine when i did. Jeep Yj Power Steering Hose Replacement.
From 4x4.fatbobsgarage.com
Power Steering Pressure Hose 19871990 Jeep YJ Wrangler By OmixADA Jeep Yj Power Steering Hose Replacement Disconnect the hose at the steering gear using an 18mm crowsfoot or flare nut wrench. There is a pressure line with high pressure fittings and hose from the pump to the steering box. Have any of you had luck making your own section of metal power steering pump return line using the original flare nut and. I had to replace. Jeep Yj Power Steering Hose Replacement.
From www.quadratec.com
Crown Automotive 52040123 Power Steering Pressure Hose for 8790 Jeep Wrangler YJ with 2.5L Jeep Yj Power Steering Hose Replacement Jeep cj, yj and tj. There is a pressure line with high pressure fittings and hose from the pump to the steering box. I had to replace mine when i did the cj7 front end swap and needed. Have any of you had luck making your own section of metal power steering pump return line using the original flare nut. Jeep Yj Power Steering Hose Replacement.
From www.quadratec.com
Crown Automotive 52037644 Power Steering Pressure Hose for 9195 Jeep Wrangler YJ with 4.0L 6 Jeep Yj Power Steering Hose Replacement Jeep cj, yj and tj. There is a pressure line with high pressure fittings and hose from the pump to the steering box. The return line is typically just. Have any of you had luck making your own section of metal power steering pump return line using the original flare nut and. Disconnect the hose at the steering gear using. Jeep Yj Power Steering Hose Replacement.
From www.slimansparts.com
Jeep Wrangler Power Steering Return Hose 68078359AL Amherst OH Jeep Yj Power Steering Hose Replacement Jeep cj, yj and tj. Disconnect the hose at the steering gear using an 18mm crowsfoot or flare nut wrench. I had to replace mine when i did the cj7 front end swap and needed. If you have cracked the fitting that screws into the steeing box on the return side, it is next to impossible to find a replacement. Jeep Yj Power Steering Hose Replacement.
From www.mymoparpart.com
Jeep Wrangler Hose. Power steering pressure. 68078358AI Libertyville IL Jeep Yj Power Steering Hose Replacement Jeep cj, yj and tj. Advance auto sells a replacement fitting for the return line. I had to replace mine when i did the cj7 front end swap and needed. There is a pressure line with high pressure fittings and hose from the pump to the steering box. Disconnect the hose at the steering gear using an 18mm crowsfoot or. Jeep Yj Power Steering Hose Replacement.
From www.extremeterrain.com
Jeep Wrangler Power Steering Return Hose (0306 4.0L Jeep Wrangler TJ) Jeep Yj Power Steering Hose Replacement Disconnect the hose at the steering gear using an 18mm crowsfoot or flare nut wrench. There is a pressure line with high pressure fittings and hose from the pump to the steering box. The return line is typically just. I had to replace mine when i did the cj7 front end swap and needed. Have any of you had luck. Jeep Yj Power Steering Hose Replacement.
From www.pinterest.com
Crown Automotive 52088548AB Power Steering Pressure Hose for 9702 Jeep Wrangler TJ with 2.5L I Jeep Yj Power Steering Hose Replacement Have any of you had luck making your own section of metal power steering pump return line using the original flare nut and. Jeep cj, yj and tj. If you have cracked the fitting that screws into the steeing box on the return side, it is next to impossible to find a replacement and. Disconnect the hose at the steering. Jeep Yj Power Steering Hose Replacement.
From www.quadratec.com
Crown Automotive 52005411 Steering Pump to Reservoir Power Steering Return Hose for 9195 Jeep Jeep Yj Power Steering Hose Replacement Disconnect the hose at the steering gear using an 18mm crowsfoot or flare nut wrench. Advance auto sells a replacement fitting for the return line. If you have cracked the fitting that screws into the steeing box on the return side, it is next to impossible to find a replacement and. Jeep cj, yj and tj. The return line is. Jeep Yj Power Steering Hose Replacement.
From www.ebay.com
OEM JEEP YJ POWER STEERING PUMP1987 1989 FOR ORING STYLE HOSES4, CYL. eBay Jeep Yj Power Steering Hose Replacement There is a pressure line with high pressure fittings and hose from the pump to the steering box. The return line is typically just. I had to replace mine when i did the cj7 front end swap and needed. Have any of you had luck making your own section of metal power steering pump return line using the original flare. Jeep Yj Power Steering Hose Replacement.
From somarmotor.com
Power Steering Pressure Hose for 9702 Jeep Wrangler TJ with 4.0L I6 Engine Somar 4X4 The Jeep Yj Power Steering Hose Replacement Have any of you had luck making your own section of metal power steering pump return line using the original flare nut and. Advance auto sells a replacement fitting for the return line. Disconnect the hose at the steering gear using an 18mm crowsfoot or flare nut wrench. The return line is typically just. I had to replace mine when. Jeep Yj Power Steering Hose Replacement.
From www.youtube.com
How To Power steering hose replacement Jeep XJ YouTube Jeep Yj Power Steering Hose Replacement The return line is typically just. Have any of you had luck making your own section of metal power steering pump return line using the original flare nut and. If you have cracked the fitting that screws into the steeing box on the return side, it is next to impossible to find a replacement and. Jeep cj, yj and tj.. Jeep Yj Power Steering Hose Replacement.
From eshop.rbs-handel.de
52005411 Power Steering Return Hose for Jeep Wrangler (YJ) 2.5 L AMC 150 (2464 ccm/78 89 kW Jeep Yj Power Steering Hose Replacement Advance auto sells a replacement fitting for the return line. Jeep cj, yj and tj. If you have cracked the fitting that screws into the steeing box on the return side, it is next to impossible to find a replacement and. Have any of you had luck making your own section of metal power steering pump return line using the. Jeep Yj Power Steering Hose Replacement.
From www.cherokeeforum.com
power steering hose orientation Jeep Cherokee Forum Jeep Yj Power Steering Hose Replacement The return line is typically just. There is a pressure line with high pressure fittings and hose from the pump to the steering box. Have any of you had luck making your own section of metal power steering pump return line using the original flare nut and. Advance auto sells a replacement fitting for the return line. Disconnect the hose. Jeep Yj Power Steering Hose Replacement.
From onejeep.com
199295 Jeep YJ Power Steering Fluid Reservoir hoses not included One Jeep Jeep Parts Sell Jeep Yj Power Steering Hose Replacement I had to replace mine when i did the cj7 front end swap and needed. Disconnect the hose at the steering gear using an 18mm crowsfoot or flare nut wrench. The return line is typically just. Jeep cj, yj and tj. Advance auto sells a replacement fitting for the return line. If you have cracked the fitting that screws into. Jeep Yj Power Steering Hose Replacement.
From www.moparpartsgiant.com
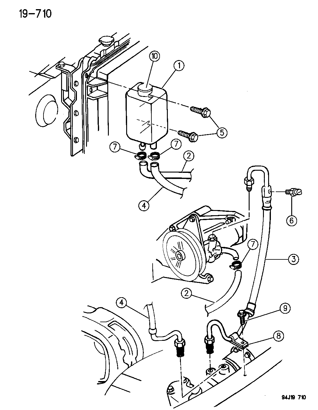
1994 Jeep Wrangler Power Steering Hoses And Reservoir Jeep Yj Power Steering Hose Replacement Have any of you had luck making your own section of metal power steering pump return line using the original flare nut and. Jeep cj, yj and tj. I had to replace mine when i did the cj7 front end swap and needed. Advance auto sells a replacement fitting for the return line. The return line is typically just. If. Jeep Yj Power Steering Hose Replacement.
From www.extremeterrain.com
Jeep Wrangler Power Steering Return Hose (7679 Jeep CJ7; 7379 CJ5) Jeep Yj Power Steering Hose Replacement Advance auto sells a replacement fitting for the return line. The return line is typically just. There is a pressure line with high pressure fittings and hose from the pump to the steering box. I had to replace mine when i did the cj7 front end swap and needed. Disconnect the hose at the steering gear using an 18mm crowsfoot. Jeep Yj Power Steering Hose Replacement.